37 john deere mower deck parts diagram
CALL US AT (855) 669-7278. John Deere LT133 Lawn Tractor Parts 38 Mower Deck Quick Reference Guide. Click the part number below to view and order John Deere LT133 Lawn Tractor Parts 38 Mower Deck, or search illustrated diagrams to determine the part you need. Description: John Deere 48 Edge Mower Deck Belt Diagram – Best Deer 2017 throughout John Deere Mower Deck Parts Diagram, image size 1280 X 720 px, and to view image details please click the image. Truly, we also have been realized that john deere mower deck parts diagram is being one of the most popular field right now. So that we attempted to uncover some terrific john deere mower deck parts diagram graphic for you.
The only deck size that was manufactured for the John Deere 100 lawn tractor was a 42″ mower deck. This quick parts reference guide will provide you with the most common needed parts for your John Deere 100 lawn tractor. This includes tune up parts, blades, belts and filters for your John Deere 100 Lawn Tractor with 42″ Mower Deck.

John deere mower deck parts diagram
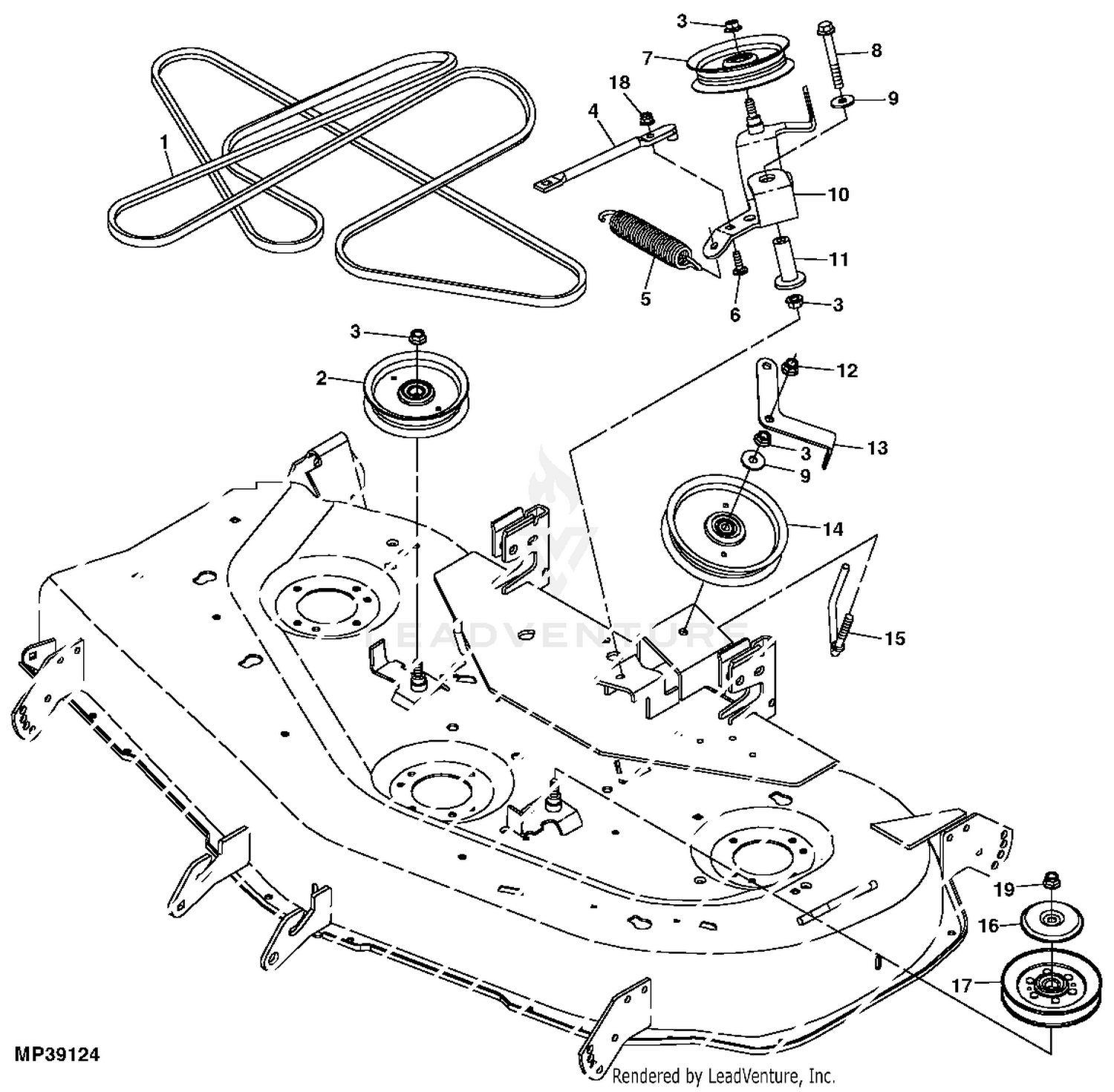
John Deere Model 48 Mower Deck - 48-inch Deck Parts - Fits John Deere Models 425, 445 and 455 Series1993 MODEL (SN M048HDA010001-025000) 1994 MODEL (S Description : John Deere 42" La100 La110 La120 Deck Parts Diagram throughout John Deere Mower Parts Diagram, image size 600 X 600 px, and to view image details please click the image. Here is a picture gallery about john deere mower parts diagram complete with the description of the image, please find the image you need. Largest Zero Turn and Tractor Dealer in Fort Wayne with two location offering Parts, Sales and Service for John Deere, Toro, Exmark, Honda, Stihl and More!
John deere mower deck parts diagram. There are a number of places to find genuine John Deere parts and aftermarket John Deere parts, depending on your budget and specific needs. The John Deere website, official John Deere sellers and online auction sites are three of the place... John Deere 661R 61" Mower Deck Parts Diagram Join the MuttonPower.com Mailing List for Special Savings! Get Latest Offers and Updates From Mutton Power Equipment. West Location. 5612 Illinois Road, Fort Wayne, IN 46804 (MAP) Phone: 260-432-9438 Hours: M-F 8:30AM-5:30PM Sat 8:30AM-2:00PM (Subject to Change) ... John Deere Model 47 Mower Deck Parts - For tractor models 110, 112, 200, 208, 210, 212, 214, 216 1968-1982 (Serial Number 100001-488000) We sell new, genuine John Deere parts and accessories. 1 2 3 4…14 15 16 → John Deere Seat Kit AH131421 MSRP: $80.54 GFP Price: $71.91 Add to Cart John Deere Seat Kit AH146043 MSRP: $119.44 GFP Price: $106.64 Add to Cart John Deere Seat Kit AL117252 MSRP: $103.32 GFP Price: $92.25 Add to Cart John Deere Seat Kit AL156124... Shop By Part Shop By Brand Parts Diagram 0 Search for: Home » Shop » Seats Covers & Seats » Seat Kit...
John Deere AG, Lawn & Garden and CWP Equipment Parts Search. John Deere parts lookup tool and diagram is an incredible online source. It is a complete catalog that shows you detailed parts diagrams of every part of your machine. This online parts catalog is robust and easy to use. Searching for your John Deere parts online has never been easier. 232 Products ... Your model number is a combination of letters and numbers which can be located on either the deck or hood of your equipment (Ex. LA125). We sell new, genuine John Deere parts and accessories. 1 2 3 4…12 13 14 → John Deere Absorber AL114469 MSRP: $146.17 GFP Price: $130.51 Add to Cart John Deere Absorber AL117251 MSRP: $148.29 GFP Price: $132.40 Add to Cart John Deere Absorber AL117265 MSRP: $146.82 GFP Price: $131.09 Add to Cart John Deere Absorber AL117341... Shop By Part Shop By Brand Parts Diagram 0 Search for: Home » Shop » Seats Covers & Seats » Repair Parts... John Deere Parts Diagrams, John Deere Z235 EZtrakâ ¢ Mower . Electrical; Engine GU21502, GU21504; Fuel and Air; Labels and Optional Equipment; Material Collection System; Mower Deck and Lift Linkage; Power Train; Power Train MM17582; Steering and Brakes; Wheels, Frame and Operator's Station ... Buy Genuine OEM John Deere parts for your John ...
The only deck size that was manufactured for the John Deere 100 lawn tractor was a 42″ mower deck. This quick parts reference guide will provide you with the most common needed parts for your John Deere 100 lawn tractor with 42″ mower deck. This includes tune up parts, blades, belts and filters for your John Deere 100 Lawn Tractor with 42 ... Buy Genuine OEM John Deere parts for your John Deere L120 Lawn Tractor (With 48-IN Mower Deck) Material Collection System -PC9290 and ship today! We sell new, genuine John Deere parts and accessories. 1 2 3 → John Deere Thermostat AM118587 MSRP: $117.00 GFP Price: $104.46 Add to Cart John Deere Thermostat DZ113382 MSRP: $54.67 GFP Price: $48.81 Add to Cart John Deere Thermostat M123434 MSRP: $24.85 GFP Price: $22.19 Add to Cart John Deere Thermostat M139383 MSRP: $31.... Shop By Part Shop By Brand Parts Diagram 0 Search for: Home » Shop » John Deere Electrical Parts »... We sell new, genuine John Deere parts and accessories. 1 2 3 4 5 6 7 → John Deere 2.5″ Oil Filter Wrench TY26639 MSRP: $7.21 GFP Price: $6.44 Add to Cart John Deere 3″ Oil Filter Wrench TY26640 MSRP: $7.44 GFP Price: $6.64 Add to Cart John Deere Clamp TY26844 MSRP: $16.35 GFP Price: $14.60 Add to Cart John Deere Coupling... Shop By Part Shop By Brand Parts Diagram 0 Search for: Home » Shop » John Deere Oil and Grease » Oil...
Buy Genuine OEM John Deere parts for your John Deere L100 Lawn Tractor (With 42-IN Mower Deck) Material Collection System -PC9288 and ship today!
John Deere Parts Diagrams John Deere 60D Mower Deck -PC9146 2007 Model M0060DA010001- 60D Mower Deck -PC9146 Adapter 48C. Whether it is a vintage or a modern tractor you should be able to identify the part by make and application.
1-24 of over 1,000 results for "john deere mower deck parts 54" ... 8TEN Deck Rebuild Kit for John Deere 54 inch X320 X340 Blade Spindle Belt Idler.
We sell new, genuine John Deere parts and accessories. 1 2 3 4…6 7 8 → John Deere Roof AL41448 MSRP: $499.78 GFP Price: $446.23 Add to Cart John Deere Roof Kit BM23063 MSRP: $517.71 GFP Price: $462.24 Add to Cart John Deere Roof Kit BM23397 MSRP: $415.84 GFP Price: $371.29 Add to Cart John Deere Roof Kit BM23398 MSRP: $657.... Shop By Part Shop By Brand Parts Diagram 0 Search for: Home » Shop » John Deere Attachments » Roof...
Rotary Deck Mowers Walk Reel Mowers Tractors Utility Tractor Attachments Compact Tractors (22.4 – 66 Engine HP) Sports Turf Stories Here's to the fields that... View parts diagrams and parts prices. Visit John Deere Parts about Buy Parts PARTS OnSite™ Program Experience a common-sense approach to saving time and increasing... Buy Parts Find a Dealer John Deere Financial Maintenance and Support Service Info Product Safety You May...
Genuine John Deere parts & accessories online at Green Farm Parts. Parts for John Deere Gators, lawn tractors, farm equipment, skid steers, golf equipment & more.
This quick parts reference guide will provide you with the most common John Deere GX255 Lawn Tractor Parts 54 Mower Deck. These John Deere Lawn Tractor Parts may include: Tune Up Kit, Spark Plug, Mower Blades, Traction Drive Belt, Transmission Belt, Mower Drive Belt, Battery, and Air Filters.
Cub Cadet, Tractors, Mowers, Parts,XMW Stocks 1000’s New, Used, Cub Cadet Parts, Diagrams, tractors, mowers, attachments, Genuine OEM Cub Cadet Parts, Cub Cadet 3 Point, Cub Cadet Lift, John Deere Par
Mower Deck Spring for 48-Inch and 54-Inch Mower Decks used on 100, D100, E100, G100, L100 and LA100 Series Mowers
PowerGard agreements protect you against unexpected repair costs and keep your maintenance on track with genuine parts. John Deere provides one of the best warranties in the business. And with PowerGard™ Protection Plan, you can purchase additional protection beyond the normal factory warranty term. For commercial use, please...
Seat Cover LP92334 John Deere Medium Riding Mower Cover LP93617 John Deere Medium Seat Cover LP92324 John Deere Riding Mower Cover LP93917 John Deere Riding Mower Deluxe Large Cover LP93647 John Deere Riding Mower Seat Cover LP22704 John Deere X700 Signature Series Seat Cover LP47913 John Deere XUV Gator Bench Seat Cover LP68149
We sell new, genuine John Deere parts and accessories. 1 2 3 → John Deere Wiring Harness VGB10505 MSRP: $116.24 GFP Price: $103.79 Add to Cart John Deere Wiring Harness BA31351 MSRP: $1,921.92 GFP Price: $1,716.00 Add to Cart John Deere Wiring Harness BH81643 MSRP: $657.89 GFP Price: $587.40 Add to Cart John Deere Wiring... Shop By Part Shop By Brand Parts Diagram 0 Search for: Home » Shop » John Deere Attachments » Wiring...
We sell new, genuine John Deere parts and accessories. 1 2 3 4…43 44 45 → John Deere Window Kit BM23505 MSRP: $272.04 GFP Price: $242.89 Add to Cart John Deere Window L213351 MSRP: $223.04 GFP Price: $199.14 Add to Cart John Deere Window M93074 MSRP: $15.08 GFP Price: $13.46 Add to Cart John Deere Window R110990 MSRP: $463.... Shop By Part Shop By Brand Parts Diagram 0 Search for: Home » Shop » John Deere Attachments » Window...
John Deere 1445 Parts. The 1445 Front Mower was produced with standard features including the three cylinder Yanmar diesel engine, hydrostatic transmission, and 3.8 qt engine oil capacity. Regular Maintenance should be performed on the 1445 every 50 hours and should include Spark Plug, Air Filter, Oil Filter, and to sharpen or replace mower blades.
Order John Deere Lawn Tractor Parts online Same Day & $4.99 Flat Rate Shipping! Several ways to find John Deere Lawn Tractor Parts. Know your John Deere Lawn Tractor Parts Number - Search Diagrams or our Lawn Mower Parts Catalog Know your John Deere Lawn Tractor Parts Model Number - Search Diagrams or Quick Reference Guides Learn which Lawn Mower is right for you.
John Deere Model 54 Mower Deck - 54-inch Deck Parts - Fits tractor models 335, 345 and 355D.
John Deere Parts Diagrams, John Deere D110 100 Series Tractor Material Collection System -PC10442. Air Cleaner: Fuel & Air. Alternator: Electrical. Attachment,Height Gauge: Mower Deck & Lift Linkage. Attachment,Hopper / Chute,42 inch: Material Collection System. Attachment,Mower Deck,42 inch: Mower Deck & Lift Linkage.
John Deere 42" Deck Parts Diagram for Z225 and Z235 Zero Turn Mowers. ... John Deere 42" Z225/Z235 Deck Parts Diagram Join the MuttonPower.com Mailing List for Special Savings! Get Latest Offers and Updates From Mutton Power Equipment. West Location. 5612 Illinois Road, ...
John Deere Mower Deck Parts. Genuine John Deere Chutes, Baggers, Mulching Covers, Shields, Spindles, Links and Other Replacement Mower Deck Parts ...
If you’re in the market for a new John Deere tractor or are looking to sell one that you have on your farm, you’ll want the most relevant pricing information that you can find. Read on to learn more about how to value a John Deere tractor o...
John Deere Parts Diagrams, John Deere 240, 245, 260, 265, 285 and 320 Lawn and Garden Tractors. ELECTRICAL. ENGINE (240 ENGINE SN -124169) (260/265 ENGINE SN -163399) AM130363, AM128342. ENGINE (240/245 ENGINE SN 124170-) (260/265 ENGINE SN 163400-) AM130363, AM128342.
If access to the drain plug is restricted by the equipment it may be necessary to drain the oil by tipping the mower in a position that would allow the oil to drain out of the fill tube. Find parts for your Craftsman Zero-Turn Riding Mower CMXGNAM1130046. Parts diagrams and manuals available. Free shipping on parts orders over $45. ...
John Deere 145 Deck Parts Diagram with original John Deere Parts and easy to use parts look-up.
Oil Filter - OIL FILTER, USC-A TYPE FILTER: Find parts & diagrams for your John Deere equipment. Search our parts catalog, order parts online or contact your John Deere dealer. ... Z435 EZtrak Mower - 54 in. deck* S100 with 42" Deck* S110 with 42" Deck* S140 with 48" Deck* WG32A WG36A WG48A* WH36A WH48A WH52A WH61A WHP36A WHP48A WHP52A ...
Farm Parts. All of our John Deere gauges are brand new and most are ready to ship today. The gauge types we carry include fuel level, electrical, mower leveling gauges and more. Shop online 24 hours a day and browse our extensive catalog. Fuel Gauges • Deck Leveling Gauge • Electrical Gauge 1 2 3 4…12 13 14 → John Deere... Shop By Part Shop By Brand Parts Diagram 0 Search for: Home » Shop » Gauges Helpful Info Account Products...
Order lawn mower parts including lawn mower blades, filters, and belts. ... Search part numbers and John Deere parts diagrams to identify exactly what you ...
John Deere Model 54C Mower Deck - 54-inch Deck Parts - Fits John Deere Models X400 Series, X575, X585, X595 and X700 Series2002 Model (SN M054CBB01000
This quick parts reference guide will provide you with the most common John Deere STX38 Lawn Tractor Parts 38 Mower Deck (Yellow Deck). These John Deere Lawn Tractor Parts may include: Tune Up Kit, Spark Plug, Mower Blades, Traction Drive Belt, Transmission Belt, Mower Drive Belt, Battery, and Air Filters.
John Deere R92 Parts. The R92 Rear Engine Riding Lawn Mower was produced from 1985-1986. Standard features included an 11 HP Briggs & Stratton Engine, 5 speed gear transmission, Independent mid PTO, and a 30" mid mount mower deck. Regular Maintenance should be performed on the R95 every 50 hours and should include Spark Plug, Air Filter, Oil ...
Model 50 Mower Deck - 50-inch Deck Parts - For tractor models 140,314, 316, 317, 318, 322, 330 and 3321984 MODEL (SERIAL NO. M01011X505001-525000) 198
John Deere Parts Diagrams, John Deere X500 TRACTOR MULTI-TERRAIN SERIES (With 54-IN Mower Deck) -PC9524 Adapter 48C: Two-Bag Power Flow Material Collection Air Filter 050001 - : Fuel & Air
John Deere 42" D100, D105, D110, D120, D125, D130 Deck Parts Diagram. Easy to use Parts Schematic for 42" D100 Series Lawn Tractors
[Books] John Deere 110 Mower Deck Parts Manual Recognizing the pretension ways to get this ebook john deere 110 mower deck parts manual is additionally useful. You have remained in right site to start getting this info. acquire the john deere 110 mower deck parts manual link that we meet the expense of here and check out the link.
Jan 23, 2022 · This particular picture (John Deere L100, L105, L107, L108, L110, L111, L118 Deck Parts within John Deere L100 Parts Diagram) earlier mentioned is actually classed together with: john deere l100 deck parts diagram, john deere l100 mower deck parts diagram, john deere l100 mower deck parts list, . put up by means of CARPNY TEAM on August, 1 2016.
John Deere dealers and all those who use John Deere equipment need a copy the corresponding equipment’s manual. There are separate manuals for each kind of equipment and this includes operating and safety equipment, besides maintenance and ...
John Deere Parts Diagrams, John Deere 60D Mower Deck -PC9146. Adapter 48C: Three-Bag Powerflow Material Collection. Anti-Blowout Kit,48C inch: Mid-Mount Mower,48C inch. Anti-Blowout Kit,54C inch: Mid-Mount Mower,54C inch. Anti-Blowout Kit,62C inch: Mid-Mount Mower,62C inch. Attachment,7 bu. Hopper: Two-Bag Powerflow Material Collection System.
This particular JOHN DEERE LA115 MOWER DECK PARTS DIAGRAM E-book is listed in our data source as AQNPTTIXSW, with file size for about 349.07 and then published at 24 Mar, 2014.
SmallEngineEquipmentParts.com: John Deere 46", 48", 50", & 54" Decks: Diagram.
0 Response to "37 john deere mower deck parts diagram"
Post a Comment