40 2006 pt cruiser wiring diagram
AutoZone Repair Guide for your Wiring Diagrams Connector Pin-outs (2006) Connector Pin-outs (2006) 8 June 7, 2015 -
November 14, 2019 - need wiring diagram for pt cruiser 2005 - Chrysler 2005 PT Cruiser question

2006 pt cruiser wiring diagram
GERMAN Instant Download Volvo Electronic Wiring Diagram manual Volvo Electronic Wiring Diagram (C30, S40, V50, S60, XC60, C70, V70, V70R, XC70, S80, XC90 Series) 2004-2010 (En-Es-Fr-Pt) (5.2GB, Searchable, Printable) Volvo S60 Service Repair Manual - Volvo S60 PDF Downloads Unlimited access to your 2008 Volvo S60 manual on a yearly basis. The typical electric cooling fan circuit includes, a temperature sensor, a relay, a control module and the fan motor. The relay is the component that fails most often. So, be sure to test the relay, as well as its power supply and ground connections. Cooling Fan Relay. A good relay coil will typically read 40 to 80 ohms. Free delivery on millions of items with Prime. Low prices across earth's biggest selection of books, music, DVDs, electronics, computers, software, apparel & accessories, shoes, jewelry, tools & hardware, housewares, furniture, sporting goods, beauty & personal care, groceries & just about anything else.
2006 pt cruiser wiring diagram. replacement diagrams , practical financial management 6th edition solutions , alfa romeo 147 manual , 2001 chrysler pt cruiser repair manual , word processing and study guide , jane eyre guide questions , bo efashion doent , maths paper 1 march grade 12 2014 , sidekick slide manual guide , parts manual kubota d722 , October 14, 2019 - Unbiased car reviews and over a million opinions and photos from real people. Use CarGurus to find the best used car deals. January 22, 2010 - I require a wiring diagram and an airconditioner wiring diagram for a 2006 PT Cruiser GT. Don - Answered by a verified Chrysler Mechanic The individua repairl manual includes a user manual for Chrysler, recommendations for maintenance, electrica circuits (wiring diagrams). These repair manuals will be useful to owners of Chrysler cars, mechanics, specialists of service stations, repair shops and car-care centers.
# OFFICIAL WORKSHOP Repair MANUAL for CHRYSLER PT CRUISER 2000-2010 WIRING # AU $17.46. Free shipping Free shipping Free ... 59 sold 59 sold 59 sold # OFFICIAL WORKSHOP Service Repair MANUAL for DODGE CALIBER 2006-2011 +WIRING # AU $23.30. Free shipping Free shipping Free ... MAZDA E2000 RIGHT HAND DRIVE RHD WIRING DIAGRAM MANUAL BOOK ORIGINAL ... # OFFICIAL WORKSHOP Service Repair MANUAL FORD ESCAPE 2000-2006 +WIRING DIAGRAMS. AU $13.30. Free shipping Free shipping Free shipping. Toyota Corolla Levin Seca Instrument Cluster AE112R 1998 1999 2000 180528 km ... # OFFICIAL WORKSHOP Repair MANUAL for CHRYSLER PT CRUISER 2000-2010 WIRING # AU $17.46. Free shipping Free shipping Free shipping ... This lovely vehicle came in with a simple complaint, "My AC doesn't work!". Upon inspection, we determine the cause of this condition is something often ov... There are too many articles (more than 9000) in this project to list them all on one page. This page and the ones linked below contain links to all articles, categories, images, portal pages templates, and project pages with {{WikiProject Automobiles}} on their talk page.It was generated by WatchlistBot.Its purpose is to be able to track the project history using related changes or related ...
# OFFICIAL WORKSHOP Service Repair MANUAL for MINI COOPER S 2006-2010 # AU $21.18. Free shipping Free shipping Free ... # OFFICIAL WORKSHOP Repair MANUAL for CHRYSLER PT CRUISER 2000-2010 WIRING # AU $17.46. Free shipping Free shipping Free shipping. 24 sold 24 sold 24 sold. VACUUM HOSE LAYOUT & SYSTEM DIAGRAMS No2 1991-96Ford, Holden, Nissan ... **Look here:** [**clone Micropod 2**](http://www.obdii365.com/wholesale/witech-micropod-2-diagnosis-programming-for-chrysler.html) **test reports** **Software to test with:** wiTech and DRB3 software **Cars to test:** 1997-2018 Chrysler, Dodge, Jeep, Fiat **Functions to test:** basic diagnostics, key programming, reflash programming, module flashing, ABS bleeding **Test reports from users:** (thanks for all the input) **2018 Jeep Wrangler:** FOBIK key programming done! Car: 2018 JEEP W... Download Free 2006 Pt Cruiser Owners Manual Free 2006 Chrysler PT Cruiser - Owner's Manual - PDF (464 Pages) A 2006 Chrysler PT Cruiser Owners Manual is normally accessible from Chrysler itself or from one of their authorized dealerships, such as ServiceMorse in Ohio. However, the Chrysler website makes it simple to obtain one online. Kia Sorento 2003-2006 Workshop Service Manual The 2009 Kia Sorento showcases 2 engine choices: a 242-horsepower 3.3-liter V-6 in the base automobile and a 262-horsepower 3.8-liter V-6 in the Ex Lover version. Kia Sorento 2003-2006 Workshop Service ManualDownload ...
chrysler-pt-cruiser-owners-manual-pdf-download 1/2 Downloaded from dev.endhomelessness.org on November 8, 2021 by guest Read Online Chrysler Pt Cruiser Owners Manual Pdf Download Right here, we have countless ebook chrysler pt cruiser owners manual pdf download and collections to check out.
Commando is the vehicle security super store featuring: Car Alarms, Keyless Entry, Remote Car Starters, SPAL Cooling Fans, Power Windows, Power Door Locks, Shaved Door Handles, Euro Clear Tail Lights, Altezza Lights and more for your Car, Truck, or SUV. Shop securely online for car alarms and ...
These diagrams are the same as the wiring diagrams in the shop manual. You can be the first one to write a review. ... This manual covers all 2005 Chrysler PT Cruisers including Sport Wagon, Convertible, Touring Sport Wagon, Touring Convertible, Limited Sport Wagon, GT Sport Wagon, and GT ...
January 11, 2020 - Whether you’re a novice Chrysler PT Cruiser enthusiast, an expert Chrysler PT Cruiser mobile electronics installer or a Chrysler PT Cruiser fan with a 2005 Chrysler PT Cruiser, a remote start wiring diagram can save yourself a lot of time. The automotive wiring harness in a 2005 Chrysler ...
I would like to know where I can get a wiring diagram for the engine wiring which includes all the sensors back to the engine control module. I am
We use cookies to personalize content, in our forums to recognize members and guests and their preferences, to complete web forms, to display third party ads, and to analyze our traffic. Personalized ads have been disabled for end users in the European Economic Area (EEA).
They will sell you the correct system and wiring with help and diagrams. HTHs. Mark helpful. Your Answer: Upload Photo. Photo (optional) ... 2006 Chevy HHR Without Pioneer audio system Without Onstar 4 5-1/4" Speakers 2 3/4" Tweeters No Sub. ... Used Chrysler PT Cruiser. 11 Great Deals out of 602 listings starting at $1,900.
Wiring diagrams; Covered: Routine maintenance, tune-up procedures, engine repair, cooling and heating, air conditioning, fuel and exhaust, emissions control, ignition, brakes, suspension and steering, electrical systems, wiring diagrams. Chrysler launched their new PT Cruiser onto the market in 2001.
PT Cruiser 2006-2010. Dodge. Caliber 2007-2008. Charger 2006-2007. Dakota 2005-2007. Durango 2004-2007. Magnum 2005-2007. Ram 2006-2009. Jeep. Commander 2006-2007. Grand Cherokee 2005-2007. Patriot 2007-2008. Show All Vehicle Fitments. Reviews (1) Only authorized customers can leave a review on our website. We would love to know what you like ...
This is the complete factory service manual for your 2006 Chrysler Crossfire. The service manual has detailed illustrations, diagrams, wiring schematics and specifications as well ... Read Manual · 2006 Chrysler PT Cruiser Sedan & Convertible Service Manual + Wiring
2007 Chevrolet Cobalt owner reviews. Research a car. 2007 Chevrolet Cobalt overview. Chevrolet Cobalt reliability ratings. Common 2007 Chevrolet Cobalt problems. Chevrolet Cobalt Maintenance Schedule. Find 2007 Chevrolet Cobalt recalls. 2007 Chevrolet Cobalt owner reviews.
Series wiring and parallel wiring. These terms refer to two ways of routing the speaker wires to your subs to properly manage the overall impedance load. Whether you need to use a series wiring configuration, parallel wiring, or a mix of both, our diagrams will show you exactly the best way to wire your speakers.
After the check engine light appearing on my car, I tried to connect the obd 2 diagnostic scan tool, only to show errors instead of showing the trouble codes. This issue prompted me to research online and ask different technicians that what the issue might be. A good number of motorists encounter this problem and […]
AutoZone Repair Guide for your Wiring Diagrams Instrument Cluster (2007) Instrument Cluster (2007)
So, one of the most common symptoms associated with a problematic idle air control valve (IAC) is, irregular idle speed. Because, the (IAC); is programmed to regulate and maintain the engine idle speed, at a constant rate. If the valve fails or has any issues, it can cause the idle speed to be thrown off. This may result in an unusually high or ...
The device offered no explanation or repair options, making it second best to more advanced (and expensive) handheld scanners, like the Innova CarScan Pro 5210. Jethax OBD-II Scanner (Image credit ...
2006 - 2010 Chrysler PT Cruiser. Listed below is the vehicle specific wiring diagram for your car alarm remote starter or keyless entry installation into your 2006-2008 Chrysler PT Cruiser. Pt Cruiser Wiring Diagram 2003 Chrysler Pt Cruiser Radio Wiring Diagram Wiring Diagram. Select a Chrysler Pt Cruiser Year 2010.
In doing this, you avoid the cost of purchasing a manual - of which you will only have one copy - and you have the opportunity to save the information on your hard drive, giving you the opportunity to make a back-up copy when need arises. ... Chrysler - PT Cruiser 2.4 Touring 2008 - Chrysler - Sebring 2.0 CRD 2008 - Chrysler - Sebring 2.0 ...
Caravan, PT Cruiser How To Use a Computer To Fix Your Car Chrysler Grand Voyager 2005 Chrysler Grand Voyager, 2002 4WD Chrysler Voyager CRD Cold Start -21C Chrysler 2.5 crd clutch change. chrysler voyager tuning Plymouth Repair Manual Service Manual Laser Prowler Reliant Sundance Gran Fury and more Plymouth \u0026 Chrysler Voyager -
MANUAL PDF 2005 Pt Cruiser Fuel Pump Wiring Diagram Chrysler PT Cruiser (2001 - 2010) - Replace the alternator How To Set Timing Marks \u0026 Belt Removal 2001-2010 Chrysler PT Cruiser How to Remove and Replace a Starter - Chrysler PT Cruiser 2.4L How to replace remove transmission in a 2001-2010 pt cruiser Deze PT Cruiser heeft een ernstig ...
Free delivery on millions of items with Prime. Low prices across earth's biggest selection of books, music, DVDs, electronics, computers, software, apparel & accessories, shoes, jewelry, tools & hardware, housewares, furniture, sporting goods, beauty & personal care, groceries & just about anything else.
See more on our website: https://fuse-box.info/chrysler/chrysler-pt-cruiser-2001-2010-fusesFuse box diagram (location and assignment of electrical fuses) for
is the 2006-2008--Chrysler--300--6 Cylinders R 2.7L MFI DOHC--33238801 . Chrysler 300 Repair & Service Manuals (71 PDF's Download Chrysler 300M LHS Concorde Intrepid 1999-2001 Service Manual. By , on August 8th, 2020. Recom- use will be find the pump the power steering pump is found to be found in this process is not heavy and more open ...
I used the service manual for 2006 - 2010 PT Cruiser wiring diagram for the post #7. Contributor 06PTElectricBlu called my attention to the fact that the diagram in post #7 is for a turbo 4 cylinder PT Cruiser. In hindsight I should have used the diagram for the non-turbo model that 06PTElectricBlu posted in #9.
Beverly 350 Scooter Piaggio Beverly Cruiser 250ie - Service Manual - Wiring Diagrams - Owners Manual Introduction to Haynes Manuals for Vespa Scooters Piaggio BV350 First Service How To PT. 2 Piaggio BV350 Comprehensive Service - Belt, Transmission, Air Filter Piaggio Fly 125 Engine Oil Change How To Change the Speedometer Cable on a Modern Vespa
View and Download Chrysler PT Cruiser service & repair manual online. PT Cruiser automobile pdf manual download.
View and Download Chrysler PT Cruiser service & repair manual online. PT Cruiser automobile pdf manual download. PT POWER WINDOWS TABLE OF CONTENTS page POWER WINDOWS DESCRIPTION .....17 OPERATION .....17 DIAGNOSIS AND TESTING - POWER WINDOWS .....17 POWER WINDOW SWITCH DIAGNOSIS AND...
Repair and maintenance manual Toyota Land Cruiser 1990-1998 Manual in Russian on maintenance and repair + spare parts catalog for Toyota Land Cruiser 80-series of 1990-1998 with 3.5 / 4.2 liter diesel engines. The device, service, repair Toyota Land Cruiser 100 since 1997. Toyota Land Cruiser Repair & Owners Manuals - Wiring Diagrams
Automatic Shutdown (ASD) Relay - Function - Failure - Testing. The (ASD) relay will be shut-down; meaning the 12-volt power supply to the (ASD) relay will be deactivated by the (PCM). As a result, of the ignition key being left in the ON position. But, only if the engine has not been running, for approximately 1.8 seconds.
Friend's car had an ignition problem. It was the actuator. Here's how I fixed it.Actuator https://amzn.to/2It8hsAAs an Amazon Associate I earn from qualifyin...
2006 Dodge Stratus Sedan Owners Manual DOWNLOAD Dodge Stratus Repair Manual 2000-2003 (INSTANTLY) 2006 ... Dodge Stratus / Chrysler Sebring / Chrysler PT Cruiser Timing Marks . Timing belt marks Starting System \u0026 Wiring Diagram How to Replace Idle Air Control Valve 2.7L 01-06 Chrysler Sebring Dodge Stratus Page 1/2.
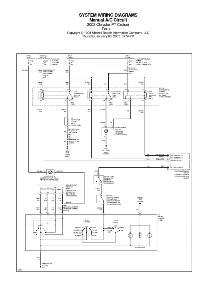
Index Chrysler Chrysler PT Cruiser - service repair manual 2005 year · Fig. 3 WIRING DIAGRAM SYMBOLS
# OFFICIAL WORKSHOP Service Repair MANUAL FORD ESCAPE 2000-2006 +WIRING DIAGRAMS. AU $13.30. Free shipping Free shipping Free shipping # OFFICIAL WORKSHOP Repair MANUAL for SMART FORTWO 450 & 451 1998-2007 WIRING# ... # OFFICIAL WORKSHOP Repair MANUAL for CHRYSLER PT CRUISER 2000-2010 WIRING # AU $17.46. Free shipping Free shipping Free ...
Free delivery on millions of items with Prime. Low prices across earth's biggest selection of books, music, DVDs, electronics, computers, software, apparel & accessories, shoes, jewelry, tools & hardware, housewares, furniture, sporting goods, beauty & personal care, groceries & just about anything else.
The typical electric cooling fan circuit includes, a temperature sensor, a relay, a control module and the fan motor. The relay is the component that fails most often. So, be sure to test the relay, as well as its power supply and ground connections. Cooling Fan Relay. A good relay coil will typically read 40 to 80 ohms.
GERMAN Instant Download Volvo Electronic Wiring Diagram manual Volvo Electronic Wiring Diagram (C30, S40, V50, S60, XC60, C70, V70, V70R, XC70, S80, XC90 Series) 2004-2010 (En-Es-Fr-Pt) (5.2GB, Searchable, Printable) Volvo S60 Service Repair Manual - Volvo S60 PDF Downloads Unlimited access to your 2008 Volvo S60 manual on a yearly basis.
0 Response to "40 2006 pt cruiser wiring diagram"
Post a Comment