Iklan 300x250

37 craftsman 42 inch mower deck belt diagram

proven part 42 Inch Mower Deck Rebuild Kit Spindle Pulleys Belt Blades Replaces 130794, 134149, 144959, 173437, 131494 Sears Craftsman 4.1 out of 5 stars 26 $84.95 $ 84 . 95 Messages. 44. Sep 29, 2020. #1. I had a deck belt wear out on my Kohler engine 15.5hp 42" deck. I ordered another belt online since the original manual says the belt is 88" belt. The belt came in today and seemed a hair too short but did fit. The belt is too short and the belt spins the blades some before I lift the engage lever.

When the drive belt spins around the pulley, the arm spring clips onto the mower deck. Anti-Sway Bar: It's a metal part that fastens to the mower frame and the mower deck to reduce the mower's side-to-side movement. Front link: The front link attaches the mower's front deck to the bracket under the front axle. The job of the link is to ...

Craftsman 42 inch mower deck belt diagram

Craftsman 42 inch mower deck belt diagram

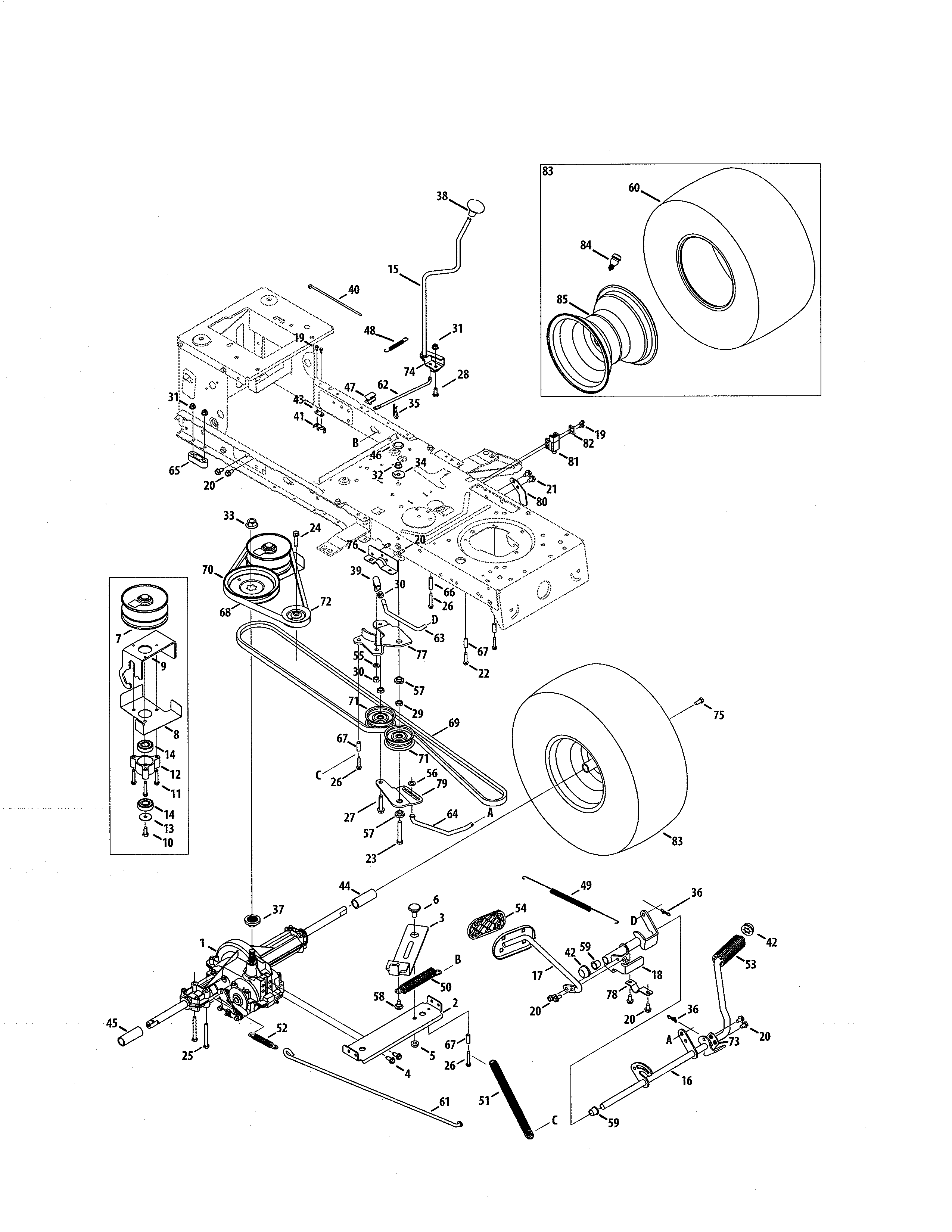
Mower Deck 42-Inch diagram and repair parts lookup for Craftsman 247.289020 (13AJ77SS099) - Craftsman LT2000 Lawn Tractor (2010) (Sears) Order Status Customer Support 512-288-4355 My Account Login to your PartsTree.com to view your saved list of equipment. Belt Diagram For Craftsman Riding Mower Lt1000. Simplicity 50 Mower Deck Belt Diagram. Gravely Mower Deck Belt Diagram. Husqvarna 54 Inch Deck Belt Diagram. Craftsman Riding Lawn Mower Drive Belt Diagram. Husqvarna Yth2348 Mower Deck Belt Diagram. Mtd Yard Machine 42 Inch Deck Belt Diagram. John Deere D130 42 Inch Deck Belt Diagram. If you've got a Craftsman, Poulan or Noma mower with a 42" deck, you know that the quality of the blade doesn't really mean much if it won't spin anymore. It may be time for a replacement belt. The good news is that this replacement belt is the one for the job.

Craftsman 42 inch mower deck belt diagram. Technology Parts Store Mower Deck Belt Part # 429636, 197253 Replacement for Craftsman 42" Husqvarna, Poulan. 0. Sold by GrowKart. $26.01 $24.72. Description: Craftsman Lawn Tractor Deck Parts Diagram | Tractor Parts Diagram throughout Craftsman Mower Deck Parts Diagram, image size 750 X 499 px, and to view image details please click the image.. Here is a picture gallery about craftsman mower deck parts diagram complete with the description of the image, please find the image you need. 21 posts related to Mtd 42 Mower Deck Belt Diagram. Gravely Mower Deck Belt Diagram. Simplicity 50 Mower Deck Belt Diagram. Ferris Is2000z Mower Deck Belt Diagram. Husqvarna Yth2348 Mower Deck Belt Diagram. Craftsman 42 Inch Mower Deck Belt Diagram. Husqvarna 48 Inch Mower Deck Belt Diagram. Craftsman 54 Inch Mower Deck Belt Diagram. Mtd 13al78st299 247288861 2012 Parts Diagram For Mower Deck 46 Inch throughout size 1180 X 1527. Craftsman 46 Mower Deck Belt Diagram - In the past few years, it Is simple to comprehend why hardwood decking Has become increasingly more prevalent. Hardwood decking is really durable because it's sourced from wood that is slow growing in tropical ailments.

Written By Pelvic Diagram Tuesday, March 30, 2021. Edit. Craftsman 42 Inch Mower Deck Belt Diagram. Replacing the mower deck belt doesn't require any tools, but it's a complex process that requires safety precautions to prevent injuries or damage to the mower system. Look on deck or under foot pedal there is usually a diagram in those places. mower blade drive belts in the Service and Adjustments Decal Hood Rh Craftsman Lt Page REPAIR PARTS craftsman lt belt replacement TRACTOR Owner s manual CRAFTSMAN. lawn mower switch wiring diagram. I bought a used LT 42" deck with a hydro transmission. I bought a replacement belt and downloaded the manual from the Sears web site. The belt ... Murray Lawn Mower Belt Diagram. Alexander Ceasar. Tractor idea. Lawn Mower Maintenance. Lawn Mower Repair. Chainsaw Repair. Tractor Mower. Yard Tractors. Drift Trike. ... COULD NOT DISENGAGE MOWER BLADES ON 42" CRAFTSMAN MOWER DECK.THIS IS A MECHANICAL TYPE NOT A CABLE.BRANDON MOWER SUGGESTED I TAKE EVERYTHING APART AND CLEAN ... Craftsman Riding Lawn Mower Drive Belt Diagram - Craftsman 19 5 Hp Electric Start 42 Lawn. parts diagram for craftsman lt2000 parts automotive parts diagram for craftsman lt2000 john deere 112 parts diagram likewise murray 12 5 riding lawn mower as well cutting deck mower drive belt fits.

Features. RESISTS WEAR: Belts are manufactured using specifically engineered materials, including high-strength tensile cords designed to resist wear and provide superior durability. DURABLE: These belts are designed for the repeated engagement and disengagement of the mower's cutting deck. CMXGZAM500054. Another Craftsman Lt1000 42 Deck Belt Replacement Oil Change regarding measurements 1280 X 720. Craftsman 42 Inch Mower Deck Diagram - A deck is really a gigantic prolonged place from the home, usually made from wood planks, to assistance bodyweight. For instance, if your deck will fasten a lot of daytime sun, be ready for fading and regular re-staining of pure wood decks. If the belt that drives the blades on your Scotts S lawn mower is slipping, it's time to Decks that are inch have one belt guard and two cap screws. Dave, I have a Scotts rider with a 42" deck and a 16HP Koehler wiringall.com drive belt has Thanks. Diane, Looking for the belt diagram for a stx rider mower- blak deck. ZTS7000 Series 42" Zero-Turn Mower, 21hp Briggs & Stratton 107.280063 (7800753A) - Craftsman ZTS7000 Series 42" Zero-Turn Mower, 21hp Briggs & Stratton (2011) > Parts Diagrams ( 17 ) Hide 42" Deck Lift Group - Electric Height of Cut (7502256)

Craftsman 50 inch mower deck belt diagram. 46 deck with 18 hp kohler engines model year 1994 1995 1997 1998. Discover ideas about cadillac. Riding mower and garden tractor belt routing diagrams. Craftsman tractor belt diagram 461 outdoor power equipment expert 2 jul 18 2009 10 51 am hi two belts.

Craftsman 42 Inch Mower Deck Diagram. Choose the correct tab and go to the mower deck. I don't have a deck diagram but you should be able to figure it out it you put the back part of the belt (flat) up against the pulleys that are wide and the narrow part (v) into the smaller pulleys. OEM Warranty Repair Part for MTD.

Com Mr Mower Parts Ayp 42 Deck Rebuild Kit For Sears. 26 Best 42 Inch Craftsman Deck Images In 2020 Mower. Vz 7701 Craftsman Mower Deck Diagram Lawn. Sears Craftsman 21 Hp Lt1000 Lawn Mower Tractor 917 273522 Owner. Craftsman 25587 42 19 Hp Briggs Stratton Fender Hydro Automatic.

Over time, the drive belt that turns the mower blades can wear down or break. Items 1 - 13 of 13 Jeremywell 42" RIDING LAWN MOWER BELT MADE WITH KEVLAR PROVENPART CRAFTSMAN LT 42" DECK BLADE & BELT. deck belt diagram. My clutch belt will not stay on the pulleys Craftsman 42 in.

Ayp Husqvarna 36 To 46 Mower Deck With 2 Blades Small Engine Equipment Parts. Craftsman 46 Mower Deck Belt Diagram. 12 Craftsman Riding Lawn Mower Ideas Mowers. Ayp Husqvarna 44 46 50 And 54 Mower Deck Ipl 3 Blades Small Engine Equipment Parts. Craftsman Riding Lawn Mower Deck V Belt Replacement 532429636 Repair Clinic.

The Blade Drive Belt on a mower deck is more of a serpentine belt.. as a perfect replacement to the 144959 belt (Craftsman 42" riding mower). The Craftsman LT1000 is a basic riding mower designed to cut residential lawns. It's equipped with an automatic transmission, and it cuts 42 inches across.

I shut the mower down.Save craftsman mower belt yt 46" to get e-mail alerts and updates on your eBay Feed. + Items in search results. 42" Deck Drive Belt - Poulan Craftsman YT YT YS Husqvarna YTA Brand New · Belt. $ Buy It Now. Free Shipping. 40 Sold 40 Sold. View and Download Craftsman - YT 21 HP/46'' Yard Tractor operation manual online.

The second belt goes under the first belt and is routed on a common pulley with the drive belt and both (or all three) of the mower blade pulleys. Here is a crazy looking exploded view of a craftsman mower deck. And here is a better diagram of it all put together. I think you can get an idea of belt routing out of this one:

Belt Keeper Rod $ Deck. We have parts, diagrams, accessories and repair advice to make your tool repairs easy. Yard Man 13AOH () Lawn Tractor Parts . Deck Belt Cover Lh Rod, Shift (38/42" Decks) I have a Yardman mower 7 speed shift on the go when I first start 1,2 and 3 gears work fine, but when it heats up only.

Furthermore, what size belt does a craftsman 42 inch deck? CRAFTSMAN 42" 144959 KEVLAR DECK BELT,SIZE: 12" X 95" Also, how do you measure a lawn mower belt? How to Measure Lawn Mower Belts. Lay the belt flat on a hard surface. Measure the belt by wrapping the cloth tape measure around the belt.

Antanker 1/2" x 88" Kevlar Belt Replaces Husqvarna AYP Craftsman 144200 V Belt. 4.5 out of 5 stars. 121. $14.99. $14. . 99. "craftsman 42 inch deck belt 144959". Maxpower 336139 Secondary Belt for Craftsman, Husqvarna, Poulan Replaces OEM #'s 144959, 532144959, PP12012, 531307218.

If you've got a Craftsman, Poulan or Noma mower with a 42" deck, you know that the quality of the blade doesn't really mean much if it won't spin anymore. It may be time for a replacement belt. The good news is that this replacement belt is the one for the job.

Belt Diagram For Craftsman Riding Mower Lt1000. Simplicity 50 Mower Deck Belt Diagram. Gravely Mower Deck Belt Diagram. Husqvarna 54 Inch Deck Belt Diagram. Craftsman Riding Lawn Mower Drive Belt Diagram. Husqvarna Yth2348 Mower Deck Belt Diagram. Mtd Yard Machine 42 Inch Deck Belt Diagram. John Deere D130 42 Inch Deck Belt Diagram.

Mower Deck 42-Inch diagram and repair parts lookup for Craftsman 247.289020 (13AJ77SS099) - Craftsman LT2000 Lawn Tractor (2010) (Sears) Order Status Customer Support 512-288-4355 My Account Login to your PartsTree.com to view your saved list of equipment.

0 Response to "37 craftsman 42 inch mower deck belt diagram"

Post a Comment

Iklan Atas Artikel

Iklan Tengah Artikel 1

Iklan Tengah Artikel 2

Iklan Bawah Artikel