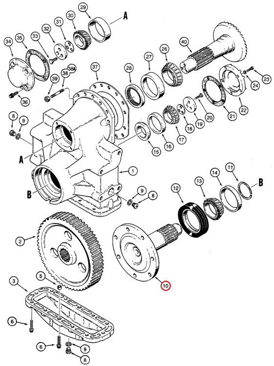
37 case 450 dozer parts diagram
Edelbrock 1406 Performer Series carburetors provide 600 cfm of airflow in a four-barrel carb design. The Edelbrock 1406 has an electric choke and mates to your intake manifold with a square bore flange. The silver finish and single inlet design is also part of Edelbrock's legendary two-piece, all-aluminum constructed carburetor. John Deere 350 Dozer Specs, Price, Review, Features, Images. Hello, guys!! Hope you all doing well. Are you searching online terms like John Deere 350 Dozer?If yes and you are searching on the Internet for such terms then you have been placed on the right web page.
First, let's take a look at the signs to look for. The most common symptom of a bad torque converter is a slipping transmission during acceleration. You may also notice issues like a rough idle, rough acceleration, and noises from the transmission. Sometimes, your car won't even move when the converter is bad.

Case 450 dozer parts diagram
The M3-Series T450 compact track loader delivers the maneuverability your work requires with all the power you need to haul, lift, dig and operate attachments - and quickly move across the worksite. It features a 2.4L Tier 4 diesel engine and new ultra-efficient fuel system with a variety of features that make maintenance and service more ... Crawlers, Dozers, Loaders and Backhoes This discussion group is for topics related to crawlers, dozers and other heavy equipment of all makes and models. 11443: 51966: Sun Nov 28, 2021 2:31 pm Jim.ME: Farmall & International Harvester (IHC) 86575: 535620: Sun Nov 28, 2021 1:14 pm Janicholson: Ford : 48469: 313650: Sun Nov 28, 2021 4:09 pm ... Heavy Equipment, Parts & Attachments > Heavy Equipment Parts & Accessories > Wheels, Tires, Tracks & Parts ... (Set of 2) New John Deere 450 450B 450C 450D 450E 450G track rails ID567/36. $2,115.00 + shipping + shipping + shipping. TRACK GROUPS 37 LINK SALT CHAINS W 18" SINGLE BAR for JOHN DEERE 450G DOZER. $4,375.00 + $245.00 shipping + $245 ...
Case 450 dozer parts diagram. Results 1 - 16 of 166 — Case 450 Crawler Loader Dozer Service Parts Operators Manual 188 Diesel Engine ... Only 18 left in stock - order soon. Steps to Repack a Hydraulic Cylinder. Release all pressure from the cylinder. Loosen and remove the hydraulic lines from the cylinder. This will allow the last bit of pressure to escape the cylinder. Ensure the hydraulic cylinder is supported and won't drop. Then remove the pin from the rod end of the cylinder. Remove the gland from the cylinder. The output lines to the faucet and storage tank is 1/4" OD. The input to the iSpring 20 gal storage tank is 3/8" OD. I wasn't able to find connectors that reduce from 3/8" OD to 1/4" OD and visa versa so I had to spend a lot of time at hardware stores to find parts to do the trick. This is very frustrating and inconvenient for the customer. The drilling machine is defined as a machine which is used to make a circular hole, a tool used to drill the holes of different size and other related operations using a drill bit.. The drilling machine is one of the most important machines in a workshop. As regards its importance it is second only to the lathe machines.Holes were drilled by the Egyptians in 1200 B.C. about 3000 years ago by ...
Bobcat S850 Skid-Steer Loader. With impressive lift capacity and an industry-leading 12-ft. lift height, the Bobcat® S850 is the largest skid-steer loader in the lineup. This Tier 4 model helps you do more than ever before, but still in a compact frame. Find Your Dealer. Case Dozer Engine Long Block Cummins 4B Engine 450C, 455C, 550, 550E, 550G, 650, 650E, 650G the load on three-, and four- wheel hand carts should not exceed 200 Kg (approximately 450 lbs), the load on hand pallet carts can be up to approximately 700 Kg (1500 lbs), manual carts should not be used more than 200 times a work day, the load should not be transported more than 30-35 meters (about 100 feet) per "shipment". Before Serial No. 3038436. J I Case Model 450 Crawler Tractor Parts Catalog. Complete Parts Manual PC-B930. This parts manual includes This comprehensive ...
Case 450 450B 450C 455B 455C 475 750 850 850B 850C 855C: $75.00 Each Quantity of 1 available as of 3/18/2021 - SC2: A50508 31939: Used Driven Gear/Drive Gear 51 Teeth: Case 450 450B 455B 475 550 750 850 850C 855C 600: $350.00 Each Quantity of 1 available as of 5/21/2021 - SC3: A54108 Stamped A54109: Used Transmission Output Shaft : Case 450 ... 10. ». Canadian Replacement Parts Price List - March 2020. US Dollar Replacement Parts Price List - March 2020. Temperature Chart for Food Safety (ENG, SPA) Strip Heater Recommended Range About Target and Spacing Requirements. Food Safety 101 - Guide to Buffets. Food Safety 101 - Guide to Dish Sanitation. Diagrams, mowers, attachments and sell Genuine OEM parts for Cub Cadets. We also carry Kohler engine parts, OEM Seats, Brinly Sleeve hitch and Cat. 0 3 point hitches, Duff Norton electric lift parts, Case IH and Cub Cadet paint and decals. IH Cub Cadet Mufflers, exhaust system parts as well as drive clutch and PTO clutch parts. SERVICE REPAIR MANUAL
Aluminium 86.3 to 82.5%. The coefficient of expansion is actually only about 2% less than that of pure aluminum, but this improvement, combined with good war and heat-resisting qualities makes the alloy a variable one. 2. Invar Strut Pistons. In this type of piston, Invar is an alloy containing 36% nickel and 64% iron.
320C and 322C Excavators Attachment Hydraulic System - Travel Motor Lines. Posted on. November 8, 2021 by sam. Illustration 1 g00676502 (1) Torque for four hose assemblies … 190 ± 20 N·m (140 ± 15 lb ft) (2) Apply 9S-3263 Thread Lock between…. 320C.
Connect high performance and precise fit with unparalleled availability and delivery from Bosch parts warehouses. You can be sure that the right Bosch original spare part will put you back on the job as fast as possible." To order Bosch Genuine Replacement parts online click here or call us at 1-800-346-4103. Order here.
Spare parts catalogs, Service (workshop) & Operation Manuals in Pdf format. Click "Diesels" in the top menu if you're looking for manuals and parts catalogs for marine / industrial / truck diesel engine. Click "Machinery" if you're looking manuals and spare parts catalog for excavator, tractor, combine, loader, grader etc.
New Reconditioned Used. Manufacturer. Original OEM Aftermarket. New and used Timberjack spares for any country, include (US, USA, UK, UAE, Canada, Australia, Singapore, China, Russia, New Zeland and other) from suppliers and online stores and stocks. Also you can found replacement and aftermarket Timberjack engine parts.
We help you get your Case dozers back to work for a fraction of the price of OEM parts. We carry parts for Case 310, 350, 450, 450B, 450C, 450D, 450E, 450G, ...
Feb 22, 2012 — Printed, 3 D-Ring Binder Included. This parts catalog covers your Case 450 Crawler. A parts catalog (or parts manual) is just as important to ...
Blog. Case Industrial Parts Available at Broken Tractor. Posted by Broken Tractor on Sep 29th 2021. You've come to depend on your Case Industrial machinery, such as your Case backhoe, Case dozer, or Case excavator. While they're known for being some of the most reliable industrial machinery on the m … read more.
General compact tractor parts and repairs discussion. Always consult equipment operator's manual and follow safety instructions before operating or servicing any tractor or equipment, or attempting any task.
IDM Members' meetings for 2021 will be held from 12h45 to 14h30.A zoom link or venue to be sent out before the time.. Wednesday 10 February; Wednesday 5 May; Wednesday 4 August; Wednesday 3 November
89%. of customers that buy. from this merchant give. them a 4 or 5-Star rating. Verified Buyer. October 25, 2021 by Lucio T. (New York, US) Verified Buyer. October 25, 2021 by Romeo R.
In a case like this, one co-worker may feel slighted because the other takes credit for shared work, refuses to do their part of the paperwork, etc. The budget just happens to be the breaking point. Depending on where the conflict in question takes place, and the duration, you may need to also speak to other employees.
5.0. Nov 11, 2021. doyleh, Ariton. TracksNTeeth, Inc. Received the wrong part in a box marked with the correct part number. Contacted Nick and explained the situation to him. a few days later I received the correct part so I could back up and running, no questions asked. Have purchased from Tracks n teeth before and will purchase from in the ...
The Case 450 dozer parts manual PDF includes part numbers and illustrations for the bulldozer. This high quality digital reproduction was sourced from the ...
Sometimes referred to as a "quick attach" Most skid steers after 2002 come with a universal mounting or quick attach type system. This allows your machine to hook up to any attachment with a universal mounting plate.There are also plates specific to brand machines such as an AGCO, Bobcat, Case, Caterpillar, Gehl, John Deere, Mustang and all others.
... (07) - HYDRAULIC SYSTEM (450B) - CASE CRAWLER TRACTOR (1/78-12/83) 400 CRAWLER DOZERS HEAVY EQUIPMENT Case Constructuion sale parts diagram catalog.
Parts & Gear. This is the place to read up on helmets, riding gear, replacement tires and wheels, communication systems, GPS devices, and anything else you'll need for your four-wheeler.
Autoclave Repair - Free Technical Support - Whether its a Midmark M11, Tuttnauer, Pelton Crane, Statim. Tuttnauer or other Autoclave brands, Allclaveparts.com has everything you need to repair your own autoclaves. Visit us now and be in the right place to save thousands of dollars and weeks of downtime!
Parts Manual Book A1372 Fits Case 450B Crawler Tractor Bulldozer. Value-Added Content - Corrections, Updates, & Serial #s. Brand New. C $69.71.
Heavy Equipment, Parts & Attachments > Heavy Equipment Parts & Accessories > Wheels, Tires, Tracks & Parts ... (Set of 2) New John Deere 450 450B 450C 450D 450E 450G track rails ID567/36. $2,115.00 + shipping + shipping + shipping. TRACK GROUPS 37 LINK SALT CHAINS W 18" SINGLE BAR for JOHN DEERE 450G DOZER. $4,375.00 + $245.00 shipping + $245 ...
Crawlers, Dozers, Loaders and Backhoes This discussion group is for topics related to crawlers, dozers and other heavy equipment of all makes and models. 11443: 51966: Sun Nov 28, 2021 2:31 pm Jim.ME: Farmall & International Harvester (IHC) 86575: 535620: Sun Nov 28, 2021 1:14 pm Janicholson: Ford : 48469: 313650: Sun Nov 28, 2021 4:09 pm ...
The M3-Series T450 compact track loader delivers the maneuverability your work requires with all the power you need to haul, lift, dig and operate attachments - and quickly move across the worksite. It features a 2.4L Tier 4 diesel engine and new ultra-efficient fuel system with a variety of features that make maintenance and service more ...
0 Response to "37 case 450 dozer parts diagram"
Post a Comment