Iklan 300x250

40 subaru evap system diagram

I've been dealing with a chronic P1446 evap code. Had the car to the dealer 3 times with no success. At this point they're just throwing money at it. At wit's end and tired of having a paperweight in my driveway. I'm 3 years away from emissions exemption in New Hampshire. Is it possible to... S10 Blazer Purge Solenoid Wiring Diagram. 99 S-10 Codes - Chevrolet Forum. 31 2000 Chevy Blazer Evap System Diagram.If your acreage is adapted with 96 S10 Evap Diagram, you are able to be ambidextrous with added troubles besides the bright crisis of fire..96 s10 2 2l vtl cannockpropertyblog uk 2001 s10 evap diagram vynzaislunamaiuk 2002 contrivance stratus agglutinate box diagram 2002 ...

The gas cap is part of sealing the EVAP system and trapping those fuel vapors, and needs to secure the gas tank. The charcoal canister is cracked. While rare, some cars have their charcoal canisters in vulnerable locations, like an early-2000s Subaru WRX. They can be struck by road debris and cause a huge leak. EVAP lines, fuel filler neck are ...

Subaru evap system diagram

Subaru evap system diagram

A: The code P0455 means an EVAP system leak detected. As always, check the gas cap first. A common problem in this vehicle is a bad vent control valve. It's installed at the charcoal canister at the back of the car, close to the right rear wheel. Your mechanic can easily check it. Looking for info on the evap system for an 04 Sti specifically hose routing from /for the filler neck ,gas tank & charcoal canister assy . I've searched... The top diagram is from your evap system. ... We will say the repair is not "kosher", but it was much cheaper than buying the 3 hose assembly from subaru. But I disconnected my waste gate solenoid and the car still stopped making boost at 5.5 psi. The stock waste gate spring is 7psi and let's assume the spring is a little worn so it wont make ...

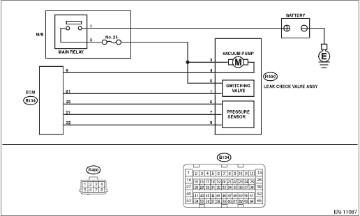
Subaru evap system diagram. P0453 CODE: Evaporative (EVAP) Emission Pressure Sensor High Input. A P0453 code means that the powertrain control module (PCM) - also known as the engine control module (ECM) - has detected a higher than usual pressure in the evaporative emissions (EVAP) system. In case you're not familiar with this term, EVAP is the mechanism that allows ... Well, the p0457, and P0442 are for EVAP Leaks. Just tackled them myself with a combination of a new fuel filler neck (Mine was rusted to all hell), replacing the vacuum lines under the hood (AS nearing 20 year old rubber is gonna leak) and replacing both the purge valves in the system (One under the hood on the passenger side under the intake, one above the carbon canister behind the bumper on ... A quick search (and code read) shows these are the signs of an issue with the evap system. After replacing the gas cap (didn't work, but a number of folks found that was the trigger) and clearing the code, the lights came back on. Eautorepair.net redraws factory wiring diagrams in color and includes the component, splice and ground locations right in their diagrams. That saves a lot of time because you don't have to refer back to the component locator or circuit locations. Alldatadiy.com, on the other hand, uses the factory diagrams.

Jan 8, 2014 · 9 postsI have checked all the evap hoses and they are all clean and unclogged. I had tried swapping out the purge solenoid valve with 2 others from the ... The purge valve is the part of the vehicle Evaporative Emission Control (EVAP) system. The EVAP system prevents fuel vapors in the fuel tank from escaping into the atmosphere. The EVAP system traps fuel vapors from the fuel tank and temporarily stores them in the charcoal canister, see the diagram. Purge valve (solenoid). Click for a larger photo. Bookmark File PDF Subaru Transmission Solenoid Diagram Oct 19, 2021 · Subaru CVT Transmission Diagnostics. LTF and STF Fuel Trim Codes P0170, P0175, P0172, P0174 Check the Wiring Diagram crank the engine might go through two or more Evap canister hose diagram Apply soapy water to the piping and the connecting parts of the EVAP system. When the engine is off, fuel vapors from the gas tank are stored in the canister. This is 73 camaro. Mercury Sable Evap System Diagram Everything Wiring Diagram Aj pierce 117836 views. 8L (G) 111" Cimarron Valve 17070291 19014 6 cyl.

The evaporative emission control system prevents the fuel vapors that are created in the fuel tank from being released directly into the atmosphere.. The canister stores the fuel vapors that have been created in the fuel tank. The ECM controls the purge VSV in accordance with the driving conditions in order to direct the fuel vapors into the engine, where they are burned. I'm looking a thing the evap system diagram and it looks like the vent should vent in the filler neck. During normal engine operation the tank vents into the charcoal canaster. When filling the flap closes the vent circuit that goes to the canister so you cant over fill the tank and fill the canister with fuel through the vent lines. Grum said: You can't see it from the outside but if you stand on the right side looking at the gas cap, picture it in your head about half way between the gas cap and the top edge of the tire gap on the fender. Roughly 2 to 3 inches lower than the gas cap. It's not the best spot to be honest, I've had to replace a couple of them already to to ... Electrical wiring diagram on any brand of car. All downloaded documents and books are scanned for dangerous programs - your devices will be completely safe after downloading our manuals. You can find technical specifications, descriptions and manuals on the repair and maintenance of cars and other vehicles of domestic and foreign production ...

03 05 Trouble Filling My Gas Tank Engin Stalling Subaru Forester Owners Forum

03 05 Trouble Filling My Gas Tank Engin Stalling Subaru Forester Owners Forum

Mar 27, 2013 — For direction please take note to diagram A. For some ej255 and ej257 models the round/black purge valve is still present, diag B. Whereas, some ...

Evap Delete Pros And Cons Page 1 Lemons Tech The 24 Hours Of Lemons Forums

Evap Delete Pros And Cons Page 1 Lemons Tech The 24 Hours Of Lemons Forums

The EVAP canister can be called a Vapor canister or a Charcoal canister. Final Words: The EVAP canister is an integral part of your EVAP system, so you need to get yourself acquainted with the symptoms of a bad evap canister listed above to keep your vehicle eco-friendly and running at high efficiency.

Jeep Chrysler Oem 02 04 Grand Cherokee 4 0l Emission Vacuum Harness 53013632af Walmart Com

Jeep Chrysler Oem 02 04 Grand Cherokee 4 0l Emission Vacuum Harness 53013632af Walmart Com

A vent valve that closes during system testing; Hoses and lines that connect the system together; The focal point of the EVAP system is the charcoal canister—a component that stores the fuel vapors when the engine is off. When the engine is running and conditions are correct, the PCM opens a device called the purge valve.

Evap Canister Lines Subaru Outback Forums

Evap Canister Lines Subaru Outback Forums

Since it was a new car I used OE Subaru sensors. Subaru evap system diagram. Service Date. My Jeep is currently attempting to pass inspection again, it keeps pullings code P loose fuel cap We've replaced 3 fuel caps in the past two years and last year put in a new fuel neck.

Valve Purge Evap Impreza Wrx Sti Wrx Sti Forester Turbo 42084fe010 Subaru1 4turbo

Valve Purge Evap Impreza Wrx Sti Wrx Sti Forester Turbo 42084fe010 Subaru1 4turbo

The EVAP system is a closed system that needs to hold a specific pressure. If the engine control unit notice that there is a leak in the system or if it is clogged - the check engine light will show up. To know exactly why the check engine light is showing up, you need to use a diagnostic scanner to check the trouble codes. ...

P1457 Vapor Canister Vent Valve Solenoid Honda Tech Honda Forum Discussion

P1457 Vapor Canister Vent Valve Solenoid Honda Tech Honda Forum Discussion

SUBARU - Car PDF Manual, Wiring Diagram & Fault Codes DTC My car is a 1989 chrysler lebaron turbo. Can you please send me a wiring diagram from the ... Oct 20, 2021 · Dodge durango evap system diagram Bottom plow parts diagram - fairywoods.de Replacement parts for a Kverneland are out of sight, but IMHO plow better than any other.

Evap Hose Diagram Questions Answers With Pictures Fixya

Evap Hose Diagram Questions Answers With Pictures Fixya

Jeep Grand Cherokee Engine Diagram Wiring Diagrams The.EVAP boutique testing atch the adjustment of burden addition W into the arrangement whether testing with nitrogen smoke or air. P0455 Indicates that there is a ample aperture in the evaporative discharge ascendancy arrangement EVAP..Video on diagnosing and acclimation cipher p0455, evap arrangement gross or ample aperture detected, and ...

P0457 Evaporative Emission Control System Leak Detected Gross Leak Subaru Wrx Forum

P0457 Evaporative Emission Control System Leak Detected Gross Leak Subaru Wrx Forum

2002 Jeep Wrangler Evap System Diagram. Save Image. i need a vacuum diagram for an 1989 jeep cherokee larado. Save Image. 90 cherokee coolant hose vacuum routing Jeep Cherokee Forum. ... Wiring Diagram For Subaru Impreza Stereo; Wiring Diagram For A Ethernet Switch; Wiring Diagram For To 2 4 Ohm Dvc Subs;

Subaru Legacy Service Manual Dtc P0453 Evap System Cpc Pressure Sensor Switch Circuit High Diagnostic Procedure With Diagnostic Trouble Code Dtc

Subaru Legacy Service Manual Dtc P0453 Evap System Cpc Pressure Sensor Switch Circuit High Diagnostic Procedure With Diagnostic Trouble Code Dtc

Welcome to the North American Subaru Impreza Owners Club: Sunday October 10, 2021

Nissan Evap Codes Are Nothing To Fear Part 1 Automotive Tech Info

Nissan Evap Codes Are Nothing To Fear Part 1 Automotive Tech Info

The gas cap is part of sealing the EVAP system and trapping those fuel vapors, and needs to secure the gas tank. Charcoal canister cracked. While exceedingly rare, some cars have their charcoal canisters in vulnerable locations, like an early-2000s Subaru WRX. They can be struck by road debris and cause a huge leak. EVAP lines; fuel filler neck ...

P0446 Evaporative Emission Control System Vent Control Circuit Malfunction

P0446 Evaporative Emission Control System Vent Control Circuit Malfunction

The top diagram is from your evap system. ... We will say the repair is not "kosher", but it was much cheaper than buying the 3 hose assembly from subaru. But I disconnected my waste gate solenoid and the car still stopped making boost at 5.5 psi. The stock waste gate spring is 7psi and let's assume the spring is a little worn so it wont make ...

Valve Purge Evap Impreza Wrx Sti Wrx Sti Forester Turbo 42084fe010 Subaru1 4turbo

Valve Purge Evap Impreza Wrx Sti Wrx Sti Forester Turbo 42084fe010 Subaru1 4turbo

Looking for info on the evap system for an 04 Sti specifically hose routing from /for the filler neck ,gas tank & charcoal canister assy . I've searched...

04 Wrx Gas Tank Does Not Pressurize P1446 Nasioc

04 Wrx Gas Tank Does Not Pressurize P1446 Nasioc

A: The code P0455 means an EVAP system leak detected. As always, check the gas cap first. A common problem in this vehicle is a bad vent control valve. It's installed at the charcoal canister at the back of the car, close to the right rear wheel. Your mechanic can easily check it.

Evap Canister Lines Subaru Outback Forums

Evap Canister Lines Subaru Outback Forums

P0442 P0457 Evaporative Emissions Leaks

P0442 P0457 Evaporative Emissions Leaks

2002 Subaru Impreza After Driving My Car For Even As Little As

2002 Subaru Impreza After Driving My Car For Even As Little As

Masioc Purge Control Solenoid Valve Hooked Up Correctly Part 1

Masioc Purge Control Solenoid Valve Hooked Up Correctly Part 1

Purge Valve How It Works Symptoms Problems Testing

Purge Valve How It Works Symptoms Problems Testing

Subaru Charcoal Canister Removal Step By Step 2002 2007 Wrx Youtube

Subaru Charcoal Canister Removal Step By Step 2002 2007 Wrx Youtube

1

1

Hose Turbo Solenoid Valve Subaru 2 0 Dohc Ej205 807505101 Subaru1 4turbo

Hose Turbo Solenoid Valve Subaru 2 0 Dohc Ej205 807505101 Subaru1 4turbo

How To Replace An Evaporation Vent Solenoid Yourmechanic Advice

How To Replace An Evaporation Vent Solenoid Yourmechanic Advice

Evap Canister Lines Subaru Outback Forums

Evap Canister Lines Subaru Outback Forums

09 13 2011 2013 Purge Control Valve Subaru Forester Owners Forum

09 13 2011 2013 Purge Control Valve Subaru Forester Owners Forum

Subaru Crosstrek Service Manual Dtc P0452 Evap System Cpc Pressure Sensor Switch Circuit Low Diagnostic Procedure With Diagnostic Trouble Code Dtc

Subaru Crosstrek Service Manual Dtc P0452 Evap System Cpc Pressure Sensor Switch Circuit Low Diagnostic Procedure With Diagnostic Trouble Code Dtc

How To Replace Vapor Canister Vent Valve 02 05 Subaru Wrx Youtube

How To Replace Vapor Canister Vent Valve 02 05 Subaru Wrx Youtube

2010 2020 Subaru Vapor Canister Purge Solenoid 16131aa060 Subaru Parts Store

2010 2020 Subaru Vapor Canister Purge Solenoid 16131aa060 Subaru Parts Store

Subaru Crosstrek Service Manual Dtc P0458 Evap System Cpc Purge Control Valve A Circuit Low Diagnostic Procedure With Diagnostic Trouble Code Dtc

Subaru Crosstrek Service Manual Dtc P0458 Evap System Cpc Purge Control Valve A Circuit Low Diagnostic Procedure With Diagnostic Trouble Code Dtc

Evap System Mess P0440 Subaru Legacy Forums

Evap System Mess P0440 Subaru Legacy Forums

2001 Subaru Forester With P0442 Code R Subaruforester

2001 Subaru Forester With P0442 Code R Subaruforester

Purge Valve Boost Leak Nasioc

Purge Valve Boost Leak Nasioc

Upper Evap Vacuum Line To Manifold 2002 2007 Wrx Sti 2004 2006 Fores Fastwrx Com

Upper Evap Vacuum Line To Manifold 2002 2007 Wrx Sti 2004 2006 Fores Fastwrx Com

2005 2006 Lgt Colored Vacuum Routing Diagram Page 3 Subaru Legacy Forums

2005 2006 Lgt Colored Vacuum Routing Diagram Page 3 Subaru Legacy Forums

2004 2008 Subaru Vapor Canister 42035sa000 Subaru Parts Store

2004 2008 Subaru Vapor Canister 42035sa000 Subaru Parts Store

Evaporative Emission Control Evap System

Evaporative Emission Control Evap System

Bad Purge Control Solenoid Valve S Iw Sti Forum

Bad Purge Control Solenoid Valve S Iw Sti Forum

Evap Canister Lines Subaru Outback Forums

Evap Canister Lines Subaru Outback Forums

How To Boostleak Test A Subaru

How To Boostleak Test A Subaru

Evap System Mess P0440 Subaru Legacy Forums

Evap System Mess P0440 Subaru Legacy Forums

Diy Working Evap Purge And Fuel Fill Systems For Swapped Cars Subaru Impreza Gc8 Rs Forum Community

Diy Working Evap Purge And Fuel Fill Systems For Swapped Cars Subaru Impreza Gc8 Rs Forum Community

0 Response to "40 subaru evap system diagram"

Post a Comment

Iklan Atas Artikel

Iklan Tengah Artikel 1

Iklan Tengah Artikel 2

Iklan Bawah Artikel