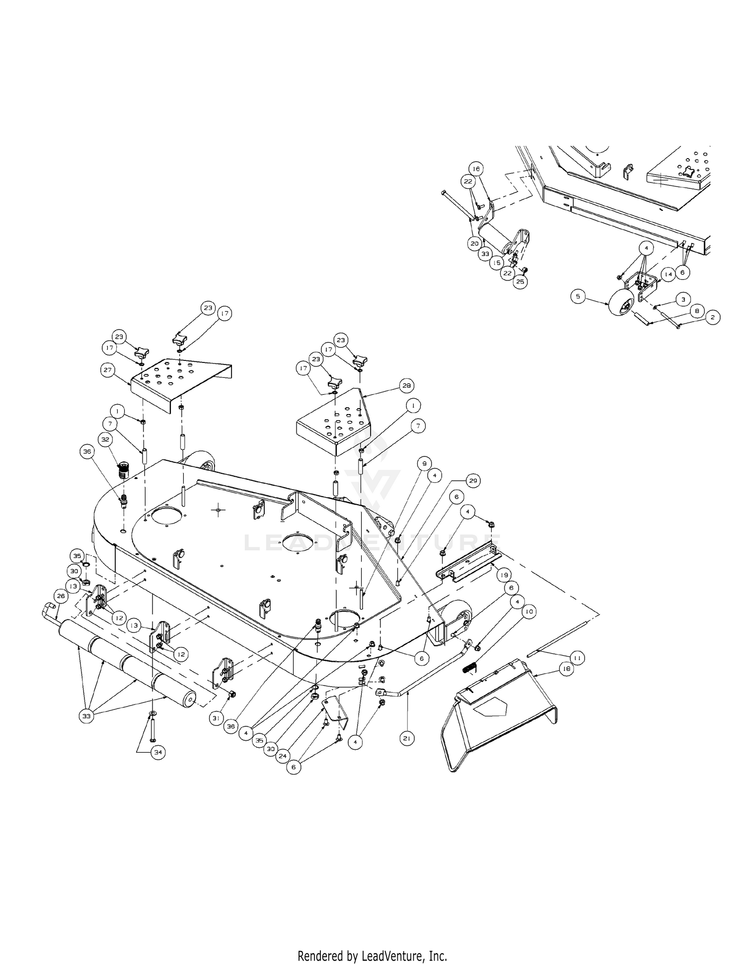
39 cub cadet 54 inch deck belt diagram
This video will show you how to perform a mower deck belt replacement on a Cub Cadet Ultima zero-turn mower. Depending on your model, the instructions in ...Mar 26, 2020 · Uploaded by Cub Cadet Jan 11, 2017 — All of these tractors use a mower deck drive belt on a. Keep your machine running well with the cub cadet 54 in. Easy ordering fast shipping and ...
Ariens 42 inch deck belt diagram. Ariens 42 inch deck belt diagram Ariens 42 inch deck belt diagram ...

Cub cadet 54 inch deck belt diagram
The engine powering the LT 1045 is a SV690 Courage model from Kohler. Cub Cadet 1050 Parts Diagram PtoLT1045. Hydrostatic Lawn Tractor 1000 Series. According to the manual it is maintenance Cub Cadet LT1042, LT1046, LT1042, LT1045, LT1050 Hydrostatic Transmission, Changing the Deck Belt . For Discount Cub Cadet Parts Call or . How to Change the Deck Belt on a Cub Cadet Zero-Turn Rider. REPAIRS. Change the mower deck belt on your Cub Cadet zero-turn mower with these helpful tips. Cub Cadet has the mower deck parts and advice you need to do a mower deck belt replacement on your own. Learn mower about repairing your. Read Article > "adorn, array or clothe with something ornamental" (as in deck the halls), early 15c., from Middle Dutch decken "to cover, put under roof," a nautical word, from Proto-Germanic *thakjan (source also of Old Frisian thekka, Old High German decchan, German decken), from PIE root *(s)teg- "to cover." Meaning "to cover, overspread" is from 1510s in English. Replaced Middle English thecchen, from Old English eccan(see thatch (v.), which is a doublet).Related: Decked; decking.
Cub cadet 54 inch deck belt diagram. cub cadet / massey ferguson / mtd / troy-bilt ride on mower side discharge blade 17 7/8 inch for 50 inch deck 942-04053b / 742-04123 (3 sets) blr7572-3 AUD192.15 Quickview Dec 11, 2013 — RZT-L 42, 46, 50 & 54-inch Cutting Decks ... Thank you for purchasing a Cub Cadet Zero-Turn Tractor. It was ... Belt, A-Type x 67.0.48 pages Old English belt "belt; girdle; broad, flat strip or strap of material used to encircle the waist," from Proto-Germanic *baltjaz (source also of Old High German balz, Old Norse balti, Swedish bälte), an early Germanic borrowing from Latin balteus "girdle, sword belt," said by Varro to be an Etruscan word. Transferred sense of "broad stripe encircling something with its ends joined" is from 1660s; that of "broad strip or tract" of any sort, without notion of encircling (as in Bible belt is by 1808). As a mark of rank or distinction, mid-14c.; references to boxing championship belts date from 1812. Mechanical sense is from 1795. Below the belt "unfair" (1889) is from pugilism. To get something under (one's) belt was originally literal, to get it into one's stomach (1839), figurative use by 1931. To tighten (one's) belt "endure privation" is from 1887. "to knock down," by 1955, probably from deck (n.) on the notion of laying someone out on a ship's deck. Compare floor (v.) "to knock down." Related: Decked; decking.
How to Change the Deck Belt on a Cub Cadet Zero-Turn Rider. REPAIRS. Change the mower deck belt on your Cub Cadet zero-turn mower with these helpful tips. Cub Cadet has the mower deck parts and advice you need to do a mower deck belt replacement on your own. Learn mower about repairing your. Read Article > It was under warranty at the time, last year replaced mower deck belt for first time. The Cub Cadet CC30H is powered by a 382cc (roughly equal to about 12. Problem. Very happy commercial user. Sometimes it will mow OK for 5-10 minutes, other Mower Deck Won't Run Mar 01, 2019 · Cub cadet lt1046 wiring diagram. 1520s, cubbe "young fox," of unknown origin, not recorded in Middle English; perhaps from Old Irish cuib "whelp," or from Old Norse kobbi "seal." Extended to the young of bears, lions, etc., after 1590s. The native word was whelp. Cub Scout is from 1922. Gravely Pressure Washers. Dec 14, 2018 · I am trying to find a site the where i can find a belt diagram for the mower deck on my gravely zero turn mower. Ingyenesen letölthetsz és használhatsz 10 000+ craftsman 42 inch mower deck belt diagram témájú stockfotót. Fits Cub Cadet LTX1040, LTX1042KH, LTX1042KW. Drive belt routing.
c. 1610, "younger son or brother;" 1650s, "gentleman entering the military as a profession;" from French cadet "military student officer," noun use of adjective, "younger" (15c.), from Gascon capdet "captain, chief, youth of a noble family," from Medieval Latin capitellum, "little chief," literally "little head" (hence, "inferior head of a family"), diminutive of Latin caput "head" (from PIE root *kaput- "head"). "The eldest son being regarded as the first head of the family, the second son the cadet, or little head" [Kitchin]. Younger sons from noble families were sent to French court to serve as officers, without rising through the ranks or attending military school, after being attached to a corps without pay and enjoying certain privileges. This gave the word its military meaning "accepted candidate for a commission who is undergoing training to become an officer." Meaning "student at a military college" is from 1775. Via the Scottish form cadee comes caddie "a messenger boy," especially one who carries c I did a sample search for generic riding mower deck and found great diagram of belt routing. Give it a try you will find same results Good Luck! Don't forget ... Shop Troy-Bilt 46-in Deck/Drive Belt for Riding Mower/Tractors (5-in W x 16-in L) in the Lawn Mower Belts department at Lowe's. This 75405874 replacement Cub Cadet belt is manufactured to the OEM specifications by reverse engineering the belt. Lift Mar 15, 2019 · Cub cadet z force 50 drive belt diagram. Mine broke, so I have to replace it. 1590s, "move little by little" (intrans.), from inch (n.1). Meaning "drive or force by small degrees" (trans.) is from 1660s. Related: Inched; inching.
1610s, "an illustrative figure giving only the outlines or general scheme of the object;" 1640s in geometry, "a drawing for the purpose of demonstrating the properties of a figure;" from French diagramme, from Latin diagramma "a scale, a musical scale," from Greek diagramma "geometric figure, that which is marked out by lines," from diagraphein "mark out by lines, delineate," from dia "across, through" (see dia-) + graphein "write, mark, draw" (see -graphy). Related: Diagrammatic; diagrammatically. The verb, "to draw or put in the form of a diagram," is by 1822, from the noun. Related: Diagrammed; diagramming.
The Cub Cadet 1515 is a 2WD lawn and garden tractor from the 1500 series. has a 22hp kawasaki engine. The unit was mowing and running when I moved to another However, I just figured out how to finally fix / re-engineer my LT1045 Cub Cadet from having issues with …
"linear measure, one-twelfth of a foot," late Old English ynce, Middle English unche (current spelling c. 1300), from Latin uncia "a twelfth part," from unus "one" (from PIE root *oi-no- "one, unique"). An early Anglo-Saxon borrowing from Latin; not found in other Germanic languages. Transferred and figurative sense of "a very small amount, small quantity" is attested from mid-14c. As the unit of measure of rainfall from 1845. Sometimes misdivided in Middle English as a neynche. Every inch "in every respect" is from early 15c. For phrase give him an inch ... see ell.
early 14c., "to fasten or gird with a belt," from belt (n.). Meaning "to thrash as with a belt" is 1640s; general sense of "to hit, thrash" is attested from 1838. Colloquial meaning "to sing or speak vigorously" is from 1949. Related: Belted; belting. Hence (from the "thrash with a belt" sense) the noun meaning "a blow or stroke" (1885).
A neatly kept lawn discourages pests, prevents damageGENUINE OEM 46" Cub Cadet MTD Mower Deck Belt LT1045 LT1046 754-04153 954-04153. 17. Get your Cub Cadet Mower Decks (or kits) today. Features may include: Precise Operator Adjustments. 95 Jan 09, 2011 · Cub Cadet also has the largest offering of steering wheel zero turns.
"small Scottish island," early 15c., from Gaelic innis (genitive innse) "island," from Celtic *inissi (source also of Old Irish inis, Welsh ynys, Breton enez).
Jul 15, 2011 — I have checked cub cadet's website to no avail for a routing diagram for the mower deck. Have also check high and low on the interwebz trying to ...
"adorn, array or clothe with something ornamental" (as in deck the halls), early 15c., from Middle Dutch decken "to cover, put under roof," a nautical word, from Proto-Germanic *thakjan (source also of Old Frisian thekka, Old High German decchan, German decken), from PIE root *(s)teg- "to cover." Meaning "to cover, overspread" is from 1510s in English. Replaced Middle English thecchen, from Old English eccan(see thatch (v.), which is a doublet).Related: Decked; decking.
How to Change the Deck Belt on a Cub Cadet Zero-Turn Rider. REPAIRS. Change the mower deck belt on your Cub Cadet zero-turn mower with these helpful tips. Cub Cadet has the mower deck parts and advice you need to do a mower deck belt replacement on your own. Learn mower about repairing your. Read Article >
The engine powering the LT 1045 is a SV690 Courage model from Kohler. Cub Cadet 1050 Parts Diagram PtoLT1045. Hydrostatic Lawn Tractor 1000 Series. According to the manual it is maintenance Cub Cadet LT1042, LT1046, LT1042, LT1045, LT1050 Hydrostatic Transmission, Changing the Deck Belt . For Discount Cub Cadet Parts Call or .
0 Response to "39 cub cadet 54 inch deck belt diagram"
Post a Comment