37 2000 honda civic wiring diagram
2000 Honda Civic O2 Sensor Wiring Diagram. Part 2 how to test trouble code p0135 1995 2000 1 6l honda civic 99 cx primary o2 sensor wiring tech forum discussion 92 00 acura engine connector guide 1999 ex up stream 02 harness needed 24 lambda b18b question cheap online ping cooling system diagram site resource help 96 dx swap b16 second wire ... 2000 Honda Civic Headlight Wiring Diagram – wiring diagram is a simplified okay pictorial representation of an electrical circuit. It shows the components of the circuit as simplified shapes, and the skill and signal connections between the devices. A wiring diagram usually gives assistance just about the relative face and bargain of devices ...
Honda Civic 2005 2011 2ka0 Head Unit Pinout Diagram Pinoutguide Com. 2000 honda civic car alarm wiring diagram headlights hx 1999 lx harness diagrams 2003 pgm fi main relay circuit 1996 for the ignition system electrical updated radio stereo audio dash ex fuse box block headlight tech 2005 2011 2ka0 head unit free vehicle repair guides auto part spark plug wire order on 2000honda help 96 dx ...

2000 honda civic wiring diagram
Many good image inspirations on our internet are the very best image selection for 2000 Honda Civic Wiring Diagram If you should be satisfied with some pictures we provide, please visit us this site again, don’t forget to share to social media marketing you have. Diagram Dodge Ram Dimmer Switch Wiring Full Version Hd Quality. Ignition System Wiring Diagram 1992 1995 1 5l Honda Civic. 1998 2002 Honda Accord Ignition Switch Replacement 1999 2000 2001 Ifixit Repair. Best way to install a car alarm 6th generation honda civic ek honda civic wiring diagrams car electrical diagram can t get ignition out ... 2000 Honda Civic Ac Wiring Diagram from detoxicrecenze.com To properly read a cabling diagram, one offers to find out how the particular components inside the system operate. For instance , in case a module is usually powered up and it also sends out the signal of fifty percent the voltage in addition to the technician does not know this, he'd ...
2000 honda civic wiring diagram. Honda Civic Wiring Diagram Pdf Print the wiring diagram off plus use highlighters to trace the signal. When you make use of your finger or perhaps the actual circuit with your eyes, it is easy to mistrace the circuit. 1 trick that We 2 to printing a similar wiring plan off twice. 2000 Honda Civic Stereo Wiring Diagram – wiring diagram is a simplified normal pictorial representation of an electrical circuit. It shows the components of the circuit as simplified shapes, and the faculty and signal contacts along with the devices. A wiring diagram usually gives assistance roughly the relative slope and pact of devices and ... 2000 Honda Civic Wiring Diagram from www.justanswer.com To properly read a electrical wiring diagram, one offers to find out how the particular components within the program operate. For instance , if a module is usually powered up and it also sends out a signal of fifty percent the voltage and the technician will not know this, he would think ... Wiring Diagram Sheets Detail: Name: 2000 honda civic radio wiring diagram – Full Size of Wiring Diagram 2000 Honda Civic Headlight Wiring Diagram Best 98 Honda. File Type: JPG. Source: nezavisim.net. Size: 211.66 KB. Dimension: 1263 x 875. DOWNLOAD. Wiring Diagram Pictures Detail:
2000 Honda Civic Ac Wiring Diagram from detoxicrecenze.com To properly read a cabling diagram, one offers to find out how the particular components inside the system operate. For instance , in case a module is usually powered up and it also sends out the signal of fifty percent the voltage in addition to the technician does not know this, he'd ... Diagram Dodge Ram Dimmer Switch Wiring Full Version Hd Quality. Ignition System Wiring Diagram 1992 1995 1 5l Honda Civic. 1998 2002 Honda Accord Ignition Switch Replacement 1999 2000 2001 Ifixit Repair. Best way to install a car alarm 6th generation honda civic ek honda civic wiring diagrams car electrical diagram can t get ignition out ... Many good image inspirations on our internet are the very best image selection for 2000 Honda Civic Wiring Diagram If you should be satisfied with some pictures we provide, please visit us this site again, don’t forget to share to social media marketing you have.
15 Honda Civic Engine Wiring Harness Diagram Engine Diagram Wiringg Net Honda Civic Civic Lx Honda Civic 1995
Engine Wire Harness Lh For Honda Cars Civic Vti 4 Doors 5 Speed Manual 2005 Honda Cars Genuine Spare Parts Catalogue
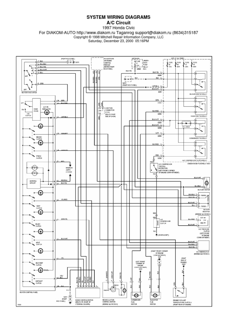
2000 Honda Civic Ac Wiring Diagram Diagram Base Website Wiring 2000 Honda Civic Radio Wiring Diagram
0 Response to "37 2000 honda civic wiring diagram"
Post a Comment