41 kohler transfer switch wiring diagram
filmreview.us This switch, commonly called a “kill switch” turns off the engine when the mower deck is engaged and the rider gets off the seat. replacement ignition switch craftsman 532I suspect that my clutch safety switch PN#27010-0717 to have failed after 13,000 miles and while I didn't get much of a chance to troubleshoot it this I intend to take it off and clean it, or at least clean the … Wiring Diagrams - Kohler Power 4 Wiring Diagrams TP-6712 4/10 Wiring Diagrams Use the Wiring Diagram Cross-Reference chart to determine the wiring diagram version number for a given model number and spec number. Then find that version number, the controller type, and the alternator type on the Wiring Diagrams Reference chart to determine the wiring diagram numbers for your unit.
Automatic Transfer Switches - Kohler Co. Transfer Switch Identification Numbers Record the product identification numbers from the transfer switch nameplate. Model Designation Serial Number Accessories - Alarm Board - Battery Module - California OSHPD Approval - Controller Disconnect Switch - Current Monitoring - Digital Meter - Heater - IBC Seismic Certification - I/O Module ...
 
    Kohler transfer switch wiring diagram
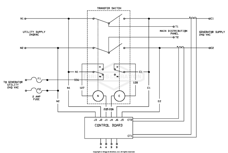
Onan 16 hp engine For use on Kohler AQS models K241 (10 hp), K301 (12 hp), K321 (14 hp), and ... Portable Generator EPA & CARB compliant emissions Gas or propane dual fuel Transfer switch ready with L14-30R twist lock outlet Dependable 13 HP 420cc OHV 4-stroke engine Bat onan 16 hp ebay, onan 16 hp engine coil diagram, onan coil wiring diagram roshdmag org, ... Selecting Between a THREE- OR FOUR-POLE ATS - Kohler Co. KOHLER Power Systems INTRODUCTION The choice between a three-pole or four-pole automatic transfer switch (ATS) depends on the grounding scheme for the system. To ensure you are specifying the correct type, it is important to understand how it affects the grounding of the system and the ground-fault protection for the emergency system. Kohler Transfer Switch Wiring Diagram Gallery - Wiring Collection May 03, 2018 · August 9, 2018. May 3, 2018 by headcontrolsystem. Variety of kohler transfer switch wiring diagram. A wiring diagram is a streamlined traditional pictorial depiction of an electric circuit. It shows the parts of the circuit as streamlined shapes, and the power and also signal links in between the devices. A wiring diagram normally provides information about the loved one placement as well as plan of gadgets and also terminals on the devices, to assist in structure or servicing the tool.
Kohler transfer switch wiring diagram. Products – Intellitec Products, LLC Wiring Diagram. Parameters ... 00-00803-300 - 50A Transfer Switch Single Input . Part number: 00-00803-300. ... Contura II Series rocker switches plug directly into the adapter, eliminating the need for a harness, or separate wiring to each switch. All switch and indicator Kohler Transfer Switch Wiring Diagram Collection - Wiring ... Jan 16, 2020 · Name: kohler transfer switch wiring diagram – Generac Ampc Transfer Switch Wiring Diagram Kohler Auto Free Asco; File Type: JPG; Source: altaoakridge.com; Size: 66.84 KB; Dimension: 540 x 696; Essential Tips for Safe Electrical Repairs. Repairing electrical wiring, more than every other household project is centered on safety. Wiring to Switch Diagram - OPEengines.com May 09, 2019 · Kohler Tune Up Kits; Wiring Diagrams; Other Kohler Parts; Kohler Portable Generator Parts; MTD. Belts; ... Wiring to Switch Diagram. We Also Ship Saturdays* 888-652-3990. Electrical Control Panel Wiring Diagram Pdf - uwiring.com 11.7.2021 · Electrical Wiring Ats Panel Wiring Diagram Pdf 4 Pole Contactor Of House Distr Diagrams Kohler Ats Wiri Electrical Circuit Diagram Diagram Circuit Diagram . ... Image Result For Fg Wilson 2001 Control Panel Wiring Diagram Pdf Transfer Switch Electrical Circuit Diagram Electrical Wiring Diagram .
Husqvarna safety switch bypass Ups Maintenance Bypass Switch Wiring Diagram Smart UPS VT 30kVA 400 APC Smart UPS VT 1966 Mustang Neutral Safety Switch Wiring Diagram Husqvarna Ignition. Neutral safety switch bypass. husqvarna 340 to 356 series & jonsered 2141 to 2050 chainsaw twist on type air filter new replaces pn 537 02 40-03 (new misc. Parking brake functionality. 03. KOHLER 14/20RESAL INSTALLATION MANUAL Pdf Download ... View and Download Kohler 14/20RESAL installation manual online. ... VDC Load Shed Note: Connect A to A, B to B, PWR to PWR, and COM to COM. See Section 1.10.2, Cable Specifications. * RXT transfer switch with standard or combined interface/ load management board. ... Page 64 Figure 3-20 Wiring Diagram, Model 20RESC/20RESCL, GM96293, ... KOHLER 5ECD SERVICE MANUAL Pdf Download | ManualsLib View and Download Kohler 5ECD service manual online. Marine Generator Sets. 5ECD ... Oil fill 18. Generator set master switch 3. Page 15: Section 2 Scheduled Maintenance Section 2 Scheduled ... Resistors are removable. Note: For complete wiring diagram details, see Section 7. Verify Battery Voltage to ECM Verify battery voltage ... fashion-style-shop.de Muffler Crutch price each - . Aug 04, 2021 · For use on Kohler AQS models K241 (10 hp), K301 (12 hp), K321 (14 hp), and K341 (16 hp) single cylinder engines only. Check for a loose carburetor or mainfold connection at the block. Kohler Engine Parts provide this level of quality in all its merchandise. in. to 05:00 p. Also for: P218, P220, P224.
Flour Mill Rye [4MH368] Search: Rye Flour Mill. Rye flour contains gluten, but not a lot, so it must be used in conjuction with other. Kohler Transfer Switch Wiring Diagram Gallery - Wiring Collection May 03, 2018 · August 9, 2018. May 3, 2018 by headcontrolsystem. Variety of kohler transfer switch wiring diagram. A wiring diagram is a streamlined traditional pictorial depiction of an electric circuit. It shows the parts of the circuit as streamlined shapes, and the power and also signal links in between the devices. A wiring diagram normally provides information about the loved one placement as well as plan of gadgets and also terminals on the devices, to assist in structure or servicing the tool. Selecting Between a THREE- OR FOUR-POLE ATS - Kohler Co. KOHLER Power Systems INTRODUCTION The choice between a three-pole or four-pole automatic transfer switch (ATS) depends on the grounding scheme for the system. To ensure you are specifying the correct type, it is important to understand how it affects the grounding of the system and the ground-fault protection for the emergency system. Onan 16 hp engine For use on Kohler AQS models K241 (10 hp), K301 (12 hp), K321 (14 hp), and ... Portable Generator EPA & CARB compliant emissions Gas or propane dual fuel Transfer switch ready with L14-30R twist lock outlet Dependable 13 HP 420cc OHV 4-stroke engine Bat onan 16 hp ebay, onan 16 hp engine coil diagram, onan coil wiring diagram roshdmag org, ...
 
     
     
     
     
     
     
     
     
     
     
     
     
     
     
     
     
     
     
     
     
     
     
     
     
     
     
     
     
    
0 Response to "41 kohler transfer switch wiring diagram"
Post a Comment