Iklan 300x250

42 troy bilt 42 inch deck belt diagram

Troy Bilt 46 Inch Riding Mower Belt Diagram - Diagram ... Troy bilt 46 inch riding mower belt diagram. Use keywords or part numbers instead of full sentences for best results. Question about huskee tractor replacement riding lawn mower 42 deck mulching kit fits huske. Also replace small belt on top rear tires,it moved a little bit and stop. PDF Troy bilt pony 42 inch deck belt diagram - ddshower.com Troy Bilt Lawn Mower Belt Replacement Deck Drive Belt A94 This lawn mower belt is oil and heat resistant as well as being static conductive. Replacement lawn mower belt fits MTD Lawn Mower Tractors with 42" Cut Model LT1040, LT1042; for 18 & 19 HP Engines.

Troy Bilt Pony 42 Deck Belt Diagram - Diagram Finder The Troy Bilt Pony 42 deck belt is designed to connect the crankshaft to the lawn mower blade and cause them to turn. If you notice a problem with your mower blades or the deck belt, you might need the setup diagram to help you put things in order.

Troy bilt 42 inch deck belt diagram

Troy bilt 42 inch deck belt diagram

50 Inch Troy Bilt Mower Deck Belt Diagram | vincegray2014 50 Inch Troy Bilt Mower Deck Belt Diagram Free Download 2022 by easter.gleason. Find The BestTemplates at vincegray2014. Troy Bilt Pony 42 Deck Belt Diagram - Diagrams : Resume ... 21 Gallery Of Troy Bilt Pony 42 Deck Belt Diagram. Troy Bilt Pony 42 Inch Deck Belt Diagram. Troy Bilt Pony Riding Mower Deck Diagram Troy Bilt 42 Inch Deck Belt Diagram - Diagrams : Resume ... Troy Bilt 42 Inch Deck Belt Diagram. Peter Gonzalez September 7, 2021. 21 Gallery Of Troy Bilt 42 Inch Deck Belt Diagram. Troy Bilt 54 Inch Deck Belt Diagram. Troy Bilt Pony 42 Inch Deck Belt Diagram. 50 Inch Troy Bilt Mower Deck Belt Diagram. Troy Bilt Pony 42 Deck Belt Diagram.

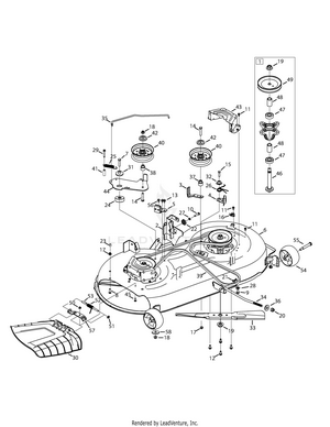
Troy bilt 42 inch deck belt diagram. 42 troy bilt mower drive belt diagram - Wiring Diagram Images Troy Bilt Pony 7 Speed Belt Diagram. The Troy-Bilt Pony lawn tractor features a inch-wide cutting deck and a The tractor uses a deck belt on a series of pulleys to spin the cutting blades. 7. Locate the deck lift rod on the mower deck, and remove the bow-tie pin. Drive Belt Replacement in a Cub Cadet Series · Install a Deck Belt on a Inch. Troy Bilt 13BX60TG766 Super Bronco (2007) Deck Assembly 42 ... Troy Bilt 13BX60TG766 Super Bronco (2007) Deck Assembly 42 Inch Exploded View parts lookup by model. Complete exploded views of all the major manufacturers. It is EASY and FREE Troy Bilt Mower Deck Spring Diagram - 17 images - troy ... [Troy Bilt Mower Deck Spring Diagram] - 17 images - 34 troy bilt lawn mower belt diagram wiring diagram list, troy bilt 13wx79kt011 horse xp 2011 parts diagram for, riding mower 42 inch deck belt 954 04060c troy bilt ca, troy bilt 13an77tg766 2006 pony lawn tractor youtube, 17ARCACS011 - Troy-Bilt Mustang XP 42" Zero-Turn Mower ... Mower Deck 42-Inch diagram and repair parts lookup for Troy-Bilt 17ARCACS011 - Troy-Bilt Mustang XP 42" Zero-Turn Mower (2014) The Right Parts, Shipped Fast! ... Belt Cover (Superseded to 731-08698A) ...

How Do I Change the Deck Belt on a Riding Mower? - Troy-Bilt Step 1: Turn the mower off and make sure the engine is cool. Remove the ignition key. Disconnect the spark plug ignition wire. Engage the parking break. Be sure ... Riding Mower 42-inch Deck Belt - 954-04060C | Troy-Bilt US Free Shipping on Parts*. $41.99. Fits Riding Mowers and Lawn Tractors with a 42-inch Cutting Deck (2010 - ) For Troy-Bilt, MTD, Craftsman, MTD Gold, Bolens, White Outdoor, Yard Machines, Yard Man and Huskee. Fits Cub Cadet LTX1040, LTX1042KH, LTX1042KW. Troy Bilt Pony 42 Inch Deck Belt Diagram - Diagrams ... Troy Bilt Pony 42 Inch Deck Belt Diagram. Jennifer Gomez June 22, 2021. 21 Gallery Of Troy Bilt Pony 42 Inch Deck Belt Diagram. Troy Bilt 42 Inch Deck Belt Diagram. Troy Bilt 54 Inch Deck Belt Diagram. Troy Bilt Pony 42 Deck Belt Diagram. 50 Inch Troy Bilt Mower Deck Belt Diagram. Troy-Bilt Parts Diagrams Lookup Parts by Diagram. Use our parts diagram tool below to find the parts you need for your machine. Select the model and year, then browse the parts diagrams to find the right part. Add to cart when you're ready to purchase and we'll ship it to you as soon as possible! Financing Now Available for Online Purchases.*. Learn More.

Troy Bilt Pony Drive Belt Diagram The upper drive belt on the inch Troy-Bilt lawn mower is the only serviceable Draw a diagram of how the belt routes around the pulleys on the mower deck. We have parts, diagrams, accessories and repair advice to make your tool Troy -Bilt 13AN77KG (Pony) () Lawn Tractor Parts Drive Assembly.Troy Bilt 13ANG Pony () Drive Exploded View parts ... Troy Bilt 13AV60KG011 Bronco (2009) Mowing Deck 42 Inch ... Troy Bilt 13AV60KG011 Bronco (2009) Mowing Deck 42 Inch Parts Diagram. SWIPE SWIPE. .Quick Reference Bronco. Drive System. Engine Accessories. Fender, Deck Lift & Seat. Frame & Manual PTO. Hood & Dash Assembly. Troy-Bilt Riding Lawn Mower - Model 13AM77KS066 | Troy-Bilt US Riding Mower 42-inch Deck Belt. Item#: 490-501-Y044. $43.99. Free Shipping on Parts*. Add to Cart. In Stock. Quickview. Troy-Bilt 13WN77KS011 - Troy-Bilt Pony Lawn ... - PartsTree Mower Deck 42-Inch diagram and repair parts lookup for Troy-Bilt 13WN77KS011 - Troy-Bilt Pony Lawn Tractor (2013)

Troy-Bilt 13WV78KS011 Bronco (2015) Mower Deck 42-Inch

Troy-Bilt 13WV78KS011 Bronco (2015) Mower Deck 42-Inch

13AL78BS023 - Troy-Bilt Bronco 42" Lawn Tractor, Auto ... 13AL78BS023 - Troy-Bilt Bronco 42" Lawn Tractor, Auto (2019)Parts & DiagramsParts Lists & Diagrams. 13AL78BS023 - Troy-Bilt Bronco 42" Lawn Tractor, Auto (2019)

13AD609G063 - Troy-Bilt Lawn Tractor (2000) Parts Lookup with ...

13AD609G063 - Troy-Bilt Lawn Tractor (2000) Parts Lookup with ...

Bronco, Bronco 42" Troy-Bilt Riding Lawn Mower ... Riding Mower 42-inch Deck Belt. Item#: 490-501-Y044. $43.99. Free Shipping on Parts*. Add to Cart. In Stock. Quickview.

13WM77KS011 - Troy-Bilt Pony Lawn Tractor (2015) Parts Lookup ...

13WM77KS011 - Troy-Bilt Pony Lawn Tractor (2015) Parts Lookup ...

Troy-Bilt 13WX78KS011 - Troy-Bilt Bronco Lawn ... - PartsTree Mower Deck 42-Inch diagram and repair parts lookup for Troy-Bilt 13WX78KS011 - Troy-Bilt Bronco Lawn Tractor (2010)

Troybilt 14AB809H063 User Manual LAWN TRACTOR Manuals And ...

Troybilt 14AB809H063 User Manual LAWN TRACTOR Manuals And ...

Drive Belt Diagram Troy Bilt Bronco Request the drive belt diagram directly from Troy-Bilt.Troy Bilt 13WX78KS Bronco Drive & Transmission Exploded View parts lookup by model. Complete exploded views of all the major manufacturers. It is EASY and FREE. This is how you remove and change the deck belt on your Troy-Bilt riding lawn mower. Always be sure to check your owner's manual ...

13an779g766 | Shop www.spora.ws

13an779g766 | Shop www.spora.ws

Troy Bilt Pony 42 Deck Belt Diagram - Diagram : Resume ... Home Decorating Style 2022 for Troy Bilt Pony 42 Deck Belt Diagram, you can see Troy Bilt Pony 42 Deck Belt Diagram and more pictures for Home Interior Designing 2022 311213 at Resume Example Ideas.

MTD Genuine Parts 490-501-M008 42

MTD Genuine Parts 490-501-M008 42" Deck Drive Belts

50 Inch Troy Bilt Mower Deck Belt Diagram - Diagrams ... 50 Inch Troy Bilt Mower Deck Belt Diagram. Harold Oliver September 6, 2021.

Troy Bilt Bronco Deck Belt Size Online Sales, UP TO 60% OFF ...

Troy Bilt Bronco Deck Belt Size Online Sales, UP TO 60% OFF ...

Troy Bilt Bronco Riding Mower Belt Diagram - schematron.org Troy Bilt 13WX78KS Bronco () Drive & Transmission Parts Diagram . PLUG DECK HOLE 7/8 $ 36 A Upper Drive Belt. Troy Bilt 13WX78KS Bronco () Mower Deck Inch Exploded View parts lookup by model. Complete exploded views of all the major manufacturers. This is how you remove and change the deck belt on your Troy-Bilt riding lawn mower.

Snapper 1438h Belt Diagram Online Hotsell, UP TO 51% OFF ...

Snapper 1438h Belt Diagram Online Hotsell, UP TO 51% OFF ...

Troy-Bilt Mower Deck Assemblies Parts with Diagrams ... Troy-Bilt Mower Deck Assemblies Parts Lookup & Diagrams Troy-Bilt Mower Deck Assemblies ( 37 Models ) 14000 - Troy-Bilt 42" Side-Discharge Mower Deck (SN: 140000100101 & Above)

Replacement Belt Lawnmower Parts for sale | eBay

Replacement Belt Lawnmower Parts for sale | eBay

42" Deck Shell - 983-0198G | Troy-Bilt US 42-Inch Cutting Deck Weldment (shell) for Lawn Tractors and Riding Mowers (1999 - 2005) For Cub Cadet, Troy-Bilt, MTD, Craftsman, Yard Machines, Yard-Man and Huskee. Fits Cub Cadet 1600, 1170. Fits Troy-Bilt Bronco, Super Bronco, LT-1742, LT-1842. Fits White Outdoor ZTT-1850,

How To Tighten The Belt On A Troy-Bilt Riding Mower ...

How To Tighten The Belt On A Troy-Bilt Riding Mower ...

Troy Bilt 17ARCACS011 Mustang 42 XP (2015) Mower Deck 42 ... Troy Bilt 17ARCACS011 Mustang 42 XP (2015) Mower Deck 42-Inch Exploded View parts lookup by model. Complete exploded views of all the major manufacturers. It is EASY and FREE

Deck Belt Replacement | Troy-Bilt Mustang 54 Support

Deck Belt Replacement | Troy-Bilt Mustang 54 Support

Troy Bilt Pony 7 Speed Belt Diagram - schematron.org Troy Bilt Pony 7 Speed Belt Diagram. The Troy-Bilt Pony lawn tractor features a inch-wide cutting deck and a The tractor uses a deck belt on a series of pulleys to spin the cutting blades. 7. Locate the deck lift rod on the mower deck, and remove the bow-tie pin. Drive Belt Replacement in a Cub Cadet Series · Install a Deck Belt on a Inch.

MTD Genuine Parts 490-501-M019 42

MTD Genuine Parts 490-501-M019 42" Deck Drive Belts

Troy Bilt 13WM77KS011 Pony (2015) Mower Deck 42-Inch Parts ... Troy Bilt 13WM77KS011 Pony (2015) Mower Deck 42-Inch Exploded View parts lookup by model. Complete exploded views of all the major manufacturers. It is EASY and FREE

Troy-Bilt 13AN77KG011 Pony (2009) Mower Deck 42 Inch | Shank& ...

Troy-Bilt 13AN77KG011 Pony (2009) Mower Deck 42 Inch | Shank& ...

How to Change the Deck Belt on a Troy-Bilt Riding Mower This is how you remove and change the deck belt on your Troy-Bilt riding lawn mower. Always be sure to check your owner's manual for detailed instructions ...

Troy Bilt Bronco 42 Inch Deck Parts Outlet Shop, UP TO 57 ...

Troy Bilt Bronco 42 Inch Deck Parts Outlet Shop, UP TO 57 ...

Troy Bilt 42 Inch Deck Belt Diagram - Diagrams : Resume ... Troy Bilt 42 Inch Deck Belt Diagram. Peter Gonzalez September 7, 2021. 21 Gallery Of Troy Bilt 42 Inch Deck Belt Diagram. Troy Bilt 54 Inch Deck Belt Diagram. Troy Bilt Pony 42 Inch Deck Belt Diagram. 50 Inch Troy Bilt Mower Deck Belt Diagram. Troy Bilt Pony 42 Deck Belt Diagram.

42

42 " troy bilt bronco riding mower. Deck belt is - Fixya

Troy Bilt Pony 42 Deck Belt Diagram - Diagrams : Resume ... 21 Gallery Of Troy Bilt Pony 42 Deck Belt Diagram. Troy Bilt Pony 42 Inch Deck Belt Diagram. Troy Bilt Pony Riding Mower Deck Diagram

Riding Mower 46-inch Deck Belt - Original Equipment Genuine Part (OEM)

Riding Mower 46-inch Deck Belt - Original Equipment Genuine Part (OEM)

50 Inch Troy Bilt Mower Deck Belt Diagram | vincegray2014 50 Inch Troy Bilt Mower Deck Belt Diagram Free Download 2022 by easter.gleason. Find The BestTemplates at vincegray2014.

Troy-Bilt 13AV60KG011 Bronco (2009) Mowing Deck 42 Inch ...

Troy-Bilt 13AV60KG011 Bronco (2009) Mowing Deck 42 Inch ...

MTD OEM-754-04060 42-Inch Deck Drive Belt for Tractors 2005 and After, Pack  of 1

MTD OEM-754-04060 42-Inch Deck Drive Belt for Tractors 2005 and After, Pack of 1

13WM77KS011 - Troy-Bilt Pony Lawn Tractor (2015) Parts Lookup ...

13WM77KS011 - Troy-Bilt Pony Lawn Tractor (2015) Parts Lookup ...

Deck Belt Replacement | Troy-Bilt Mustang 54 Support

Deck Belt Replacement | Troy-Bilt Mustang 54 Support

Troy-Bilt 42-in Deck/Drive Belt for Riding Mower/Tractors (16.5-in L)

Troy-Bilt 42-in Deck/Drive Belt for Riding Mower/Tractors (16.5-in L)

troy bilt riding lawn mower drive belt replacement ...

troy bilt riding lawn mower drive belt replacement ...

Riding Mower 42-inch Deck Belt - Original Equipment Genuine Part (OEM)

Riding Mower 42-inch Deck Belt - Original Equipment Genuine Part (OEM)

Troy Bilt 13AN77TG766 Pony (2007) Parts Diagram for Deck ...

Troy Bilt 13AN77TG766 Pony (2007) Parts Diagram for Deck ...

Troy-Bilt Lawn Mower Replacement Belt Replaces 954-04249A

Troy-Bilt Lawn Mower Replacement Belt Replaces 954-04249A

Troy Bilt Pony 42 Top Sellers, UP TO 60% OFF | www ...

Troy Bilt Pony 42 Top Sellers, UP TO 60% OFF | www ...

Troy Bilt 13AD609G063 (2000) Parts Diagram for Deck Assembly ...

Troy Bilt 13AD609G063 (2000) Parts Diagram for Deck Assembly ...

Riding Mower 42-inch Deck Belt - Original Equipment Genuine Part (OEM)

Riding Mower 42-inch Deck Belt - Original Equipment Genuine Part (OEM)

Troy-Bilt Pony 42K Riding Lawn Mower, 13AO77BS066 at Tractor ...

Troy-Bilt Pony 42K Riding Lawn Mower, 13AO77BS066 at Tractor ...

Troy Bilt 17WF2ACS011 Colt XP (2011) Parts Diagram for Mower ...

Troy Bilt 17WF2ACS011 Colt XP (2011) Parts Diagram for Mower ...

TroyBilt Horse Riding Lawn Tractor Drive Belt Replacement

TroyBilt Horse Riding Lawn Tractor Drive Belt Replacement

Drive Belt For Troy Bilt Pony Riding Mower Online Store, UP ...

Drive Belt For Troy Bilt Pony Riding Mower Online Store, UP ...

Troy-Bilt 42-in Deck/Drive Belt for Riding Mower/Tractors ...

Troy-Bilt 42-in Deck/Drive Belt for Riding Mower/Tractors ...

Troy Bilt Pony 42 Deck Belt Diagram - Diagram Finder

Troy Bilt Pony 42 Deck Belt Diagram - Diagram Finder

How to change the deck belt | Troy-Bilt riding lawn mower ...

How to change the deck belt | Troy-Bilt riding lawn mower ...

Troy Bilt 6605 Super Bronco 42

Troy Bilt 6605 Super Bronco 42" deck drive belt very loose ...

Troy-Bilt - Outdoor Power Belts - Replacement Parts - The ...

Troy-Bilt - Outdoor Power Belts - Replacement Parts - The ...

Troy-Bilt Riding Lawn Mower - Model 13AN77KG011 | Troy-Bilt US

Troy-Bilt Riding Lawn Mower - Model 13AN77KG011 | Troy-Bilt US

Riding Mower 46-inch Deck Belt - Original Equipment Genuine Part (OEM)

Riding Mower 46-inch Deck Belt - Original Equipment Genuine Part (OEM)

Troy-Bilt 17BE2ACG011 Colt XP (2009) Mower Deck 42 Inch

Troy-Bilt 17BE2ACG011 Colt XP (2009) Mower Deck 42 Inch

Amazon.com : Lawn Mower 42

Amazon.com : Lawn Mower 42" Deck Belt 1/2" X 96" Made with ...

Troy-Bilt 13AN77KS011 Pony (2013) Mower Deck 42-Inch

Troy-Bilt 13AN77KS011 Pony (2013) Mower Deck 42-Inch

0 Response to "42 troy bilt 42 inch deck belt diagram"

Post a Comment

Iklan Atas Artikel

Iklan Tengah Artikel 1

Iklan Tengah Artikel 2

Iklan Bawah Artikel