Iklan 300x250

41 cub cadet hydrostatic transmission diagram

Cub Cadet Z42 (53BA1B2G100) - Cub Cadet 42 ... - PartsTree Hydrostatic Transmission diagram and repair parts lookup for Cub Cadet Z42 (53BA1B2G100) - Cub Cadet 42" Zero-Turn Mower (1999) Cub Cadet CC 30 H Small Riding Lawn Mower | Cub Cadet US The Cub Cadet CC30 H is powered by a Briggs & Stratton 344 cc engine with choke-a-matic. ... Transmission Hydro-Gear T2HP Forward Speed 4 MPH / 6.4 km/h Reverse Speed 2 MPH / 3.2 km/h Rear Axle 3/4" Drive System Hydrostatic Transmission Control Foot Pedal Transmission Housing Aluminum Rear Differential Lock No Cutting Deck. Deck Cutting Width 30 in Deck …

Lookup Parts Via Diagram | Cub Cadet US Lookup Parts Via Diagram | Cub Cadet US Lookup Parts via Diagram Use our parts diagram tool below to find the parts you need for your machine. Select the model and year, then browse the parts diagrams to find the right part. Add to cart when you're ready to purchase and we'll ship it to you as soon as possible! Cub Cadet

Cub cadet hydrostatic transmission diagram

Cub cadet hydrostatic transmission diagram

Cub Cadet XT1-LT46 FAB Tractor (2015) 13WQA1CN010 (2015 ... Shop online for OEM Hydrostatic Transmission (Tuff-Torq 618-06972) parts that fit your Cub Cadet XT1-LT46 FAB Tractor (2015) 13WQA1CN010 (2015), search all our OEM Parts or call at 717-375-1021 How to Change the Hydrostatic Fluid in a Cub Cadet Lawn ... International Cub Cadets manufactured in the 1970s with a hydrostatic transmission recommend only changing the transmission filter every 100 hours of use. Transmission fluid can gel in these older... Cub Cadet 1811 (148-660-100) - Cub Cadet ... - PartsTree Hydrostatic Transmission diagram and repair parts lookup for Cub Cadet 1811 (148-660-100) - Cub Cadet Garden Tractor (SN: 756300 - 799999)

Cub cadet hydrostatic transmission diagram. Tuff Torq K46 Oil Maintenance - Tuff Torq Corporation 19.05.2020 · I am sorry but I do not have good tractor data for Cub Cadet. I would need the serial number of the transmission that is found on a bar code sticker that is on the case of the transmission close to one of the axles. Normally you can see it from the rear of the tractor. get the serial number and i can give you a link to the transmission on the new website so you can … Cub Cadet Hydrostatic Problems - rare hydro ih cub cadet ... Cub Cadet Hydrostatic Problems - 18 images - cub cadet hydro stat 42 inch runs amazing reduced 4 qk, cub cadet wiring diagram free wiring diagram, diagram cub cadet transaxle diagram full version hd, 1450 hydrostatic transmission question only cub cadets, Cub Cadet Parts Diagrams, Cub Cadet XT1-LT42 Tractor (2015 ... Cub Cadet Parts Diagrams, Cub Cadet XT1-LT42 Tractor (2015) 13AVA1CS009 (2015) 13AVA1CS056 (2015) 13WVA1CS009 (2015) 13WVA1CS010 (2015) ... Hydrostatic Transmission (Tuff-Torq 918-06972) Kohler SV541-3212 Air Intake & Filtration. Kohler SV541-3212 Blower Housing & Baffles. Kohler SV541-3212 Controls ... primotek.de It includes a more comfortable high-back seat and a washout port. You're signed out. Your Cub Cadet hydrostatic transmission has a transmission bypass. . Jump to Latest Follow 1 - 10 of 10 Posts. He has replaced it every year he has owned it! They cost 0 just for the parts. diy mower will not crank safety switch diagnosis and my cub cadet rzt would not crank safety switch …

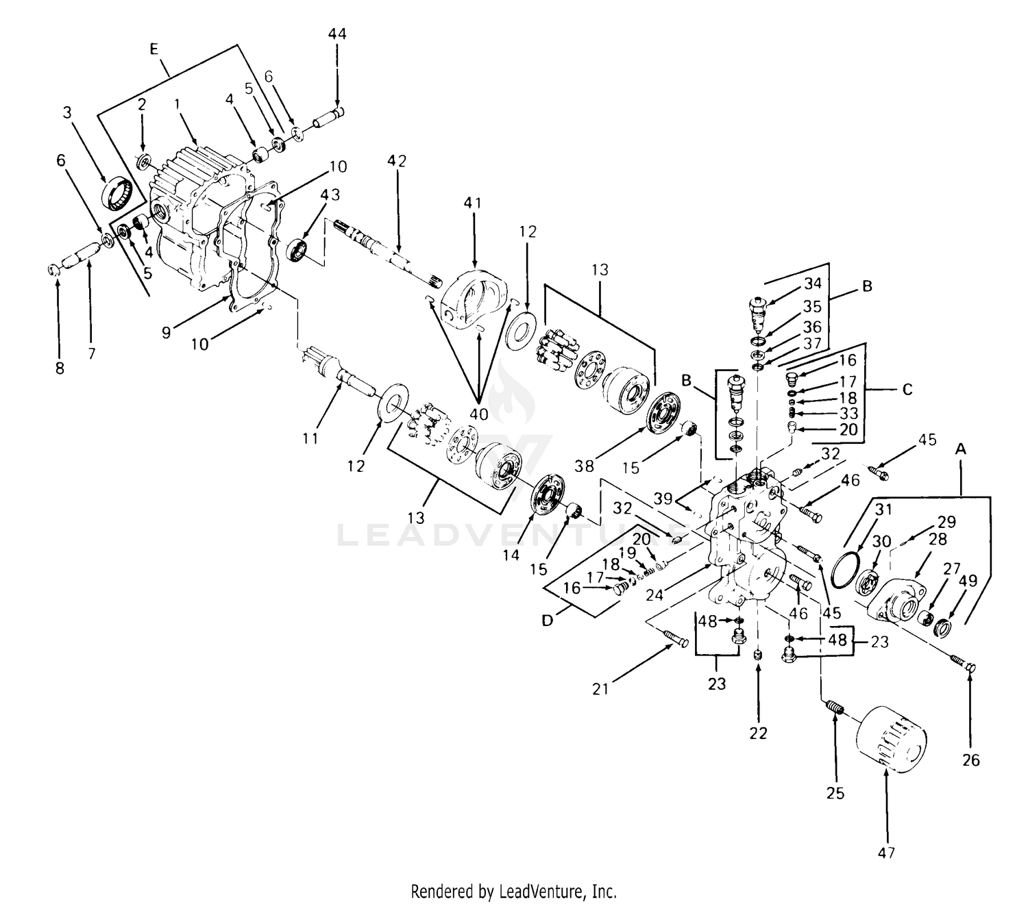
Hydrostatic Transmission - RH - 918-05129A | Cub Cadet US Hydrostatic Transmission - RH - 918-05129A | Cub Cadet US Hydrostatic Transmission - RH Item#: 918-05129A $930.79 Or $78/mo No interest if paid in full within 12 months2 Interest will be charged from the purchase date if the purchase balance is not paid in full at the end of the promotional period or if you make late payments. 882 - Cub Cadet Garden Tractor Hydrostatic Transmission ... Hydrostatic Transmission Parts Diagram Cub Cadet Part# 717-3033 Transmission Assy, Hydrostatic Drive Currently unavailable 1 Cub Cadet Part# SU-3103064 Housing Assy Not available Cub Cadet Part# SU-9007500-3722 Screw, 12 Point Not available 2 Part# Housing, Charge Pump - Not Serviced Separately Note: (Order Pump Kit SU-9510405-0003) Cub Cadet Hydrostatic Transmission Problems And Effective ... Warm your hydrostatic transmission drive system by driving the machine around for a while. It is to allow every settled contaminant to mix with the fluid and be ready for collection. Next is to position a container under the oil fill plug at the rear hitch. Take out the drain plug to allow the hydraulic oil to make its way into the container. How to Troubleshoot the Hydrostatic Transmission in a Cub ... Step 1 Set the front of the tractor against a stable post or wall that is in a fixed position. The object the tractor is leaning on must not move. Step 2 Jack up the tractor's rear. Both rear wheels must be one inch off the ground. Step 3 Put the drive control levers in neutral, disengage the parking brake, start the tractor and idle it high.

Cub Cadet Parts Diagrams, Cub Cadet 1450 ... - ccparts.com Buy Genuine OEM Cub Cadet parts for your Cub Cadet 1450 2050065U 2050660U and ship today! Huge in-stock inventory of OEM Cub Cadet parts. 149 (2050047U) - Cub Cadet Garden Tractor Hydrostatic ... Hydrostatic Transmission Parts Diagram Cub Cadet Part# 717-3033 Transmission Assy, Hydrostatic Drive Currently unavailable 1 Cub Cadet Part# IH-539600-R1 Housing Assy Currently unavailable Part# Screw, 1/4-20 X 7/8 Hex Hd Soc Cap Note: (Common Hardware, Purchase Locally) Not available 2 Cub Cadet Part# SU-9510405-0003 Housing, Charge Pump Cub Cadet Parts Diagrams, Cub Cadet 5252 ... - ccparts.com Cub Cadet Parts Diagrams, Cub Cadet 5252 Tractor 54AE52D-710 Air Intake Attachment Battery and Electrical Blower Housing and Baffles Controls Crankcase and Crankshaft Cylinder Head, Valves and Breather Dash Panel and Steering Wheel Deck Lift Engine and Drive Shaft Engine Controls Fender and Running Board Frame Front Axle Fuel System Fuel Tank Lawn Mower Belts and Snow Blower Belts | Cub Cadet US Riding Mower Hydrostatic Transmission Belt. Item#: 954-04207. $37.39 Quickview Riding Mower Hydrostatic Transmission Belt ... Lookup Parts via Diagram; Cub Cadet Gear; Extended Warranty; Independent Dealers. Find a Dealer; Dealer Delivery or Pick-Up; Become a Dealer ; Dealer Advantage; Right Parts Pledge; Customer Service (877) 428 2349; Track …

Cub Cadet 1340 140-631-100 141-631-100 Hydrostatic Transmission

Cub Cadet 1340 140-631-100 141-631-100 Hydrostatic Transmission

Cub Cadet Hydrostatic Transmission Won't Move? (Do This ... Crank the engine on your Cub Cadet mower and let it warm up a bit. A running engine is necessary to engage the pump on the hydrostatic transmission. Unless the engine is running, no hydraulic fluid circulates through the transmission. Step 3: Try the Transmission - Shift to Forward

782D HYDRO PROBLEM | IH Cub Cadet Tractor Forum

782D HYDRO PROBLEM | IH Cub Cadet Tractor Forum

Cub cadet hydrostatic transmission diagram Cub cadet hydrostatic transmission diagram was reported robust and item by item. Cub Cadet Hydrostatic Transmission Diagram If you're searching for cub cadet hydrostatic transmission diagram pictures information linked to the cub cadet hydrostatic transmission diagram keyword, you have pay a visit to the ideal blog.

MTD 132-700-000 Style 9 (1992) Parts Diagram for Hydrostatic ...

MTD 132-700-000 Style 9 (1992) Parts Diagram for Hydrostatic ...

Fix Cub Cadet Hydrostatic Transmission Problems Quickly ... Making Fully Engage Cub Cadet Hydrostatic Transmission When you are using a cub cadet 1045, you may feel your tractor is not engaging correctly. But the solution is so easy that you can not believe it. First, change the fluid that you are using now. Then remove the plastic plug from the cooling fan. Tip it over and drain it carefully.

How to Fill a Hydrostatic Transmission in a Lawn Tractor

How to Fill a Hydrostatic Transmission in a Lawn Tractor

Mtd Hydrostatic Transmission Manual, Cub Cadet Garden Tractor Mtd yardmachine hydrostatic transmission problems discussion in 'mtd' started by mowerguy, jun 1, 2011. Browse our inventory of new and used john deere z655 for sale near you at. Here's a rundown on newly designed lawn tractors from mtd, maker of cub cadet, tuff torq hydrostatic transmission, and manual.

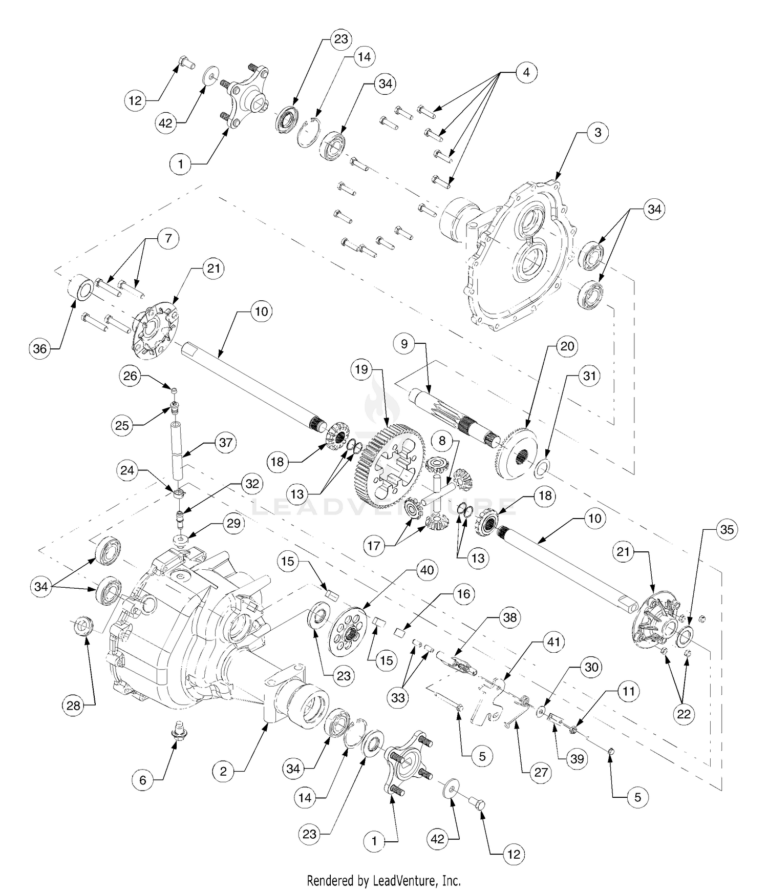
Cub Cadet Parts Diagrams, Cub Cadet 1572 S/N 756,300 ...

Cub Cadet Parts Diagrams, Cub Cadet 1572 S/N 756,300 ...

Cub Cadet LGT 1054 (13WK92AK010) - Cub Cadet 54" Lawn ... 54" Lawn Tractor Hydrostatic Transmission (Hydro-Gear 320-0610) Parts Diagram 1 Cub Cadet Part# HG-70467 Main Housing Assembly In Stock, only 2 left! $ 230.23 Add to Cart 0 1 Cub Cadet Part# n/a Main Housing, Machined Currently unavailable 1 Cub Cadet Part# n/a Bushing ,865 x 985 x .790 Currently unavailable 2 Cub Cadet Part# HG-70483

Cub Cadet 107 2050038U Hydrostatic Transmission | Shank's ...

Cub Cadet 107 2050038U Hydrostatic Transmission | Shank's ...

Hydrostatic Transmission leak - Only Cub Cadets! Hydrostatic Transmission leak Hydrostatic Transmission leak. Warhog. 8. ... could you post a link to the diagram please. it would make it a little easier to find. I cannot be of much help, but the link might be of benefit to the guys who can. ... Best thing to do is follow the instructions in a service manual for your model Cub Cadet.

Cub Cadet 125 Hydrostatic Transmission | Shank's Lawn Cub ...

Cub Cadet 125 Hydrostatic Transmission | Shank's Lawn Cub ...

Cub Cadet HYDRO TRANSMISSION (LH) 618P07468 Genuine Cub Cadet HYDRO TRANSMISSION (LH) | (See Separate Breakdown) 618P07468. Please verify the original Cub Cadet part number in your owner's manual or on the appropriate parts diagram of your model for correct location and fitment of this item. We are an Authorized Cub Cadet Dealer.

Hydrostatic Neutral Adjust

Hydrostatic Neutral Adjust

Cub Cadet LT1042, LT1046, LT1042, LT1045, LT1050 ... Cub Cadet LT1042, LT1046, LT1042, LT1045, LT1050 Hydrostatic Transmission, Changing the Deck Belt 1 40 Download 40 pages, 4.62 Mb < > 27 Hydrostatic Transmission Keep the area around the transmission cooling fan free of grass and debris at all times. The hydrostatic transmission is sealed at the factory and is maintenance free.

Cub Cadet 1450 2050065U 2050660U Hydrostatic Transmission

Cub Cadet 1450 2050065U 2050660U Hydrostatic Transmission

Hydro-Gear parts - Hydro-Gear transmission Parts, Diagrams ... Hydro-Gear® Transmissions and Pumps Hydro-Gear® Parts, Diagrams and Manuals. Hydro-Gear® transmissions are among the best selling and most popular in the US and worldwide because of their low price and high quality. We carry the complete line of genuine Hydro-Gear® parts, transaxles, transmissions and pumps.

Cub Cadet 1772 S/N 756,300 - 799,999 149-711-100 Hydrostatic ...

Cub Cadet 1772 S/N 756,300 - 799,999 149-711-100 Hydrostatic ...

Hydrostatic Transmission Ground Speed Adjustment - Cub Cadet Hydrostatic transmissions feature control rod linkage from the speed control lever (or foot pedal on some models) to the hydrostatic transmission. This control rod connects to the hydrostatic transmission at a regulator valve, which determines the rate of fluid flow through the transmission and the output speed to the wheels.

Cub Cadet 127 2050040U Hydrostatic Transmission | Shank's ...

Cub Cadet 127 2050040U Hydrostatic Transmission | Shank's ...

Cub Cadet Hydrostatic Transmission Oil Each individual transmission model requires specific fluid for proper operation. Please refer to the specific Cub Cadet product Operator's Manual for product specific information and lubrication requirements.

Cub Cadet Hydrostatic Transmission Problems And Effective ...

Cub Cadet Hydrostatic Transmission Problems And Effective ...

Hydrostatic Transmission - 918-04270B | Cub Cadet US Hydrostatic Transmission Item#: 918-04270B $898.47 Or $75/mo No interest if paid in full within 12 months2 Interest will be charged from the purchase date if the purchase balance is not paid in full at the end of the promotional period or if you make late payments. Advertised minimum payment is greater than required minimum payment. See details

CUB CADET 3000 SERIES SERVICE MANUAL Pdf Download | ManualsLib

CUB CADET 3000 SERIES SERVICE MANUAL Pdf Download | ManualsLib

Hydraulic / Transmission Fluid - 32 oz - 737-3025 - Cub Cadet Shop with Confidence. Avoid frustration when buying parts, attachments, and accessories with the Cub Cadet Right Part Pledge. If you purchase the wrong part from Cub Cadet or a Cub Cadet authorized online reseller, Cub Cadet, or your Cub Cadet authorized online reseller will work with you to identify the correct part for your equipment and initiate a free exchange.

Cub Cadet 105 Transmission Case, Diff Hydro Drive & Rel ...

Cub Cadet 105 Transmission Case, Diff Hydro Drive & Rel ...

Cub Cadet LTX 1046 (13WP91AT010) - Cub Cadet 46" Lawn ... 46" Lawn Tractor Transmission, Hydrostatic Parts Diagram 1 Cub Cadet Part# HG-70467 Assembly. Main Housing In Stock, only 2 left! $ 230.23 Add to Cart 0 1 Cub Cadet Part# n/a Housing. Main Currently unavailable 1 Cub Cadet Part# n/a Bushing .865 X . 985 X . 790 Currently unavailable 1 Cub Cadet Part# n/a Pin. Standard Headless

What do I have to do to put a new transmission drive belt on ...

What do I have to do to put a new transmission drive belt on ...

Cub Cadet 1811 (148-660-100) - Cub Cadet ... - PartsTree Hydrostatic Transmission diagram and repair parts lookup for Cub Cadet 1811 (148-660-100) - Cub Cadet Garden Tractor (SN: 756300 - 799999)

Cub Cadet Parts Diagrams, Cub Cadet 1572 S/N 756,300 ...

Cub Cadet Parts Diagrams, Cub Cadet 1572 S/N 756,300 ...

How to Change the Hydrostatic Fluid in a Cub Cadet Lawn ... International Cub Cadets manufactured in the 1970s with a hydrostatic transmission recommend only changing the transmission filter every 100 hours of use. Transmission fluid can gel in these older...

Riding Mower Hydrostatic Transmission Belt - Original Equipment Genuine  Part (OEM)

Riding Mower Hydrostatic Transmission Belt - Original Equipment Genuine Part (OEM)

Cub Cadet XT1-LT46 FAB Tractor (2015) 13WQA1CN010 (2015 ... Shop online for OEM Hydrostatic Transmission (Tuff-Torq 618-06972) parts that fit your Cub Cadet XT1-LT46 FAB Tractor (2015) 13WQA1CN010 (2015), search all our OEM Parts or call at 717-375-1021

Cub cadet LT1046 Manuals | ManualsLib

Cub cadet LT1046 Manuals | ManualsLib

Cub Cadet LT2042 Tractor 13A-286G710 Hydro Transmission

Cub Cadet LT2042 Tractor 13A-286G710 Hydro Transmission

Cub Cadet XT2-LX42 KH Tractor (2015) 13APA1CS010 (2015 ...

Cub Cadet XT2-LX42 KH Tractor (2015) 13APA1CS010 (2015 ...

Cub Cadet XT1-LT42 Tractor (2015) (Cub Cadet OHV) 13A8A1CS056 ...

Cub Cadet XT1-LT42 Tractor (2015) (Cub Cadet OHV) 13A8A1CS056 ...

Cub Cadet SLT1550 Tractor (2008 & after) 13AQ11BP010 ...

Cub Cadet SLT1550 Tractor (2008 & after) 13AQ11BP010 ...

Cub Cadet 149 2050047U 2050205U 2050206U 2050224U Hydrostatic ...

Cub Cadet 149 2050047U 2050205U 2050206U 2050224U Hydrostatic ...

Cub Cadet LGTX1054 Tractor (2014) 13YZ92AK010 (2014 ...

Cub Cadet LGTX1054 Tractor (2014) 13YZ92AK010 (2014 ...

Cub Cadet 1525 13A-221F100 Hydrostatic Transmission

Cub Cadet 1525 13A-221F100 Hydrostatic Transmission

How do I replace the drive belt on a cub cadet 1554 ...

How do I replace the drive belt on a cub cadet 1554 ...

Cub Cadet 5254 L (54AL542-710) - Cub Cadet Compact Tractor ...

Cub Cadet 5254 L (54AL542-710) - Cub Cadet Compact Tractor ...

Cub Cadet GT 3235 (14A-692-710) - Cub Cadet Garden Tractor ...

Cub Cadet GT 3235 (14A-692-710) - Cub Cadet Garden Tractor ...

A-1 Miller's - IH-Built Cub Cadet Creeper Drive Parts ...

A-1 Miller's - IH-Built Cub Cadet Creeper Drive Parts ...

1811 Hydro Problems... | IH Cub Cadet Tractor Forum

1811 Hydro Problems... | IH Cub Cadet Tractor Forum

SOLVED: A diagram of the transmission on a cub /zero - Fixya

SOLVED: A diagram of the transmission on a cub /zero - Fixya

Cub Cadet 1015, 1020 Owner's Manual | Manualzz

Cub Cadet 1015, 1020 Owner's Manual | Manualzz

Cub Cadet LT1042, LT1046, LT1042, LT1045, LT1050 Hydrostatic ...

Cub Cadet LT1042, LT1046, LT1042, LT1045, LT1050 Hydrostatic ...

3225 Hydraulics Problem - TractorByNet

3225 Hydraulics Problem - TractorByNet

Cub Cadet Parts Manual Series 1000 Hydrostatic Lawn Tractor ...

Cub Cadet Parts Manual Series 1000 Hydrostatic Lawn Tractor ...

CUB CADET SERIES 1500 1515 OPERATOR'S MANUAL Pdf Download ...

CUB CADET SERIES 1500 1515 OPERATOR'S MANUAL Pdf Download ...

Diagram(s) and/or PartsList(s)

Diagram(s) and/or PartsList(s)

Cub Cadet SLTX1050 Hydrostatic Lawn Tractor | Partswarehouse

Cub Cadet SLTX1050 Hydrostatic Lawn Tractor | Partswarehouse

Transmission Belt / Fan Replacement Cub Cadet LTX1045 : 9 ...

Transmission Belt / Fan Replacement Cub Cadet LTX1045 : 9 ...

Cub Cadet 1864 S/N 836,001 - 880,000 143-684-100 144-684-100 ...

Cub Cadet 1864 S/N 836,001 - 880,000 143-684-100 144-684-100 ...

MTD 137-776-190 LGT-1655 (1987) Parts Diagram for Hydrostatic ...

MTD 137-776-190 LGT-1655 (1987) Parts Diagram for Hydrostatic ...

0 Response to "41 cub cadet hydrostatic transmission diagram"

Post a Comment

Iklan Atas Artikel

Iklan Tengah Artikel 1

Iklan Tengah Artikel 2

Iklan Bawah Artikel