Iklan 300x250

42 john deere rx75 parts diagram

John Deere GX75 Lawn Mower Parts - Mutton Power John Deere GX75 Parts. The GX75 Rear Engine Riding Lawn Mower was produced from 1991-1996. Standard features included a 9 HP Kawasaki Engine, 5 speed gear transmission, Independent mid PTO, and a 30" mid mount mower deck. Regular Maintenance should be performed on the GX75 every 50 hours and should include Spark Plug, Air Filter, Oil Filter ... RX63 - MOWER, RIDING RX63, RX73, RX75, RX95 ... - avs.parts Diagram group RX63, RX73, RX75, RX95, SX75 and SX95 Riding Mowers John Deere : 20 ENGINE CCE. 30 FUEL AND AIR CCE. 40 ELECTRICAL CCE. 50 POWER TRAIN, STEERING AND BRAKES CCE. 80 WHEELS, NONPOWERED AXLES, SHEET METAL AND OPERATOR'S STATION CCE. 85 MOWER DECK CCE.

john deere 828d parts diagram | eurekaconsumer.com John deere snowblower parts diagram 1032 exchange Right... wordpress.com. Snowblower Parts. john deere 240 lawn tractor manual Click here and Download Our John Deere 1032D Wlak Behinf Snow Blower OEM Parts Manual.

John deere rx75 parts diagram

John deere rx75 parts diagram

John Deere - RX75 RIDING MOWER (9 HP ELECTRIC START) John Deere Parts Lookup -John Deere-RX75 RIDING MOWER (9 H.P. ELECTRIC START) -PC2106. ARIMain - Weingartz John Deere Parts Lookup -John Deere-SX95 RIDING MOWER (12.5 H.P. ELECTRIC START) -PC2106 ARIMain - John Deere Parts and John Deere Lawn Mower Parts john deere parts lookup. gx70-gx75-and-gx95-riding-mowers parts diagram. gx70 riding mower (9 h.p manual start) -pc2314; gx75 riding mower (9 h.p. electric start) -pc2314; gx95 riding mower (12.5 h.p. electric start) -pc2314; let us help you your account ...

John deere rx75 parts diagram. John Deere Model RX75 Rear Engine Rider Parts John Deere Grass Bagger Lower Discharge Chute - AM115972. (1) $219.95. Usually available from obsolete parts supplier - please allow 2 extra days for processing. Add to Cart. Amazon.com: john deere rx75 parts All States Ag Parts Parts A.S.A.P. Medium Back Seat Vinyl Yellow fits John Deere RX63 SX75 SX95 116 175 108 165 170 160 RX95 185 111 180 F510 130 RX75 RX73 TY15862 4.5 out of 5 stars 3 Save 10% John Deere Model SRX75 Rear Engine Rider Parts John Deere Complete High-Back Seat Assembly - AM144591 - See product detail for serial number range. (6) $178.34. Usually available. Add to Cart. Quick View. John Deere RX75 Lawn Mower Parts - Mutton Power John Deere RX75 Parts. The RX75 Rear Engine Riding Lawn Mower was produced from 1987-1990. Standard features included a 9 HP Kawasaki Engine, 7 speed variable transmission, Independent mid PTO, and a 30" mid mount mower deck. Regular Maintenance should be performed on the RX75 every 50 hours and should include Spark Plug, Air Filter, Oil Filter ...

John deere rx75 parts diagram by NellieSanford1825 - Issuu john deere rx75 parts diagram ppt Free access for john deere rx75 parts diagram ppt from our huge library or simply read online from your computer instantly. We have a large number of PDF, eBooks ... John Deere Parts Diagrams, John Deere SX85 Riding Mower ... John Deere Parts Diagrams, John Deere SX85 Riding Mower -PC2579 . Air Cleaner: FUEL & AIR. Anti-Scalp Gage Wheel Kit: MOWER DECK. Battery Charger Kit: ELECTRICAL. Battery: ELECTRICAL. Carburetor Engine MARKED 28M707-1147-E1: FUEL & AIR. Carburetor Engine Marked 28M707-1162-E1: FUEL & AIR. John Deere RX63, RX73, RX75, RX96, SX75, SX96 Diagnostic ... Factory Diagnostic and Repair Technical Manual TM1391 For John Deere RX63, RX73, RX75, RX96, SX75, SX96 Riding Mowers. Detailed step by step illustrations, instructions, diagrams for Systems Diagnosis, System Theory of Operation, Performance Testing, Tests and Adjustments, Operational Check, Operation, Unit Locations and Identification, Diagnostic Codes, Schematics and lot of other useful ... PDF John Deere Rx75 9hp Engine Manual - cars.statesman.com John Deere RX75 The John Deere RX75 is a riding lawn mower with small single cylinder Kawasaki FC290V vertical engine (286 cc, 17.45 cu-in) and gear type transmission (seven forward and one reverse gear). The John Deere RX75 lawn mower was produced from 1987 to 1990. John Deere RX75 riding lawn mower: review and specs ...

ARIMain - John Deere Parts and John Deere Lawn Mower Parts John Deere PARTS LOOKUP. SRX75-AND-SRX95-RIDING-MOWERS Parts Diagram. SRX75 RIDING MOWER (9 H.P ELECTRIC START) -PC2292; SRX95 RIDING MOWER (12.5 H.P. ELECTRIC START) -PC2292; Let Us Help You Your Account Quick Order Pad Shipping Rates and Policies Returns and Replacements ... In Stock. Make Offer - John Deere Leaping Deere decal fits ... Mar 09, 2022 · Features of the 62-in. The Jan 10, 2022 · Download Free John Deere 54 Inch Mower Deck Manual John Deere D170 54" Inch Mower Deck GY22229 G110 E180 LA150 190C S180. The mower deck features a 5/8-in. L110 deck belt diagram. Any ideas without buying a specialty tool?54-inch Mower Deck Parts for D170. John Deere Regeneration Problems - dugreen.de Power: 63 kW - 104 kW. Refer to Parts Catalog TP-5368 P/C John Deere 4239DL/TL if the generator set uses John Deere 4239TL engine. John deere 5100m. Email Seller Video Chat. John Deere Tractors 5045E, 5055E, 5065E & 5075E (FT4) workshop Diagnosis & Tests technical manual includes: * Numbered table of contents easy to use so that you. Rx75 John Deere Wiring Diagram Find parts for your john deere rx75 & rx95 main wiring harness and ignition switch: electrical with our free parts lookup tool! Search easy-to-use diagrams and. jd wiring diagram diagrams schematics and john deere pdf, john deere wiring diagram pdf voltage regulator diagrams hp at, john deere Apr 10, · well i got the key switch.

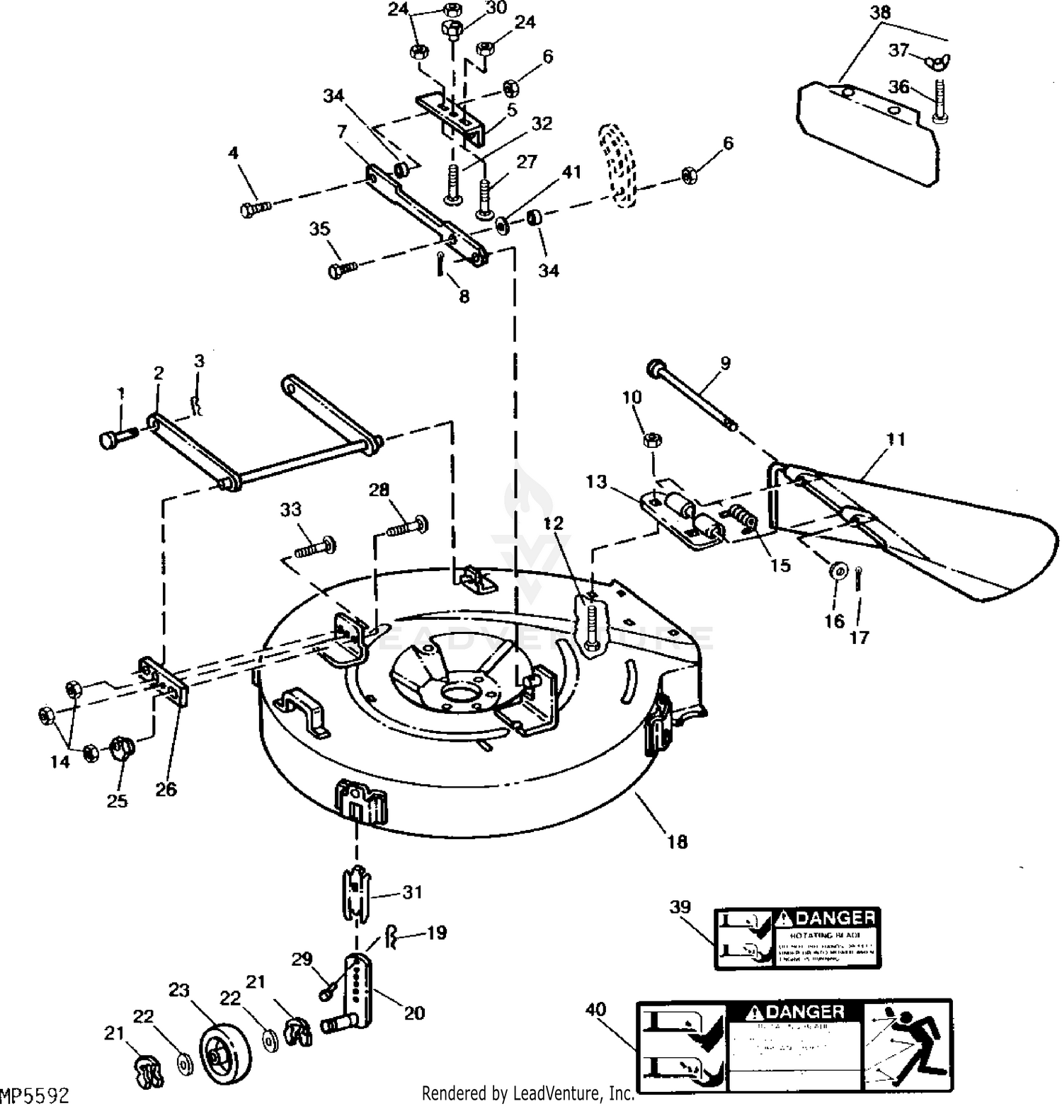
John Deere Parts Diagrams, John Deere RX75 RIDING MOWER (9 ...

John Deere Parts Diagrams, John Deere RX75 RIDING MOWER (9 ...

John Deere SX75 Lawn Mower Parts - Mutton Power John Deere SX75 Parts. The SX75 Rear Engine Riding Lawn Mower was produced from 1987-1990. Standard features included a 9 HP Kawasaki Engine, 1 gallon fuel capacity, 7 speed variable transmission, Independent mid PTO, and a 30" mid mount mower deck. Regular Maintenance should be performed on the SX95 every 50 hours and should include Spark Plug ...

John Deere RX75 RIDING MOWER (9 H.P. ELECTRIC START) -PC2106 ...

John Deere RX75 RIDING MOWER (9 H.P. ELECTRIC START) -PC2106 ...

Shop our selection of John-Deere RX75 Parts and Manuals Some of the parts available for your John Deere RX75 include Lawn and Garden and Specialty Belts, Seats | Cab Interiors, Sunbelt - Air Filters, Sunbelt - Belts, Sunbelt - Blades, Sunbelt - Electrical, Sunbelt - Fuel, Sunbelt - Rider and Walk-behind.

Pin on John Deere RX75

Pin on John Deere RX75

PDF 50 John Deere Engine Diagram - wenham.m.wickedlocal.com The Deck And Drive Belts On A John Deere RX75 Riding Mower with Taryl Nikki V Twin Carb Reassembled { Briggs and Stratton Intec} How ... 125REOZJF/G TP-6290 3/14g Service Parts John Deere 50 Tractor Service Manual - Jensales john deere model: model 50 series gas and lp ... Read Book 50 John Deere Engine Diagram Parts for John Deere 2850 (50 ...

1988 John Deere RX75 Rehab | My Tractor Forum

1988 John Deere RX75 Rehab | My Tractor Forum

John Deere RX95 Lawn Mower Parts - Mutton Power John Deere RX95 Parts. The RX95 Rear Engine Riding Lawn Mower was produced from 1987-1990. Standard features included a 12.5 HP Kawasaki Engine, 7 speed variable transmission, Independent mid PTO, and a 30" mid mount mower deck. Regular Maintenance should be performed on the RX95 every 50 hours and should include Spark Plug, Air Filter, Oil ...

John Deere Parts Diagrams, John Deere RX75 RIDING MOWER (9 ...

John Deere Parts Diagrams, John Deere RX75 RIDING MOWER (9 ...

ARIMain - Weingartz Find parts for your john deere variator,engine jacksheave,primary & secondary idlers and belts: power train,steering and brakes with our free parts lookup tool! Search easy-to-use diagrams and enjoy same-day shipping on standard John Deere parts orders.

John Deere SX75 Lawn Mower Parts

John Deere SX75 Lawn Mower Parts

John Deere RX75 Parts Diagrams - Jacks Small Engines John Deere RX75 Parts Diagrams. Parts Lookup - Enter a part number or partial description to search for parts within this model. There are (4) parts used by this model. 6 terminal, 3 position, 1 1/4" mounting stem, for Magneto Ignition. Sold in pairs but priced individually.

Husqvarna BUSHING IDLER 539130242 | Genuine Husqvarna Parts for less at  AHUPD com

Husqvarna BUSHING IDLER 539130242 | Genuine Husqvarna Parts for less at AHUPD com

Parts Catalog - John Deere No information is available for this page.

Service Mower

Service Mower

John Deere Parts Diagrams, John Deere RX75 RIDING MOWER (9 ... John Deere Parts Diagrams, John Deere RX75 RIDING MOWER (9 H.P. ELECTRIC START) -PC2106. AIR FILTER & MOUNTING PARTS: FUEL AND AIR. ANTI-SCALP GAGE WHEEL KIT: MOWER DECK.

John Deere RX75 Riding Mower Blade, Mulching (38

John Deere RX75 Riding Mower Blade, Mulching (38")

Parts & Services | John Deere US Search and buy parts for your John Deere equipment including ag parts, lawn mower parts, maintenance parts, and more. Search our parts catalog, ...

John Deere Parts Diagrams, John Deere 260, & 265 Lawn ...

John Deere Parts Diagrams, John Deere 260, & 265 Lawn ...

ARIMain - John Deere Parts and John Deere Lawn Mower Parts RX63-RX73-RX75-SX75-RX95-SX95-RIDING-MOWERS Parts Diagram

Deere rx75 will not go into reverse. All forward speeds work ...

Deere rx75 will not go into reverse. All forward speeds work ...

Rx75 John Deere Wiring Diagram - schematron.org Find parts for your john deere rx75 & rx95 main wiring harness and ignition switch: electrical with our free parts lookup tool! Search easy-to-use diagrams and. Here's the wiring diagram for the RX75/SX75 mowers: I have a John Deere RX75, I'm assuming electric start, he says that blows a fuse every.May 12, · I need a wiring diagram for Deere ...

John Deere RX75

John Deere RX75

John Deere Rx63 Rx73 Rx75 Sx75 Rx95 Sx95 Riding Mowers ... JOHN DEERE RX63 RX73 RX75 SX75 RX95 SX95 RIDING . JOHN DEERE RX63 RX73 RX75 SX75 RX95 SX95 RIDING MOWERS repair manual & service manual is in pdf format so it will work with computers including WIN, MAC etc.You can Easily view, Navigate, print, Zoom in/out as per your requirements. We accept Paypal and All Credit Cards.

JOHN DEERE RX75 RIDING MOWER Service Repair Manual by ...

JOHN DEERE RX75 RIDING MOWER Service Repair Manual by ...

John Deere Model RX75 Rear Engine Rider Parts, Page 2 John Deere Accessories and Other Parts; John Deere Attachments; John Deere Lawn and Garden Tractor Parts; John Deere Lawn Tractor Parts; John Deere Zero Turn Mower Parts; ... Model RX75; Model RX75. Products [59] Sort by: Previous Page 1 2. Quick View. John Deere Rear Wheel Cap - M78511 (1) $2.29. Usually available ...

MTD 12A-764M799 (247.889330) (2007) Parts Diagrams

MTD 12A-764M799 (247.889330) (2007) Parts Diagrams

John Deere SRX75 Lawn Mower Parts - Mutton Power John Deere SRX75 Parts. The SRX75 Rear Engine Riding Lawn Mower was produced from 1991-1996. Standard features included a 9 HP Kawasaki Engine, variable transmission, Independent mid PTO, and a 30" mid mount mower deck. Regular Maintenance should be performed on the SRX75 every 50 hours and should include Spark Plug, Air Filter, Oil Filter, and ...

1988 John Deere RX75 Rehab | My Tractor Forum

1988 John Deere RX75 Rehab | My Tractor Forum

Model RX75 - John Deere Rear Engine Rider Parts John Deere Model RX75 Rear Engine Rider Parts. ... John Deere Operators Manual - OMM79597 - See product detail for serial number range. Quick View.

John deere rx75 - YouTube

John deere rx75 - YouTube

ARIMain - Weingartz rx73,rx75,sx75 9hp engine & shortblock: engine RX75 & RX95 MAIN WIRING HARNESS AND IGNITION SWITCH: ELECTRICAL RX75 & SX75 FLYWHEEL AND SCREEN: ENGINE

GX75 need repair advice please | My Tractor Forum

GX75 need repair advice please | My Tractor Forum

ARIMain - John Deere Parts and John Deere Lawn Mower Parts john deere parts lookup. gx70-gx75-and-gx95-riding-mowers parts diagram. gx70 riding mower (9 h.p manual start) -pc2314; gx75 riding mower (9 h.p. electric start) -pc2314; gx95 riding mower (12.5 h.p. electric start) -pc2314; let us help you your account ...

John Deere RX75

John Deere RX75

ARIMain - Weingartz John Deere Parts Lookup -John Deere-SX95 RIDING MOWER (12.5 H.P. ELECTRIC START) -PC2106

John Deere RX75 Price, Specs, Review & Attachments 2021

John Deere RX75 Price, Specs, Review & Attachments 2021

John Deere - RX75 RIDING MOWER (9 HP ELECTRIC START) John Deere Parts Lookup -John Deere-RX75 RIDING MOWER (9 H.P. ELECTRIC START) -PC2106.

John Deere Parts Lookup -RX75 RIDING MOWER (9 H.P. ELECTRIC ...

John Deere Parts Lookup -RX75 RIDING MOWER (9 H.P. ELECTRIC ...

John Deere RX75 RIDING MOWER (9 H.P. ELECTRIC START) -PC2106 ...

John Deere RX75 RIDING MOWER (9 H.P. ELECTRIC START) -PC2106 ...

TractorData.com John Deere RX75 tractor information

TractorData.com John Deere RX75 tractor information

Carburetor Assembly Fit JOHN DEERE RX63 RX73 RX75 RX95 SX95 Riding Mowers  919229202570 | eBay

Carburetor Assembly Fit JOHN DEERE RX63 RX73 RX75 RX95 SX95 Riding Mowers 919229202570 | eBay

John Deere RX75 RIDING MOWER (9 H.P. ELECTRIC START) -PC2106 ...

John Deere RX75 RIDING MOWER (9 H.P. ELECTRIC START) -PC2106 ...

John Deere Parts Lookup -RX75 RIDING MOWER (9 H.P. ELECTRIC ...

John Deere Parts Lookup -RX75 RIDING MOWER (9 H.P. ELECTRIC ...

Service Mower

Service Mower

20 Most Recent John Deere Gx75 Rx75 Srx75 Sx75 130 9hp ...

20 Most Recent John Deere Gx75 Rx75 Srx75 Sx75 130 9hp ...

John Deere RX75 RIDING MOWER (9 H.P. ELECTRIC START) -PC2106 ...

John Deere RX75 RIDING MOWER (9 H.P. ELECTRIC START) -PC2106 ...

I need a wiring diagram for Deere RX75 ride mower k

I need a wiring diagram for Deere RX75 ride mower k

RX63 - MOWER, RIDING RX75 AND RX95 MAIN WIRING HARNESS AND ...

RX63 - MOWER, RIDING RX75 AND RX95 MAIN WIRING HARNESS AND ...

rx75 belt problem/diagram?

rx75 belt problem/diagram?

John Deere RX75

John Deere RX75

John Deere Parts Diagrams, John Deere RX75 RIDING MOWER (9 ...

John Deere Parts Diagrams, John Deere RX75 RIDING MOWER (9 ...

SOLVED: John Deere rx75 adjust belt tension - Fixya

SOLVED: John Deere rx75 adjust belt tension - Fixya

John Deere RX75 RIDING MOWER (9 H.P. ELECTRIC START) -PC2106 ...

John Deere RX75 RIDING MOWER (9 H.P. ELECTRIC START) -PC2106 ...

John Deere RX63 RX73 TX75 SX75 RX95 SX95 Repair Manual [Lawn ...

John Deere RX63 RX73 TX75 SX75 RX95 SX95 Repair Manual [Lawn ...

Mower Deck Drive Belt For GX, RX, SRX And SX Series Riding Lawn Mowers

Mower Deck Drive Belt For GX, RX, SRX And SX Series Riding Lawn Mowers

How do you replace a idler(V) pully on a deere rx75 lawnmower?

How do you replace a idler(V) pully on a deere rx75 lawnmower?

John Deere Parts Diagrams, John Deere RX75 RIDING MOWER (9 ...

John Deere Parts Diagrams, John Deere RX75 RIDING MOWER (9 ...

John Deere RX75 RIDING MOWER (9 H.P. ELECTRIC START) -PC2106 ...

John Deere RX75 RIDING MOWER (9 H.P. ELECTRIC START) -PC2106 ...

John Deere RX75

John Deere RX75

SOLVED: Install deck belt on a GX75 John Deere tractor - Fixya

SOLVED: Install deck belt on a GX75 John Deere tractor - Fixya

0 Response to "42 john deere rx75 parts diagram"

Post a Comment

Iklan Atas Artikel

Iklan Tengah Artikel 1

Iklan Tengah Artikel 2

Iklan Bawah Artikel