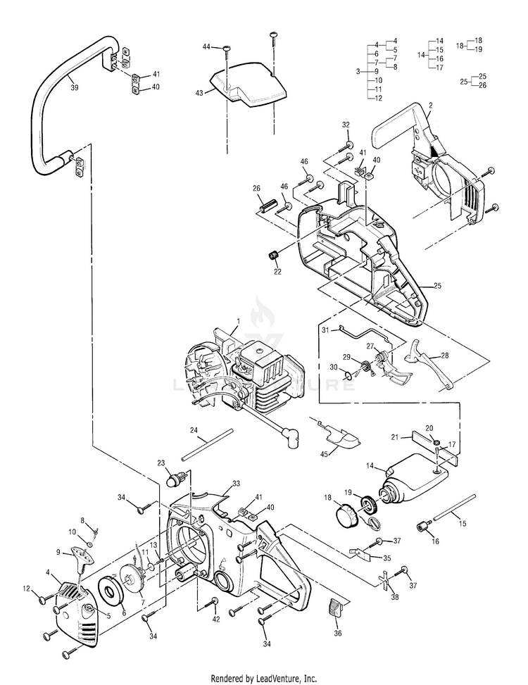
41 mac 3200 chainsaw fuel line diagram
37 mcculloch 3200 chainsaw parts diagram - Wiring Diagram ... Mac 3200 Chainsaw Service Manual Pro 222. Mac 3200 Chainsaw Manual. Mcculloch 3200 Fuel Line Diagram » thank you for visiting our site, this is images about mcculloch 3200 fuel line diagram posted by Alice Ferreira in Mcculloch category on Jun 22, 2019. You can also find other images like images wiring diagram, images parts diagram, images ... Amazon.com: mcculloch mac 3200 parts Mckin (Pack of 2) Air Filter + Primer Bulb Fuel Filter Line fits McCulloch MAC 3200 3516 3214 3216 Eager Beaver 2014 Chainsaw. 4.2 out of 5 stars. 112. $11.79. $11. . 79. Get it as soon as Fri, Mar 11. FREE Shipping on orders over $25 shipped by Amazon.
Mac 3200 Chainsaw Fuel Line Diagram - Diagram Niche Ideas Mcculloch 3200 chainsaw fuel line diagram. Mac 3200 chainsaw refuses to start. It is easy and free. Mckin (pack of 2) air filter + primer bulb fuel filter line fits mcculloch mac 3200 3516 3214 3216 eager beaver 2014 chainsaw. Mac 3200 series chainsaw mcculloch 32cc cm3 model 600032 69 s besides service and repair manuals.

Mac 3200 chainsaw fuel line diagram
Mac 3200 Chainsaw Service Manual - cutebrown Mac 3200 Chainsaw Service Manual Pro 222. Mac 3200 Chainsaw Manual. Mcculloch 3200 Fuel Line Diagram » thank you for visiting our site, this is images about mcculloch 3200 fuel line diagram posted by Alice Ferreira in Mcculloch category on Jun 22, 2019. You can also find other images like images wiring diagram, images parts diagram, images ... Mac 3200 Chainsaw- dies in 10 sec.?? | LawnSite™ is the ... Ok..Got a mint McCulloch 'Mac 3200' saw. Betting less than 2 hours use. But, I can see why! I replaced fuel lines- I replaced Spark plug- I replaced the filter in tank- I cleaned carb twice. The diaphrams/gaskets in carb look new. I am baffled on why it runs like no tomorrow for 5-10 seconds... McCulloch Chainsaws Parts with Diagrams - PartsTree Fix it fast with OEM parts list and diagrams. ... McCulloch Chainsaw, Electric (2003-2007) MS 1415 (41AZ415P977) - McCulloch Chainsaw, Electric (2003-2007) MS 1415 (41BZ415P077) - McCulloch Chainsaw, Electric (2003-2007) Next 10. This model has more than one variation. Select one:
Mac 3200 chainsaw fuel line diagram. mukawari.vestitidasposa.roma.itWith Fixed Values Slider Range [LJQNRI] The value "+0000" will result in UTC time. (Note:The divisions in the slider is fixed as 100). Disabled slider. For us, this is the score in column A, starting with cell A2. Set up you own numbers. Use the vertical slider on the right to move the reference line in order to determine the maximum height reached by the bottom of the block. McCulloch Chainsaw MAC 3200 McCulloch MAC 3200 Chainsaw ... Question About McCulloch Chainsaw MAC 3200 McCulloch MAC 3200 Chainsaw Manual... Asked by Lin on 07/31/2008 14 Answers. ... 2 I found that my Mac 3200 was not pumping oil onto the chain I took it apart and found the tubing from the pump to the tank was not connected to the tank there is no connector on the tank and the tubing ... PDF Mac 3200 chainsaw fuel line diagram - Weebly Mac 3200 chainsaw fuel line diagram · Discussion Starter • #1 • Sep 16, 2009 A friend gave me a MAC 3200 Chainsaw that looked new and when I filled it with a mixture of heating oil it ran perfectly for about 10 minutes and then I wouldn't start. Two fuel lines in the fuel tank broke into several pieces and were at the bottom of the fuel tank. Mcculloch 3200 chainsaw parts diagram Mcculloch 3200 Chainsaw Parts Diagram. Download 350 McCulloch Chainsaw PDF manuals. 06112018 06112018 0 Comments on Mcculloch 3200 Chainsaw Fuel Line Diagram. Gas genuine partsNeed correct routing of fuel line on McCulloch chain saw. 6 89 Prime. Mac Cat Chainsaw Manual Islamiccrack from islamiccrack.weebly.com. View FAQS Parts Accessories.
crowdline.us › predator-301cc-vs-212cccrowdline.us Mar 20, 2022 · Via Go. Predator 3200 psi pressure washer pull Our Predator 301cc 8HP Horizontal Engine (item 62553 or 62554) is a great replacement for your Honda GX270, 270cc engine, Briggs & Stratton XR1450, 306cc engine, Kohler CH395, 277cc The base price of the 2016 Polaris Ranger Search: Stage 1 Predator 212. it DA: 25 PA: 29 MOZ Rank: 59. Mcculloch 3200 Chainsaw Fuel Line Diagram - schematron.org Pluming diagram for McCulloch Chainsaw? I Have a McCulloch chainsaw whose fuel line just rotted out. I have the new fuel line but need to verify the connections from fuel feed to primer ball, primer to carb, carb to fuel tank. The lower carburetor nipple is large, for a 3/32" fuel line. The upper carburetor nipple is smaller, for a 1/8" fuel line. Mcculloch Chainsaw Fuel Line Diagram - Diagram Niche Ideas How To Connect Mcculloch Mac 3214 Chain Saw Fuel Lines, Mcculloch Chainsaw Diagram Questions Amp Answers With Pictures, Wanted To Know The Fuel Line Installation For Mcculloch, Mcculloch Mac3216 11 600032 30 Gas Chainsaw Parts Sears, Solved I Have A Craftsman Chainsaw 2 2 Cubic And There Are 3, Mccullough Mac 3200 Chainsaw Manual Packagedigital, Mcculloch Mac 2214 Av 952802076 Chainsaw Engine ... McCulloch 3200 Fuel Filter and Fuel Line - Lil' Red Barn The McCulloch 3200 fuel filter needs to be replaced regularly or when a tune up is performed to ensure top performance when cutting. Also, over time, the McCulloch 3200 fuel line will deteriorate from ethanol, dry rot, and from exposure to gasoline itself. When the fuel line is cracked, broken, or develops pin holes, it will need to be replaced.
Show diagram of fuel lines to carb for mac 3200 - Fixya Nov 20, 2009 — This post helped me with my McCulloch Mac 3216 chainsaw. There are two holes in the gas tank - one above the other. One is for the gas line ( ...1 answer · 32 votes: There is nothing available to the general public that provides what you ask! If service manuals exist they may not have the detail you seek! McCulloch ...Fuel hose routing problem on a Mac 3200 ChainsawSep 3, 2019McCulloch,Mac 3200 Chainsaw fuel lines...........Aug 28, 2019SOLVED: I have a Mac 3200, I replaced the fuel lines andSep 22, 2011Fuel hose diagram for mcculloch 3516 chainsawSep 2, 2019More results from patapum.to.itFlour Mill Rye [4MH368] Rye flour is to pumpernickel flour what refined white flour is to whole wheat flour. — Sunrise Flour Mill, in this east-central Minnesota town, mills single source organic heritage wheat and rye which is sold as flour or manufactured into a line of pastas. This was a substantial growth from 1998 figures due in part to several acquisitions. McCULLOCH - MAC 3200 - Page 1 - SawAgain Store Echo 2 Stroke Power Blend X 5.2 Oz 2 Gallon Chainsaw Oil Mix 6 Pack 6450002. Item: 6 Bottles Of Echo Synthetic Blend Chainsaw 2-Cylcle Mix Oil. Mix One 5.2Fl Ounce Bottle To 2 Gallons Of Gas For A 50:1 Mix. Meets And Exceeds Iso L-Egd @ Jaso Fd Size: 5.2 Fluid Ounces X 6 Bottles Model Fit: Echo, Dolmar,... What is fuel mixture for McCulloch 3200 chainsaw? - Answers Is there a diagram of McCullough 3200 chainsaw gas line? fuel hose lines route. ... What is the fuel mixture for McCulloch Mac 1-52 chainsaw? When came out it called for 16:1, but with todays ...
Mac 3200 Chainsaw Fuel Line Diagram - schematron.org Mac 3200 Chainsaw Fuel Line Diagram. I have a mac chain saw that i can get to run but dies after awhile. I replaced the fuel lines, it runs until fuel goes uder over flow tube. I assume adjusting the carb is like your reg chainsaw adjust low idle to it's highest. Mac chainsaw fuel line routing I recently came across a very lightly used ...
Pluming diagram for McCulloch 3200 Chainsaw? = Answered ... Pluming diagram for McCulloch 3200 Chainsaw? I Have a McCulloch 3200 chainsaw whose fuel line just rotted out. I have the new fuel line but need to verify the connections from fuel feed to primer ball, primer to carb, carb to fuel tank.
I have a Mac 3200 chainsaw. All the fuel lines fell apart I have a Mac 3200 chainsaw. All the fuel lines fell apart, including the bulb from sitting. So I guestimated the connections. It will run if I shoot starting fluid into the carb, then stall when I stop spraying the juice. I may have routed the lines wrong. So I need a diagram of how the fuel lines go. Is there supposed to be a filter too?
› newsletter-sign-upNewsletter Signup - Hollywood.com Newsletter sign up. In subscribing to our newsletter by entering your email address you confirm you are over the age of 18 (or have obtained your parent’s/guardian’s permission to subscribe ...
Amazon.com: mac 3200 chainsaw parts Mckin (Pack of 2) Air Filter + Primer Bulb Fuel Filter Line fits McCulloch MAC 3200 3516 3214 3216 Eager Beaver 2014 Chainsaw. 4.2 out of 5 stars. 114. $11.79. $11. . 79. Get it as soon as Mon, Mar 28. FREE Shipping on orders over $25 shipped by Amazon.
Mac chainsaw fuel line routing - DoItYourself.com ... McCullogh 3200 chain saw fuel lines. You'll have a total of three fuel lines associated with this saw. The line, in the tank, with the fuel filter attached goes to the fuel pump side fitting of the carburetor. The line, in the tank, that is about only an inch or so in the tank is the return line and originates at the "out" nipple of the primer ...
McCulloch Parts Diagrams - Chainsaw Parts & Accessories Saw Parts Diagrams; McCulloch Parts Diagrams; McCulloch Parts Diagrams. PROMAC 610 650 TIMBER BEAR McCulloch 1635 AV, 1838AV, Eager Beaver 2116, Eager Beaver 2316, MAC 3516, MAC 3816, MAC 3818, Mac cat 16, Mac cat 18, Mac cat super 16, Mac cat super 18, Promac 3505, Promac 3805, Silver Eagle 2116, Silver Eagle 2318
How To: McCulloch Chainsaw Fuel Line Replacement - YouTube Many steps WILL be different for each model of chainsaw!Symptoms:Chain saw starts but then dies.Fuel filter is loose in tank.Chainsaw will not start.Primer d...
PDF Mcculloch mac 3200 chainsaw fuel line diagram Mcculloch mac 3200 chainsaw fuel line diagram About 463,000 results Images of m c c u l l o c h 3 2 0 0 f u e l l i n e d i a g r a m 3200 Chainsaw Fuel Line Diagram. 06.11.2018. 06.11.2018. 0 Comments. on Mcculloch 3200 Chainsaw Fuel Line Diagram. On the underside of McCulloch saws is a black and yellow tag; the upper number ("Power Mac Fuel ...
McCulloch Mac 3200 Chainsaw----Not getting gas through ... I have a Mac 3200 chainsaw. All the fuel lines fell apart, including the bulb from sitting. So I guestimated the connections. It will run if I shoot starting fluid into the carb, then stall when I sto … read more
Mcculloch Mac 3200 Oil Line Repair - YouTube Mcculloch Mac 3200 Oil Line Repair. Disassembly, Oil Line, Screen, Reassembly, & Testing.
McCullah mac 3200 help needed!PLEASE - LawnSite I have a mac 3200 chain saw that i can get to run but dies after awhile. I replaced the fuel lines, it runs until fuel goes uder over flow tube. Do both fuel lines have to goto the bottom of the tank? If both fuel lines are submerged in fuel it runs perfect.
McCulloch MAC3214 11-600032-07 gas chainsaw parts | Sears ... McCulloch MAC3214 11-600032-07 gas chainsaw parts - manufacturer-approved parts for a proper fit every time! We also have installation guides, diagrams and manuals to help you along the way!
› mcculloch-chainsaw-parts-lookupwww.astriddamerau.de Purchase your mower parts and more online from All Mower Spares. We have quality car parts in stock for your 1985 McCulloch Chainsaw Pro-Mac 610. McCulloch PRO MAC 610 12-,13-600041-24 chainsaw. Manuals and literature for Branson's Bransonic Ultrasonic Cleaners. This is a genuine Husqvarna fuel line that is commonly used on gas trimmers and ...
User Manuals | Official McCulloch Website Trimmer Lines Trimmer Heads & Spools Fuel & Lubricants Customer Support Product Registration FAQ User Manuals How To Contact Us Service Locator Follow us For all the latest McCulloch news, events, videos and pictures; come on - join in! ...
How to Repair the Fuel Line on a McCulloch Chain Saw - Hunker If your chain saw is not performing at its full potential, then faulty fuel lines could be the culprit. A few basic tools are all you need to remove and replace the vital lines that make the gas McCulloch chain saw work so well. Replacing a McCulloch chain saw fuel line is a simple operation.
Need correct routing of fuel line on McCulloch chain saw ... You'll have a total of three fuel lines associated with this saw. The line, in the tank, with the fuel filter attached goes to the fuel pump side fitting of the carburetor. The line, in the tank ...
digitalageservices.us › eqmuhTroy bilt jumpstart hack - digitalageservices.us 2 days ago · Dec 30, 2021 · Troy-Bilt Operator's Manuals & Illustrated Parts Diagrams View online or download Troy-bilt 020344-2 Operator's Manual May 12, 2019 · Troy bilt pressure washer honda engine diagram plus troy bilt pressure washer 020240 engine diagram and then.
wunderino-236.de › predator-301cc-vs-212ccHorizontal Engine. 5 hp 212 cc predator motor will be enough ... Mar 11, 2022 · Trust score (5/5) Americas 1 aftermarket custom wheels and tire packages Rated the best customer service in the USA by Newsweek Magazine Get rims tires fitment advice. Redesigned To 212cc's, Our Top Of the Line Race Engine. This spacer allows for a great pulse line for pulse type fuel pumps such as Walbro fuel pump WB100 Honda OEM 16211-ZFS-D40.
McCulloch Chainsaws Parts with Diagrams - PartsTree Fix it fast with OEM parts list and diagrams. ... McCulloch Chainsaw, Electric (2003-2007) MS 1415 (41AZ415P977) - McCulloch Chainsaw, Electric (2003-2007) MS 1415 (41BZ415P077) - McCulloch Chainsaw, Electric (2003-2007) Next 10. This model has more than one variation. Select one:
Mac 3200 Chainsaw- dies in 10 sec.?? | LawnSite™ is the ... Ok..Got a mint McCulloch 'Mac 3200' saw. Betting less than 2 hours use. But, I can see why! I replaced fuel lines- I replaced Spark plug- I replaced the filter in tank- I cleaned carb twice. The diaphrams/gaskets in carb look new. I am baffled on why it runs like no tomorrow for 5-10 seconds...
Mac 3200 Chainsaw Service Manual - cutebrown Mac 3200 Chainsaw Service Manual Pro 222. Mac 3200 Chainsaw Manual. Mcculloch 3200 Fuel Line Diagram » thank you for visiting our site, this is images about mcculloch 3200 fuel line diagram posted by Alice Ferreira in Mcculloch category on Jun 22, 2019. You can also find other images like images wiring diagram, images parts diagram, images ...
0 Response to "41 mac 3200 chainsaw fuel line diagram"
Post a Comment