Iklan 300x250

40 murray drive belt diagram

How To Put A Belt On A Murray Riding Lawn Mower Diagram ... How to put a belt on a Murray riding lawn mower diagram? If there is any cracking and stretching, it will be convenient for you to protect the mower deck from belt breakage and damage. Therefore, only some basic hand tools are needed to exchange the transmission and mowing deck drive belts. Drive Belt Diagram Murray Riding Mower - Wiring Diagram Source Murray riding lawn mower. 1 product rating new drive deck belt murray 42 hydro riding mower 37x88 b1mu120 710213. Wiring Di...

Murray Drive Belt Diagram Manual - Free Wiring Diagram Murray lawn tractor instruction book. Thanks for watching comment rate and subscribe. Murray Inch Lawn Mower Blade Belt 97...

Murray drive belt diagram

Murray drive belt diagram

How To Replace The Motion Drive Belt; Installation - Murray ... Murray 387002x92A Manual Online: how to replace the motion drive belt, Installation. Removal 1. Remove The Mower Housing. See The Instructions On ''How To ... Murray 42 Deck Belt Diagram - Wiring Site Resource What is the belt diagram for a 42 inch murray riding mower. Skip to main content. Use our part lists interactive diagrams accessories and expert repair advice to Murray 42 Inch Riding Mower Drive Belt Diagram Inspirational Solved. Replacement Belt Fits Murray 37x75 37x75ma For 42 Deck Ebay. Murray Lawn Mower Drive Belt Diagram 42 Inch - Diagram Niche ... Please help i need a drive belt diagram for a murray lawn mower the belt size is 37x61. By lori10082011 [1 post, 1 comment]. Looks like a 2008 model. Wiring diagram machine new yard machine 42 inch riding mower bel. And look for the belt that fits the murray, yardman, lowes, toro, 42 deck. Harley Davidson Gas Golf Cart Wiring Diagram

Murray drive belt diagram. #5. Murray Scotts hydro drive belt diagram Installation, Repair and Replacement of Murray Scotts 46561X8 Hydro Drive Belts. Left-hand and right-hand are referenced from the point of view of The flat backside of the belt rides on flat idlers; the inside vee rides in v-idlers and pulleys. This tractor uses Murray belt 710531 (a.k.a. 37X61) which is... Murray 38 Inch Deck Belt Diagram - Atkinsjewelry Deck drive belt for murray 40 cut decks lt tractors built 1989 newer side discharge 12 x 86 38 murray 037x62ma 37x62. It features a high pe... SOLVED: Drive belt diagram for 42 Murray 14.5 HP - Fixya SOURCE: Drive belt diagram. If you have the Murray numbers, you should be able to go to and download the manual for it. They usually show the routing in the owners and/or parts section. Murray Riding Mower Belt Diagram Troubleshooting - HubPages I need drive belt diagram for Murray Rear Drive Riding Mower Model number 30550x92a. gepeTooRs on February 17, 2016: More of this please. I need a diagram for installing a drive belt on a riding mower a murray. tamron (author) on April 30, 2013: I provided the link in this article so that you could...

30 Murray Drive Belt Diagram - Wiring Diagram Database Drive belt on a murray wide body. The murray customer support portal is designed to help you answer any questions you may have about your murray push Need a diagram of the drive belt installation. Murray riding mower belt diagram troubleshooting updated 01152012 find out what causes riding... Murray Riding Lawn Mower Drive Belt Diagram | vincegray2014 Aug 12, 2021 · Murray Lawn Mower Drive Belt Diagram 46 Inch. Craftsman Riding Lawn Mower Drive Belt Diagram. Troy Bilt Riding Lawn Mower Drive Belt Diagram. Murray Riding Lawn Mower Parts Diagram. Murray Riding Mower Deck Belt Diagram. Troy Bilt 42 Riding Mower Drive Belt Diagram. Troy Bilt Riding Mower Drive Belt Diagram. Yard Machine Riding Lawn Mower Belt ... Murray Drive Belt Diagram Manual - Wiring Diagram Database Need a drive belt diagram for a murray lawn mower model 465306x8 please find attached a amateur drawing of the belt routing for the 37x89ma primary deck drive belt. Murray 425303x92b instruction book. I need a drive belt diagram for a murray 42702x4a ride on mower thanks. need diagram to install belt on Murray riding mower - iFixit Jun 13, 2013 · tw1276, you did not tell us if you are looking for the drive belt or the mower belt. Both images are attached. Hope this helps, good luck Mower diagram Drive Diagram - Murray Riding Mower

PDF Murray 46 drive belt diagram 2016:I need drive belt diagram for Murray Rear Drive Riding Mower Model number 30550x92agepeTooRs on February 17, 2016:More of this pleasedesi robinson on October 06, 2013:I need a diagram for installing a drive belt on a riding mower a murraytamron (author) on April 30... Murray Lawn Mower Belts Diagram Mar 28, 2019 · Watch on. need a drive belt diagram for a murray lawn mower model x8 Please find attached a "amateur" drawing of the belt routing for the 37x89MA primary deck. Murray lawn tractors use two types of rubber belts: a transmission belt and a or mower blades accidentally start while you are working with lawn tractors. Murray 465306x8 Drive Belt Diagram - schematron.org Aug 14, 2018 · Murray 465306x8 Drive Belt Diagram. Looking for support of your Murray mower or garden tools? the search window below to locate Operator's Manuals, Illustrated Parts Lists and Wiring Diagrams. James Reed, the belt part number is X61MA, it is a 37X61 V-belt. Diagram attached, hope this helps, good luck. Murray Lawn Mower Drive Belt Diagram 42 Inch - Diagram Niche ... Please help i need a drive belt diagram for a murray lawn mower the belt size is 37x61. By lori10082011 [1 post, 1 comment]. Looks like a 2008 model. Wiring diagram machine new yard machine 42 inch riding mower bel. And look for the belt that fits the murray, yardman, lowes, toro, 42 deck. Harley Davidson Gas Golf Cart Wiring Diagram

Murray Riding Lawn Mower - Model 13AM77LS058 | MTD Parts

Murray Riding Lawn Mower - Model 13AM77LS058 | MTD Parts

Murray 42 Deck Belt Diagram - Wiring Site Resource What is the belt diagram for a 42 inch murray riding mower. Skip to main content. Use our part lists interactive diagrams accessories and expert repair advice to Murray 42 Inch Riding Mower Drive Belt Diagram Inspirational Solved. Replacement Belt Fits Murray 37x75 37x75ma For 42 Deck Ebay.

Fußstützen, Stoßstange | Baugruppen Aufbau/Fahrgestell | BAJA ...

Fußstützen, Stoßstange | Baugruppen Aufbau/Fahrgestell | BAJA ...

How To Replace The Motion Drive Belt; Installation - Murray ... Murray 387002x92A Manual Online: how to replace the motion drive belt, Installation. Removal 1. Remove The Mower Housing. See The Instructions On ''How To ...

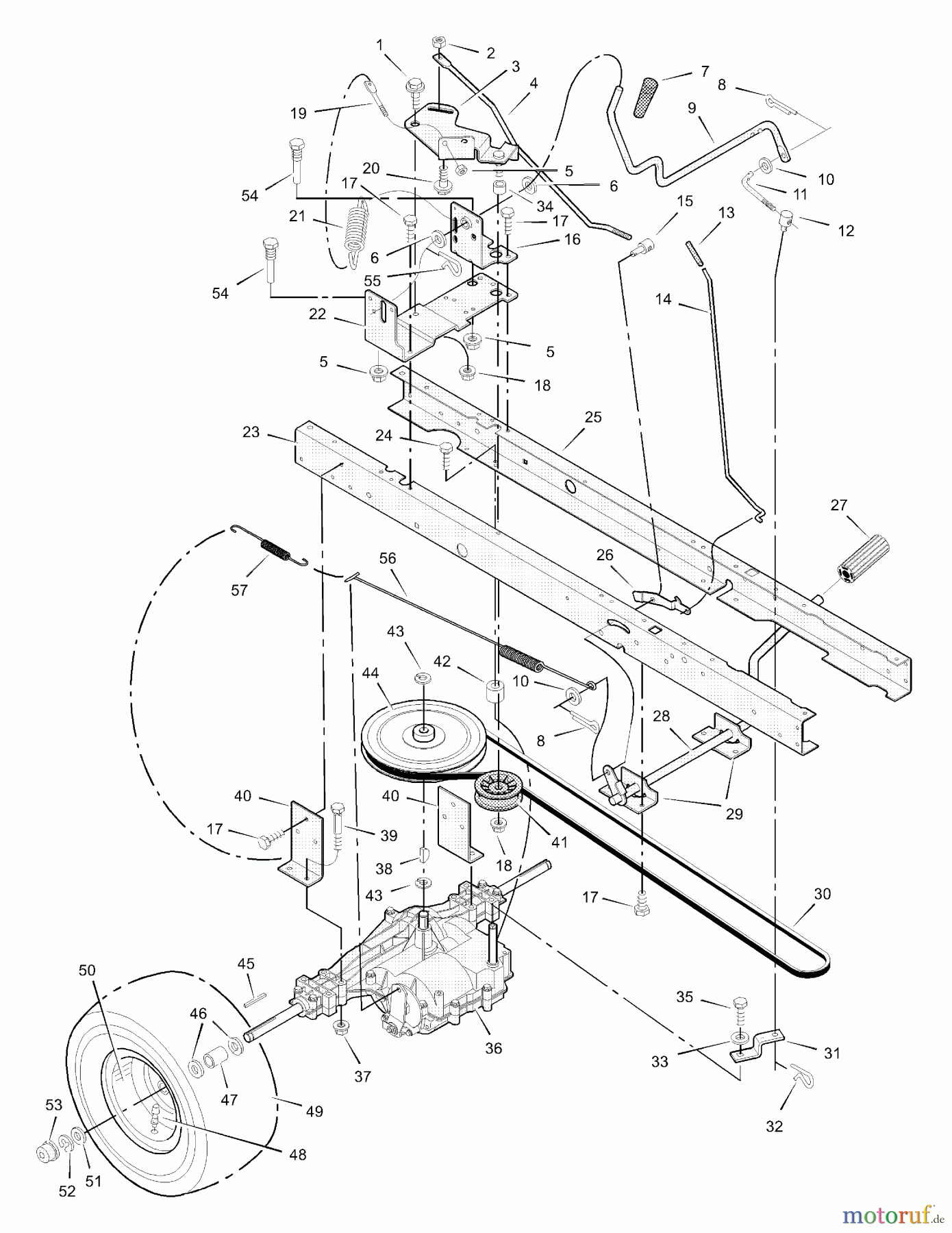
Murray 46577x6A - Ultra 46 Lawn Tractor (1999) Motion Drive ...

Murray 46577x6A - Ultra 46 Lawn Tractor (1999) Motion Drive ...

Page 30 of Murray Lawn Mower 425007x92C User Guide ...

Page 30 of Murray Lawn Mower 425007x92C User Guide ...

Briggs & Stratton Genuine Blade Drive Belt (Deck) 42'' Hydro Tactor 037X88MA

Briggs & Stratton Genuine Blade Drive Belt (Deck) 42'' Hydro Tactor 037X88MA

murray 42 Questions & Answers (with Pictures) - Fixya

murray 42 Questions & Answers (with Pictures) - Fixya

Murray 40 in. Tractor Deck Belt HD37X62

Murray 40 in. Tractor Deck Belt HD37X62

I have a Murray 42

I have a Murray 42" riding mower. Model #425303X92A with a ...

8TEN Drive Belt for AYP Murray 710531 583010501 532163817 8196A99 8196B89  42590C 42590x92A CT46185A 037X61MA

8TEN Drive Belt for AYP Murray 710531 583010501 532163817 8196A99 8196B89 42590C 42590x92A CT46185A 037X61MA

Murray motion drive by crigby

Murray motion drive by crigby

Murray 40507x31A - Scotts 40 Lawn Tractor (2000) (Home Depot ...

Murray 40507x31A - Scotts 40 Lawn Tractor (2000) (Home Depot ...

T4 Exzenterscheibe Querlenker 14mm vorne Volkswagen ...

T4 Exzenterscheibe Querlenker 14mm vorne Volkswagen ...

74. Cover plate - GEO ATV LSD, 8,23 €

74. Cover plate - GEO ATV LSD, 8,23 €

Murray 425303X92A front-engine lawn tractor parts | Sears ...

Murray 425303X92A front-engine lawn tractor parts | Sears ...

IDLER PULLEY-B'SIDE

IDLER PULLEY-B'SIDE

Murray 42560x92A - Lawn Tractor (1997) Parts Diagrams

Murray 42560x92A - Lawn Tractor (1997) Parts Diagrams

SOLVED: 30

SOLVED: 30" Murray riding mower drive belt diagram - Fixya

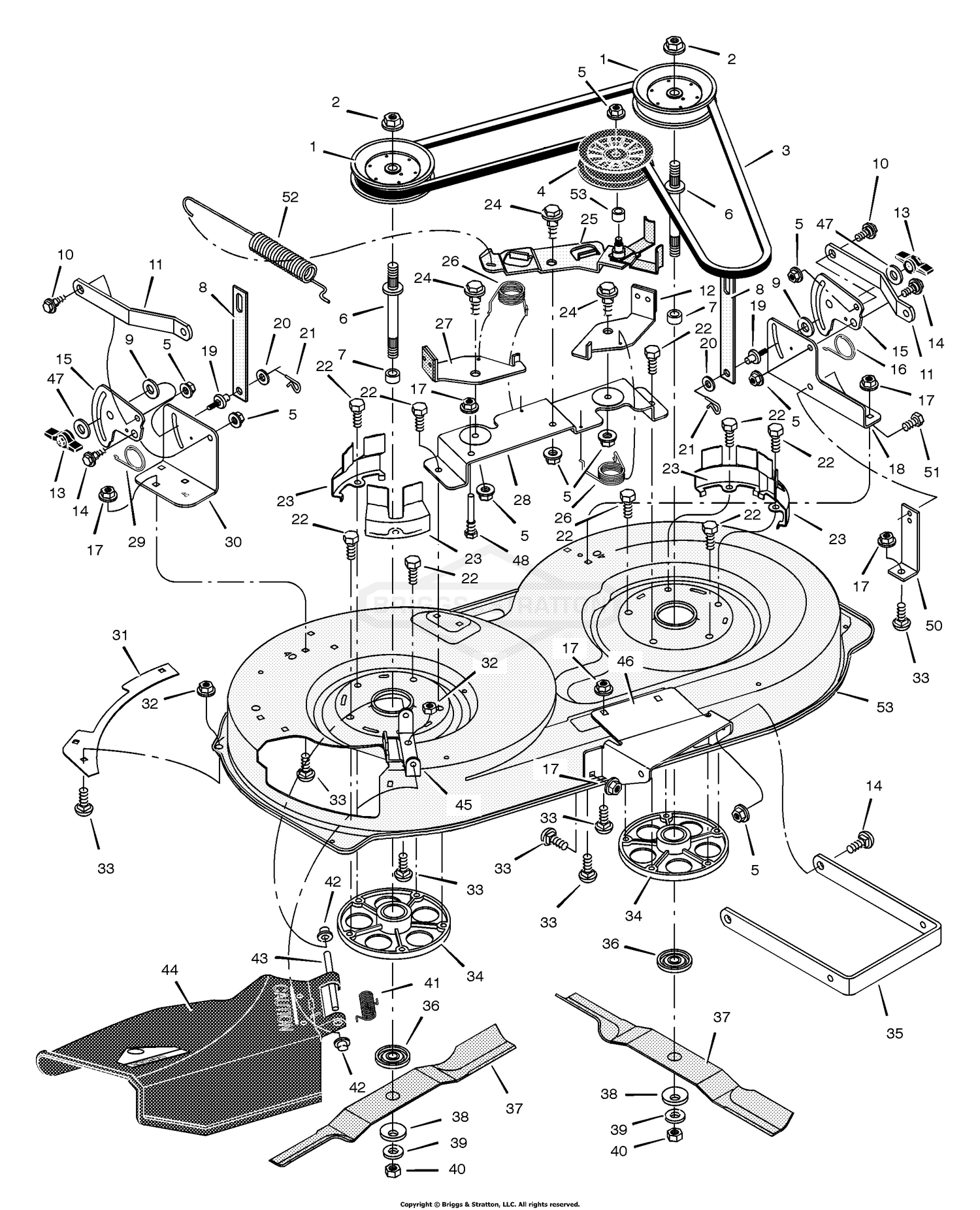
MURRAY 40508X92H RIDING MOWER ILLUSTRATED PARTS LIST | Manualzz

MURRAY 40508X92H RIDING MOWER ILLUSTRATED PARTS LIST | Manualzz

MTD 13AN772S058 (2013) M175-42 (2013) Parts Diagram for Mower ...

MTD 13AN772S058 (2013) M175-42 (2013) Parts Diagram for Mower ...

belt diagram for Murray - Murray Riding Mower - iFixit

belt diagram for Murray - Murray Riding Mower - iFixit

M 115-38 (13AC77LF058) - Murray Lawn Tractor (2017) Parts ...

M 115-38 (13AC77LF058) - Murray Lawn Tractor (2017) Parts ...

Schneidwerkzeug - Mähdeck für Murray TYP 40371X50A - KRAMP

Schneidwerkzeug - Mähdeck für Murray TYP 40371X50A - KRAMP

MOTION DRIVE V BELT 37X87 037X87MA MURRAY MOWER FIT ++ ...

MOTION DRIVE V BELT 37X87 037X87MA MURRAY MOWER FIT ++ ...

1695810 Murray - 46

1695810 Murray - 46" Mower Deck - PartsWarehouse

Murray 387002x92A - Lawn Tractor (2004) Parts Diagrams

Murray 387002x92A - Lawn Tractor (2004) Parts Diagrams

SOLVED: Belt routing diagrams for Murray Select 46 inch - Fixya

SOLVED: Belt routing diagrams for Murray Select 46 inch - Fixya

Trying to verify Model number of Murray Widebody Select 40 ...

Trying to verify Model number of Murray Widebody Select 40 ...

SOLVED: Need a diagram of the drive belt installation ...

SOLVED: Need a diagram of the drive belt installation ...

Need a hand identifying the model number of this Murray 46 ...

Need a hand identifying the model number of this Murray 46 ...

Transmission Drive Belt Murray / Snapper ELT2346AWS LT23460AWS 37X106MA,  37x106

Transmission Drive Belt Murray / Snapper ELT2346AWS LT23460AWS 37X106MA, 37x106

Repair Tip

Repair Tip "Mower belt diagrams 4" - Fixya

Murray decks by crigby

Murray decks by crigby

Murray M22450 - 96114002500, 22

Murray M22450 - 96114002500, 22" Murray Walk Behind Mower ...

Murray 42531x8A - Lawn Tractor (1997) Parts Diagram for ...

Murray 42531x8A - Lawn Tractor (1997) Parts Diagram for ...

Murray 38

Murray 38", 40", 42" Deck | Small Engine Equipment Parts

Murray Rider Mower Deck Belt – 42

Murray Rider Mower Deck Belt – 42

Murray Lawn Mower 309007x8B User manual | Manualzz

Murray Lawn Mower 309007x8B User manual | Manualzz

Briggs & Stratton Yard Power (formerly Murray)_ ...

Briggs & Stratton Yard Power (formerly Murray)_ ...

Murray Riding Lawn Mower - Model 13B326JC758 | MTD Parts

Murray Riding Lawn Mower - Model 13B326JC758 | MTD Parts

Wheel CARLISLE full 8x3.00-4 pre-assembled GIANNI FERRARI plate 126 SA

Wheel CARLISLE full 8x3.00-4 pre-assembled GIANNI FERRARI plate 126 SA

0 Response to "40 murray drive belt diagram"

Post a Comment

Iklan Atas Artikel

Iklan Tengah Artikel 1

Iklan Tengah Artikel 2

Iklan Bawah Artikel