Iklan 300x250

40 bobcat zero turn drive belt diagram

Toro zero turn clicks but wont start - silverhookstudiosinc.us 28/03/2022 · Toro zero turn clicks but wont start. email protected] ZT2000 Zero-Turn Mower - Bobcat Company Purchase a new Bobcat zero-turn mower from participating dealers and receive 0% financing for up to 48 months**. The offer starts 01/01/2022 and ends 03/31/2022. View Details. The ZT2000 zero-turn mower features ergonomic controls, a Kawasaki® FR series engine, powerful 7 mph cutting speeds, the TufDeck cutting system and more. Download Brochure.

Saved. #2. Ariens Electric PTO Clutch. Cub Cadet LT1045 ... Cub cadet slt 1554 lawn tractor cub cadet slt 1550 lawn tractor cub cadet lt 1050 lawn brakes and brake adjustment: Also fits cub cadet i series zero turn tracts. The Cub Cadet XT1 LT42e runs off a lithium-ion 56-volt Max-60 Ah-3000 Wh battery with a run time of about 1.

Bobcat zero turn drive belt diagram

Bobcat zero turn drive belt diagram

Bobcat Genuine Parts Catalog - Official Bobcat Company site Bobcat Company is a member of the Doosan Group. Doosan is a global leader in construction, grounds maintenance and material handling equipment, power and water solutions, and engineering that has proudly served customers and communities for more than a century. Bobcat®, the Bobcat logo, the colors of the Bobcat machine, and various other ... Bobcat Zero-Turn Mowers - Bobcat Company Bobcat offers five different platforms of zero-turn ride-on and stand-on mowers, with a wide range of deck and engine sizes to suit your need. Every single model offers the toughness you expect from the Bobcat brand, and all are backed by an industry-leading warranty. Belt Diagram Lookup - Exmark Belt Diagram Lookup 2022 2021 2020 2019 2018 2017 2016 2015 2014 2013 2012 2011 2010 2009 2008 2007 2006 2005 2004 2003 2002 2001 2000 1999 1998 1997 1996 1995 Select a product type Walk-Behind Zero-Turn Stand-On Rear Discharge Electronic Fuel Injection (EFI) RED On-Board Intelligence Suspension Platform Utility Vehicles

Bobcat zero turn drive belt diagram. Bobcat Zt225 Wiring Diagram - schematron.org Found on Diagram: Kohler Wire Harness. Search easy-to-use diagrams and enjoy same-day shipping on standard Schiller Grounds All Models For F ZT 25HP KAW W/52 SIDE DISCHARGE. F ZT 25HP KAWASAKI WIRE HARNESS S-Foot Plate (Bobcat). ZT 25HP KAW W/61 SIDE DISCHARGE. E Do not sandblast, wire brush or otherwise attempt to repair a plug in poor condition. PDF Bobcat Zero Turn Drive Belt Diagram Bobcat Zero Turn Drive Belt Diagram Bobcat Genuine Parts Catalog - Official Bobcat Company site April 17th, 2019 - Bobcat is a Doosan company Doosan is a global leader in construction equipment power and water solutions engines and engineering proudly serving customers and communities for How to Change a Bobcat Lawnmower Deck Belt | Home Guides ... The cutting deck belt on a Bobcat riding lawnmower is easily accessible, but it is important to take a picture or draw a diagram of the belt routing to use as a reference when installing a new... PDF Bobcat Zero Turn Drive Belt Diagram - blog.ufaber.com APRIL 12TH, 2018 - DISCOUNT ONLINE PARTS OFFERS GREAT HIGH QUALITY PRODUCTS CHEAP AND QUALITY THE PARTS INCLUDE BOBCAT DRIVE BELTS''EBOOK PLESETSK PDF http ebook plesetsk org April 22nd, 2018 - free download bobcat zero turn lawn mower drive belt diagram List of Other eBook Home Freightliner Cascadia Repair Service Manuals Freiheitsgrade Zur Differenzierung Praktischer Freiheit'

Home - Bobcat Mowers Australia with a Bobcat zero turn Mower. From its tough and well-designed mower decks to its even clipping dispersal and remarkable deck cleanliness, these zero turn lawn mowers are made to turn heads. WANT TO KNOW MORE? Buying a zero turn lawn mower is an investment. Every property is unique, so our product specialists want to help you make the right ... Diagram Belt Decal | 4171663 | Bobcat Company Diagram Belt Decal located under the seat plate of the Zero Turn Mower. Parts can vary depending on your serial number. Use the Serial Number Parts Finder above or check the Bobcat Online Parts Catalog to ensure the correct part for your equipment. [Explained] Bobcat Mower Drive Belt Diagram+ How To Guide Looking at the diagram, you can see tons of alphabets with parts of the bobcat mower drive belt. Starting from the (A) part, that indicates 36" Engine or Deck Belt. And then, you'll find the (B) part which refers to the 48" Deck Drive Belt. There's also the (C) figure that points to the Flanged Idler Pulley and Bobcat mower have only 2 of it. Ice Bear ''Q6'' 150cc FULL SIZE ... - Bobcat's Motorsports Ice Bear "Q6" 150cc FULL SIZE Motor Trike Scooter PST150-17 comes with Windshield, 14" Big Tire, LED Lights. Free shipping to your door. Free DOT approved scooter helmet, free 1 year bumper to bumper warranty.

PDF Bobcat Zero Turn Drive Belt Diagram bobcat zero turn mower drive belt diagram lawn item sold used mowers for sale reviews bobcat zero turn mower power lawn accessories problems parts, seats inc charcoal gray seat bunton bobcat dixie snapper toro exmark zero turn mower jv 4 1 out of 5 stars 9 199 95 199 95 free shipping the rop shop new pto clutch switch How to replace the ground drive belt on a zero-turn riding ... This step-by-step repair guide gives instructions for replacing the ground drive belt on a zero-turn riding mower. The ground drive belt connects the engine crankshaft to the transaxle pulleys to drive the mower wheels. If the ground drive belt is worn or broken, the mower moves sluggishly or won't move at all. Bobcat zero turn drive belt diagram Bobcat Zero Turn Drive Belt Diagram. Jacks is your place. Bobcat Zero Turn Mower Repair Manual 942233a PDF file for free Get many PDF Ebooks from our online library related with. Every single model offers the toughness you expect from the Bobcat brand and all are backed by an industry-leading warranty. Bobcat is a Doosan company. pirnaer-osterzauber.de Contact your dealer or the engine manufacturer. . Drive Belt for Toro WPM (All models 2002-2008) Model# 38992 (69) $ 15 44. Availability: If in stock ships same day, ordered stock up to 4 day delay. eXmark Zero Turn Lawn Mower 130-6976 V-Belt New OEM. Scag Blade Drive Belt (RH) 52 inch 48285. Overview; Specifications; Reviews; Contact Us.

Bunton, Bobcat, Ryan 942300 - ZT 331 Zero Turn Riding Mower ...

Bunton, Bobcat, Ryan 942300 - ZT 331 Zero Turn Riding Mower ...

Zero turn steering problems - burgcafe-restaurant.de 22/03/2022 · Zero-Turn Mowers: Purge Your Hydraulic Drive System Zero turn hydrostatic transmission problems can start with air in the system, a condition known as cavitation. 19 Mei 2014 Exmark is recalling Exmark Quest ZTR due to issues with the mower's steering assembly.

Preview UNDERCARRIAGE LOWER FRAME

Preview UNDERCARRIAGE LOWER FRAME

Bunton Mower Parts Diagram - schematron.org Bunton zero-turn riding mowers and walk-behind mowers are known for their rugged Parts Lookup - To browse an online parts listing for Bunton, click here. Oregon Bunton Bunton 48", 52", 61" Hydro & Belt Drive Walk Behind Mowers Exploded View parts lookup by model.

Exmark Quest Hydro Drive Belt | LawnSite™ is the largest and ...

Exmark Quest Hydro Drive Belt | LawnSite™ is the largest and ...

Bobcat Hydraulic Drive Belt Replacement - YouTube We replace the hydraulic drive belt to improve the Bobcat's performance, and to stop it from throwing codes.Become a Fellow Farmer! ...

Gebruikt BILLY GOAT Grasmaaiers Te Koop - 5 Advertenties ...

Gebruikt BILLY GOAT Grasmaaiers Te Koop - 5 Advertenties ...

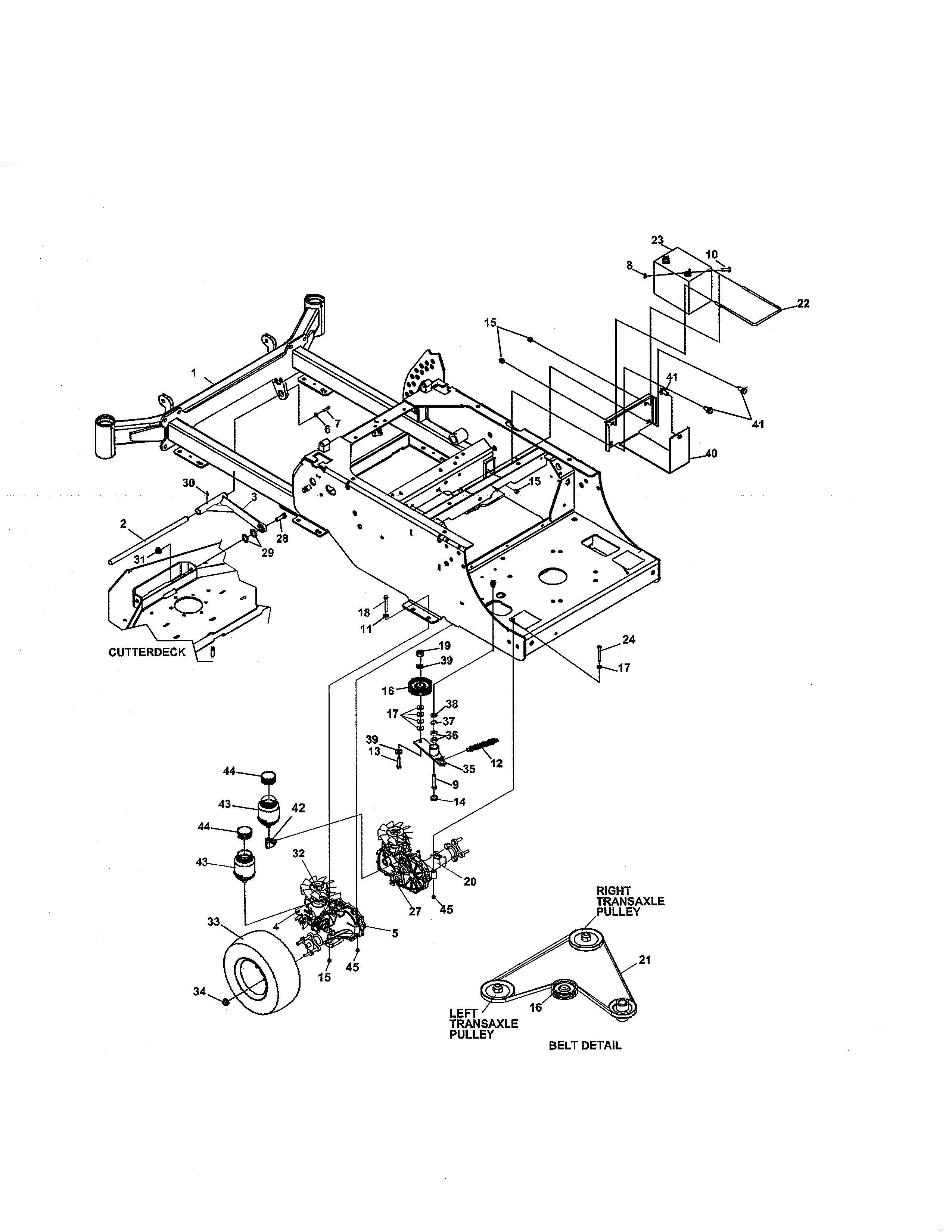
942221A - ZT 219 19HP KAW W/52 Side Discharge Page 1 of ... BELT-PTO 54 (USE ON 52" SD DECK). 1. 3. 128003. BELT-CUTTERDECK 61 ... Page 6 of 41. Brake Assembly ... S-FOOT PLATE (BOBCAT) (INCLUDES 4-7, 9 &.41 pages

How to Change a Lawn Mower Hydro Belt | Gravely

How to Change a Lawn Mower Hydro Belt | Gravely

Bobcat Ransomes Belt Sizes - Outdoor Belt Info Belt sizes for Bobcat Ransomes lawn and garden belts. Application, parts number, and belt sizes available. ... Drive Belt gear box(5/8"x21") TR12B 108024 High speed reel(5/8"x46") TR12B 108025 ... Bobcat/Ransomes Zero Turn Belts Model: OEM Part: Application - Dimensions: ZT-1800 94144

Catch Pro Bobcat CRZ Aluminium Grass Catcher Bundle For Ride On Lawn Mowers  (CATCHER ONLY)

Catch Pro Bobcat CRZ Aluminium Grass Catcher Bundle For Ride On Lawn Mowers (CATCHER ONLY)

Bobcat Belts - Belts - Exact Replacement Bobcat Belts - Exact Replacement. Look below to find your original Bobcat Commercial Lawn Mower Belt part number to get your replacement belt. We've been selling lawn mower parts and small engine parts online since 1997, so when you need replacement Bobcat Riding Lawn Mower Belts, just go to Jack's!

BUnTOn 48

BUnTOn 48", 52" & 61" hYDRO & BELT DRIvE WALK BEhInD MOWER ...

Commercial Zero Turn, Walk Behind Mowers - Exmark See why lawncare pros trust Exmark commercial zero-turn mowers 2-to-1 over the next best-selling brand of zero-turn mowers. Exmark mowers: Built for dependable, long-lasting service.

Bobcat ZT7000 Zero Turn Mower » OMC Power Equipment

Bobcat ZT7000 Zero Turn Mower » OMC Power Equipment

PDF Bobcat zero turn mower parts diagram The cutting deck belt on a bobcat riding lawnmower is easily accessible but it is important to take a picture or draw a diagram of the belt routing to use as a reference when installing a new belt. Bobcat wheel drive belt cogged 32 48 walk behinds. Bunton wheel belt fits 32. Zero turn drive belt diagram wiring and es.

Bob-Cat Zero-Turn Mowers | Your Tennessee Dealer Dickens Turf ...

Bob-Cat Zero-Turn Mowers | Your Tennessee Dealer Dickens Turf ...

PDF 942211A - 218ES 18HP B&S W/52 Side ... - Lawnmower Pros 942211a - 218es 18hp b&s w/52 side discharge page 2 of 38 52" side discharge ref # part number qty description 1 4118614 1 s-52inch deck w/labels 2 2722574.2 1 cover-belt rh 3 2722575.2 1 cover-belt lh 4 38524 2 knob-4 prong 3/8-16 5 32723.2 1 chute-discharge 6 64166-17 4 blt-shldr 3\8-16x1.12 7 64229-03 34 locknut nylon 3/8-16 8 64123-217 6 …

Bobcat Riding Mower Parts - Farm Parts Store

Bobcat Riding Mower Parts - Farm Parts Store

kreuzkirche-osterode.de 23/03/2022 · Kgz770 engine Bobcat e55 specs 78 in. 8413 in). 64 in. 9. Popülerlik. Kgz770This machine has a hydraulic dump bed, power steering, open ROPS, a …Engine Manufacturer: Kubota KGZ770-E2-M3 Horse Power: The Kubota ZG327 zero-turn mower used the Kubota KGZ770 engine m 390 TDI Engines 4-Cylinders Service Repair Manual ZG327 Engine Model …

26hp « Zero Turn Mower

26hp « Zero Turn Mower

4157920 New Riding Mower Pump Drive Belt Fits Bobcat ... 4157920 New Riding Mower Pump Drive Belt Fits Bobcat 942243E 942250F + Visit the Reliable Aftermarket Parts Our Name Says It All Store $29.99$29.99 Enhance your purchase This fits your . Make sure this fitsby entering your model number. One New Aftermarket Replacement Pump Drive Belt Fits Bobcat Riding Mower Models: 942243E (Pump Drive

BOBCAT ZERO TURN MOWER 23hp 61

BOBCAT ZERO TURN MOWER 23hp 61" MULCH DECK ROTARY CRZ PROCAT ...

Bobcat/Ransomes OEM Replacement Belts | Lawn Mower Parts ... Bobcat 38523 Gear Drive Belt Part #: 12-8810. OEM Replacement This part is aftermarket equipment designed to replace the original manufacturer's part numbers specified here. It is manufactured using high-quality materials, to the same specifications as the original part.: Bobcat 38523, Oregon 75-095, Lesco 60561, Prime Line 7-07846, Stens 248-054

Husqvarna Z4822 2006 mrt - Wolfswinkel Groentechniek Webshop

Husqvarna Z4822 2006 mrt - Wolfswinkel Groentechniek Webshop

Amazon.com: bobcat mower parts Notonparts Muffler 6680164 6732069 Compatible with Bobcat 863 863G 864 873 873G 883 A220 A300 S250 S300 T200 Skid Steer Loader Deutz Engine 2 Bolt Flange. $264.59. $264. . 59. Get it as soon as Wed, Mar 30. FREE Shipping by Amazon. Only 5 left in stock - order soon.

FIGURE 9 28. HYDRAULIC TANK G9 43A & G10 43A - Issuu

FIGURE 9 28. HYDRAULIC TANK G9 43A & G10 43A - Issuu

How to Replace the Hydro Drive Belt and Engine ... - YouTube This Machine is a Bobcat Model ZT200 (52") Hydraulic Traction Drive Belt - (PN# 2188128) Engine Cutterdeck (PTO) Belt - ...

Bobcat Fixed-Deck Height Adjustment

Bobcat Fixed-Deck Height Adjustment

Bob-cat Belts We are 100% Australian Owned & Operated with the highest quality Kevlar and Rubber Rated BOB-CAT Belts at great prices and fast shipping for all lawn mower & outdoor power equipment spare parts and accessories in both Genuine & Generic. View as Grid List. 4 Items. Show. 9 15 30 42.

John Deere AH219707 John Deere 9880i STS - Silnik ...

John Deere AH219707 John Deere 9880i STS - Silnik ...

Page Not Found Cub Cadet Extended Warranty. We also offer a comprehensive free parts search using illustrated diagrams. 2495. I put a MWSC clutch, driveshaft, coupler in about 3-4 yrs ago when I put the K321 in. Carburetor. Some smaller Cub Cadet riding mowers use a drive belt on the hydrostatic transmission to drive the rear wheels. pulled in stock class 12 h.

Our Story began in 1946 with the Wood brothers - Woods Equipment

Our Story began in 1946 with the Wood brothers - Woods Equipment

How to Change a Bobcat Lawnmower Deck Belt | eHow On the arm, you will locate a square hole. Place a 3/8-inch ratchet into the square hole and rotate the idler arm away from the drive belt. Video of the Day Step 2 Remove the PTO belt from the pulley system on the mower deck. If you need to, make a diagram of how the belt rides around the pulley system.

Bobcat Deck Lawnmower Parts for sale | eBay

Bobcat Deck Lawnmower Parts for sale | eBay

PDF PARTS / OPERATOR'S MANUAL - Lawnmower Pros man 4168641. rev. b. 03-2013. parts / operator's manual. 942600. bobcat crz fr600v kaw w/48 side discharge. 942601. bobcat crz fr651v kaw w/52 side discharge

Craftsman 12728875 rear-engine riding mower parts | Sears ...

Craftsman 12728875 rear-engine riding mower parts | Sears ...

PDF Bobcat Zero Turn Drive Belt Diagram Bobcat Zero Turn Drive Belt Diagram pdfsdocuments2 com. Bobcat Ransomes OEM Replacement Belts MFG Supply. Bobcat Zero Turn Lawn Mower Drive Belt Diagram Epub Download. Bobcat Mower Wiring Diagram taesk com. 25 Apr 2018 04 58 00 GMT your files with everyone Tue 24. Diagram of a pump drive belt on bobcat mower Fixya.

Help with belt popping off on 48

Help with belt popping off on 48" Bobcat | LawnSite™ is the ...

Bobcat Zero Turn Exact Replacement Belts - Jacks Small Engines Bobcat Zero Turn Exact Replacement Belts Bobcat Zero Turn Exact Replacement Belts: Jack's is your place! We have the Zero Turn Exact Replacement Belts you need, with fast shipping and great prices. For Zero Turn parts and accessories, think Jack's!

Operation & Maintenance Manual T590 Compact Track Loader

Operation & Maintenance Manual T590 Compact Track Loader

Belt Diagram Lookup - Exmark Belt Diagram Lookup 2022 2021 2020 2019 2018 2017 2016 2015 2014 2013 2012 2011 2010 2009 2008 2007 2006 2005 2004 2003 2002 2001 2000 1999 1998 1997 1996 1995 Select a product type Walk-Behind Zero-Turn Stand-On Rear Discharge Electronic Fuel Injection (EFI) RED On-Board Intelligence Suspension Platform Utility Vehicles

Scag Power Equipment WS23-37BV-EFI (WINDSTORM) (S/N P5900001 ...

Scag Power Equipment WS23-37BV-EFI (WINDSTORM) (S/N P5900001 ...

Bobcat Zero-Turn Mowers - Bobcat Company Bobcat offers five different platforms of zero-turn ride-on and stand-on mowers, with a wide range of deck and engine sizes to suit your need. Every single model offers the toughness you expect from the Bobcat brand, and all are backed by an industry-leading warranty.

Bobcat 60 25HP Zero Turn Riding Mower « Zero Turn Mower

Bobcat 60 25HP Zero Turn Riding Mower « Zero Turn Mower

Bobcat Genuine Parts Catalog - Official Bobcat Company site Bobcat Company is a member of the Doosan Group. Doosan is a global leader in construction, grounds maintenance and material handling equipment, power and water solutions, and engineering that has proudly served customers and communities for more than a century. Bobcat®, the Bobcat logo, the colors of the Bobcat machine, and various other ...

Bush Hog (PZ) Professional Series Zero Turn Mowers Parts (PZ ...

Bush Hog (PZ) Professional Series Zero Turn Mowers Parts (PZ ...

How to Tell if a Mower Belt is Worn | Ariens

How to Tell if a Mower Belt is Worn | Ariens

Diagram of a pump-drive belt on bobcat mower - Fixya

Diagram of a pump-drive belt on bobcat mower - Fixya

Parts catalogue Rabbit Mower

Parts catalogue Rabbit Mower

How to Replace a Toro Zero-Turn Riding Mower Blade Belt

How to Replace a Toro Zero-Turn Riding Mower Blade Belt

Explained] Bobcat Mower Drive Belt Diagram+ How To Guide

Explained] Bobcat Mower Drive Belt Diagram+ How To Guide

442-0688 AXLE GP-REAR S/N N9Z1-UP PART OF 442-1111 POWER ...

442-0688 AXLE GP-REAR S/N N9Z1-UP PART OF 442-1111 POWER ...

Bunton, Bobcat, Ryan 936400 All - 61

Bunton, Bobcat, Ryan 936400 All - 61" SIDE DISCHARGE ...

How to Change Lawn Mower Belts | Gravely

How to Change Lawn Mower Belts | Gravely

VICTORIA

VICTORIA

Bunton, Bobcat, Ryan 942606 CRZ FR691V KAW W/61 SIDE ...

Bunton, Bobcat, Ryan 942606 CRZ FR691V KAW W/61 SIDE ...

How to replace the ground drive belt on a zero-turn riding ...

How to replace the ground drive belt on a zero-turn riding ...

Diagram of a pump-drive belt on bobcat mower - Fixya

Diagram of a pump-drive belt on bobcat mower - Fixya

SOLVED: Diagram of PTO belt to deck for a bat wing Z 48 - Fixya

SOLVED: Diagram of PTO belt to deck for a bat wing Z 48 - Fixya

Bunton, Bobcat, Ryan 942300 - ZT 331 Zero Turn Riding Mower ...

Bunton, Bobcat, Ryan 942300 - ZT 331 Zero Turn Riding Mower ...

Bunton, Bobcat, Ryan 942301 Zero Turn Riding Mower Parts ...

Bunton, Bobcat, Ryan 942301 Zero Turn Riding Mower Parts ...

Diagram Belt Decal, 4171663

Diagram Belt Decal, 4171663

0 Response to "40 bobcat zero turn drive belt diagram"

Post a Comment

Iklan Atas Artikel

Iklan Tengah Artikel 1

Iklan Tengah Artikel 2

Iklan Bawah Artikel