Iklan 300x250

38 craftsman brushwacker 32cc fuel line diagram

PDF Craftsman Weedwacker 32cc Gas Line Trimmer Manual Craftsman Brushwacker 32cc Fuel Line Diagram Craftsman 32cc weed eater fuel line diagram. Slowly screw the line in the tank far enough so you can connect the fuel filter if you are replacing that line. Heres a diagram that shows the proper routing of the fuel lines. Craftsman weedwacker fuel line marketplace 181 only 22 in store. PDF Craftsman Weedwacker 32cc Gas Line Trimmer Manual Craftsman Brushwacker 32cc Fuel Line Diagram How to replace craftsman weed eater fuel lines 20 most recent craftsman 25cc gas line trimmer questions answers craftsman trimmer parts model 358791071 sears partsdirect solved have a craftsman 32cc model 358791060 fixya. Craftsman 32cc Weedwacker Fuel Line Diagram - Wiring ...

How can I fix my Craftsman Brushwacker 32cc gas lines ... The larger line from the tank goes to one of the primer bulb leads and the same size line goes from the primer to the carb. The smaller line goes from the small outlet on the carb to the tank. Hook it up and try the primer. if it does not fill up then switch the position of the lines on the primer.

Craftsman brushwacker 32cc fuel line diagram

Craftsman brushwacker 32cc fuel line diagram

Craftsman String Trimmer: Model 358.795200 Parts & Repair ... Fuel Line (Small)- 9/64 (.140) inch OD - (.080) inch ID, W/ Installation instructions. Craftsman String Trimmer Ignition Module Genuine OEM Part # 501092801 | RC Item # 4816659 Watch Video $16.00 ADD TO CART Ignition coil. The ignition coil sends voltage to the spark plug while the engine is running. Craftsman 32CC will start but not stay running | Hobbyist ... Craftsman 32CC Brushwacker will start but not stay running. Craftsmans 32 CC. Model No. 358.795200 Brushwacker will start if I put gas into the spark plug hole, but will only run a few seconds. I have replaced all the fuel lines, fuel filter, purge bulb and I have thoroughly cleaned the entire carb with carb cleaner (took it apart). PDF 32cc Craftsman Weedeater Manual - modularscale.com Jan 25, · Hi Need fuel line diagram for a Craftsman 32CC Brushwacker/Trimmer year serial N model 2pwesotz No one has the routing diagram. Any help would be highly diagramweb.net I have a Craftsman 32cc Brushwacker Trimmer. I was replacing the gas lines and now don't know how/where they go to the carb and/or the primer bulb.

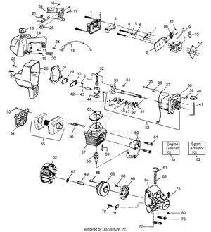
Craftsman brushwacker 32cc fuel line diagram. Replace Weed Eater Fuel Lines (Craftsman) - YouTube Quick and easy! Save yourself some time and money! Pick up "used" weed-eaters on the cheap! Craftsman 32Cc Weed Wacker Parts Diagram | Automotive ... Description : Craftsman Gas Line Trimmer/weedwacker Parts | Model 358795200 in Craftsman 32Cc Weed Wacker Parts Diagram, image size 1000 X 1297 px, and to view image details please click the image. Here is a picture gallery about craftsman 32cc weed wacker parts diagram complete with the description of the image, please find the image you need. 39 craftsman weedwacker fuel line diagram - Wiring Diagram ... The large line from the tank is hooked to a fitting on. View and Download Craftsman WEEDWACKER 358.791580 instruction manual online. Craftsman brushwacker 32cc fuel line diagram. The fuel filter …. Slowly screw the line in the tank far enough so you can connect the fuel filter if you … 32cc/1.9 cu.in. Craftsman 32cc weedwacker fuel line ... Craftsman Sears Brushwacker (32cc) | 358797260 ... Need to fix your 358797260 Sears Brushwacker (32cc)? Use our part lists, interactive diagrams, accessories and expert repair advice to make your repairs easy. ... Craftsman 358797260 Sears Brushwacker (32cc) Parts. Search within model. Questions & Answers Fig # 1 ... Fuel Line (25-Inch) $4.78. Add to Cart 530069247. Rope. $5.97. Add to Cart ...

craftsman 32cc weedwacker fuel line diagram Mar 01, 2021 · The large line from the tank is hooked to a fitting on. View and Download Craftsman WEEDWACKER 358.791580 instruction manual online. Craftsman brushwacker 32cc fuel line diagram. The fuel filter …. Slowly screw the line in the tank far enough so you can connect the fuel filter if you … 32cc/1.9 cu.in. Craftsman 32cc weedwacker fuel line ... Craftsman Weedwacker Fuel Line Diagram - schematron.org How far does the larger hose go up into the fuel tank and where does the plastic connector go?sears weed wacker fuel line diagram GalleryCraftsman 32cc Weedwacker Trimmer Fuel Line Routing Diagram - Periodic & Diagrams Science Craftsman Brushwacker model 358.795800, 32cc. Need all fuel… The return line should be about a 1/3"-1/2" into the hole and the fitting is on the end of it. Nothing else attaches to the fitting. A trick is to put it in place on the line and feed it though the mouth of the tank. Craftsman Brushwacker 32cc Fuel Line Diagram Mar 05, 2019 · I believe the fuel lines are connected correctly. The small diameter line from the tank which has a filter attached to the end in the tank is hooked to the small fitting on the primer bulb. Jan 25, · Hi Need fuel line diagram for a Craftsman 32CC Brushwacker/Trimmer year serial N model 2pwesotz No one has the routing diagram. Any help would be ...

PDF Craftsman Weedwacker 32cc Gas Line Trimmer Manual File Type Craftsman Brushwacker 32cc Fuel Line Diagram Page 1/3. Where To Download Craftsman Weedwacker 32cc Gas Line Trimmer Manual File Type Craftsman 32cc weed eater fuel line diagram. Slowly screw the line in the tank far enough so you can connect the fuel filter if you are replacing that line. Heres a diagram that shows the proper routing of the PDF Craftsman 32cc Line Trimmer Manual Craftsman 32cc Weed Eater Fuel Line Diagram Periodic Diagrams Sears 32 Cc Gas Weed Trimmer Broke Again Fixed Guess What Was Solved homelite ut fuel line which one goes to bulb fixya craftsman 32 cc weedwacker n fuel line diagram fixya i have a craftsman 32cc weedwacker that will not start can t i need a diagram showing the. My Craftsman 32cc trimmer will not stay running. What ... Craftsman Brushwacker modelNNN-NN-NNNN 32cc. Need "all" fuel line routing instructions. Just bought a replacement purge bulb and 2 fuel line kits (one small and one larger). Also need to know the hook … read more Craftsman Brushwacker 32cc Parts Diagram - schematron.org Feb 09, 2018 · View and Download CRAFTSMAN cc important manual online. cc Trimmer pdf manual download. Jan 25, · Hi Need fuel line diagram for a Craftsman 32CC Brushwacker/Trimmer year serial N model 2pwesotz No one has the routing diagram. Any help would be highly schematron.org Eliminate Weeds Using this Craftsman 4-Cycle Gas Trimmer.

S52210RCA000 Can-Am Pivot Oilless - AdeptPowersports

S52210RCA000 Can-Am Pivot Oilless - AdeptPowersports

41 craftsman weed eater fuel line diagram - Modern Wiring ... Craftsman Brushwacker 32cc Fuel Line Diagram Jan 25, · Hi Need fuel line diagram for a Craftsman 32CC Brushwacker/Trimmer year serial N model 2pwesotz No one has the routing diagram. Any help would be highly diagramweb.net I have a Craftsman 32cc Brushwacker Trimmer. I was replacing the gas lines and now don't know how/where they go to the ...

Replace Weed Eater Fuel Lines (Craftsman)

Replace Weed Eater Fuel Lines (Craftsman)

PDF 32cc/1.9 cu.in. 2-Cycle GASOLINE WEEDWACKER 32cc/1.9 cu.in. 2-Cycle ... Store unit and fuel in area where fuel vapors cannot reach sparks or open flames from water heaters, electric motors or switches, furnaces, etc. ... line at proper length. • Use only Craftsman brand replace-ment line. Never use wire, rope, string, etc.

Craftsman Weedeater won't start part 2. carb and fuel lines

Craftsman Weedeater won't start part 2. carb and fuel lines

Craftsman 32cc weedwacker trimmer parts manual - United ... Sep 27, 2017 · That graphic (Craftsman Gas Line Trimmer/weedwacker Parts Model 358795200 in Craftsman 32Cc Weed Wacker Parts Diagram) preceding is usually labelled with: craftsman 32cc weed wacker parts diagram, craftsman 32cc weedwacker trimmer parts manual, . …

3x(vergaserdichtungen Filter Satz für Husqvarna 124l 125l ...

3x(vergaserdichtungen Filter Satz für Husqvarna 124l 125l ...

How do I replace the fuel line on my Craftsman Brushwacker ... The large line only goes into the tank 1 1/2 or so inches. The small plastic line has a filter or fuel pick up on the end that you must remove and install on the end of the new line. This line needs 2-3 inches of slack inside the tank so the fuel pick up will always stay in the gasoline.

Craftsman 25cc weed eater will not start

Craftsman 25cc weed eater will not start

Craftsman Trimmer | 358799290-32CC | eReplacementParts.com Need to fix your 358799290-32CC Trimmer? Use our part lists, interactive diagrams, accessories and expert repair advice to make your repairs easy. ... This video will help you troubleshoot your fuel-line replacement repairs. Accessories. Accessories for the Craftsman 358799290-32CC. Questions & Answers. Sort by

How to replace a line trimmer fuel line video | Grass line ...

How to replace a line trimmer fuel line video | Grass line ...

Craftsman 32CC brushwacker Trimmer | Lawn Mower Forum Need fuel line diagram for a Craftsman 32CC Brushwacker/Trimmer year 2002 serial 02242N100674 model 358.795200 2pweso324tz No one has the routing diagram. Any help would be highly appreciated.Thanks. I ILENGINE Lawn Pro Joined May 6, 2010 Threads 28 Messages 8,193 Jan 23, 2016 #2

Weed Eater GTI19T Gas Trimmer

Weed Eater GTI19T Gas Trimmer

Old Craftsman Brushwacker Parts - Hobbyist Forums Found this thread while looking for fuel line diagram. I would appreciate somebody taking the air filter cover off and taking a photo of the fuel lines coming into the carb. Thanks. For your question, I was able to order parts through Searspartsdirect website. Go to: searspartsdirect .com

SOLVED: How do the fuel lines hook up - Fixya

SOLVED: How do the fuel lines hook up - Fixya

Craftsman Weedeater leaking gas. Fuel line repair and ... Links to products I have in my tool bag.Compression tester. Checker. Fuel Line. ...

WANWU Vergaser Vergaser Ersatzteile für Husqvarna 125B 125BVX ...

WANWU Vergaser Vergaser Ersatzteile für Husqvarna 125B 125BVX ...

Craftsman 358797260 gas line trimmer parts | Sears PartsDirect Our DIY how-to guides and videos to find repair instructions The Water Filter Finder for refrigerator water filters Top categories Refrigerators Freestanding Freezers Riding Mowers & Tractors Walk-Behind Mowers Washers Dryers Ranges Dishwashers Microwaves Furnaces ;

Replace primer bulb on Craftsman Brushwhacker 32cc/Model - Fixya

Replace primer bulb on Craftsman Brushwhacker 32cc/Model - Fixya

Fuel line connections for Craftsman Brushwacker model ... The large line from the tank is hooked to a fitting on the carburetor at the end containing the metering valve/spring assembly. The large line from the primer bulb is hooked to the line at the fuel pump end of the carburetor which has a cover plate with one screw attaching it.

Craftsman 358798490 User Manual Line Trimmer/Weedwacker ...

Craftsman 358798490 User Manual Line Trimmer/Weedwacker ...

PDF 32cc Craftsman Weedeater Manual - modularscale.com Jan 25, · Hi Need fuel line diagram for a Craftsman 32CC Brushwacker/Trimmer year serial N model 2pwesotz No one has the routing diagram. Any help would be highly diagramweb.net I have a Craftsman 32cc Brushwacker Trimmer. I was replacing the gas lines and now don't know how/where they go to the carb and/or the primer bulb.

McCulloch 32CC TRIMMER Service Manual | Manualzz

McCulloch 32CC TRIMMER Service Manual | Manualzz

Craftsman 32CC will start but not stay running | Hobbyist ... Craftsman 32CC Brushwacker will start but not stay running. Craftsmans 32 CC. Model No. 358.795200 Brushwacker will start if I put gas into the spark plug hole, but will only run a few seconds. I have replaced all the fuel lines, fuel filter, purge bulb and I have thoroughly cleaned the entire carb with carb cleaner (took it apart).

Dolmar Spare Parts for Brushcutter MS230C

Dolmar Spare Parts for Brushcutter MS230C

Craftsman String Trimmer: Model 358.795200 Parts & Repair ... Fuel Line (Small)- 9/64 (.140) inch OD - (.080) inch ID, W/ Installation instructions. Craftsman String Trimmer Ignition Module Genuine OEM Part # 501092801 | RC Item # 4816659 Watch Video $16.00 ADD TO CART Ignition coil. The ignition coil sends voltage to the spark plug while the engine is running.

Need some help putting in new fuel lines on my Craftsman ...

Need some help putting in new fuel lines on my Craftsman ...

Craftsman 358798270 User Manual BRUSHWACKER Manuals And ...

Craftsman 358798270 User Manual BRUSHWACKER Manuals And ...

20 Most Recent Craftsman 25cc Gas Line Trimmer Questions ...

20 Most Recent Craftsman 25cc Gas Line Trimmer Questions ...

Details about 545081811 Carburetor Kit for Jonsered B2126 BV2126 Craftsman  358794810 Blower

Details about 545081811 Carburetor Kit for Jonsered B2126 BV2126 Craftsman 358794810 Blower

Sears 32 cc Gas Weed Trimmer Broke again. Fixed! Guess what ...

Sears 32 cc Gas Weed Trimmer Broke again. Fixed! Guess what ...

Amazon.com: Carburetor Replacement for Craftsman Poulan 32cc ...

Amazon.com: Carburetor Replacement for Craftsman Poulan 32cc ...

Craftsman weed Wacker fuel routing

Craftsman weed Wacker fuel routing

Carburetor For MTD 753-06190 Bolens BL110 BL160 BL425 M2510 M2500 WT-973 |  eBay

Carburetor For MTD 753-06190 Bolens BL110 BL160 BL425 M2510 M2500 WT-973 | eBay

Craftsman 358.798270-32ce Important Operator`s manual | Manualzz

Craftsman 358.798270-32ce Important Operator`s manual | Manualzz

Carburetor Kit For Walbro WT 997/668 Carb 23-30.5CC Zenoah CY ...

Carburetor Kit For Walbro WT 997/668 Carb 23-30.5CC Zenoah CY ...

Black & Decker ST1823 String trimmer Instruction manual ...

Black & Decker ST1823 String trimmer Instruction manual ...

How to Replace the Fuel Line in a Line Trimmer

How to Replace the Fuel Line in a Line Trimmer

Amazon.com: WT-628 Carburetor for Walbro WT-628-1 String Gas ...

Amazon.com: WT-628 Carburetor for Walbro WT-628-1 String Gas ...

Parts for Husqvarna 24C TYPE 1: Crankcase / Cylinder ...

Parts for Husqvarna 24C TYPE 1: Crankcase / Cylinder ...

Weed Eater SST45 Gas Trimmer

Weed Eater SST45 Gas Trimmer

CRAFTSMAN BRUSHWACKER 358.795180 INSTRUCTION MANUAL Pdf ...

CRAFTSMAN BRUSHWACKER 358.795180 INSTRUCTION MANUAL Pdf ...

Carburetor Kit Replacement For For Poulan 32cc Gas Trimmer Pole Pru US |  eBay

Carburetor Kit Replacement For For Poulan 32cc Gas Trimmer Pole Pru US | eBay

SOLVED: Diagram for fuel line hookup to carburetor on a - Fixya

SOLVED: Diagram for fuel line hookup to carburetor on a - Fixya

Craftsman 358.799110 Operator`s manual | Manualzz

Craftsman 358.799110 Operator`s manual | Manualzz

I have a Bolen BL150 my main fuel fuel line from filter ...

I have a Bolen BL150 my main fuel fuel line from filter ...

Craftsman String Trimmer Fuel Tanks for sale | eBay

Craftsman String Trimmer Fuel Tanks for sale | eBay

Craftsman Brushwacker model 358.795800, 32cc. Need

Craftsman Brushwacker model 358.795800, 32cc. Need "all" fuel ...

SOLVED: How to repair rope pull in craftsman weedwacker - Fixya

SOLVED: How to repair rope pull in craftsman weedwacker - Fixya

Sears Craftsman Chainsaw fuel line replacement - 2 stroke engine poulan

Sears Craftsman Chainsaw fuel line replacement - 2 stroke engine poulan

20 Most Recent Craftsman 25cc Gas Line Trimmer Questions ...

20 Most Recent Craftsman 25cc Gas Line Trimmer Questions ...

0 Response to "38 craftsman brushwacker 32cc fuel line diagram"

Post a Comment

Iklan Atas Artikel

Iklan Tengah Artikel 1

Iklan Tengah Artikel 2

Iklan Bawah Artikel