41 simplicity mower belt diagram
Simplicity - Regent, 15HP Hydro and 38" Mower Deck 38" Mower Deck 38" Mower Deck - Belt, Idler Arm & Hitch Group Parts Diagram. Simplicity Regent Manual Online: Belt Replacement, Tractor Drive Belt Replacement. Drive Belt Routing - Hydro Models Mower Deck Belt Routing. 2.Simplicity Belts - Exact Replacement. We can supply exact replacement ... How Do I Put on Simplicity Mower Deck Belts?. The mower deck belt powers the spinning blades that cut grass and weeds. Over time, it can become worn. Simplic...
All Mower Spares was the First Australian Business to offer a complete Online Parts Look-Up for our customers (ARI partstream). It is a great way for our customers to look on their own Lawn Mower, Outdoor Power Equipment or Engine spare parts, to help find the item you are looking for or to just look at a parts listing to get an idea of how ...

Simplicity mower belt diagram
Simplicity Drive Belt Diagram - 9 images - snapper lt125 belt routing diagram, 34 john deere z425 drive belt diagram wiring diagram, belt on a simplicity riding lawn mowermodel number 130917YG74020 briggs and Stratton riding mower I think that there is an error in the model number that ... Simplicity 1691419 (Deck 36") Mower Attachment Replacement Belt Original Equipment Manufacturer Simplicity OEM Part Number 1713549 Machine Mower Attachment Model 1691419 (Deck 36") Belt Type SPA Metric Wedge VBG Replacement Id APPL660329 Technical Specifications: (Inches) (mm) Outside Circumference 69.17 1757.00 Top Width 0.51 13.00 Belt Depth 0.393701 1 Bands Single
Simplicity mower belt diagram. Once you have found the correct replacement belt for your Simplicity ® mower, you can change out your old mower belt. Depending on your Simplicity ® Mower’s model number and the belt part number, belt changing instructions will vary. If you are interested in changing your lawn mower belt on your own, please refer to your mowers Operator’s Manual for specific details and instructions. Simplicity Regent Belt Diagram. When you are mowing with your Simplicity riding lawn mower each season, you will begin to stretch, wear and fray the drive belt running from the pulley under. simplicity mower deck belt diagram regent lawn tractor simplicity 44 inch mower deck belt diagram. simplicity mower deck belt diagram manual. Affordable and efficient, Murray products have been getting the job done for over 90 years. Today, Murray wears its brand proudly as the “Get it done. Go have fun.” lawn and garden equipment. Exclusively powered by the world’s leading small engines from Briggs & Stratton, Murray is a perfect fit for today’s consumers who are seeking reliable, high-value products to … Simplicity 1695895 38 mower deck parts diagrams from simplicity regent mower deck belt diagram , source:jackssmallengines.com. Hello raybob79, this is what's shown for a 42 and 48 deck, there's no 44 listed for a 5116. Need a mower deck belt diagram for a simplicity 5116 special lawn tractor.
Simplicity 1690759 - 4211, 11HP Hydro Parts Diagrams. Parts Lookup - Enter a part number or partial description to search for parts within this model. There are (455) parts used by this model. SCREW, Hex, 3/8-16 x 1-1/4, Thin Hd. STOP BELT .188WIRE 1. Simplicity zero turn mower belt diagram. Complete stop within five seconds after electric pto switch is turned off. Operator's manual for zero turn simplicity lawnmowers. The belt diagram is shown in figure 23. Lawn mower simplicity 1693467 operator's manual. The cbt allows the mower to minimize wear and heat while at the same time providing ... Simplicity Broadmoor Drive Belt Diagram. Simplicity Broadmoor Series Manual Online: Remove Old Belt, Install New Belt, Transmission Drive Belt Replacement. NOTE: Be Sure To Use Only. The Breakdown of the Unit Usually Shows the Belt Routing. From this Page you can View Diagrams and Parts Lists for you Equipment Using. Simplicity 1695547 - 46" Mower Deck Parts Diagrams. SWIPE SWIPE. 46" & 52" Mower Deck - Clutch Group. 46" & 52" Mower Deck - Housing, Arbors & Blades. 46" Mower Deck - Height Adjustment & Roller Bar Group.
Outdoor Gasoline and Electric Powered Equipment and Small Engines - 5116 Simplicity belt diagram - Need a mower deck belt diagram for a Simplicity 5116 special lawn tractor. 42 or 44 inch deck on it I have pulled my hair out trying to figure this out? Simplicity mower belt diagram keyword after analyzing the › simplicity broadmoor deck belt diagram. 2690683 Regent, 18. Simplicity repair parts and parts diagrams for Simplicity 1693817 - Simplicity Broadmoor Lawn Tractor, 16hp COVID-19 UPDATE: Call Center OPEN (from home) and Warehouse SHIPPING to all 50 states (with some USPS/UPS/FedEx ... wiringall.com - Select Simplicity - Simplicity Broadmoor Lawn Tractor, 38 Deck, 14HP Hydro Diagrams and order Genuine Simplicity Mowers: lawn & garden tractor Parts. Easy Ordering 14HP Hydro. 38" Mower Deck - Belt, Pulley & Hitch Group () Hydrostatic Transmission - Group 1 · Rear Wheels. The drive belt, the belt that makes the tractor go ... Need to fix your 1690911 4211, 11Hp Gear And 36In Mower? Use our part lists, interactive diagrams, accessories and expert repair advice to make your repairs easy. ... V-Belt, Mower Drive. $34.71 Part Number: 1727773SM. In Stock, 5 available In Stock, 5 available $34.71 ...
8TEN Engine to Deck Belt for Simplicity 42 48 inch 912H 919H 920H 7114H 7116 7117 108508SM 1713515 1713515SM
21 posts related to Simplicity 50 Mower Deck Belt Diagram. Simplicity 38 Mower Deck Belt Diagram. Simplicity Mower Deck Belt Replacement. Mtd 42 Mower Deck Belt Diagram. Gravely Mower Deck Belt Diagram. Craftsman 42 Inch Mower Deck Belt Diagram. Husqvarna 48 Inch Mower Deck Belt Diagram. Ferris Is2000z Mower Deck Belt Diagram.
Adjusting a new belt. Make sure to check the adjustment on a new belt, often. Check the belt three times in the first 24 hours of use, and adjust it if necessary. During this time, the belt is fitting into the pulleys. If the belt is allowed to loosen as it fits in, you may spin/burn the belt, which drastically reduces belt life.
Hi, Have a problem with a transmission in a John Deere Lawn Tractor/Rideon Mower. No Drive – Forward or Reverse until the brake pedal is pressed approx half way down. The mower has completed 426hrs. No noises come from the transmission and seems to drive smoothly. There are 3 Numbers on the Bar Code are :- 768T2024011 , MIA10910 & 40J-0858287.
The mower deck belt powers the spinning blades that cut grass and weeds. Over time, it can become worn. Simplicity and other riding lawnmower manufacturers recommend checking the mower deck belt annually to ensure it is not cracked or frayed. If the belt needs to be replaced, it can be done with no tools within about 30 minutes.
SIMPLICITY 42" and 48" 3 blade, side discharge decks. SNAPPER 42" and 48" side discharge decks (3 blades) TORO 42" and 48", 3 blade side discharge decks. and others. Price: $29.95. STENS 265-623 OEM Replacement Belt Simplicity 1668066 for Simplicity. - Application:Deck. - Length:120". - Width:1/2".
How to Install a Drive Belt on a Simplicity Riding Lawnmower. When you are mowing with your Simplicity riding lawn mower each season, you will begin to stret...
Simplicity Manual and Parts List Search. Simplicity makes it easy to find the operator's manual & parts for your Simplicity lawn mower, lawn tractor or snow blower! Simply use the search engine below to find your Simplicity parts lists and manuals.
Husqvarna ST 224 - 96193009602 (2015-05) Exploded View parts lookup by model. Complete exploded views of all the major manufacturers. It is EASY and FREE
Don't let its size fool you. Our Commercial 30 mower is deceptively light and easy to maneuver. In fact, it feels and handles much like its Commercial 21 counterparts.The major difference: its 30-inch cut delivers up to a 40% increase in cutting efficiency compared to a standard 21-inch mower-without wearing out the machine or its operator.
Simplicity 1692449 Sovereign, 18Hp And 48In Mower Parts. Search within model. bubbles. Questions & Answers. 48 Mower - Cover Drive Bail Group. 48 Mower Deck - Deflector Stone Guard Arm Assembly Group. 48 Mower Deck - Height Adjusting Roller Group. 48 Mower Deck - Housing Arbor Group. 48 Mower Deck-Cover Drive Bail Group.
This particular photograph (Simplicity 1691996 - 50" Mower Deck Parts Diagrams inside Cub Cadet Mower Deck Parts Diagram) above will be labelled along with: cub cadet 46 inch mower deck parts diagram, cub cadet lt1050 mower deck parts diagram, cub cadet mower deck parts diagram, . published through admin with October, 6 2017.
When you are mowing with your Simplicity riding lawn mower each season, you will begin to stretch, wear and fray the drive belt running from the pulley under the engine to the deck pulley. With all this wear, the belt will eventually snap or stretch so much, you will have to replace the belt in order to get back to driving and mowing again on ...
Engineering Mechanics Statics (7th Edition) - J. L. Meriam, L. G. Kraige.PDF
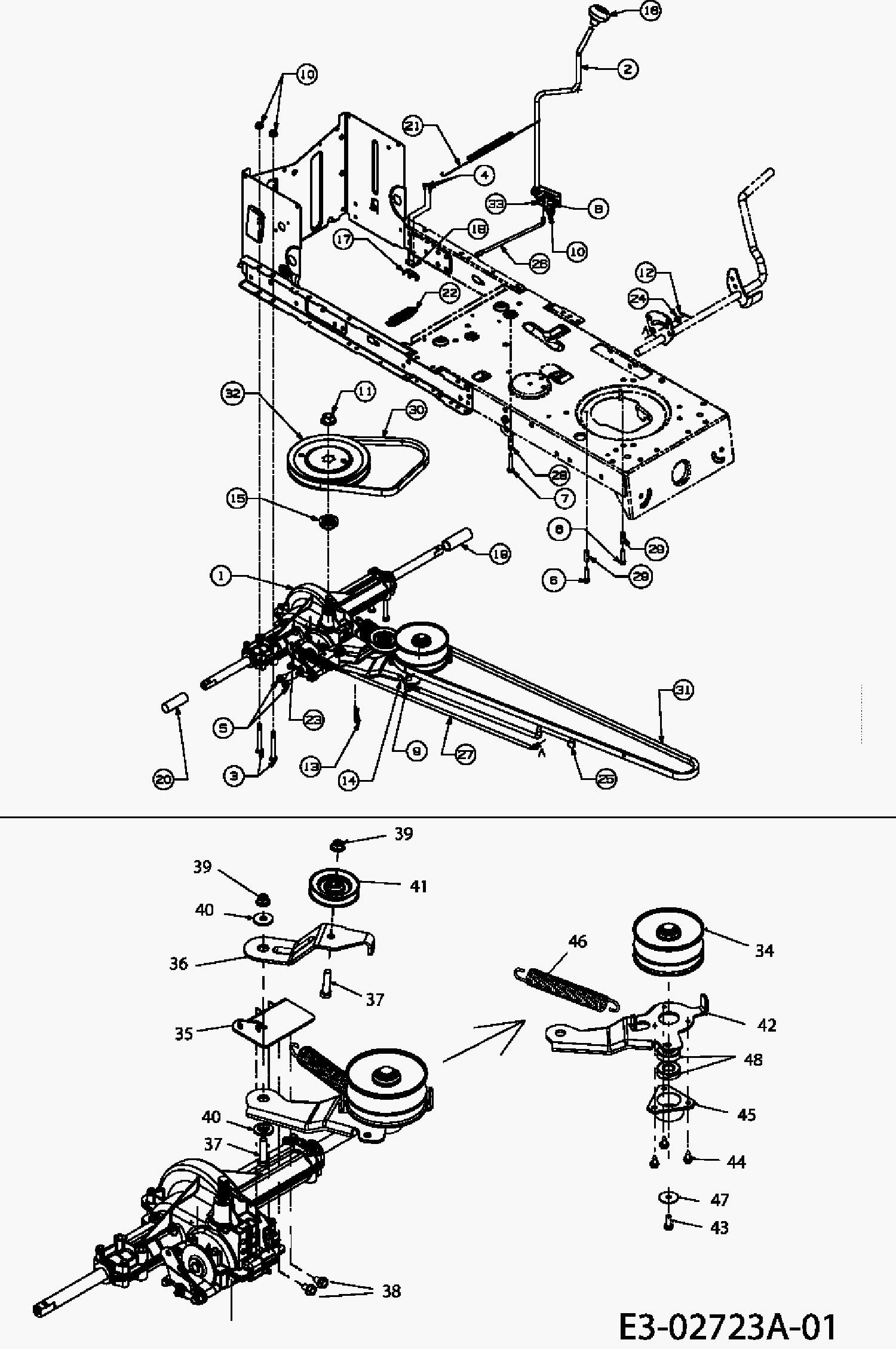
Simplicity repair parts and parts diagrams for Simplicity 1691419 - Simplicity 36" Mower Deck
Jul 11, 2019 · 03 tahoe fuse box diagram; 03 trailblazer wiring diagram; 04 acura rsx fuse box diagram; 04 saab 9-3 fuse box diagram; 05 toyota tundra stereo wiring diagram
Simplicity Zero-Turn Mowers Parts Lookup & Diagrams Simplicity Zero-Turn Mowers ( 212 Models ) 150 Z (7800760) - Simplicity Axion 33" Zero-Turn Mower, 18.5hp
I have a 1970’s Sears 38″ Rotary Mower (for Custom Tractors) Model #917-25590 whose electric starter, TECUMSEH #32817, doesn’t work anymore, but everything else about this machine works great. I can’t find another starter for this mower because companies that manufacture parts say this particular electric starter is no longer manufactured.
1707740SM Simplicity Mower Drive V-Belt. Engineered to be compatible with a full line of attachments, the Conquest is able to handle a variety of landscaping tasks. The belt part numbe. Find belts, blades, and more for your walk behind mower, riding mower, zero turn mower and lawn tractor. Simplicity v-belts $0. Off brand belts are not a good idea.
Simplicity riding lawn mower belt diagram Where can we see a Simplicity mower belt diagram so we can change the belt? Wiki User. ∙ 2009-04-25 16:28:29. Study now. See answer (1) Best Answer.
Belt sizes for Simplicity lawn and garden belts. Application, parts number, and belt sizes available. Outdoor Belt Info: ... Simplicity Lawn Mower - Rider Belts Model: OEM Part: Application - Dimensions: 086 118068 PRO(3000-3100 Ser)(1/2"x34") 086 121078 Drive Belt (3000-3100 Ser)(1/2"x35") 1000
Simplicity 1691419 (Deck 36") Mower Attachment Replacement Belt Original Equipment Manufacturer Simplicity OEM Part Number 1713549 Machine Mower Attachment Model 1691419 (Deck 36") Belt Type SPA Metric Wedge VBG Replacement Id APPL660329 Technical Specifications: (Inches) (mm) Outside Circumference 69.17 1757.00 Top Width 0.51 13.00 Belt Depth 0.393701 1 Bands Single
belt on a simplicity riding lawn mowermodel number 130917YG74020 briggs and Stratton riding mower I think that there is an error in the model number that ...
Simplicity Drive Belt Diagram - 9 images - snapper lt125 belt routing diagram, 34 john deere z425 drive belt diagram wiring diagram,
0 Response to "41 simplicity mower belt diagram"
Post a Comment