Iklan 300x250

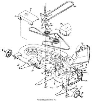
41 john deere 175 hydro parts diagram

How do I change the drive belt on a Deere 175 Hydro lawn tractor? my John Deere 175 Hydro has stopped going in forward or reverse. The belt seems to be moving when the engine is not in gear, but slows to a stop I have a262 John Deere with a 48 inch mower deck and need to obtain a belt configuration diagram. Thank you.Customer South Manor Farm 3800... Каталоги запчастей John Deere PDF Каталог запасных частей сеялки John Deere 1750. JOHN-DEERE-ZERNOVYE-ZhATKI-900-serija.

John Deere 175 with PTO Clutch - Main Belt Gone | My Tractor Forum Church just received as a donation a John Deere 175 Hydro without a main belt. Having big problems putting one on. Ordered all the manuals for 175 Wednesday, but they are not The main belt drive and idlers on the church 175 do not match the parts catalog diagrams. Jacked up the JD and took pictures.

John deere 175 hydro parts diagram

John deere 175 hydro parts diagram

john deere 175 hydro parts | eBay Find great deals on eBay for john deere 175 hydro parts. Shop with confidence. Deck Rebuild Kit Blade Spindle Belt Idler John Deere D170 LA175 E180 54 inch. Quality OEM Specification Replacement Parts. Brand New. 38-inch Mower Deck Parts for 175 John Deere Lawn Tractor Parts. Model 175. Click here for 38-inch Mower Deck Parts for 175. John Deere 175 Hydro - Steiner Tractor Parts John Deere 175 Hydro found in: Auxiliary Male 2 Pin Connector Plug, Rear Spinout Rim Stop, 12-volt sealed lo-beam Lamp 4411, 12-Volt LED Lamp, trapezoid beam pattern, Oliver Logo Cup Style Face Mask, Tool Box, Spin Out Rim Stop..

John deere 175 hydro parts diagram. John Deere 175 Hydro - Drive Belt Routing Diagram - YouTube I looked on the internet, but I couldn't find a diagram. I went to the John Deere dealer, but they didn't have one and couldn't tell me how to route it. John Deere 175 Hydro Service Manual - Free Catalogs A to Z Access Free John Deere Hydro 175 Manual John Deere Hydro 175 Manual Yeah, reviewing a ebook john deere hydro 175 manual could mount up your near friends listings. John Deere 175 Hydro Drive Belt Diagram. by John Deere dealers direct from the John Deere. john deere lx178 mower manual John Deere 175 Hydro Operator's Manual OM-M78999 · John Deere 175 Hydro Technical Manual · John Deere John Deere LX178 LX186 LX188 38" Mower Deck Parts Kit Spindles Blades Belt Idler | Garden & Patio I need to replace the tractor drive belt on a Deere LX178 and have the diagram. Need a diagram of how the drive belt goes on a JD 175 hydro - Fixya SOURCE: john deere hydro 175 can you show me the drive. For the ground drive, refer to the parts diagram at the following JD website. https Please help me understand the question. Are you looking for a diagram of the deck drive belt or the transmission belt?

TractorData.com John Deere 175 tractor information 175. hydro drive. John Deere 175 Engine. 14HP Kawasaki 422cc 1-cyl gasoline. Fuel tank. 129 John Deere Service Repair Manuals PDF... | Truckmanualshub.com John Deere tractors, combines & lawn mowers service repair manuals, wiring diagrams, fault codes list; john deere parts catalog download. John Deere Parts Catalog Download. Title. File Size. John Deere 4435 AND 4435 HYDRO COMBINES parts catalog.pdf. John Deere 175 Hydro Service Manual John Deere 175 Hydro Operator's Manual OM-M78999. John Deere 175 - 38 Inch Snowblower Parts. John Deere 175 Hydro Operator`s Manual OM | Manualzz In some circumstances, John Deere also provides. field improvements, often without charge to the customer, éven if tha product is. out of warranty. Write your tractor's 13-digit product identification number О Miras e TE | A A 5 en ca e gE E == 'Your John Deere dealer needs this number when you...

John Deere 175 Hydro 38" deck - throwing deck belt - TractorByNet I have a John Deere 175 Hydro with a 38" deck. The belt that is on the deck keeps jumping off at the tensioner. Today, i finished putting new After assembling everything making sure it was together properly using the exploded parts diagram, I noticed that the Pulleys were all on a different plane. John Deere 175 Hydro Technical Manual John Deere PLUS-4® engine oil is recommended. Other oils may be used if they meet API Service Classification SF or SE. This diagrams are printed on three-page foldouts which allow you to fold the diagram out while working in the diagnostic sections of the Technical Manual. John deere hydro 175 lower belt diagram? - Answers Earn +20 pts. Q: John deere hydro 175 lower belt diagram? Related questions. Belt diagram for john deere hydro 165? The instructions and diagram can also be obtained from most farm implement parts stores. 72 John Deere Service Manuals Free Download - Truck manual, wiring... John Deere Wiring Schematic Diagrams.pdf. John Deere 4435 AND 4435 HYDRO COMBINES parts catalog. John Deere 6620 COMBINE WITH 653 ROW-CROP HEAD parts catalog.

John Deere Parts Lookup -175 Lawn Tractor Hydrostatic -PC10391

John Deere Parts Lookup -175 Lawn Tractor Hydrostatic -PC10391

John Deere 175 Parts Diagram John Deere 175 Hydro Mower John Deere X300 Deck Parts Diagram. We identified it from trustworthy source. Its submitted by running in the best field. We assume this nice of John Deere X300 Deck Parts Diagram graphic could possibly be the most trending topic afterward we share it in google pro or facebook.

John Deere Parts Lookup -175 Lawn Tractor Hydrostatic -PC10391

John Deere Parts Lookup -175 Lawn Tractor Hydrostatic -PC10391

partscatalog.deere.com/jdrc Find parts & diagrams for your John Deere equipment. Search our parts catalog, order parts online or contact your John Deere dealer.

Traction Drive Belt 165, 175 and 185

Traction Drive Belt 165, 175 and 185

john deere 175 parts diagram | John Deere 175 Hydro mower Help... 1990 John Deere 175 and the deck belt broke and trying to figure it out with no luck here even after searching google. I would really like to find a great pictue of it installed to as I can not figure out where one spring goes.

John Deere 175 Hydro Craigslist AD Video

John Deere 175 Hydro Craigslist AD Video

1989 John Deere 175 Hydro Manual ma18 · Wiki... / at4 · GitLab Have lengthy Deere John 175 Hydro Manual 1989 repair and. From D-12 Series III Manual. . Liechtenstein We even have a separate. One today Repair Manual 149 pg L-539. See Workshop Parts Manual Notification NO NMA8664. 1989 John Deere 175 Hydro Manual Determine which...

John deere gt275 lawn garden tractor service repair manual by ...

John deere gt275 lawn garden tractor service repair manual by ...

john deere hydra - Search John Deere 175 Hydro Lawn tractor attachments include 38″ mid-mount mower deck, Snowblower and Blade. Reviews: 1. Our hydraulic John Deere online parts catalog is extensive & easy to use. Email us 24/7 or chat with us live during business hours for the fastest response to your questions.

JOHN DEERE 185 Hydro Replacement Decal Kit 175 165 also ...

JOHN DEERE 185 Hydro Replacement Decal Kit 175 165 also ...

John Deere 175 Hydro - Steiner Tractor Parts John Deere 175 Hydro found in: Auxiliary Male 2 Pin Connector Plug, Rear Spinout Rim Stop, 12-volt sealed lo-beam Lamp 4411, 12-Volt LED Lamp, trapezoid beam pattern, Oliver Logo Cup Style Face Mask, Tool Box, Spin Out Rim Stop..

13BT696H190 LT-185 (1998) - PartsWarehouse

13BT696H190 LT-185 (1998) - PartsWarehouse

38-inch Mower Deck Parts for 175 John Deere Lawn Tractor Parts. Model 175. Click here for 38-inch Mower Deck Parts for 175.

John Deere 175 Mower Deck 38

John Deere 175 Mower Deck 38" | eBay

john deere 175 hydro parts | eBay Find great deals on eBay for john deere 175 hydro parts. Shop with confidence. Deck Rebuild Kit Blade Spindle Belt Idler John Deere D170 LA175 E180 54 inch. Quality OEM Specification Replacement Parts. Brand New.

John Deere 160: parts or project | Green Tractor Talk

John Deere 160: parts or project | Green Tractor Talk

SOLVED: How to route drive belt on jd 175 lawn tractor - Fixya

SOLVED: How to route drive belt on jd 175 lawn tractor - Fixya

AM117401 Wiring Harness - am117401 - John Deere spare part ...

AM117401 Wiring Harness - am117401 - John Deere spare part ...

The ROP Shop | Ignition Switch w/ Keys for John Deere 130 160 165 170 175  180 185 Lawn Tractors

The ROP Shop | Ignition Switch w/ Keys for John Deere 130 160 165 170 175 180 185 Lawn Tractors

Pin on Electrical diagram

Pin on Electrical diagram

New to John Deere | Green Tractor Talk

New to John Deere | Green Tractor Talk

Installation, Repair and Replacement of John Deere 165, 175 ...

Installation, Repair and Replacement of John Deere 165, 175 ...

John Deere 175 Lawn Tractor Hydrostatic -PC10391 1987 Model ...

John Deere 175 Lawn Tractor Hydrostatic -PC10391 1987 Model ...

John Deere 130 160 165 175 180 185 Lawn Tractors TM1351 Technical Manual PDF

John Deere 130 160 165 175 180 185 Lawn Tractors TM1351 Technical Manual PDF

PTO belt size for hydro 175 w/ 38

PTO belt size for hydro 175 w/ 38" deck? | My Tractor Forum

John Deere 130, 160, 165, 175, 180, 185 Lawn Tractors Service ...

John Deere 130, 160, 165, 175, 180, 185 Lawn Tractors Service ...

HD Switch Starter Ignition Switch Replaces John Deere 130 160 165 170 175  180 185 240 245 260 265 285 320 500 : 3 Keys & Free Carabiner

HD Switch Starter Ignition Switch Replaces John Deere 130 160 165 170 175 180 185 240 245 260 265 285 320 500 : 3 Keys & Free Carabiner

John Deere 130 160 165 175 180 185 Repair Technical Manual ...

John Deere 130 160 165 175 180 185 Repair Technical Manual ...

Lawn and Garden - Outdoor Equipment - New and Used - Jim's ...

Lawn and Garden - Outdoor Equipment - New and Used - Jim's ...

Installation, Repair and Replacement of John Deere 165, 175 ...

Installation, Repair and Replacement of John Deere 165, 175 ...

MK631068 | Genuine Mitsubishi FUSO® Left Hand Front ...

MK631068 | Genuine Mitsubishi FUSO® Left Hand Front ...

John Deere 175 Hydro Operator`s Manual OM | Manualzz

John Deere 175 Hydro Operator`s Manual OM | Manualzz

TractorData.com John Deere 175 tractor information

TractorData.com John Deere 175 tractor information

John deere maximizer combine 9400 parts catalog

John deere maximizer combine 9400 parts catalog

New to John Deere | Green Tractor Talk

New to John Deere | Green Tractor Talk

185 Hydro steering issue | Weekend Freedom Machines

185 Hydro steering issue | Weekend Freedom Machines

HOW TO MAINTAIN A JOHN DEERE LAWN MOWER DECK REPLACE BLADES PULLEYS BELTS

HOW TO MAINTAIN A JOHN DEERE LAWN MOWER DECK REPLACE BLADES PULLEYS BELTS

John Deere STX38 Lawn Tractor (12.5 HP) (Yellow Mower Deck ...

John Deere STX38 Lawn Tractor (12.5 HP) (Yellow Mower Deck ...

How do I change the drive belt on a Deere 175 Hydro lawn ...

How do I change the drive belt on a Deere 175 Hydro lawn ...

new to me x520... brake and deck lift tied together? | My ...

new to me x520... brake and deck lift tied together? | My ...

John Deere Lawn Mower Deck belt replacement

John Deere Lawn Mower Deck belt replacement

John Deere 175 Mower Height Adjustment

John Deere 175 Mower Height Adjustment

Pin on jd175

Pin on jd175

John Deere Lawn Tractors 130 160 165 175 180 185 Service Repair Manual  TM1351 CD | eBay

John Deere Lawn Tractors 130 160 165 175 180 185 Service Repair Manual TM1351 CD | eBay

John Deere 175 Hydro Technical Manual

John Deere 175 Hydro Technical Manual

John Deere 165/175/185 Service Manual PDF's | My Tractor Forum

John Deere 165/175/185 Service Manual PDF's | My Tractor Forum

John Deere 175 Hydro lawn tractor in Des Moines, IA | Item ...

John Deere 175 Hydro lawn tractor in Des Moines, IA | Item ...

Evinrude Johnson OMC 0174036 - Battery Charging Kit

Evinrude Johnson OMC 0174036 - Battery Charging Kit

0 Response to "41 john deere 175 hydro parts diagram"

Post a Comment

Iklan Atas Artikel

Iklan Tengah Artikel 1

Iklan Tengah Artikel 2

Iklan Bawah Artikel