John Deere 445 Lawn & Garden Tractor Maintenance Guide & Parts List · Want to Sign Up for Maintenance Reminders? · Need a detailed diagram for your ? · Service ...

John deere 445 parts diagram
47 inch snowblower on 445 jd. | Green Tractor Talk
John Deere 425, 445, 455 Lawn & Garden Tractors TM1517 Technical Manual PDF
445 with 60â Deck
Twin Bagger hitch mount for JD 425 | Weekend Freedom Machines
John Deere Lawn Tractor Hood - AM128986
Troy Bilt 12235 Tiller / Edger Parts Diagram for General Assembly
445 Trans AxI Leak - TractorByNet
46 - SNOW THROWER LABELS EPC John Deere JD5604 CCE online ...
John Deere 60-inch Complete Replacement Deck SKU17220
John deere 445 lawn garden tractor service repair manual by ...
John Deere Mower Deck AM119487 - 425 445 455 Lawn & Garden ...
John Deere 445 Lawn & Garden Tractor -PC2351 Wiring Harness ...
John Deere 445 Lawn & Garden Tractor -PC2351
International 428, 435, and 445 Baler - Parts Catalog
Diagram And/or PartsList F2020 Homelite String Trimmer Parts ...
John Deere 425 and 445 tractor and 6x4 Gator Water Pump & Gaskets
Fiat/Long/UTB 3 Cylinder Fuel System
John Deere Mower Deck AM119245 - Green Farm Parts
FRONT PTO KIT [C04] - BROOM, ROTARY John Deere 51 - BROOM ...
John Deere 445 Lawn & Garden Tractor -PC2351 Hood & Grill ...
Husqvarna 445e Chainsaw (2011) Parts Diagram, Starter 445
Amazon.com: Spec Belt 265-465 Fits John Deere 425 445 455 54 ...
John Deere 445 Lawn & Garden Tractor -PC2351 Cylinder Head ...
Pin on logan
Tips of the rebuild of a John Deere Deck Gear Box
Amazon.com : John Deere OEM 54 inch Mower Deck Shell - Fits ...
Ford Tractor Parts - Online Parts Store for tractors
John Deere 425 445 455 Repair Manual [Lawn & Garden Tractor ...
445 rear 540 PTO assembly | Green Tractor Talk
John Deere 415 425 445 455 Lawn and Garden Tractor Technical ...
John Deere 425 Disassembly: Part 1
John Deere 425, 445, 455 Lawn & Garden Tractors Servic - Bob ...
Long 350 Tractor Parts Manual
New 266-119 OEM Replacement Belt for John Deere 425, 445, 455, X495 and X595 Riders, 1420
John Deere 445 Lawn & Garden Tractor Maintenance Guide ...
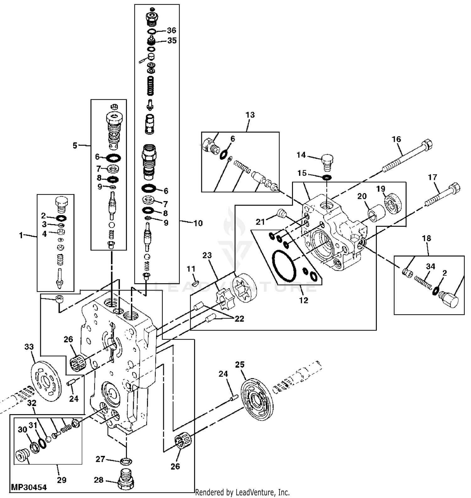
John Deere 445 Lawn & Garden Tractor -PC2351 Transaxle Center ...
What's a 455 40 loader worth? | Weekend Freedom Machines
Homelite TrimLite String Trimmer UT-20760 before S/N ...
John Deere Gator 4x2 4x6 Utility Vehicle Repair Manual - PDF DOWNLOAD
0 Response to "39 john deere 445 parts diagram"
Post a Comment