38 weber 44 idf diagram
We always make sure that writers follow all your instructions precisely. You can choose your academic level: high school, college/university, master's or pHD, and we will assign you a writer who can satisfactorily meet your professor's expectations. Weber Carb Diagrams: Below are exploded diagram and part listings for various Weber carburettors. ... 40 IDF (early) 44 IDF. 45 DCOE 152(G) 45 DCOE (early) 48 DCOE ...
Products 1 - 32 of 32 ... 44 IDF SCHEMATIC, $0.00, $0.00, $0.00 ... WEB19030.021, SINGLE WEBER 48 IDF CARB, $582.20, $410.00, $410.00.

Weber 44 idf diagram
Click HERE for a diagram on setting the float level of the Weber IDF. ... Double Base Gasket for Weber IDF 44, 45 and 48 carburetor. US$7.95. Weber. Literature Review Flow Diagram for 1 last update 14 Jan 2022 for Chapter 37: Diabetes in Older PeopleLiterature Review Flow Diagram for Chapter 37: Diabetes in Older People *Excluded based on: population, intervention/exposure, comparator/control or study design. From: Moher D, Liberati A, Tetzlaff J, Altman DG, The PRISMA Group (2009). WEBER 44 IDF 40/41 - Parts list ; 23 · 32650.001, $ 1.8, 1, Throttle Shaft Bearing ; 24 · 74405.055, $ 3.5, 2, Idle Jet.
Weber 44 idf diagram. WEBER 44 IDF 71 - Parts list ; 9 · 61002.010, $ 7.5, 1, Fuel Filter Plug Gasket ; 10 · 64290.016, $ 20.1, 2, Pump Demand Valve. Weber Carburettor IDF / IDA Diagrams and Parts list. 27 Feb 2015, 06:27 Technical Articles Rod Penrose 5399 views. As you would probably know, I have been using both genuine Weber IDF carbys and Weber IDF "style" carbys for many years now and have also recently brought out my own RPR Weber IDF carby range: RPR Carburettor Kits. Dec 18, 2021 · Logistic regression with tf-idf and n-gram features obtains the best macro f 1-score of 0.90. Hindi: Mathur et al. introduce a Hindi-English code switched dataset of 3.6k tweets split into three categories: abuse, hate speech, and non–offensive. They proposed a system based on CNN and transfer learning which achieves f 1-score of 71.4%. Literature Review Flow Diagram for Chapter 37: Diabetes in Older People *Excluded based on: population, intervention/exposure, comparator/control or study design. From: Moher D, Liberati A, Tetzlaff J, Altman DG, The PRISMA Group (2009). Preferred Reporting Items for Systematic Reviews and Meta-Analyses: The PRISMA Statement. PLoS Med 6(6 ...
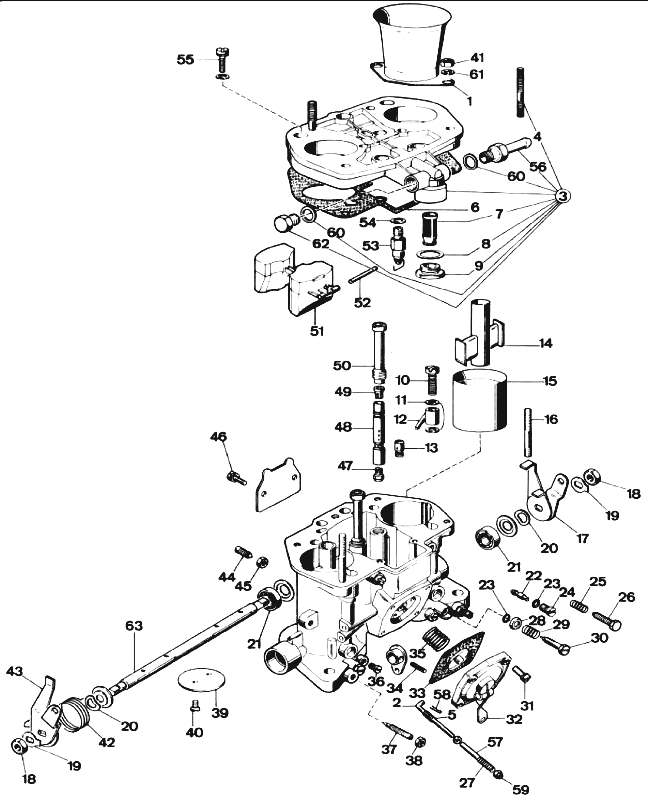
Jul 07, 2013 · Weber IDF: This is the most widely used aircooled VW carburetor, and the one we recommend in almost all cases. The IDF’s come in 40, 44, and 48mm sizes, and are excellent carbs for street cars. These are also the carb of choice for off road vehicles due to an excellent progression circuit and superior fuel control! IDF ( Down Draft ) 55 DCO SP 2 Barrel Carburetor: 40 IDF 70 2 Barrel Carburetor: IDA: 44 IDF 71 2 Barrel Carburetor: 48 IDA 2 Barrel Carburetor: 48 IDF 7 2 Barrel Carburetor: 40 46 IDA 3 Barrel Carburetor: 34mm. DCNF. 34 ICT 1 Barrel Carburetor: 40 DCNF 2 Barrel Carburetor Oct 12, 2018 · Dual 2bbl carburetors, you have even more options – Dellorto DRLA’s (the IDF counterpart made by Dellorto, another Italian company), and the Weber, where you have 3 carburetor models to choose from. Weber makes the IDF as their main carburetor, and the 48 IDA, which is primarily a race carburetor set. You also have the Weber DCNF. 44 IDF Diagram ; 1, 2, Air Intake Horn ; 2, 1, Pump Control Rod ; 3, 1, Carburetor Cover ; 4, 2, Stud Bolt ; 5, 1, Pump Control Rod Spring ...Pump Exhaust Jet: 055Idle Jets: 050Pump Jet: 050Main Jets: 135
Take A Sneak Peak At The Movies Coming Out This Week (8/12) Why Your New Year’s Resolution Should Be To Go To The Movies More; Minneapolis-St. Paul Movie Theaters: A Complete Guide Volkswagen Weber IDF ; WEBER 44 IDF, Factory Sizes, Single Carb, Dual Carbs ; AIR CORRECTION, 1.75, 1.65, 2.00 ; EMULSION TUBE, F-11. 18890-030 44 IDF 71. 19030-021 48 IDF 6 w. 1. Late style IDF XE shown ... Weber fuel pressure is 3 ... Adjustment Diagram. DO RACING PRODUCTS.7 pages IDF Carburetors. Low Speed Circuit Tuning. It is most important to verify all linkage and levers are installed without binding and the linkage opens to full ...
Professional academic writers. Our global writing staff includes experienced ENL & ESL academic writers in a variety of disciplines. This lets us find the most appropriate writer for …
WEBER CARBURETORS. 40 44 48 IDF- XE. 18950-138 40 IDF 70. 18890-030 44 IDF 71. 19030-021 48 IDF 6. Float setting notes: 1. Fuel pressure is critical to float spillage ...
Take A Sneak Peak At The Movies Coming Out This Week (8/12) Why Your New Year’s Resolution Should Be To Go To The Movies More; Minneapolis-St. Paul Movie Theaters: A Complete Guide
WEBER 44 IDF 40/41 - Parts list ; 23 · 32650.001, $ 1.8, 1, Throttle Shaft Bearing ; 24 · 74405.055, $ 3.5, 2, Idle Jet.
Literature Review Flow Diagram for 1 last update 14 Jan 2022 for Chapter 37: Diabetes in Older PeopleLiterature Review Flow Diagram for Chapter 37: Diabetes in Older People *Excluded based on: population, intervention/exposure, comparator/control or study design. From: Moher D, Liberati A, Tetzlaff J, Altman DG, The PRISMA Group (2009).
Click HERE for a diagram on setting the float level of the Weber IDF. ... Double Base Gasket for Weber IDF 44, 45 and 48 carburetor. US$7.95. Weber.
0 Response to "38 weber 44 idf diagram"
Post a Comment