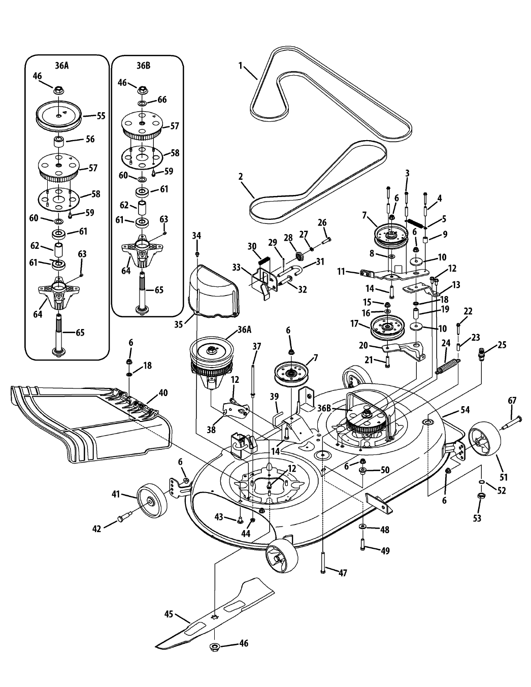
37 cub cadet ltx 1045 drive belt diagram
9 steps1.Step 1: Turn off the tractor (Duh), Place the PTO lever to “OFF” position. Move the tractor to a level spot, with plenty of clearance on both sides. Make ...2.Step 2: On a level surface, raise and block the tractor SAFELY! This is the most critical step of this procedure, as you will be using tools that will cause quite a bit of vibration. I simply lifted the front axle of my mower onto a sturdy wooden t…3.Step 3: Get the impact wrench out and I believe it was a 16mm IMPACT socket, emphasis on IMPACT socket. Don’t use a regular socket, it may break sending ... - info -Nui. aims at the concept 'Beyond all borders'. On the 1st floor, cafe& bar lounge, our guests and Japanese local people come and look forward to coff...
Subaru's EJ20K was a turbocharged, 2.0-litre horizontally-opposed (or 'boxer') four-cylinder petrol engine. In Australia, the EJ20K engine powered the Subaru GC/GM Impreza WRX from November 1996 (for the 1997 ‘model year’ or MY97) to 1998. For the Subaru GC/GM Impreza WRX, key features of the EJ20K engine included:

Cub cadet ltx 1045 drive belt diagram
Communities in Manitoba. Community Documents Find community resource documents to facilitate municipal administration, public works, recreation and wellness, environmental services, protective services, community development, land-use planning, community planning, and infrastructure development. Issue 6.1 (March 2004) Thematic Issue: Shakespeare on Film in Asia and Hollywood. Ed. Charles S. Ross Nov 12, 2013 — CUB CADET LLC, P.O. BOX 361131 CLEVELAND, OHIO 44136-0019. Printed In USA. ILLUSTRATED PARTS MANUAL. Hydrostatic Lawn Tractor — LTX1042 & ...56 pages
Cub cadet ltx 1045 drive belt diagram. Take A Sneak Peak At The Movies Coming Out This Week (8/12) Why Your New Year’s Resolution Should Be To Go To The Movies More; Minneapolis-St. Paul Movie Theaters: A Complete Guide Nov 12, 2013 — CUB CADET LLC, P.O. BOX 361131 CLEVELAND, OHIO 44136-0019. Printed In USA. ILLUSTRATED PARTS MANUAL. Hydrostatic Lawn Tractor — LTX1042 & ...56 pages Issue 6.1 (March 2004) Thematic Issue: Shakespeare on Film in Asia and Hollywood. Ed. Charles S. Ross Communities in Manitoba. Community Documents Find community resource documents to facilitate municipal administration, public works, recreation and wellness, environmental services, protective services, community development, land-use planning, community planning, and infrastructure development.
0 Response to "37 cub cadet ltx 1045 drive belt diagram"
Post a Comment