39 hazard switch wiring diagram
May 12, 2020 - 18+ Hazard Switch Wiring Diagram Motorcyclehazard switch wiring diagram motorcycle,Motorcycle Diagram - Wiringg.net. Trying to wrap my head around an alternative 3-way setup I've been diagramming in my head, I think the wiring works but am uncertain about the safety. Was trying to imagine a scenario in which I go to the first switch of the 3-way and connect one traveler to SW1 and the other traveler of that switch to SW2. With O1 and O2 lines creating continuity on towards the second switch via the existing travelers. Then setting the O1 state to off and the O2 state to on, set the switch method to ed...
Hello everyone! I recently acquired a 1976 B200 for a project, everything runs smoothly mechanically. Not so much electrical wise. I am getting absolutely no feedback on any part of the cluster EXCEPT for the right turn signal. No gauges, illuminations bulbs, or main lights. I have already checked bulbs and they all appear to be okay. I’ve done a ton of wire tracing and diagram studying but I can’t seem to pinpoint the issue. So far I have replaced all external bulbs, apart from the license ...

Hazard switch wiring diagram
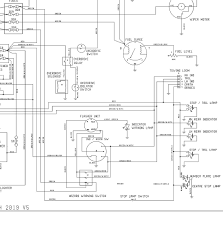
*No Difficulties Here* --- Aldi somehow managed to blend exhaustion, irritability and body aches into a single vocal inflection. "So, what's the problem?" "Did you not hear the-" Tinker paused in the middle of using the large pulldown workspace. On the left she had a callout showing incoming drone waves, with distance markers and terrain overviews on the right. Both windows had a lot of notes and highlighting. In the background several expanded charts of numbers guesstimated how fast drones w... This is what crushing boredom leads to in a hard lockdown. I've been typing since last Monday. If you have written a word down on your precious piece of paper and one of those words is not on this list, you have unfortunately written down the word wrongly. Double check, if you can. abandon ability able about above absent absorb abstract absurd abuse access accident account accuse achieve acid acoustic acquire across act action actor actress actual ... Wiring diagram. Toyota RAV4. Hazard warning switch circuit. Inspection procedure. Perform active test by intelligent tester. Connect the intelligent tester ...
Hazard switch wiring diagram. *Edited to add a video walkthrough, streamable link at the bottom.* An electrical company, very highly reviewed online, upgraded my panel last week. I had run a few new circuits and asked them to test them, make sure my work was up to code before inspection, and then hook them into the panel, which they agreed to. Two days ago I installed an exterior light, which was running off one of the new circuits. Today I installed an exterior outlet, run off the same circuit. I plugged in my electrical... This might be an unusual request but is it possible to get a wiring diagram of Tata Nano steering? we are working on a fun project and can't figure out how to make the turn indicator and wiper connection work. (every light and hazard switch connecting works fine) for anyone wondering its a driving/racing simulator for shopping malls and stuff. Tldr- the big round things on your fuse board are called flashers, switch them to see if that's the problem. Just wanted to share some info because I've seen literally hundreds of posts across different forums, thousands of Google results, people asking multiple times in the same thread. I searched for a long time for the answer and finally figured it out today. "Hey my blinkers don't work! My 4 way/hazard lights work, but not my turn signals! I've changed the bulbs, cleaned the grounds, repla... Sep 9, 2010 — I need this diagram to repair this circuit which is fried beyond repair. ... I got a new relay and a used hazard switch, because I suspected ...
Wiring Diagram For. Panel Mounted Illuminated Hazard Warning Switch - 12/24V. Product Code P01723 ... switch. Connection. 1. To +12V switched ignition feed.1 page Pac-Man,bow,Apple,chest,six pack,nail,tornado,Mickey Mouse,Youtube,lightning,traffic light,waterfall,McDonalds,Donald Trump,Patrick,stop sign,Superman,tooth,sunflower,keyboard,island,Pikachu,Harry Potter,Nintendo Switch,Facebook,eyebrow,Peppa Pig,SpongeBob,Creeper,octopus,church,Eiffel tower,tongue,snowflake,fish,Twitter,pan,Jesus Christ,butt cheeks,jail,Pepsi,hospital,pregnant,thunderstorm,smile,skull,flower,palm tree,Angry Birds,America,lips,cloud,compass,mustache,Captain America,pimple,Easter... Trying to wrap my head around an alternative 3-way setup I've been diagramming in my head, I think the wiring works but am uncertain about the safety. Was trying to imagine a scenario in which I go to the first switch of the 3-way and connect one traveler to SW1 and the other traveler of that switch to SW2. With O1 and O2 lines creating continuity on towards the second switch via the existing travelers Then setting the O1 state to off and the O2 state to on, set the switch method to edge. I'm... 100+ year old house. I bought it a few months ago. I wanted to have insulation blown into the attic. That seemed like a fairly quick job that would improve things. When the insulation guy was out he mentioned knob and tube. I made it into the attic myself and documented where yellow modern wires were (just on top) and where I knob and tube (obviously to three outlets). I also opened the lids on the metal boxes up there... And discovered it's knob and tube going down... So the attic has ye...
[Source](/r/IAmA/comments/j564fm/) He also posted: >MORE PROOF: https://imgur.com/a/VHXDWHy Questions|Answers :--|:-- That sounds like an excellent adventure. What’s the coolest thing that you’ve found since you moved in?|A few things! I was cleaning up the original general store (which opened around 1891) and in the way back, under tons of old furniture, [I found this old briefcase](https://www.instagram.com/p/B-xZ0BYpqJ3/). It was wrapped in a blanket and shoved under one of the origina... 2011 gmc savana 3500 no lights up front work but all other lights work as they should. Even the turn signals work in the rear and indicator on dash flashed correctly along with the hazard button. Was out two nights ago, got back in the truck to head home and no headlights or front turn signals. Since then here's what I've checked/ done: tried a known working headlight switch. Checked all related fuses to the headlights. (Low and high fuses have power at proper time/ modes) Checked all fr... I've got a 1975 Chevy C10 thats my project car for my senior year of high school. I've gotten all of the light working except the turn signals. They will work once in a while, but only after I jiggle the flasher unit, which leads me to believe the connections are corroded. I got a new flasher unit and have the same problem so I think the connections on the fuse box side might be pretty corroded still. I haven't been able to clean these connections very successfully and almost bent it out of shap... Pac-Man bow Apple chest six pack nail tornado Mickey Mouse Youtube lightning traffic light waterfall McDonalds Donald Trump Patrick stop sign Superman tooth sunflower keyboard island Pikachu Harry Potter Nintendo Switch Facebook eyebrow Peppa Pig SpongeBob Creeper octopus church Eiffel tower tongue snowflake fish Twitter pan Jesus Christ butt cheeks jail Pepsi hospital pregnant thunderstorm smile skull flower palm tree Angry Birds America lips...

Mobile Delousing Unit, Truck Equipment, Plan of Operation and Erection Procedure, Presentation Drawing (1943) // Bertrand Goldberg American, 1913-1997
Apr 19, 2019 — Hi All, I am soon going to attempt to wire in a hazard switch to my 1964 TR4. ... relay is confusing as it doesnt match up to a wiring diagram.
Tried turning on my fogs this morning and the button completely collapsed inside my dash, took it apart when I got to work and the clip for my hazards broke off as well. I don't want to spend however much time and money looking for/replacing a matching dash panel and light switches, so I'm saying fuck it and gonna stick some toggle switches somewhere. Long story short, wanted to see if a wiring diagram was out there so I could save some time on testing the wires.
Hi, Am getting a shed built right next to my house and wanted to run a 15A wire to it. Layout - Shed is physically almost touching the house, 2 shed walls will be adjacent to 2 house walls. (please see rough diagram linked). There is an existing outlet on my Deck railing right by the Shed, which is downstream from a GFCI inside the house. The external wire used here is 14/2 Solid UF 15A, stapled to the bottom of deck joists about 1 inch from the wall. Would it be terribly bad if I were to ru...
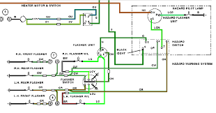
This diagram shows the Turn Signal flasher circuit in its simplest form: ... Hazard Switch Operation with 3-wire Indicator switch.
3 terminals. Accessories: Switch Mounting & Flasher Relays. Please refer to pages 2 & 3 for circuit diagrams. Switch Schematic. ON. OFF. HAZARD SWITCH ...3 pages
Hey all, I bought an 06 LJ Rubicon in February and have been working on it little by little and took on the daunting task of reworking the front end lighting. Downloaded the 2006 manual, located and traced all the wires which all seem to, fortunately, be intact. through all the work I have working Fog lights, Headlights with high beam but, no blinkers. Hazard switch does nothing but turn them on constant, like running lights, and with the 2 wire LEDs (which are wired off of splices from the...
I found a good deal on a hartage spoiler and the seller was in a hurry so we just unbolted the trunk, cut the wire harness then left. I foolishly cut my trunk harness to splice in the new trunks harness to avoid drilling out the bolts holding the spoiler down on the new to me trunk. The risk of damaging the rare spoiler seemed too high for my skill level. That harness didn't perfectly match up leaving me with two purple/yellow wires so I took the harness out and put my original harness in the ...
Pac-Man,bow,Apple,chest,six pack,nail,tornado,Mickey Mouse,Youtube,lightning,traffic light,waterfall,McDonalds,Donald Trump,Patrick,stop sign,Superman,tooth,sunflower,keyboard,island,Pikachu,Harry Potter,Nintendo Switch,Facebook,eyebrow,Peppa Pig,SpongeBob,Creeper,octopus,church,Eiffel tower,tongue,snowflake,fish,Twitter,pan,Jesus Christ,butt cheeks,jail,Pepsi,hospital,pregnant,thunderstorm,smile,skull,flower,palm tree,Angry Birds,America,lips,cloud,compass,mustache,Captain America,pimple,Easte...
Wiring diagram. Toyota RAV4. Hazard warning switch circuit. Inspection procedure. Perform active test by intelligent tester. Connect the intelligent tester ...
This is what crushing boredom leads to in a hard lockdown. I've been typing since last Monday. If you have written a word down on your precious piece of paper and one of those words is not on this list, you have unfortunately written down the word wrongly. Double check, if you can. abandon ability able about above absent absorb abstract absurd abuse access accident account accuse achieve acid acoustic acquire across act action actor actress actual ...
*No Difficulties Here* --- Aldi somehow managed to blend exhaustion, irritability and body aches into a single vocal inflection. "So, what's the problem?" "Did you not hear the-" Tinker paused in the middle of using the large pulldown workspace. On the left she had a callout showing incoming drone waves, with distance markers and terrain overviews on the right. Both windows had a lot of notes and highlighting. In the background several expanded charts of numbers guesstimated how fast drones w...

Marina City Theater, Chicago, Illinois, Roof and Partial Concrete Frame Development Drawing (1961-1962) // Bertrand Goldberg American, 1913-1997
0 Response to "39 hazard switch wiring diagram"
Post a Comment