37 craftsman lt1500 belt diagram
Craftsman lt 1500 belt diagram. Lawn tractor belt keeper. Having someone hold the clutch will make it easier and the belt diagram should be on the deck. Remove mower from tractor remove mower in this section manual. Sears partsdirect uses your location to provide local. Mtd 13al78st299 247288861 2012 Parts Diagram For Mower Deck 46 Inch throughout size 1180 X 1527. Craftsman 46 Mower Deck Belt Diagram - In the past few years, it Is simple to comprehend why hardwood decking Has become increasingly more prevalent. Hardwood decking is really durable because it's sourced from wood that is slow growing in tropical ailments.
Craftsman 247273740 riding mowers & tractors parts - manufacturer-approved parts for a proper fit every time! We also have installation guides, diagrams and manuals to help you along the way!

Craftsman lt1500 belt diagram
Craftsman 247288810 front-engine lawn tractor parts - manufacturer-approved parts for a proper fit every time! We also have installation guides, diagrams and manuals to help you along the way! MTD 13AN771S099 (247.289010) (2010) LT1500 13AN771S099 (2010) Mower Deck Assembly Parts Diagram. 42 inches Deck Rebuild Kit Will work with the following Cub Cadet Models: CC30 Mini Rider, LTX1040, LTX1042, EZT-L42, RZT-42, RZT-L42 and RZT-S42, 2011 and 2014 Sears / Craftsman: LT2000, LT1500Fits Mowers 247.289020, 247.288811, 247.288843, 247.288841 and more (2) Spindle Assemblies - Replaces OEM MYD/ Cub Cadet: 91
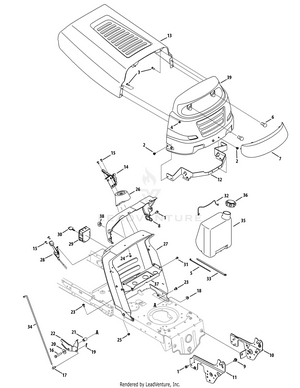
Craftsman lt1500 belt diagram. Mower Deck Assembly diagram and repair parts lookup for Craftsman 247.289010 (13AN771S099) - Craftsman LT1500 Lawn Tractor (2010) (Sears) Order Status Customer Support 512-288-4355 My Account Login to your PartsTree.com to view your saved list of equipment. This video provides step-by-step instructions for replacing the deck v-belt (or deck drive belt) on Craftsman lawn mowers. The most common reason for replaci... Craftsman repair parts and parts diagrams for Craftsman 247.288820 (13A277SS099) - Craftsman LT1500 Lawn Tractor (2013) Order Status Customer Support 512-288-4355 My Account Login to your PartsTree.com to view your saved list of equipment. 1. Aug 26, 2018. #1. Hello everyone, I have a Craftsman LT 2000 Rider, Model Number 247.288851. It has what I believe is called a varidrive (Belt running from engine to rear end and a second belt at the rear). Main drive belt broke. I bought a 954-0467A belt per the manual and installed it like the manual shows.
Craftsman Lt4000 Belt Diagram. Craftsman lt belt diagram related problems. Ask your Craftsman lt belt diagram questions. Get free help, advice & support from top Craftsman experts. instructions in the owner's manual, Sears will repair or replace, free of charge, any parts found to be defective in material or .. WMng Diagram. .. I need a drive belt diagram for a craftsman lawn tractor model #917.258504, my drive belt broke and I don't know how to re-route the new one. Report This by Manage My Life. September 3rd, 2010. Craftsman lawn tractor model #917.258504. Share it! Get more answers from the people in your networks. Craftsman Lawn Tractor LT1500 Transmission Belt Replacement Tips. Craftsman Lawn Tractor LT1500 Transmission Belt Replacement Tips. View and Download Craftsman LTS 1500 owner's manual online. 17.5 HR, 42'' Mower Electric Start 6 Speed Transaxle. LTS 1500 lawn mower pdf manual download. Also for: 917.28903.
Craftsman Lt 1500 Wiring Diagram. Craftsman lt deck diagram craftsman lt deck diagram craftsman lt deck diagram cable craftsman 42 inch deck diagram lt @lawnboy verify your complete model number for us. This diagram should work for your mower. Block Image. Thank you for your question. I will be happy to assist you. I posted an image below that ... Need a Belt Drive Diagram for a Craftsman LT Riding Lawn Mower. I did a search for lawn mower manuals and found this site: There is a belt diagram on all craftsman L&G troctors located under running board. The Craftsman LT is a basic riding mower designed to cut residential lawns. Over time, the drive belt that turns the mower blades can wear ... Belt Diagram For Craftsman Riding Mower Lt1000. I did a search for lawn mower manuals and found this site: There is a belt diagram on all craftsman L&G troctors located under running board. The Craftsman LT is a basic riding mower designed to cut residential lawns. Over time, the drive belt that turns the mower blades can wear down or break. I am sorry you are having a problem with the tractor. Over the years, we sold a few different styles of the LT1500. I posted the instructions for replacing the mower deck belt on some of our models. Click on the images to enlarge them. If you need to order the belt for the mower, you can do so from the following link. Craftsman tractor parts
Lt 1500 Craftsman Riding Lawn Mower Belt Diagram Author Evelyn Posted on January 16, 2019 January 16, 2019 Displaying Mower Deck parts for the MTD 247.288870 (13A277SS299) - Craftsman LT1500 Lawn Tractor (2013) ( Sears ).
Craftsman Lt2000 Belt Diagram. craftsman lt2000 belt diagram imageresizertool craftsman lt2000 belt diagram moreover transmission drive belt kevlar manual geared only fits some husqvarna lt151 models replaces 613 p how to replace craftsman lt2000 mower deck belt this video shows how to replace the deck belt on an lt2000 tractor but this also applies to the lt1000 and many other models ...
The Craftsman LT1500 (42-Inch) 420cc 7-Speed Lawn Tractor 28882 has been discontinued.
Craftsman Lt 1500 Belt Diagram. craftsman lt 1500 drive belt diagram fixya craftsman lt 1500 drive belt diagram tractor will run but not move belts seem to be fine but the manual just says garden question craftsman lt 1500 belt replacement hell please help update later in the day i got the belt on finally then while mowing the mower went up in flames video of the fire is also loaded in my
Welcome Rick! First off welcome to MTD ownership. I know you have a Craftsman, but it is made by MTD and has one of the more difficult to replace rear CVT belt. TractorData.com Craftsman 247.28881 tractor information TRANSMISSION Diagram & Parts List for Model 24728881 Craftsman-Parts Riding-Mower-Tractor-Parts | SearsPartsDirect
Technology Parts Store Mower Deck Belt Part # 429636, 197253 Replacement for Craftsman 42" Husqvarna, Poulan. 0. Sold by GrowKart. $26.01 $24.72.
Replacement belt for CRAFTSMAN® lawn tractors using part #954-04219 / 754-04219
There are three primary belts in a Craftsman mower- drive belt, arbor belt, and power clutch belt. What is the ground drive belt on a Craftsman riding mower? The ground drive belt is the one belt that makes the connection between the engine crankshaft pulley and the transmission pulley for allowing the mower to move.
Written By Pelvic Diagram Tuesday, March 30, 2021. Edit. Craftsman 42 Inch Mower Deck Belt Diagram. Replacing the mower deck belt doesn't require any tools, but it's a complex process that requires safety precautions to prevent injuries or damage to the mower system. Look on deck or under foot pedal there is usually a diagram in those places.
Potential sources can include buying guides for Craftsman T1600 Drive Belt Diagram, rating websites, word-of-mouth testimonials, online forums, and product reviews. Thorough and mindful research is crucial to making sure you get your hands on the best-possible Craftsman T1600 Drive Belt Diagram.
Sep 3, 2019 — craftsman lt 1500 drive belt diagram Tractor will run but not move. Belts seem to be fine, but the manual just says - Garden question.Deck belt diagram for Craftman LT 1500Nov 14, 2019Diagram for belt replacement for craftsman lt 1500Sep 2, 2019How to change transmission drive belt lt 1500 craftsmanNov 16, 2019Diagram on how to replace belt on craftsman LTS 1500Nov 19, 2019More results from www.fixya.com
The drive belt drives the rear axle and tires. It runs from the front pulley to a pulley located over the rear axle. You do not have to remove the deck. Put the belt on the front pulley and run it above the mower deck, through the belt tensioners, and back to the rear axle. To access the rear pulley, remove the battery and the battery holder so ...
Feb 10, 2020 — Craftsman LT1500. These belts can be different colors: Black, Blue, Gray, Brown etc. We cannot accept belts that show any sign of use or ...
Sabre 15538G front-engine lawn tractor parts - manufacturer-approved parts for a proper fit every time! We also have installation guides, diagrams and manuals ...
Craftsman Riding Lawn Mower Deck V Belt Replacement 532429636 Repair Clinic. Craftsman T240 Turn Tight 22 Hp V Twin Hydrostatic 46 In Riding Lawn Mower With Mulching Capability Kit Sold Separately The Gas Mowers Department At Lowes Com. Mower Belt Diagrams Fixya. Sears Lawn Tractor Parts Diagram Bakemotor Org.
42 inches Deck Rebuild Kit Will work with the following Cub Cadet Models: CC30 Mini Rider, LTX1040, LTX1042, EZT-L42, RZT-42, RZT-L42 and RZT-S42, 2011 and 2014 Sears / Craftsman: LT2000, LT1500Fits Mowers 247.289020, 247.288811, 247.288843, 247.288841 and more (2) Spindle Assemblies - Replaces OEM MYD/ Cub Cadet: 91
MTD 13AN771S099 (247.289010) (2010) LT1500 13AN771S099 (2010) Mower Deck Assembly Parts Diagram.
Craftsman 247288810 front-engine lawn tractor parts - manufacturer-approved parts for a proper fit every time! We also have installation guides, diagrams and manuals to help you along the way!
0 Response to "37 craftsman lt1500 belt diagram"
Post a Comment