42 troy bilt tiller horse parts diagram
Troy-Bilt repair parts and parts diagrams for Troy-Bilt 12089 - Troy-Bilt Horse Rear-Tine Tiller (SN: 120890100101 & Above) Order Status Customer Support 512-288-4355 My Account Login to your PartsTree.com to view your saved list of equipment. Troy Bilt HORSE II 8HP ROTO TILLER (S/N 1001-639999) Parts Diagrams ... TILLER SERIAL #14158 AND BELOW AND TILLER SERIAL # 14518-14717 HAVE THE DRIVE SHAFT ...
Troy Bilt HORSE I 7HP ROTO TILLER (S/N 1001-639999) Parts Diagrams.
Troy bilt tiller horse parts diagram
Lookup Parts by Diagram. Use our parts diagram tool below to find the parts you need for your machine. Select the model and year, then browse the parts diagrams to find the right part. Add to cart when you're ready to purchase and we'll ship it to you as soon as possible! Financing Now Available for Online Purchases.*. Learn More. Troy Bilt HORSE II 6HP ROTO TILLER (S/N 1001-639999) Parts Diagrams. Parts Lookup - Enter a part number or partial description to search for parts within this model. There are (365) parts used by this model. TILLER SERIAL #14158 AND BELOW AND TILLER SERIAL # 14518-14717 HAVE THE DRIVE SHAFT SYSLE SHOWN BELOW. THIS DRIVE SHAFT USES AN ADJUSTMENT ... Troy-Bilt Horse Tiller Parts. 1 -For Troy-Bilt Horse Tiller Parts for units manufactured by Garden Way, please select actual model number in list below. 2 - For Troy-Bilt Horse Tillers manufactured from 2002 and newer please use the parts lookup tool to select your year and model number. Troy-Bilt Horse Legacy Models From Garden Way Era.
Troy bilt tiller horse parts diagram. BATTERY BRACKET- introduced on Tiller Serial #648406. No Longer Available. Troy-Bilt repair parts and parts diagrams for Troy-Bilt 12153 - Troy-Bilt Horse Rear-Tine Tiller. TroyBilt - Troy-Bilt Lawn and Garden Power Equipment Roto Tillers, Mowers, Chipper Shredders, Brush Cutters, Tractors, Carts, Snowthrowers, Composters, Greenhouses, Log Splitters, Sprayers, Pressure Washers and Generators WW Grinder, Bolens Lawn and Garden Equipment Tillers ( 196 models ) troy bilt horse tiller parts manual 1980 ebay, troy bilt 12214 bronco 5 5hp tiller parts diagram for engine engine, troy bilt horse ii 8hp roto tiller s n 1001 639999 parts diagram for,
Troy Bilt HORSE I 6HP ROTO TILLER (S/N 1001-639999) Parts Diagrams ... Parts Lookup - Enter a part number or partial description to search for parts within this ... Troy Bilt 12090 - 8HP Electric PTO Horse Tiller Parts Diagrams. Parts Lookup - Enter a part number or partial description to search for parts within this model. There are (273) parts used by this model. Used on left and right side tine assy. Tine is stamped either "EL" or "AL". Troy Bilt 12090 HORSE-OPC (7&8HP) ROTOTILLER (S/N 120900100101-UP) Parts Diagrams. Parts Lookup - Enter a part number or partial description to search for parts within this model. There are (282) parts used by this model. Troy Bilt Horse Parts Diagrams · 0360 HORSE-SILVER ANNIVERSARY(8HP) TILLER (S/N D0000001 · 10056 Horse III (S/N 640000-855638) · 12055 HORSE-OPC (7&8HP) ROTOTILLER ...
troy bilt 21ae682l766 big red 2013 parts diagram for tiller transmission, troy bilt 0360 horse silver anniversary 8hp tiller s n d0000001 parts, troy bilt 12086 econo horse 6hp opc s n 120860100101 up parts, Troy-Bilt Tillers Horse parts with OEM Troy-Bilt parts diagrams to find Troy-Bilt Tillers Horse repair parts quickly and easily Order Status Customer Support 512-288-4355 My Account Login to your PartsTree.com to view your saved list of equipment. Troy-Bilt Horse Tiller Parts. 1 -For Troy-Bilt Horse Tiller Parts for units manufactured by Garden Way, please select actual model number in list below. 2 - For Troy-Bilt Horse Tillers manufactured from 2002 and newer please use the parts lookup tool to select your year and model number. Troy-Bilt Horse Legacy Models From Garden Way Era. Troy Bilt HORSE II 6HP ROTO TILLER (S/N 1001-639999) Parts Diagrams. Parts Lookup - Enter a part number or partial description to search for parts within this model. There are (365) parts used by this model. TILLER SERIAL #14158 AND BELOW AND TILLER SERIAL # 14518-14717 HAVE THE DRIVE SHAFT SYSLE SHOWN BELOW. THIS DRIVE SHAFT USES AN ADJUSTMENT ...
Lookup Parts by Diagram. Use our parts diagram tool below to find the parts you need for your machine. Select the model and year, then browse the parts diagrams to find the right part. Add to cart when you're ready to purchase and we'll ship it to you as soon as possible! Financing Now Available for Online Purchases.*. Learn More.
Troy Bilt Horse Ii 8hp Roto Tiller S N 1001 639999 Parts Diagram For Pulley Belt Clutch Control For 4 Speed Models
Heavy Equipment Parts Accessories Troy Bilt Pto Horse Tiller 7 Hp 8 Hp Parts Manual 12056 12059 On Cd Business Industrial
Cheap Troy Bilt Pony 1976 1981 Parts Manual 24 Pages Exploded Diagrams Part Numbers Home Delivery Home Delivery Kimronggolawe Com
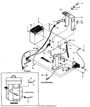
Troy Bilt 6000 8811 Troy Bilt Horse Iii Rear Tine Tiller Electric Start System 6hp 7hp 8hp Tillers Parts Lookup With Diagrams Partstree
Diagram And Or Partslist 12087c Troy Bilt Parts Manual Horse Opc 7 And 8hp Rototiller S N 120870100101 Up
Diagram And Or Partslist 12087c Troy Bilt Parts Manual Horse Opc 7 And 8hp Rototiller S N 120870100101 Up
Troy Bilt 15010 Troy Bilt Econo Horse Rear Tine Tiller Sn 150100100101 Above Trans Hsg Seals Gaskets Parts Lookup With Diagrams Partstree
Tine Clutch Pto Horse Model Troy Bilt Roto Tiller Power Composter Parts Catalog Various Amazon Com Books
Troy Bilt 6311 Troy Bilt Econo Horse Rear Tine Tiller Sn E0001001 E0008843 Engine Pulley Belts Parts Lookup With Diagrams Partstree
Troy Bilt 10056 Troy Bilt Horse Iii Rear Tine Tiller Sn 640000 855638 Tiller Attachment Transmission Assemblies Parts Lookup With Diagrams Partstree
Troy Bilt Pto Horse Tiller 1992 1993 Parts Manual 7 8 Hp 12051 12059s 12067 Cd Heavy Equipment Parts Accessories Heavy Equipment Parts Attachments
0 Response to "42 troy bilt tiller horse parts diagram"
Post a Comment