Iklan 300x250

42 mercury outboard rectifier wiring diagram

Regulator Rectifier Replacement For Mercury Mariner Outboard New 6-Wire ... do not get confused as there are no instruction or wiring diagram with the part. Rating: 4.6 · ‎43 reviews Yamaha outboard rectifier wiring diagram outboard engine wiring tacklereviewer august 7th in boating freebies by branson werner outboard engine wiring engine wire color codes for most outboard engines omc mercury suzuki yamaha force honda are covered in the diagram. New voltage regulator rectifier for yamaha outboard 68v 81960 00 6d3 81960 00.

Re: Mercury Tach Problems - is rectifier bad, or stator?? Your wiring appears to be correct. The tach runs off an AC signal from the stator. The rectifier is a convenient tie in place for the gray wire as the stator also feeds it. Thats why when the rectifier goes bad it affects the tach. Test the stator according to your manual.

Mercury outboard rectifier wiring diagram

Mercury outboard rectifier wiring diagram

60 Hp Mercury Outboard Wiring Diagram - wiring diagram is a simplified up to standard pictorial representation of an electrical circuit. It shows the components of the circuit as simplified shapes, and the talent and signal associates amid the devices. A wiring diagram usually gives counsel nearly the relative outlook and accord of devices ... Mercury Mariner Outboard Parts By Hp Liter 40hp Oem Diagram For Starter Motor Rectifier And Wiring Harness Electric Only Boats Net. Mercury 402 40 Hp Wiring. Flywheel Ignition Coil And Switch Box Serial Range Mercury Outboard 402 3336258 Thru 4117709 Usa Crowley Marine. mercury outboard rectifier wiring diagram - You will need a comprehensive, professional, and easy to understand Wiring Diagram. With this kind of an illustrative guide, you are going to be capable of troubleshoot, stop, and total your projects with ease.

Mercury outboard rectifier wiring diagram. I have a rectifying rig for my Johnson 15 HP O/B. The unit has 4 wires emerging (red,yellow ,yellow/blue,and yellow/black)into a harness.From the harness is a 3 pin plug to outboard,and a twin black/red to battery. I would like to use the rig on an Evinrude 6 HP,which I beleive is the same as... Mercury Outboard Ignition Switch Wiring Diagram. universal ignition switch wiring diagram page 1 iboats re universal ignition switch wiring diagram you are probably looking at ignition switches for an i o outboard switches require more and different ignition coil troubleshooting tips for mercury & mariner mercury mariner ignition coil diagrams coil packs and repair manuals troubleshooting tips ... Mercury Mariner Outboard 10 15 Hp Factory Service Repair Manual Pdf Tradebit. Mercury outboard wiring diagrams 110 9 8 hp 84 computer diagram full arquivos esquema elétrico clube do 85 boat 1975 ignition rope start yamaha 90 2 stroke 4 15hp with no spark 10 15 sea pro marathon 6 1989 force 50 2018 20hp repair manual suzuki evinrude fuel pump johnson starter 25 motor parts mariner 79 schematic ... WE HAVE PARTS, SERVICE MANUALS AND WIRING DIAGRAMS AVAILABLE FOR MERCURY OUTBOARD MOTORS : Wondering "Where-'n-'Ell" to get great parts for your outboard? Right Here! A Fun Old Porcelain Sign and Ancient Tools . Meet the MasterTech! (click picture) If your Mfgr. says: T hat motor's 7 years old!! P art is no longer ...

Mastertech Marine — Chrysler & Force Outboard Wiring Diagrams, size: 800 x 600 px, source: www.maxrules.com. Below are some of the top illustrations we get from different resources, we really hope these photos will be useful to you, and with any luck really relevant to what you want about the 50 Hp Mercury Outboard Wiring Diagram is. Mercury Outboard Wiring Diagram Schematic - mercury outboard wiring diagram schematic, Every electric arrangement consists of various unique pieces. Each component should be placed and connected with different parts in particular manner. If not, the arrangement will not work as it should be. Aug 23, 2010 — This kit replaces Mercury P/N's: 194-3072, 854515T 2, 883072T 1, 883072T 2, ... regulator/rectifier had the Grey wire capped off, ...2 pages The rectifier you'll find most commonly on an outboard is a bridge rectifier and this is the circuit diagram for one of those down here which we'll go through in a minute so the simplest rectifier you can have is just a single diode that only allows current to flow in one direction so instead of alternating you're simply allowing only go in one ...

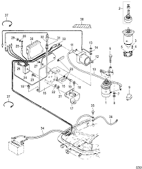
Buy OEM Parts for Mercury Outboard Parts by Year (Mercury, Mariner, Mark, Force, Chrysler, Sears, SportJet) Mercury Outboard Starter Motor, Rectifier and Wiring Harness Diagram Mercury Outboard Wiring Diagrams Mastertech Marin 2005 Mercury 115 Hp 115elpto Engine Wiring Harness 880193t03 Ebay ... Mercury Marine 35 Hp 2 Cylinder Starter Motor Rectifier Mercury Optimax Wiring Harness Daily Update Wiring Diagram WIRING DIAGRAMS 475 13 Diagram Key Connectors Ground Frame ground No connection plugs Connection Starter relay unit Electric starter Junction plug Battery charging coil Electric high pressure fuelpump Regulator/ rectifier Batt. cable Trim relay unit 2 3 Charging coil Power relay Engine cover mounted trim switch Adapter harness 1 4 Charging coil ... Mercury outboard wiring diagrams rectifier testing steps with harness starter solenoid and tachometer rectifiers ebasicpower com marine 1975 110 9 8 hp regulator 40 tech diagram of. Wiring Harness Starter Solenoid And Rectifier Serial Range Mercury Race Outboard Merc 3 4 Efi 0a953707 Thru 0a953736 Usa Crowley Marine.

31 Mercury Outboard Rectifier Wiring Diagram - Wiring ...

31 Mercury Outboard Rectifier Wiring Diagram - Wiring ...

Mercury Rectifier Troubleshooting . Rectifier testing and troubleshooting . If you are having problems with the charging system, you may need to test the rectifier for functionality. The test involves the use of a multimeter. The rectifier can remain in place, but all wires will need to be removed from the rectifier.

Wiring Diagram Mercury 25hp Outboard - Wiring Diagram Schemas

Wiring Diagram Mercury 25hp Outboard - Wiring Diagram Schemas

mercury outboard rectifier wiring diagram - You will need a comprehensive, professional, and easy to understand Wiring Diagram. With this kind of an illustrative guide, you are going to be capable of troubleshoot, stop, and total your projects with ease.

Areyourshop For Mercury 2/3/4/6 Cyl 25 40/45 90/90 125/150 225 HP Rectifier Regulator 5 Wire Outboard Motorcycle Accessories|Motorbike Ingition| - AliExpress

Areyourshop For Mercury 2/3/4/6 Cyl 25 40/45 90/90 125/150 225 HP Rectifier Regulator 5 Wire Outboard Motorcycle Accessories|Motorbike Ingition| - AliExpress

..Here we go again- another older Mercury motor with electrical issues. This one is slightly different because it has been in use and running flawlessly. THE...

31 Mercury Outboard Starter Solenoid Wiring Diagram ...

31 Mercury Outboard Starter Solenoid Wiring Diagram ...

75/90 FOURSTROKE EFI WIRING DIAGRAM. Color Diagrams Page 8A-4 90-897725 MARCH 2005 75/90 FourStroke EFI Wiring Diagram 1 - Electronic control module (ECM) ... 22 -Voltage regulator/rectifier 23 -Stator ‑ 25 ampere 24 -Trim indicator 25 -Instruments 26 -Crank position sensors 27 -Malfunction indicator lamp (MIL) connection

I want to connect a tachometer to my 1974 mercury outboard ...

I want to connect a tachometer to my 1974 mercury outboard ...

Mercury Marine Technical Library. Our Mercury Marine Parts technical expertise also allows PPT to provide our boating customers with direction regarding Direct Replacement Mercury Outboard Parts options. In certain cases OEM Mercury Marine Parts are the better option but in many cases there are good, economical alternative part options such as with Sierra Marine Parts.

electrical - Why does this wiring harness connect the ...

electrical - Why does this wiring harness connect the ...

Re: wiring diagram for 1998 mercury 9.9EL. OK then you have the remote control electric start motor. One of the gray wires comes from the charging stator and connects to the rectifier, and being as its unhooked your not charging the battery. You will need to test the rectifier before you hook the gray charging stator wire before you hook it ...

Would running a "new style" rectifier with no ground on a ...

Would running a "new style" rectifier with no ground on a ...

wiring color codes Here is a listing of common color codes for Mercury and Mariner (US-made) outboard motors. These codes apply to later-model motors (approximately early 80's to present)

Wiring Diagram: 34 Mercury Outboard Wiring Diagram

Wiring Diagram: 34 Mercury Outboard Wiring Diagram

Yeah, reviewing a ebook mercury outboard rectifier wiring diagram could amass your close contacts listings. This is just one of the solutions for.

Burned Yellow Stator/Regulator Wires, Failed Regulator? (2000 75HP ELPTO) | Boating Forum - iboats Boating Forums

Burned Yellow Stator/Regulator Wires, Failed Regulator? (2000 75HP ELPTO) | Boating Forum - iboats Boating Forums

Mercury outboard rectifier wiring diagram mercury outboard rectifier wiring diagram every electric structure is made up of various unique pieces. If not the structure will not work as it should be. Universal ignition switch wiring diagram page 1 iboats re universal ignition switch wiring diagram you are probably looking at ignition switches for ...

Mercury Outboard L3, L4, & L6 Rectifier Test - YouTube

Mercury Outboard L3, L4, & L6 Rectifier Test - YouTube

Jun 13, 2015 — I followed the wiring diagram in the mercury manual as the kit didn't come ... I had an older Johnson outboard that just had a rectifier, ...

Amazon.com: Voltage Regulator Rectifier for Mercury Mariner Outboard Force, 194-5279 815279 9-17101, 5 Wire 12V : Automotive

Amazon.com: Voltage Regulator Rectifier for Mercury Mariner Outboard Force, 194-5279 815279 9-17101, 5 Wire 12V : Automotive

free mercury outboard wiring schematics wiring diagram show. Architectural wiring diagrams play-act the approximate locations and interconnections of receptacles, lighting, and long-lasting electrical facilities in a building. Interconnecting wire routes may be shown approximately, where particular receptacles or fixtures must be on a common circuit.

Amazon.com: High Perfermance Voltage Regulator Rectifier For Mercury Mariner Outboard 12 Volt 6 Wire 815279T, 815279-3, 815279-5 : Automotive

Amazon.com: High Perfermance Voltage Regulator Rectifier For Mercury Mariner Outboard 12 Volt 6 Wire 815279T, 815279-3, 815279-5 : Automotive

Mercury 6 Cylinder Engines with ADI (Alternator/Stator Driven Ignition) Ignitions ... Engine Wiring Cross Reference Chart for Most Outboards. Circuit.220 pages

Mercury Outboard Parts by Year (Mercury, Mariner, Mark ...

Mercury Outboard Parts by Year (Mercury, Mariner, Mark ...

How to test rectifier from a Mercury Marine Force outboard. How to test rectifier from a Mercury Marine Force outboard.

I am 1200 ks from my closet mercury dealer so what i am chasing is a diagram so show the power wire to charge a battery

I am 1200 ks from my closet mercury dealer so what i am chasing is a diagram so show the power wire to charge a battery

Mercury outboard wiring diagrams 150 efi service manual pdf harness 115 engine wire tacklereviewer 2001 2005 diagram for a 2000 ocean pro what is the 1983 starter solenoid mercruiser power trim schematic oil alarm beep rectifier testing steps with 2 5 and 3 0l v6 optimax i have 1998 50hp 1996 force 40 hp car 1985 black max mariner 4 stroke 1977 ...

Mercury/Mariner 500, Starter Motor, Starter Solenoid ...

Mercury/Mariner 500, Starter Motor, Starter Solenoid ...

Mercury Marine 35 hp (2 cyl.) starter motor, rectifier and wiring harness (electric only) parts. Buy a genuine Mercury Quicksilver or aftermarket part.

nusswahn.de Electrical & Batteries Parts FOLCONROAD 5-Wires Rectifier Voltage Regulator 854514A1 854514 854515 854515T1 883072T 817411

nusswahn.de Electrical & Batteries Parts FOLCONROAD 5-Wires Rectifier Voltage Regulator 854514A1 854514 854515 854515T1 883072T 817411

Mercury Outboard Rectifier Wiring Diagram - mercury outboard rectifier wiring diagram, Every electric structure is made up of various unique pieces. Each component ought to be set and linked to different parts in particular manner. If not, the structure will not work as it should be.

Mercury Outboard Rectifier Wiring Diagram - 36

Mercury Outboard Rectifier Wiring Diagram - 36

mercury outboard rectifier wiring diagram - You will need a comprehensive, professional, and easy to understand Wiring Diagram. With this kind of an illustrative guide, you are going to be capable of troubleshoot, stop, and total your projects with ease.

35 Hp Mercury Outboard Wiring Diagram - Wiring Diagram Schemas

35 Hp Mercury Outboard Wiring Diagram - Wiring Diagram Schemas

Mercury Mariner Outboard Parts By Hp Liter 40hp Oem Diagram For Starter Motor Rectifier And Wiring Harness Electric Only Boats Net. Mercury 402 40 Hp Wiring. Flywheel Ignition Coil And Switch Box Serial Range Mercury Outboard 402 3336258 Thru 4117709 Usa Crowley Marine.

STARTER MOTOR, STARTER SOLENOID, RECTIFIER AND WIRING HARNES - Serial Range Mercury Outboard 650 (4 CYL.) 2119749 THRU 2309310 | Crowley Marine

STARTER MOTOR, STARTER SOLENOID, RECTIFIER AND WIRING HARNES - Serial Range Mercury Outboard 650 (4 CYL.) 2119749 THRU 2309310 | Crowley Marine

60 Hp Mercury Outboard Wiring Diagram - wiring diagram is a simplified up to standard pictorial representation of an electrical circuit. It shows the components of the circuit as simplified shapes, and the talent and signal associates amid the devices. A wiring diagram usually gives counsel nearly the relative outlook and accord of devices ...

Mercury Outboard Rectifier Wiring Diagram - Free Wiring ...

Mercury Outboard Rectifier Wiring Diagram - Free Wiring ...

[DIAGRAM KS_6735] Rectifier For Mercury 115 Wiring Diagram ...

[DIAGRAM KS_6735] Rectifier For Mercury 115 Wiring Diagram ...

815279 RECTIFIER REGULATOR FITS MERCURY MARINER Outboard 5 ...

815279 RECTIFIER REGULATOR FITS MERCURY MARINER Outboard 5 ...

Mercury Marine 60 HP (3 Cylinder) Starter Motor, Starter ...

Mercury Marine 60 HP (3 Cylinder) Starter Motor, Starter ...

35 Hp Mercury Outboard Wiring Diagram - Wiring Diagram Schemas

35 Hp Mercury Outboard Wiring Diagram - Wiring Diagram Schemas

Rectifier For Mercury 115 Wiring Diagram | Manual E-Books ...

Rectifier For Mercury 115 Wiring Diagram | Manual E-Books ...

Mercury Outboard Rectifier Wiring Diagram - General Wiring ...

Mercury Outboard Rectifier Wiring Diagram - General Wiring ...

1971 mercury 50 hp - YouTube

1971 mercury 50 hp - YouTube

35 Mercury Outboard Rectifier Wiring Diagram - Wire ...

35 Mercury Outboard Rectifier Wiring Diagram - Wire ...

Wiring Harness, Starter Solenoid & Rectifier FOR MARINER ...

Wiring Harness, Starter Solenoid & Rectifier FOR MARINER ...

Battery Charging Kit (electric Start Models) 99 / 15hp (4 ...

Battery Charging Kit (electric Start Models) 99 / 15hp (4 ...

STARTER MOTOR, STARTER SOLENOID, RECTIFIER & WIRING ...

STARTER MOTOR, STARTER SOLENOID, RECTIFIER & WIRING ...

Buy Regulator Rectifier Mercury Mariner 815279T 815279-3 815279-5 830179T 830179-2 854515 856748 883072 883072T NEW Online in Indonesia. B00DBDPV7U

Buy Regulator Rectifier Mercury Mariner 815279T 815279-3 815279-5 830179T 830179-2 854515 856748 883072 883072T NEW Online in Indonesia. B00DBDPV7U

10 Mercury Outboard Rectifier Wiring Diagram - Free Wiring ...

10 Mercury Outboard Rectifier Wiring Diagram - Free Wiring ...

35 Mercury Outboard Rectifier Wiring Diagram - Wire ...

35 Mercury Outboard Rectifier Wiring Diagram - Wire ...

Regulator Rectifier for Mercury Outboard 6 Wire replaces ...

Regulator Rectifier for Mercury Outboard 6 Wire replaces ...

Mercury Marine 1150 Starter Motor, Starter Solenoid ...

Mercury Marine 1150 Starter Motor, Starter Solenoid ...

Mercury Outboard Rectifier Wiring Diagram - Search Best 4K ...

Mercury Outboard Rectifier Wiring Diagram - Search Best 4K ...

1981 Johnson 90HP J90TLCIM rectifier issue? Page: 1 ...

1981 Johnson 90HP J90TLCIM rectifier issue? Page: 1 ...

Mercury Outboard Rectifier Wiring Diagram - General Wiring ...

Mercury Outboard Rectifier Wiring Diagram - General Wiring ...

Mercury Outboard Wiring diagrams -- Mastertech Marin

Mercury Outboard Wiring diagrams -- Mastertech Marin

Mercury Mercury & Mariner Outboard Parts by HP & Liter ...

Mercury Mercury & Mariner Outboard Parts by HP & Liter ...

Mercury Outboard Parts by Year (Mercury, Mariner, Mark ...

Mercury Outboard Parts by Year (Mercury, Mariner, Mark ...

0 Response to "42 mercury outboard rectifier wiring diagram"

Post a Comment

Iklan Atas Artikel

Iklan Tengah Artikel 1

Iklan Tengah Artikel 2

Iklan Bawah Artikel