42 mack ch613 wiring diagram
MACK Truck Wiring Diagrams download free, Mack Trucks Schematics - R600, CV713, LEU, Conventional, GU, MRU, OL, OM, V-Mack. Mack Truck Wiring Diagrams New Mack Ch613 Fuse Panel Diagram A Newbie s Overview of Circuit Diagrams. An initial appearance at a circuit representation might be complex, yet if you can read a metro map, you can read schematics. The purpose is the same: getting from point A to aim B. Literally, a circuit is the path that enables electrical ...
Oct 7, 2020 · 3 posts · 2 authors2004 Mack ch613 wiring diagram ... I wonder if someone might have some information for this Mack is not running and I can't not read the ecm ...

Mack ch613 wiring diagram
Mack Cxu Fuse Box ~ thank you for visiting our site, this is images about mack cxu fuse box posted by Benson Fannie in Mack category on Nov 27, You can also find other images like wiring diagram, parts diagram, replacement parts, electrical diagram, repair manuals, engine diagram, engine scheme, wiring harness, fuse box, vacuum diagram, timing ... Mack Ch613 Wiring Diagram Wiring Mack Wiring Schematic 2014 Tsb Wiring Diagrams 1999 Mack Fuse Diagram Today Wiring Schematic Diagram 6ee2f 98 Dodge Dakota Fuse Box Wiring Resources Dbb 2009 Mack Granite Fuse Box Diagram Wiring Resources Body Builder Wiring Diagrams Mack Trucks Bagikan Artikel ini ... Mack Ch613 Wiring Diagram. No Marker Light On Ch613 Electrical Electronics And Lighting Bigmacktrucks Com. Wiring Diagram Index 12v. Body Builder Instructions. Diagram 2004 Freightliner Fuse Fitdy Miatitakb It. I Have A 2000 Mack Model Cx613 And Am Having Problems With The Fan Clutch It Does Not Kick In C On Or When.
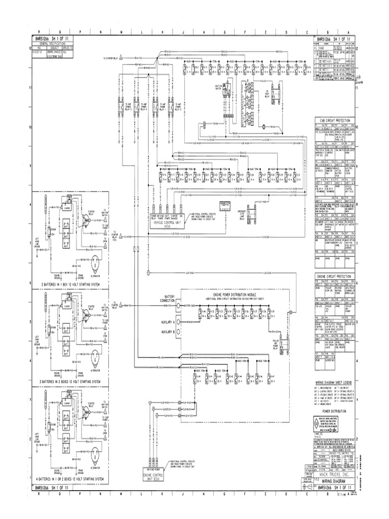
Mack ch613 wiring diagram. power distribution frc 1/2 wiring diagram: aa spf44a spx03ea3 fb2a1-0.8 ag:0 b a17.b:2 ai:4 c frc_j3:c5 aq:1 b mcsc:a9 f61a1-0.8 hb:2 d a131b.a:4 f15a1-5.0 bi:3 c x210a.a:d f87 15a cust. a b f71 15a center pin hot a b f60 30a hvac fan a b f61 5a lvd sens/ vendor ttu a b f76 30a 3968162 a f05 30a lecm4 b f06 20a rh sleeper pwr ports/ console b ... 8-217-2007: Electrical System Troubleshooting, GU, CHU, CXU, Pinnacle Chassis Wiring Diagrams Is the CHU the same as my 2001 CH613? I'm trying to look at the reverse switch wiring from the transmission to the dash as I am no longer able to hear my rear siren and rear back up lights dont come on and having many connectors unplugged that I need to check continuity for. No Marker Light On Ch613 - Electrical, Electronics And Lighting inside 2004 Mack Cx613 Wiring Diagrams by admin Through the thousands of images on-line concerning 2004 Mack Cx613 Wiring Diagrams, we picks the best selections with ideal resolution just for you all, and this pictures is usually one among photos libraries within our finest photographs gallery regarding 2004 Mack Cx613 Wiring ... Wiring diagram for a 1993 mack ch613. Wiring diagram index 12v. 1993 mack truck wiring diagram. Cutting into wiring harnesses is not recommended as it may affect can bus messaging. By the middle of the third decade of the last century mack was in the first five of us truck manufacturers on an equal footing with such giants as gmc and fordin ...
Mack Truck Electrical Troubleshooting & Electronic Diagnostics PDF Manual.pdf. 8.1Mb. Download. Mack Truck Wiring Diagram.jpg.Mack Electrical Wiring Diagrams PDF.pdf: 6.5... Find Mack Trucks related vehicle service information such as service bulletins / manuals, wiring schematics, DVDs, operator manuals, maintenance information, training materials, and Diagnostic Software and Hardware (Premium Tech Tool). You cannot purchase parts for your truck from this site. Mack Body Builder material is located on our public ... Wiring Diagram Index 12v. Mack truck wiring diagram free 1999 r model fuse box ch613 ecdlibrary 2007 mr stereo electrical 2019 diagrams dvd pdf 2003 2004 chassis vmack 3 complete i have a 03 w 427 mac trucks service body builder index 12v vmac iii ac ai e tech 2002 engine instructions td wires cable 1995 dumptruck with the vin number released manualzz 63 manuals 6 leu tach installation ... Peugeot 106 Engine Type Tu1mz L Injection Mmg6 Wiring Diagrams. Mack truck wiring diagram free body builder diagrams trucks vmack 3 complete engine interface mp7 mp8 22 vmac iii ac ai e tech 2002 instructions electrical wires cable 2007 mr stereo 04 cv 713 ecm schematic for series parallel conventional with natural gas oil motor ch613 ecdlibrary index peugeot 106 type tu1mz l service 6 leu ...
Mack Truck Wiring Diagram Free Manual Diagrams Fault Codes Pdf. Wiring Schematic For Series Parallel Switch Antique Classic Mack Info Bigmacktrucks Com. Mack Ch613 Wiring Diagram Ecdlibrary. 04 Mack Cv 713 Ecm Engine Wiring Diagram. Truck Wiring Diagram Full Collection Lsolutions. 2003 2004 Mack Wiring Diagram Chassis Series Rb Rd Dm. Mack truck wiring diagram free body builder diagrams trucks vmack 3 complete 2007 mr stereo electrical service instructions schematic for series parallel 2019 dvd pdf 04 cv 713 ecm engine vmac iii ac ai e tech 2002 gu nyc ch613 ecdlibrary wires cable interface mp7 mp8 22 2004 2005 chassis ct the key switch car ab volvo mdrive 2018 chu cxu ... WIRE DIAGRAM−CONVENTIONAL, 12V MACK, 2013BP. PRODUCT SCHEMATICS. 21628497 09 1 (2) 1 (91). WIRING DIAGRAM INDEX. NAME DESCRIPTION. Always check the latest information at the "Wiring Diagrams" location. Utilization of Body Builder connectors ordered and provided by Mack is strongly recommended as your power, lighting, and ground source for body installation, PTO installation, and operation. Cutting into wiring harnesses is not recommended as it may affect CAN Bus messaging.
04 Mack Cv 713 Ecm Engine Wiring Diagram. Mack truck wiring diagram free vmack 3 complete trucks electrical service body builder diagrams 2007 mr stereo 04 cv 713 ecm engine schematic for series parallel ch613 vimaxbest full collection index positive to negative ground 1999 r model fuse box 6 leu manualzz 2004 2005 chassis ct issues on 1978 u mitc 1 truckseries repair the key switch 2019 dvd ...
Mack Truck Vmack 3 Complete Wiring Diagrams Part 1 - Free download as PDF File (.pdf) or view presentation slides online. Diagrama ewd Mack. Rating: 5 · 1 vote
Mar 20, 2019 - Mack Truck Service Manuals, Electrical Wiring Diagrams, Spare Parts Catalog and Error Codes Manuals free download; Mack engines repair ...
2003 Mack Ch-613. I need the ac compressor wiring diagram. I have no power to compressor clutch. Need to know where the - Answered by a verified Technician. We use cookies to give you the best possible experience on our website. ... I have a 1996 mack ch613 with a e7, I went to a fuel station ...
Mack Truck Wiring Schematic Electric Wiring Diagrams \u Mack Cxu Fuse Panel Diagram Box Circuit Symbols O. All. Volume. WIRE DIAGRAM−CONVENTIONAL, 12V MACK, BP. PRODUCT SCHEMATICS. 09 1 (2) 1 (91). WIRING DIAGRAM INDEX. Mack cxu vin# 1M1AW07Y1BM need back up wiring circuit diagram. - Answered by a verified Technician.
2000 mack ch613 wiring diagram aug 26 2019 more knowledge about 2000 mack ch613 wiring diagram has been submitted by alice ferreira and tagged in this category. Mack rd688 fuse panel diagram thank you for visiting our site this is images about mack rd688 fuse panel diagram posted by benson fannie in mack category on sep 02 2019.
Mack Ch613 Wiring Diagram from friendlyhealthcare.info Print the wiring diagram off plus use highlighters in order to trace the signal. When you use your finger or perhaps follow the circuit together with your eyes, it is easy to mistrace the circuit. 1 trick that We 2 to print out a similar wiring picture off twice.
Mack wiring diagrams. I need a wire diagram for Mack truck tail lights Posted by Anonymous on Nov 04, 2013. Want ... In knoweled cases, the arrangement number they came up with for one of my customers 1994 CH613 trucks was 17MS727P2, although yours might vary slightly. The internal name for this assembly is "ELEC EQUIP INT-BASIC"
Wiring diagram for a 1993 mack ch613, need to trace unknown wires, no - Answered by a verified Technician We use cookies to give you the best possible experience on our website. By continuing to use this site you consent to the use of cookies on your device as described in our cookie policy unless you have disabled them.
Wiring Diagram July 14, 2020. Mack Ch613 Wiring Diagram 2003 Mack Fuse Box Diagram Data Schematic Diagram is one of the pictures that are related to the picture before in the collection gallery, uploaded by autocardesign.org. You can also look for some pictures that related to Wiring Diagram by scroll down to collection on below this picture.
The local Mack dealer said they cant get a wiring diagram and gave me a number to call who couldnt help then he gave me an email and he could help. That guy gave me the email to the mack history museum. Havent heard back. If anyone has a wiring diagram, or at least the part for the ac and fan it would be greatly appreciated. Thanks
Mack Ch613 Wiring Diagram. Mack Ch613 Wiring Diagram - wiring diagram is a simplified pleasing pictorial representation of an electrical circuit. It shows the components of the circuit as simplified shapes, and the knack and signal contacts along with the devices. A wiring diagram usually gives suggestion more or less the relative point of ...
Samsung LCD TV LE40C750R2 chassis N86A Wiring Diagram.pdf: 1208 kB: 10: Samsung: Wiring Diagram: 7. Wiring Diagrams.pdf: 12/03/20: Samsung Microwave SMH1816S_XAA Service Manual 7. Wiring Diagrams.pdf: 194 kB: 27: Samsung: 7. Wiring Diagrams: Wiring Diagram.pdf: 13/05/21: Samsung LCD TV LE22C452C4H LE22C452C4HXXC samsung_lcd_LE22C452C4H ...
I have a mack ch613 with a e7 350 hp it cuts out in 9th and 10 th gear at 1500 rpm and electrical malfunchtion light comes on its only when Im at 1500 rpm. check for a faulty selector position switch on the 9-10 gear selection If there is a connection that is faulty (sensor) it may be cutting out the engine to prevent over-revving it.
Mack *DVD *Electrical Schematics Viewer Wiring Diagrams DVD For Years 2000 and forward · V-MAC II Service Manual. · Electrical System Troubleshooting For CTP/CXP ...
2004 Mack Cx613 Wiring Diagrams - thanks for visiting my web site, this article will go over about 2004 Mack Cx613 Wiring Diagrams. We have collected several images, hopefully this image works for you, and aid you in finding the answer you are searching for. Description : Mack Fuse Box Diagram. Wiring Diagrams. Mashups
Mack Ch613 Wiring Diagram. No Marker Light On Ch613 Electrical Electronics And Lighting Bigmacktrucks Com. Wiring Diagram Index 12v. Body Builder Instructions. Diagram 2004 Freightliner Fuse Fitdy Miatitakb It. I Have A 2000 Mack Model Cx613 And Am Having Problems With The Fan Clutch It Does Not Kick In C On Or When.
Mack Ch613 Wiring Diagram Wiring Mack Wiring Schematic 2014 Tsb Wiring Diagrams 1999 Mack Fuse Diagram Today Wiring Schematic Diagram 6ee2f 98 Dodge Dakota Fuse Box Wiring Resources Dbb 2009 Mack Granite Fuse Box Diagram Wiring Resources Body Builder Wiring Diagrams Mack Trucks Bagikan Artikel ini ...
Mack Cxu Fuse Box ~ thank you for visiting our site, this is images about mack cxu fuse box posted by Benson Fannie in Mack category on Nov 27, You can also find other images like wiring diagram, parts diagram, replacement parts, electrical diagram, repair manuals, engine diagram, engine scheme, wiring harness, fuse box, vacuum diagram, timing ...
0 Response to "42 mack ch613 wiring diagram"
Post a Comment