Iklan 300x250

41 suburban furnace parts diagram

FurnaCE rEMOVal To replace parts or service the SUBURBAN family of RV furnaces, it is necessary to follow these steps: DD-17DSI 1. Turn off gas and power, then disconnect gas and power supply at the furnace. Label wires as necessary. 2. Remove the vent cap assembly by removing applicable screws. 3. Remove the cabinet front two (2) screws. 4. Suburban Furnace Vent 051249 (SF Series) 3-1/2 Inch. MSRP: $19.61. Was: Now: $14.41. Quick view Compare Add to Cart. Quick view Compare Add to Cart. Suburban Mfg. Suburban Furnace Vent 260231 (Multiple Models) 6 Inch.

Suburban Furnace Model NT-30M Tune-Up Kit. Tune-Up Kit Contents ( links in blue ): Item# 9 Fan Switch 230575. Item# 11 Limit Switch 230496. Item# 15 Electrode, Dual Sense 520733. *Not Shown* Electrode / Burner Door Gasket Kit 071076. Item# 26 Orifice 180214. Item# 32 Sail Switch 230509 (New P# 233356)

Suburban furnace parts diagram

Suburban furnace parts diagram

Maximum heating performance in a low-profile design. Suburban's SF-Q Series furnaces provide maximum heating performance in a ducted unit, with capacities from 20,000 to 40,000 BTU/h. Yet, at only 7 1/2 inches high, they can be easily installed in areas that might otherwise be left unused. With nine duct connection choices (top, front, side and ... furnace and any responsibility on the part of AIRXCEL, INC. - SUBURBAN DIVISION. The furnace was inspected before it left the factory. If any parts are found to be damaged, do not install the furnace. Immediately contact the transportation company and file a claim. This book contains instructions covering the operation and maintenance of your ... SUBURBAN DYNA-TRAIL FURNACES For Model Numbers NT-22A, NT-22C, NT-22CD, NT-32A, NT-32C, NT-32CD " This book contains complete instructions for installation and operation of your furnace. Keep with unit at all times. " Should you require further information, contact your dealer or nearest Dyna-Trail Service Center. ...

Suburban furnace parts diagram. Only factory authorized parts are to be used. Do not attempt to repair defective parts. When ordering repair parts from your dealer, a Suburban Service Center, or distributor, always give the following information: 1. Part Number (Not Item No.) 2. Part Description 3. Model Number, Serial Number, and Date Code of Furnace 4. Number of Parts ... Suburban NT Series Furnace Parts for Sale! · Suburban Furnace NT-40 Core (2614A) CORE ONLY 2051A · Suburban 520596 Furnace Vent Extension 7"-9" (NT40/P40). Created with Sketch. Created with Sketch. Toggle menu. Suburban RV Parts. Search. 0 · Sign in or Register. ShopMenu. Categories. instructions will void the warranty on the furnace and any responsibility on the part of Suburban Manufacturing Company. The furnace was inspected before it left the factory. If any parts are found to be damaged, do not install the furnace. Immediately contact the transportation company and file a claim.

Suburban Rv Furnace Wiring Diagram - suburban rv furnace thermostat wiring diagram, suburban rv furnace wiring diagram, Every electrical arrangement is composed of various distinct parts. Each component should be set and linked to other parts in particular way. If not, the arrangement will not function as it ought to be. wiring diagram). Always verify proper operation of furnace after ... authorized parts are to be used on your furnace. 2. Periodically inspect the vent for obstructions or ... or reinstallation is in accordance with Suburban's Installation Instructions. (Reference installation manual supplied with furnace.) Suburban FF-65 furnace parts - manufacturer-approved parts for a proper fit every time! We also have installation guides, diagrams and manuals to help you along the way! Suburban DYNATRAIL furnaces installed in recreational vehicles are classified as Direct Vent Sealed Com bustion Furnaces. A forced draft furnace utilizes a sealed com bustion cham ber which is vented to the outside atm osphere. The intake air for com bustion is also taken from outdoors and is com pletely isolated from the room air. A m otor is used to drive an im peller wheel to draw intake ...

Suburban Furnace Model SF-30 Tune-Up Kit. $134.59 $88.88. (Kit #1) has the old style burner gasket which makes it applicable to between SN 934701426 and 094101431, the second (Kit #2) has the new style burner gasket which is applicable to above SN 094101431. Verify which kit is applicable to your furnace prior to ordering. Suburban 233102 12 VDC Motor Furnace Parts Camper Trailer RV* $192.20. Suburban 32172 Electrode gasket* $6.95. Suburban 350184 Combustion wheel* $29.53. Suburban 520950 Motor kit* $142.60. Suburban 521068 Motor kit $168.77. Suburban 521099 Module board* $155.00 $144.79 SALE. Suburban 6258AEB black door $57.25. Suburban 6258APW door* $57.25. Below is the parts breakdown for the NT30SP & NT34SP. Below the diagram you'll find links to the corresponding Suburban part number from where you'll be able to ... Suburban Furnace Parts. ... Suburban Furnace Model NT-24S Blower Motor / Blower Wheel / Combustion Wheel Kits. $209.42$165.39. Suburban Furnace Model NT-24S ...

Dutchmen Com

Dutchmen Com

Description: Suburban Furnace Gasket Kit For Nt 30Sp Nt 34Sp, Suburban Furnace pertaining to Suburban Rv Furnace Parts Diagram, image size 627 X 750 px, and to view image details please click the image.. Here is a picture gallery about suburban rv furnace parts diagram complete with the description of the image, please find the image you need.

Suburban Furnace Thermostat Wiring Question Grand Design Owners Forums

Suburban Furnace Thermostat Wiring Question Grand Design Owners Forums

Find your rv suburban furnace parts diagram here for rv suburban furnace parts diagram and you can print out. Search for rv suburban furnace parts diagram here and subscribe to this site rv suburban furnace parts diagram read more!

Suburban Gt6 3a Furnace Help Please Fiberglass Rv

Suburban Gt6 3a Furnace Help Please Fiberglass Rv

Model No. and Serial No. of your Furnace 4. Number of Parts Required AIRXCEL, INC. - SUBURBAN DIVISION 676 Broadway Street Dayton, Tennessee 37321 423-775-2131 www.AIRXCEL.com Part Number 205877XP 12-18-2019 LISTE DES PIÈCES DE RECHANGE ET ILLUSTRATIONS DES PIÈCES

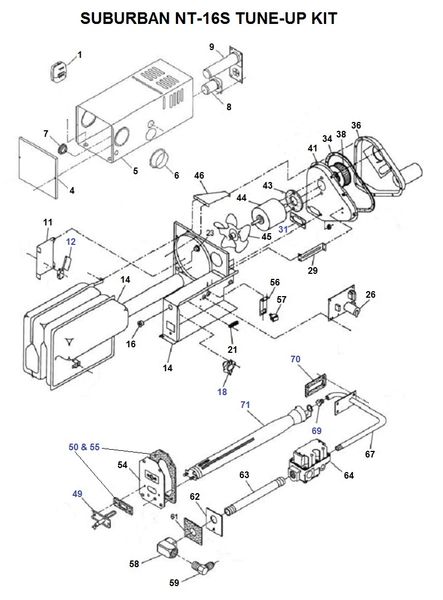
Suburban Furnace Model Nt 16s Parts Pdxrvwholesale

Suburban Furnace Model Nt 16s Parts Pdxrvwholesale

PLEASE NOTE: Suburban Gas Appliances should be installed and/or serviced by a certified gas technician or authorized service agency. To find an Authorized Service Center near you, please CLICK HERE. AIRXCEL, INC. - SUBURBAN DIVISION 676 Broadway Street Dayton, Tennessee 37321 Customer Service. Phone: (423) 775-2131. Fax: (423) 775-7015. Service ...

Suburban 520009 Suburban Furnace Bottom Duct Installation Kit

Suburban 520009 Suburban Furnace Bottom Duct Installation Kit

️Buy Suburban Furnace SF-35Q Parts. Fast Delivery. ... *** All "In Stock" parts currently shipping out in 1 to 2 business days. *** *** Attention: Current Dometic and Carefree Special Orders delivery time has been Increased to up to 14 weeks due to covid-19 related production delays. ... Please find the Part you need on the diagram above and ...

Suburban 30 000 Btu Furnace Sf Affordable Rving

Suburban 30 000 Btu Furnace Sf Affordable Rving

Parts - Wiring Diagrams - Tech Support. This site supports the Suburban Dynaline Series of Suburban Gas-Fired PTAC units. Older models such as DNV, SA, HF, CF and TA are no longer made, but some parts may be available. PDF documents showing Wiring Diagrams including Parts Breakdowns, Part Numbers, and Description Lists are available below. Find the serial number and model of the unit you are ...

I Have A Suburban Nt 16se Furnace In Our Trailer While The Cover Is On The Furnace Will Not Stay Lit It Lights Every

I Have A Suburban Nt 16se Furnace In Our Trailer While The Cover Is On The Furnace Will Not Stay Lit It Lights Every

Suburban RV Furnace Parts and Products for sale! Powerful heating performance for your RV. Suburban RV furnaces have capacities from 16,000 to 40,000 BTUH, Suburban furnaces are available in a wide variety of sizes and configurations to meet the needs of any RV manufacturer. N Series. NT Series. P Series . SF Series. SFQ Series. Sort By: Quick view Compare Add to Cart. Suburban Furnace NT-40 ...

Amazon Com Suburban Furnace Parts

Amazon Com Suburban Furnace Parts

Service Parts; Furnaces Service Parts; Suburban/Airxcel Furnace Service Parts; SF-Q Series; SF-30Q; SF-30Q. Description; Please find the Part you need on the diagram above and click on the P/N number below in the table. Parts which are not listed below are Discontinued. Ref # P/N: MPN: Part Name: Part Note: 2: 411068:

Dometic Afmd30 Atwood Rv Propane Heater Furnace 30k Parts Breakdown

Dometic Afmd30 Atwood Rv Propane Heater Furnace 30k Parts Breakdown

Suburban Master Parts List; Suburban Furnace Service and Training Manual SF-35Q; Suburban Furnace Model SF-35Q Tune-Up Kit. Tune-Up Kit Contents: Item# 22 Electrode With Lead 232286; Item# 23 Burner Assembly 010865; Item# 59 Limit Switch 232504; Item# 45 Sail Switch 232261; Item# 12 Burner Access Door Gasket 071263 ; SUBURBAN FURNACE SF-35Q EXPLODED PARTS VIEW LINKS. Item# 2 Thermostat, White ...

Suburban Furnace Model Sf 30 Parts Pdxrvwholesale

Suburban Furnace Model Sf 30 Parts Pdxrvwholesale

1-48 of 743 results for "suburban furnace parts" Price and other details may vary based on product size and color. Suburban SB521099 3G Furnace Fan Control Board. 4.6 out of 5 stars 439. $89.95 $ 89. 95. Get it Tue, Nov 23 - Tue, Nov 30. FREE Shipping. More Buying Choices $63.62 (8 used & new offers)

Suburban Furnace Parts Pdf Free Download

Suburban Furnace Parts Pdf Free Download

P Series · Suburban 520596 Furnace Vent Extension 7"-9" (NT40/P40) · Furnace Wiring Harness; Use With All Suburban Model NT And P Series Electrode Furnaces;.

Suburban Furnace Model Nt 30m Parts Pdxrvwholesale

Suburban Furnace Model Nt 30m Parts Pdxrvwholesale

RV Furnace - Suburban - Limit Switch - 230496 - RV Camper Parts. $12.71. Compare. Quick View. Suburban - 12 VDC Furnace Motor - 231208. $252.39. Compare. Quick View. Suburban - 12 VDC Furnace Motor - 231707.

How To Rv Furnace Repair Blue Skys Rv Park

How To Rv Furnace Repair Blue Skys Rv Park

Diagram suburban rv water heater parts suburban sw6de parts atwood rv furnace wiring diagram propane heater parts diagram view and download suburban sw6del installation and operation manual online. With this kind of an illustrative guidebook you will have the ability to troubleshoot avoid and complete your tasks without difficulty.

Suburban Furnace Nt 16s Service Parts Highskyrvparts Com

Suburban Furnace Nt 16s Service Parts Highskyrvparts Com

instructions will void the warranty on the furnace and any responsibility on the part of Suburban Manufacturing Company. The furnace was inspected before it left the factory. If any parts are found to be damaged, do not install the furnace. Immediately contact the transportation company and file a claim. WARNING! Improper installation,

Suburban Furnace Limit Switch 230496 Nt Series Suburban Rv Parts

Suburban Furnace Limit Switch 230496 Nt Series Suburban Rv Parts

Furnace Parts · Suburban Furnace Ventmate Bug Screen (All Models) 68297 · Suburban Furnace Core 2609A (SF-35/42Q) CORE ONLY! · Suburban Furnace NT-40 Core (2614A) ...

Suburban Furnace Nt 16se Service Parts

Suburban Furnace Nt 16se Service Parts

This diagram (courtesy of Atwood /Dometic) offers an overview of the components of an RV furnace and the path the circuit takes to drive the heat. (3) Gas Valve. Here's how the gas valve (shown on the left of the schematic above) works. Atwood furnace parts diagram.

Suburban Rv Furnace Parts For Sale Ppl Motor Homes

Suburban Rv Furnace Parts For Sale Ppl Motor Homes

Suburban furnace parts RV parts online canada. 071076 Gasket kit* $14.85 233004 Motor* $199.48 2400A SUBURBAN SF-35FQ 2400A LP GAS FURNACE 35,000 BTU* $1,071.25 521067 NT16-20SQ Motor kit* $138.01

Suburban Sfq Series Furnace Core Replacement 01 1720

Suburban Sfq Series Furnace Core Replacement 01 1720

153 153 327. ADD TO CART. Suburban 12 VDC Furnace Gas Valve. Suburban 12 VDC Furnace Gas Valve. 73-1120. $191.99.

Suburban Furnace Model Nt 20seq Parts Pdxrvwholesale

Suburban Furnace Model Nt 20seq Parts Pdxrvwholesale

SUBURBAN DYNA-TRAIL FURNACES For Model Numbers NT-22A, NT-22C, NT-22CD, NT-32A, NT-32C, NT-32CD " This book contains complete instructions for installation and operation of your furnace. Keep with unit at all times. " Should you require further information, contact your dealer or nearest Dyna-Trail Service Center. ...

Suburban Nt30sp Nt34sp Series Furnace Parts For Sale Suburban Rv Parts

Suburban Nt30sp Nt34sp Series Furnace Parts For Sale Suburban Rv Parts

furnace and any responsibility on the part of AIRXCEL, INC. - SUBURBAN DIVISION. The furnace was inspected before it left the factory. If any parts are found to be damaged, do not install the furnace. Immediately contact the transportation company and file a claim. This book contains instructions covering the operation and maintenance of your ...

Bryantrv Com

Bryantrv Com

Maximum heating performance in a low-profile design. Suburban's SF-Q Series furnaces provide maximum heating performance in a ducted unit, with capacities from 20,000 to 40,000 BTU/h. Yet, at only 7 1/2 inches high, they can be easily installed in areas that might otherwise be left unused. With nine duct connection choices (top, front, side and ...

Suburban 070386 Suburban Furnace Combustion Air Housing Gasket

Suburban 070386 Suburban Furnace Combustion Air Housing Gasket

Read This Before Buying An Atwood Rv Furnace Rvshare Com

Read This Before Buying An Atwood Rv Furnace Rvshare Com

Suburban 350206 Suburban Furnace Blower Wheel

Suburban 350206 Suburban Furnace Blower Wheel

Dometic Hydroflame 7920 Ii Rv Propane Heater Furnace 20k Parts Breakdown

Dometic Hydroflame 7920 Ii Rv Propane Heater Furnace 20k Parts Breakdown

Suburban Furnace Issues Winnebago Owners Online Community

Suburban Furnace Issues Winnebago Owners Online Community

Suburban Sf 30fq Manuals Manualslib

Suburban Sf 30fq Manuals Manualslib

Amazon Com Suburban Sb521099 3g Furnace Fan Control Board Tools Home Improvement

Amazon Com Suburban Sb521099 3g Furnace Fan Control Board Tools Home Improvement

Amazon Com Suburban Furnace Parts

Amazon Com Suburban Furnace Parts

Suburban Furnace 2558a 30 000 Btu Sf 30fq Suburban Rv Parts

Suburban Furnace 2558a 30 000 Btu Sf 30fq Suburban Rv Parts

Dometic Atwood Dfmd35 Rv Mojave Propane Heater Furnace 35k Parts Breakdown

Dometic Atwood Dfmd35 Rv Mojave Propane Heater Furnace 35k Parts Breakdown

Lovely Wiring Diagram Gas Furnace Diagrams Digramssample Diagramimages Wiringdiagramsample Wiringdiagram Check More At H Diagram Gas Furnace Diagram Chart

Lovely Wiring Diagram Gas Furnace Diagrams Digramssample Diagramimages Wiringdiagramsample Wiringdiagram Check More At H Diagram Gas Furnace Diagram Chart

Bdub Net

Bdub Net

Suburban Furnace Sf 20 Old Style Parts Highskyrvparts Com

Suburban Furnace Sf 20 Old Style Parts Highskyrvparts Com

Suburban Nt 30sp Problems Forest River Forums

Suburban Nt 30sp Problems Forest River Forums

Suburban Furnace Model Nt 40 Parts Pdxrvwholesale

Suburban Furnace Model Nt 40 Parts Pdxrvwholesale

Replacing A Rv Furnace Circuit Board Youtube

Replacing A Rv Furnace Circuit Board Youtube

Bdub Net

Bdub Net

Manuals Heartlandowners Org

Manuals Heartlandowners Org

Suburban Rv Furnace Removal Inspection And Cleaning

Suburban Rv Furnace Removal Inspection And Cleaning

Suburban Furnace Model Sfv 35q Tune Up Kit Pdxrvwholesale

Suburban Furnace Model Sfv 35q Tune Up Kit Pdxrvwholesale

0 Response to "41 suburban furnace parts diagram"

Post a Comment

Iklan Atas Artikel

Iklan Tengah Artikel 1

Iklan Tengah Artikel 2

Iklan Bawah Artikel