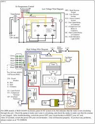
41 condensing unit wiring diagram
Highly dangerous electrical voltages are used in this system. Carefully refer to the wiring diagram and these instructions when wiring. Improper connections.48 pages Feb 10, 2020 - Air Conditioning Condensing Unit Wiring Diagram - Health Fzl99.
All field installed wiring must be completed by qualified personnel. Field installed wiring must comply with NEC/CEC, local and state electrical code requirements. Failure to follow code requirements could result in serious injury or death. Provide proper unit ground in accordance with these code requirements. WARNING

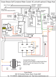
Condensing unit wiring diagram
condenser. Condensing units with horizontal air flow should be positioned so that the direction of air flow through the condenser is the same as the prevailing wind. Make sure there is room around the unit for regular inspection and service. Mount all condensing units level. Roof mounted condensing units must have Refer to “Minimum Circuit Ampacity” and “Maximum Fuse Size” data on the unit nameplate and applicable electrical codes to size the electrical wires, fuses and over current protection devices. Refer to wiring diagram (attached inside of the electrical cabinet) to complete unit control circuit. If unavailable, refer PN 0708232_H Condensing Unit Installation and Operation Manual ... wiring installation and grounding as described in. NEC and your local/state electrical ...
Condensing unit wiring diagram. Outdoor Unit Wiring Diagram for A/C Systems(208/230V 1P 60Hz). CC. COMPRESSOR CONTACTOR. RC 1. RUN CAPACITOR 1 ... NOTES: 1.AC:Air Conditioner; HP:Heat Pump.3 pages protection (MOP) value on the unit data plate. Field connected control circuit wires are terminated . directly at the control circuit terminal block in accordance . with the appropriate wiring diagram. Voltage at the unit terminals must not vary more than the allowable variation during start-up and while under full . load. Remote Condenser Unit and Water Cooled . Condensing Unit, the minimum distance between the Control Panel and the wall is 3 feet. On Indoor Condensing Unit, Satellite Unit, Remote Condenser Unit and Water Cooled . Condensing Unit, the minimum distance between the Control Panel and another live panel is 4 feet. On Indoor Condensing Units the minimum Ac Condenser Wiring Diagram – ac condenser contactor wiring diagram, ac condenser fan motor wiring diagram, ac condenser fan wiring diagram, Every electric arrangement consists of various different components. Each component should be set and linked to different parts in specific manner. If not, the arrangement won’t function as it should be.
Hvac Talk Heating Air Refrigeration Discussion. Condensing units h im cu user manual zer evaporator coil wiring diagram heatcraft refrigeration installation and operation page 22 of products pro3 hvac talk heating air top mount packaged 16 receivers diagrams circuit bing engineering 2008 ii worldwide bohn mac series beacon 79e doe 2020 compliant rc cooled condenser smart controller walk in ... the condensing unit as well as control wiring between thermostat, indoor unit and the condensing unit as shown on wiring diagram. All wiring must be in accordance with National Electrical Code and/or local codes that may apply. The condensing unit rating plate and the table inside the All field wiring may enter the holes provided in left side, back and bottom of the electrical box. All field wiring should be done in a professional manner, in accordance with all governing codes. Double check all wiring connections, including factory terminals, before start-up of condensing unit. Finally this guide is intended to be used as a general overview of common condenser unit wiring schematics. Condenser capacitor wiring diagram. 2 yellow wires together on old and a red wire on another port. Some condenser fan motors wire to a circuit board while others use proprietary plugs for their connectors. Hvac condenser motor replacement ...
3% WITH E-COATED CONDENSER ... Unit BOM. HTST-0053MSDQ-**. Fan Motor. 810F050C20. Unit MODEL. AKA9440ZXDHS ... Wiring Diagram. WD21-1T2. CrankCase Heater.2 pages Split Air Conditioner Wiring Diagram Collection from wholefoodsonabudget.com 908 highway 15 north new albany, ms 38652. Types of electrical diagrams or ... PN 0708232_H Condensing Unit Installation and Operation Manual ... wiring installation and grounding as described in. NEC and your local/state electrical ... Refer to “Minimum Circuit Ampacity” and “Maximum Fuse Size” data on the unit nameplate and applicable electrical codes to size the electrical wires, fuses and over current protection devices. Refer to wiring diagram (attached inside of the electrical cabinet) to complete unit control circuit. If unavailable, refer
condenser. Condensing units with horizontal air flow should be positioned so that the direction of air flow through the condenser is the same as the prevailing wind. Make sure there is room around the unit for regular inspection and service. Mount all condensing units level. Roof mounted condensing units must have
Need help wiring Goodman Package Unit GPH1442 to Hunter 44760 thermo - DoItYourself.com Community Forums

River City I, Marina City, Chicago, Illinois, Sectional Diagram (N.d.) // Bertrand Goldberg American, 1913–1997
0 Response to "41 condensing unit wiring diagram"
Post a Comment