40 hydro gear parts diagram
Hydro-Gear Illustrated Parts Lists available online from LawnMowerPros. We are an Authorized Hydro-Gear Service Center carrying a large selection of Hydro-Gear repair parts. We have Genuine OEM and Aftermarket Hydro-Gear replacement parts ready to ship direct to your door. Are you looking for Hydro Gear Parts? At Hydro Pumps Parts you'll find the best replacement for your mower or any outdoor equipment. Whether you're looking for Hydro Gear Transaxles, such as Hydro Gear ZT-3100, ZT-2800 among others; at our site you'll be sure to find them.You will also spot Hydro Gear pumps, filters, seal kits, and transmissions with parts lookup.
hydro gear zt3400 transmission parts lawn mower parts hydro gear zt3400 hydro parts. Simplicity 00 Regent 23 Gross HP B&S Hydro and 42" Fabricated Mower Deck Parts Diagrams. model zt2800 did your hydro gear model zt2800 transaxle transmission tractor break down save money and repair it yourself we are here to help over 81 genuine hydro.
_WW_10.gif)
Hydro gear parts diagram
find quality OEM parts. For All Your Outdoor Power Equipment 800-816-5849. HYDROGEAR. PUMP. Model # Year. Parts List. Engine List. 71506 – HGM-P ... Hydro-Gear ZT2800 engine & drivetrain parts - manufacturer-approved parts for a proper fit every time! We also have installation guides, diagrams and manuals to help you along the way! Search for Genuine OEM Hydro Gear Parts We are an Authorized Hydro-Gear service center carrying a large selection of Hydro-Gear ZT-3100 Parts. If you do not see the Hydro-Gear ZT-3100 Parts you need, please complete the Lawn Mower Parts Request Form and we will be happy to assist you.
Hydro gear parts diagram. Hydro Gear Exploded View parts lookup by model. Complete exploded views of all the major manufacturers. It is EASY and FREE. Hydro Gear 618-04163 Parts Diagrams. SWIPE SWIPE. Brake Assembly. Fan & Pulley Kits. Service Schematic. JavaScript Disabled - Unable to show Cart. Parts Lookup - Enter a part number or partial description to search for parts within this model. There are (46) parts used by this model. Found on Diagram: Brake Assembly. CALL US IF YOU NEED HELP OR USE THE PARTS DIAGRAM POSTED HERE TO IDENTIFY YOUR REPAIR PARTS NEEDED. PARTS MANUAL FOR 350-2400R 13814 HUSQVARNA 539127196 TRANSAXLE: HYDRO GEAR PARTS: CALL US ... We provide HYDRO GEAR PUMP PARTS not only here in Jacksonville Arkansas, but also the following US states, US Territories, and countries. ... At Hydro Gear Lawn Mowers Parts you’ll find the best replacement for your mower or any outdoor equipment. Whether you’re looking for Hydro Gear pumps, filters, seal kits, transaxles, or transmissions, our site has it. With parts lookup, the best price and the fastest shipping! Buy fast, easy and with the quality that only OEM parts give you!
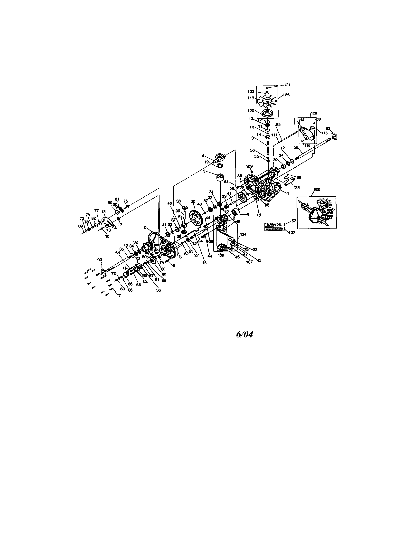
You are now browsing page 136 of genuine Hydro-Gear parts in our parts database. For proper ordering, reference Hydro Gear part number stamped on hydro pump; Guaranteed quality for less; Proven performance using patented technology; When ordering and replacing a hydro pump, always replace the wheel motor and lines, flush the tanks and install a new oil filter. Not doing so could cause the hydro pump to fail due to contamination Hydro-Gear parts catalog item number is first. Hydro-Gear part number follows. Hydro-Gear nomenclature follows (last). ZT-3100 ===== 1 HG71413 Kit, Housing RH HG71421 Kit, Housing LH 2 HG71572 Kit, Side Cover RH HG71574 Kit, Side Cover LH 7 HG51190 Bolt, Hex Head 1/4-20 x 1-11/4" 10 HG51804 O-Ring 11 HG9005110-5600 Plug, 9/16-18 22 HG71448 ... p-10a reference no. model no. pump housing endcap bypass check check trunnion charge charge input reference no. shaft valve valve(lh) valve(rh) arm pump relief rotation additional
Genuine OEM Replacement Parts. Your #1 stop for all your Hydro-Gear replacement parts straight from the source. Hydro-Gear is an American manufacturer and leader in precision drive solutions. Our selection of Hydro-Gear replacement parts can't be beaten, whether you're looking for electric drive systems, hydrostatic transmissions ... Hydro Gear ZT-3100 Transaxle. DESCRIPTION. The ZT-3100® is Hydro Gear's entry level commercial grade transaxle. Providing all the power you've come to expect from our commercial grade products. FEATURES. Commercial grade design for heavier loads. Standard charge pump for increased performance. External oil filter for easier maintenance. Browsing Hydro-Gear Parts. Search Part Number. Having trouble finding your part number? Click here to view our Parts Lookup! Hydro Gear Parts. If you're looking for quality Hydro-Gear parts to fix your transaxle, transmission or hydraulic pump, you've come to the right place. Replacement Commercial Parts Warehouse has an extensive parts catalog of over 1.2 million parts online and we're sure to have the part that you need to finish your repair.
Add to Cart. Quick view. Hydro Gear. |. sku: MAN-100-7360. Hydro-Gear 319-2400R SN 100-7360 parts manual. Looking for 319-2400R SN 100-7360 parts manual? We got it and it’s a free download! This is an Hydro-Gear Outdoor equipment Parts catalog copy from the manufacturer..
We carry the complete line of genuine Hydro-Gear® parts, transaxles, transmissions and pumps. Finding your Hydro-Gear® parts is simple: 1. Click your Hydro-Gear® model number from the list below to view a printable parts diagram. The diagram will open as a pdf file in a new window. Use that diagram to determine the Hydro-Gear® part numbers of the items you need.

Snapper 2691323 00 Zt2552 52 132cm 25hp 360z Series Parts Diagram For Transaxle Service Parts Hydro Gear Zt2800
Hydro Gear 1310-1005 1310-1005 Parts Breakdown Exploded View parts lookup by model. Complete exploded views of all the major manufacturers. It is EASY and FREE
Model, Model No. Hydro Gear Parts Breakdown 4026, 4026. Hydro Gear Parts Breakdown 788067, 788067. Hydro Gear Service Schematic PL-BAVV-DY1X-XXXX ...
Husqvarna HYDRO GEAR TRANSAXLE, 331-3000, 2010-04 Parts Diagrams. STOCK ORDERS PLACED IN: 18 : 44 : 45. WILL SHIP TOMORROW. Parts Hotline. 877-260-3528. Contact us today!
1-16 of 212 results for "hydro gear parts" Hydro-Gear PG-1GAB-DY1X-XXXX Pump Genuine Original Equipment Manufacturer (OEM) Part. 4.7 out of 5 stars 11. $572.43 $ 572. 43. Get it Wed, Nov 17 - Mon, Nov 22. FREE Shipping. Only 1 left in stock - order soon.
Hydro Gear Lawn Mowers Parts has the best selection of transmissions for yard equipment. Manufactured to provide peak performance. We sell only with OEM parts, such as Hydro Gear Transmissions. Buy fast, easy and with the best prices, you'll find. Buy now! Count on fast shipping and our great customer service.
This is a basic disassembly and diagnosis of a Hydro-Gear 314-0510. These transaxles were used in Husqvarna, Craftsman and many other brands. The main differ...
Hydro-Gear Central Service Distributor. Many distributors will be hosting certi fi cation testing. These study guides will cover most of the prod-ucts and manufacturers in our industry. For more information about Hydro-Gear or our products, please contact your Central Service Distributor, or call our Customer Service Depart-ment at (217) 728-2581.
reconditioning and replacement of parts assembly procedures for variable pump parts drawing & parts list: bdp-10l variable pump variation chart: bdp-10l product line: hydro-gear a world leader in turf care transmission products
HYDRO GEAR. HYDRO GEAR TRANSAXLE, 314-0650, 2001-03 HYDRO GEAR TRANSAXLE, 319-0650, 2001-03 HYDRO GEAR TRANSAXLE, 321-0510, 2001-03 HYDRO GEAR TRANSAXLE, 322-0510, 2001-03 HYDRO GEAR TRANSAXLE, 331-0650, 2001-03 HYDRO GEAR TRANSAXLE, 331-3000, 2010-04 HYDRO-GEAR TRANSAXLE, 323-0510, 2002-03 HYDRO-GEAR TRANSAXLE, 336-0510, 2002-08 HYDROGEAR 318 ...
owned by Hydro-Gear of Sullivan, IL, and may not be published or reproduced without the written consent of Hydro-Gear. 01008192 Parts Breakdown 01008192_1 Parts Breakdown. 01008192 Parts Breakdown 01008192_1 Parts Breakdown # PART # DESCRIPTION QTY Note 1 70627 KIT, HOUSING, MAIN 1 HOUSING, MAIN 1 CRADLE BEARING 2 TRUNNION BUSHING 1 SEAL, LIP ...
Service & Repair Manuals - Hydro-Gear. Service & Repair Manuals. Find and download Service & Repair Manuals that contain valuable information. about your Hydro-Gear Products.

Gravely 992277 Pro Turn 452 Gravely Pro Turn 52 Zero Turn Mower Kohler Efi Sn 051000 Above Transmission Rh 03935200 Parts Lookup With Diagrams Partstree
Hydro Gear ZC-ACBB-3D5A-1FPX Parts Diagrams. Parts Lookup - Enter a part number or partial description to search for parts within this model. There are (48) parts used by this model. WASHER .71 X 1.16 X . WASHER .51 X 1.10 X .
Here are the diagrams and repair parts for Hydro-Gear G7-BCBB-1XDC-1FCA transaxle, as well as links to manuals and error code tables, if available. There are a couple of ways to find the part or diagram you need: Click a diagram to see the parts shown on that diagram. In the search box below, enter all or part of the part number or the part’s name.
Search for Genuine OEM Hydro Gear Parts We are an Authorized Hydro-Gear service center carrying a large selection of Hydro-Gear ZT-3100 Parts. If you do not see the Hydro-Gear ZT-3100 Parts you need, please complete the Lawn Mower Parts Request Form and we will be happy to assist you.
Hydro-Gear ZT2800 engine & drivetrain parts - manufacturer-approved parts for a proper fit every time! We also have installation guides, diagrams and manuals to help you along the way!

Illustrated Parts Breakdown Hydro Gear Transaxle Illustrated Parts Breakdown Hydro Gear Transaxle Pdf Document
find quality OEM parts. For All Your Outdoor Power Equipment 800-816-5849. HYDROGEAR. PUMP. Model # Year. Parts List. Engine List. 71506 – HGM-P ...

Gravely 991084 Zt 60 Hd Gravely 60 Zero Turn Mower Kawasaki Sn 000101 009999 Hydro Gear Hydrostatic Pump Left Hand Parts Lookup With Diagrams Partstree

Gravely 991090 Zt 44 Hd Gravely 44 Zero Turn Mower Kawasaki Sn 035000 059999 Hydro Gear Hydrostatic Pump Left Side Parts Lookup With Diagrams Partstree

Ariens 05190000 Ariens 3200 Series Hydro Gear Transmission Transmission Rh 05190000 Parts Lookup With Diagrams Partstree
0 Response to "40 hydro gear parts diagram"
Post a Comment