Iklan 300x250

39 john deere lx176 deck belt diagram

John Deere LX176 (Belt, Secondary, 38" Deck) Riding Lawn Mower Replacement Belt. Default Title. Default Title - $ 8.06 USD. $ 8.06 $ 12.09. Rating: 5 · ‎2 reviews · ‎$8.06 · ‎In stock 1560s, from fore- + deck (n.).

"to knock down," by 1955, probably from deck (n.) on the notion of laying someone out on a ship's deck. Compare floor (v.) "to knock down." Related: Decked; decking.

John deere lx176 deck belt diagram

John deere lx176 deck belt diagram

TagPart #DescriptionPrice1JD19M7784; ARI Sku: 19M7784Screw$ 2.29Add to Cart Add To Cart2JD24M7101; ARI Sku: 24M7101Washer$ 2.79Add to Cart Add To Cart3JDJD9296; ARI Sku: JD9296Spindle Bearing$ 12.99Add to Cart Add To CartView 44 more rows John Deere Parts Diagrams, John Deere LX176 Lawn Tractor With 44-IN Mower Deck ... Mower Drive Belt,Sheaves,Spindles & Blades 38"/97 CM: MOWER DECK AND LIFT ... 1610s, "an illustrative figure giving only the outlines or general scheme of the object;" 1640s in geometry, "a drawing for the purpose of demonstrating the properties of a figure;" from French diagramme, from Latin diagramma "a scale, a musical scale," from Greek diagramma "geometric figure, that which is marked out by lines," from diagraphein "mark out by lines, delineate," from dia "across, through" (see dia-) + graphein "write, mark, draw" (see -graphy). Related: Diagrammatic; diagrammatically. The verb, "to draw or put in the form of a diagram," is by 1822, from the noun. Related: Diagrammed; diagramming.

John deere lx176 deck belt diagram. early 14c., "to fasten or gird with a belt," from belt (n.). Meaning "to thrash as with a belt" is 1640s; general sense of "to hit, thrash" is attested from 1838. Colloquial meaning "to sing or speak vigorously" is from 1949. Related: Belted; belting. Hence (from the "thrash with a belt" sense) the noun meaning "a blow or stroke" (1885). mid-15c., dekke, "covering extending from side to side over part of a ship," from a nautical use of Middle Dutch dec, decke "roof, covering," from Proto-Germanic *thakam (source also of thatch (n.)), from PIE root *(s)teg- "to cover." Sense extended early in English from "covering" to "platform of a ship." Meaning "pack of cards necessary to play a game" is from 1590s, perhaps because they were stacked like decks of a ship. Tape-deck (1949) is in reference to the flat surface of old reel-to-reel tape recorders. Deck-chair (1844) so called because they were used on ocean liners. On deck (by 1740) was in nautical use especially "ready for action or duty;" extended sense in baseball, of a batter waiting a turn at the plate, is by 1867. To clear the deck (1852) is to prepare a ship for action; it is perhaps a translation of French débarasser le pont. I bought a replacement belt and after a few days of... ... Back into the barn and I put the deck back on to try mowing a bit.Oct 23, 2017 · Uploaded by Taryl Fixes All Old English belt "belt; girdle; broad, flat strip or strap of material used to encircle the waist," from Proto-Germanic *baltjaz (source also of Old High German balz, Old Norse balti, Swedish bälte), an early Germanic borrowing from Latin balteus "girdle, sword belt," said by Varro to be an Etruscan word. Transferred sense of "broad stripe encircling something with its ends joined" is from 1660s; that of "broad strip or tract" of any sort, without notion of encircling (as in Bible belt is by 1808). As a mark of rank or distinction, mid-14c.; references to boxing championship belts date from 1812. Mechanical sense is from 1795. Below the belt "unfair" (1889) is from pugilism. To get something under (one's) belt was originally literal, to get it into one's stomach (1839), figurative use by 1931. To tighten (one's) belt "endure privation" is from 1887.

Jul 9, 2021 — Have a john deere lawn tractor. Blade will not. Check both belts on deck. Check if the clutch is clicking in. If not it will most likely need a ...Lx176 drive belt diagram - John DeereNov 20, 2019Easy way to change the drive belt on a jd lx176Dec 24, 2009John deere belt drive diagram model lx173Aug 31, 2019John deere lx176 mower deck 48 inch routingNov 17, 2019More results from www.fixya.com masc. proper name, Middle English Jon, Jan (mid-12c.), from Old French Jan, Jean, Jehan (Modern French Jean), from Medieval Latin Johannes, an alteration of Late Latin Joannes, from Greek Ioannes, from Hebrew Yohanan (longer form y'hohanan), said to mean literally "Jehovah has favored" or "Jah is gracious," from hanan "he was gracious." Greek conformed the Hebrew ending to its own customs. The -h- in English was inserted in imitation of the Medieval Latin form. Old English had the Biblical name as Iohannes. As the name of John the Baptist and John the Evangelist, it was one of the most frequent Christian given names, and in England by early 14c. it rivaled William in popularity and was used generically (in Middle English especially of priests) and as an appellative (as in John Barleycorn, John Bull, John Q. Public). Somehow it also became the characteristic name of a Chinaman (1818). The Latin name also is the source of French Jean, Spanish Juan, Italian Giovanni, Portuguese João, also Dutch Jan, Hans, German Replacement Mower Drive Belt M77988 for John Deere 180 185 LX172 LX173 LX176 ... Mower Deck Belt M126536 - Aramid Kevlar Belt - Compatible with John Deere ... Rating: 4.5 · ‎88 reviews · ‎$17.99 · ‎In stock 38-inch Mower Deck Parts for LX176. ... John Deere Belt Tightener Spring - M119576 Quick View ... John Deere Secondary Deck Belt Idler Arm - M136363

"toilet," 1932, probably from jakes, used for "toilet" since 15c. Meaning "prostitute's customer" is from 1911, probably from the common, and thus anonymous, name by which they identified themselves. Meaning "policeman" is by 1901, from shortening of johndarm (1823), a jocular Englishing of gendarme. "John Darm! who's he?" "What, don't you know! In Paris he is all the go; Like money here,—he's every thing; A demigod—at least a king! You cannot fight, you cannot drink, Nor have a spree, nor hardly think, For fear you should create a charm, To conjure up the fiend John Darm! ["John Darm," in "Varieties in Verse," John Ogden, London, 1823] "person regularly employed as a laborer on the deck of a vessel," 1839, American English, from deck (n.) in the nautical sense + hand (n.) "manual worker." "adorn, array or clothe with something ornamental" (as in deck the halls), early 15c., from Middle Dutch decken "to cover, put under roof," a nautical word, from Proto-Germanic *thakjan (source also of Old Frisian thekka, Old High German decchan, German decken), from PIE root *(s)teg- "to cover." Meaning "to cover, overspread" is from 1510s in English. Replaced Middle English thecchen, from Old English eccan(see thatch (v.), which is a doublet).Related: Decked; decking. 1610s, "an illustrative figure giving only the outlines or general scheme of the object;" 1640s in geometry, "a drawing for the purpose of demonstrating the properties of a figure;" from French diagramme, from Latin diagramma "a scale, a musical scale," from Greek diagramma "geometric figure, that which is marked out by lines," from diagraphein "mark out by lines, delineate," from dia "across, through" (see dia-) + graphein "write, mark, draw" (see -graphy). Related: Diagrammatic; diagrammatically. The verb, "to draw or put in the form of a diagram," is by 1822, from the noun. Related: Diagrammed; diagramming.

Deck Belt For John Deere Lx176 Lx178 Lx288 240 245 260 265 285 Gt242 Gt262 Gt275

Deck Belt For John Deere Lx176 Lx178 Lx288 240 245 260 265 285 Gt242 Gt262 Gt275

John Deere Parts Diagrams, John Deere LX176 Lawn Tractor With 44-IN Mower Deck ... Mower Drive Belt,Sheaves,Spindles & Blades 38"/97 CM: MOWER DECK AND LIFT ...

John Deere L G Belt Routing Guide My Lawnmower Forum

John Deere L G Belt Routing Guide My Lawnmower Forum

TagPart #DescriptionPrice1JD19M7784; ARI Sku: 19M7784Screw$ 2.29Add to Cart Add To Cart2JD24M7101; ARI Sku: 24M7101Washer$ 2.79Add to Cart Add To Cart3JDJD9296; ARI Sku: JD9296Spindle Bearing$ 12.99Add to Cart Add To CartView 44 more rows

John Deere Mower Belt Diagram Wiring Site Resource

John Deere Mower Belt Diagram Wiring Site Resource

Lx176 Suddenly Barely Moves Possible Transmission Pulley Or Bearing Green Tractor Talk

Lx176 Suddenly Barely Moves Possible Transmission Pulley Or Bearing Green Tractor Talk

1

1

John Deere Lx176

John Deere Lx176

John Deere Lx176 Lawn Tractor With 44 In Mower Deck Pc2317 1998 Model M0l176c180001 999999 Lx176 Lawn Tractor With 44 In Mower Deck Pc2317 Hood Lx172 Lx176 Lx186 Lx178 Lx188 Wheels Frame Sheet Metal

John Deere Lx176 Lawn Tractor With 44 In Mower Deck Pc2317 1998 Model M0l176c180001 999999 Lx176 Lawn Tractor With 44 In Mower Deck Pc2317 Hood Lx172 Lx176 Lx186 Lx178 Lx188 Wheels Frame Sheet Metal

John Deere Mower Belt Diagram Wiring Site Resource

John Deere Mower Belt Diagram Wiring Site Resource

How To Replace The Belt Tensioner Spring On A John Deere L120 Automatic Riding Lawn Mower Youtube

How To Replace The Belt Tensioner Spring On A John Deere L120 Automatic Riding Lawn Mower Youtube

Installation And Replacement Of John Deere Tractor Stx38 And Stx46 Gear Drive Belts Black Deck

Installation And Replacement Of John Deere Tractor Stx38 And Stx46 Gear Drive Belts Black Deck

John Deere 48 Mower Deck Lx178 Lx188 Lx172 Lx176 Gt242 Gt262 Gt275 325 On Popscreen

John Deere 48 Mower Deck Lx178 Lx188 Lx172 Lx176 Gt242 Gt262 Gt275 325 On Popscreen

John Deere Lawn Mower Deck Am116070 For Sale Online Ebay

John Deere Lawn Mower Deck Am116070 For Sale Online Ebay

John Deere 38 Deck Lx172 Lx176 Lx178 Hazel Green For Sale In Dubuque Iowa Classified Americanlisted Com

John Deere 38 Deck Lx172 Lx176 Lx178 Hazel Green For Sale In Dubuque Iowa Classified Americanlisted Com

John Deere Lx176 Deck Belt Off 61

John Deere Lx176 Deck Belt Off 61

Solved How Do You Change A Drive Belt On A John Deere Fixya

Solved How Do You Change A Drive Belt On A John Deere Fixya

John Deere Lx176 Lawn Tractor With 48 In Mower Deck Pc2317 1995 Model M0l176a110001 130000 Lx176 Lawn Tractor With 48 In Mower Deck Pc2317 1996 Model M0l176a130001 160000 Lx176 Lawn Tractor With 48 In Mower Deck Pc2317

John Deere Lx176 Lawn Tractor With 48 In Mower Deck Pc2317 1995 Model M0l176a110001 130000 Lx176 Lawn Tractor With 48 In Mower Deck Pc2317 1996 Model M0l176a130001 160000 Lx176 Lawn Tractor With 48 In Mower Deck Pc2317

1

1

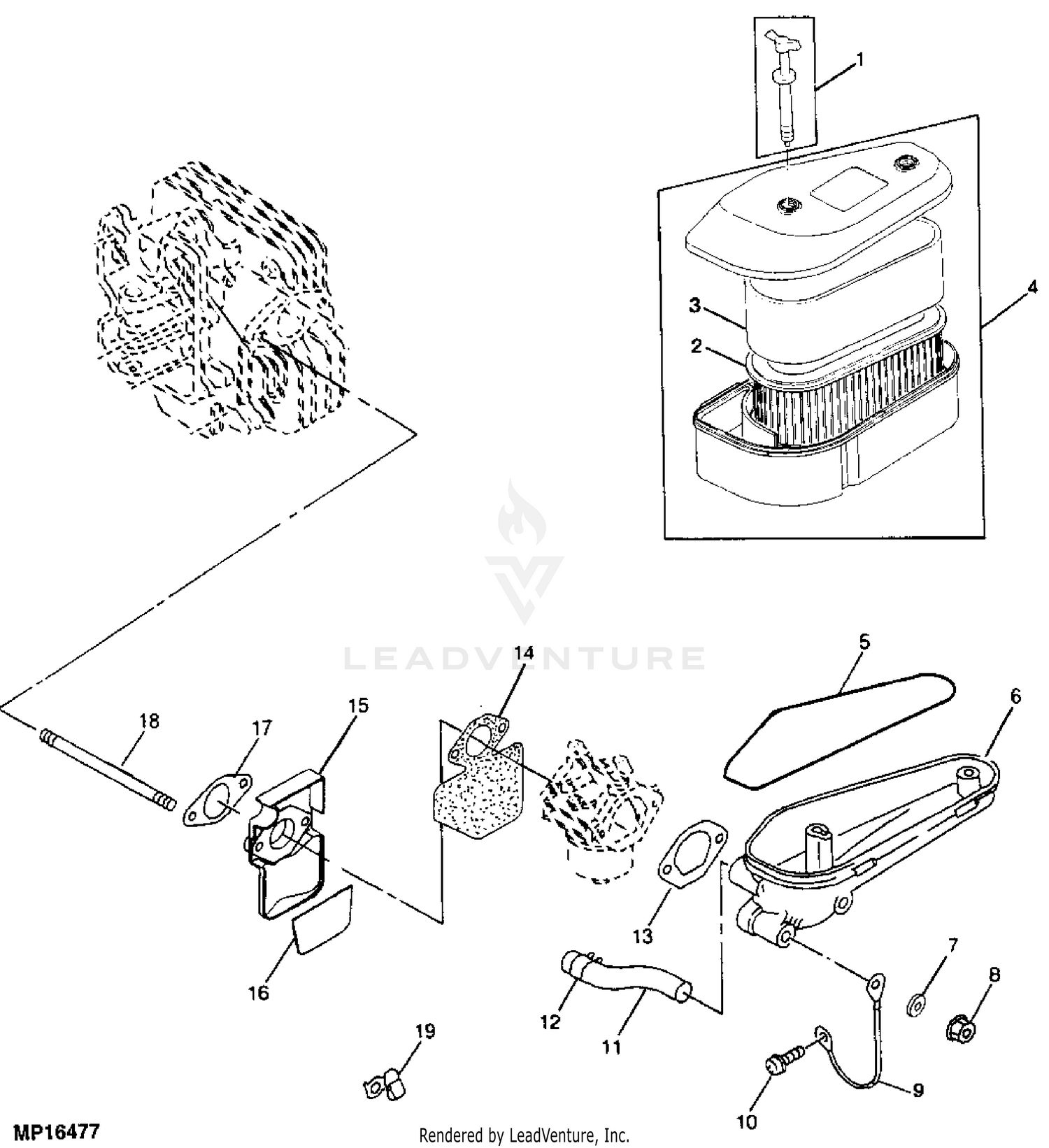
John Deere Lx176 Lawn Tractor With 44 In Mower Deck Pc2317 1998 Model M0l176c180001 999999 Lx176 Lawn Tractor With 44 In Mower Deck Pc2317 Air Cleaner Intake Manifold Lx178 Lx188 Fuel And Air

John Deere Lx176 Lawn Tractor With 44 In Mower Deck Pc2317 1998 Model M0l176c180001 999999 Lx176 Lawn Tractor With 44 In Mower Deck Pc2317 Air Cleaner Intake Manifold Lx178 Lx188 Fuel And Air

John Deere Lx176 Lawn Tractor With 44 In Mower Deck Pc2317 1998 Model M0l176c180001 999999 Lx176 Lawn Tractor With 44 In Mower Deck Pc2317 Steering Wheel Steering Brakes

John Deere Lx176 Lawn Tractor With 44 In Mower Deck Pc2317 1998 Model M0l176c180001 999999 Lx176 Lawn Tractor With 44 In Mower Deck Pc2317 Steering Wheel Steering Brakes

Installation Repair And Replacement Of John Deere Stx30 And Stx38 Gear Drive Belt Yellow Deck

Installation Repair And Replacement Of John Deere Stx30 And Stx38 Gear Drive Belt Yellow Deck

John Deere M110978 Transmission Drive Belt Lx178 Lx186 Lx188 Lx176 Oem Walmart Com

John Deere M110978 Transmission Drive Belt Lx178 Lx186 Lx188 Lx176 Oem Walmart Com

John Deere Lx176 Lawn Tractor With 48 In Mower Deck Pc2317 1995 Model M0l176a110001 130000 Lx176 Lawn Tractor With 48 In Mower Deck Pc2317 1996 Model M0l176a130001 160000 Lx176 Lawn Tractor With 48 In Mower Deck Pc2317

John Deere Lx176 Lawn Tractor With 48 In Mower Deck Pc2317 1995 Model M0l176a110001 130000 Lx176 Lawn Tractor With 48 In Mower Deck Pc2317 1996 Model M0l176a130001 160000 Lx176 Lawn Tractor With 48 In Mower Deck Pc2317

John Deere Scotts Belt Configuration

John Deere Scotts Belt Configuration

Gy20572 John Deere Lx176 Deck 48 Primary Aftermarket Belt

Gy20572 John Deere Lx176 Deck 48 Primary Aftermarket Belt

Drive Belt For John Deere Lx176 Lx178 Lx188 M110978

Drive Belt For John Deere Lx176 Lx178 Lx188 M110978

John Deere Lx176 Lawn Tractor With 48 In Mower Deck Pc2317 1995 Model M0l176a110001 130000 Lx176 Lawn Tractor With 48 In Mower Deck Pc2317 1996 Model M0l176a130001 160000 Lx176 Lawn Tractor With 48 In Mower Deck Pc2317

John Deere Lx176 Lawn Tractor With 48 In Mower Deck Pc2317 1995 Model M0l176a110001 130000 Lx176 Lawn Tractor With 48 In Mower Deck Pc2317 1996 Model M0l176a130001 160000 Lx176 Lawn Tractor With 48 In Mower Deck Pc2317

John Deere L G Belt Routing Guide My Lawnmower Forum

John Deere L G Belt Routing Guide My Lawnmower Forum

Replacement John Deere Belt M154958 M110313 Lx172 Lx173 Lx176 Lx178 Lx186 Lx188 Ebay

Replacement John Deere Belt M154958 M110313 Lx172 Lx173 Lx176 Lx178 Lx186 Lx188 Ebay

Jd D130 Mower Belt Adjustment Green Tractor Talk

Jd D130 Mower Belt Adjustment Green Tractor Talk

John Deere Lx176 Lawn Tractor With 48 In Mower Deck Pc2317 1995 Model M0l176a110001 130000 Lx176 Lawn Tractor With 48 In Mower Deck Pc2317 1996 Model M0l176a130001 160000 Lx176 Lawn Tractor With 48 In Mower Deck Pc2317

John Deere Lx176 Lawn Tractor With 48 In Mower Deck Pc2317 1995 Model M0l176a110001 130000 Lx176 Lawn Tractor With 48 In Mower Deck Pc2317 1996 Model M0l176a130001 160000 Lx176 Lawn Tractor With 48 In Mower Deck Pc2317

Solved I Need A Close Up Picture Of Wiring Harness For Fixya

Solved I Need A Close Up Picture Of Wiring Harness For Fixya

John Deere Lx176 Lawn Tractor With 44 In Mower Deck Pc2317 1998 Model M0l176c180001 999999 Lx176 Lawn Tractor With 44 In Mower Deck Pc2317 Pto Clutch Warner Lx173 Lx178 Lx188 Electrical

John Deere Lx176 Lawn Tractor With 44 In Mower Deck Pc2317 1998 Model M0l176c180001 999999 Lx176 Lawn Tractor With 44 In Mower Deck Pc2317 Pto Clutch Warner Lx173 Lx178 Lx188 Electrical

Transmission Drive Belt For Lx Series Riding Lawn Mowers Genuine Parts John Deere Products Johndeerestore

Transmission Drive Belt For Lx Series Riding Lawn Mowers Genuine Parts John Deere Products Johndeerestore

John Deere Lx176 Lawn Tractor With 48 In Mower Deck Pc2317 1995 Model M0l176a110001 130000 Lx176 Lawn Tractor With 48 In Mower Deck Pc2317 1996 Model M0l176a130001 160000 Lx176 Lawn Tractor With 48 In Mower Deck Pc2317

John Deere Lx176 Lawn Tractor With 48 In Mower Deck Pc2317 1995 Model M0l176a110001 130000 Lx176 Lawn Tractor With 48 In Mower Deck Pc2317 1996 Model M0l176a130001 160000 Lx176 Lawn Tractor With 48 In Mower Deck Pc2317

Tractordata Com John Deere Lx172 Tractor Information

Tractordata Com John Deere Lx172 Tractor Information

Amazon Com Anpart Electric Pto Clutch For John Deere Lx172 Lx173 Lx176 Lx178 Lx186 Lx188 Gs25 Gs30 Gs45 Gs75 Xtreme Warner Outdoor Am123123 Upgraded Lawnmower Patio Lawn Garden

Amazon Com Anpart Electric Pto Clutch For John Deere Lx172 Lx173 Lx176 Lx178 Lx186 Lx188 Gs25 Gs30 Gs45 Gs75 Xtreme Warner Outdoor Am123123 Upgraded Lawnmower Patio Lawn Garden

John Deere Lx176 Lawn Tractor Parts

John Deere Lx176 Lawn Tractor Parts

Pix Mtd 754 0281 Kevlar Mower Belt Car Parts Belts Tensioners Umoonproductions Com

Pix Mtd 754 0281 Kevlar Mower Belt Car Parts Belts Tensioners Umoonproductions Com

Solved Need Belt Diagram On Mower Deck And The Double Fixya

Solved Need Belt Diagram On Mower Deck And The Double Fixya

0 Response to "39 john deere lx176 deck belt diagram"

Post a Comment

Iklan Atas Artikel

Iklan Tengah Artikel 1

Iklan Tengah Artikel 2

Iklan Bawah Artikel