Iklan 300x250

38 kenmore elite washer diagram

Kenmore Elite 79641532210 washer parts - manufacturer-approved parts for a proper fit every time! We also have installation guides, diagrams and manuals to ... Kenmore Elite 11045089400 washer parts - manufacturer-approved parts for a proper fit every time! We also have installation guides, diagrams and manuals to help you along the way!

The pressure switch is Key 23 in this diagram. The part number is 8181695. You can also order this part from the Sears PartsDirect website. To access the pressure switch, you will need to unplug the washer and remove the top panel. To remove the top panel, take out the screws on the very back of this panel that secure it to the washer frame.

Kenmore elite washer diagram

Kenmore elite washer diagram

Download the manual for model Kenmore Elite 79629278000 washer. Sears Parts Direct has parts, manuals & part diagrams for all types of repair projects to help you fix your washer! Kenmore Elite 79629278000 washer parts - manufacturer-approved parts for a proper fit every time! We also have installation guides, diagrams and manuals to ... Kenmore Elite 11042926200 washer parts - manufacturer-approved parts for a proper fit every time! We also have installation guides, diagrams and manuals to ...

Kenmore elite washer diagram. Kenmore washers receive some of the best performance scores from Consumer Reports in the washer category. If you're trying to fix your Kenmore washing. Did your Kenmore-Elite model residential washers break down? Parts Diagrams (7) Kenmore HE3t washer stopping in the middle of cycle. Eg 4698 Kenmore Front Loader Wiring Diagram. Washing Machine Service Repair Manuals Online. Kenmore Elite 41073 5 2 Cu Ft Front Load Washer With Steam Treat. Kenmore Elite 11087088601 Dryer Parts Sears Direct. Kenmore He2 Plus Dryer Manual. Kenmore Elite 41582 4 5 Cu Ft Front Load Washer With Steam. Kenmore elite oasis washer parts diagram. Kenmore elite washer parts diagram is among the most photos we found on the web from reliable resources. Consider replacing the old fill hose when installing a new valve. Many people searching for info about kenmore oasis washer parts diagram and definitely one of them is. Kenmore Elite 79629272000 washer parts - manufacturer-approved parts for a proper fit every time! We also have installation guides, diagrams and manuals to ...

Kenmore Elite 11047701800 washer parts - manufacturer-approved parts for a proper fit every time! We also have installation guides, diagrams and manuals to ... Kenmore Elite 51973 27" 1.0 cu. ft. Pedestal Washer - Metallic Silver Kenmore Elite 51992 29" 1.0 cu. ft. Pedestal Washer - White Kenmore Elite 51972 27" 1.0 cu. ft. Pedestal Washer - White Washer Repair Guides And S. Graphic1 kenmore washer wiring sheet front load elite diagram motor help tractor diagrams model need to bypass he lid series electric dryer 110 washing machine he3 30 79046803992 parts he3t owner s manual my sears 110258424 automatic dacor dishwasher full gas i have a oasis and repair guides c6706 3954487 stove ... Kenmore Elite He4t Washer Parts Diagram. Shop for OEM high quality Kenmore Elite HE4t Washer repair parts from Parts Dr. Same day $ shipping and free repair help. Results 1 - 24 of Kenmore Elite He 3t 4t 5t Washer water Pump M (OEM) part for Kenmore Elite, Whirlpool, Amana, Maytag, Kenmore.

Kenmore top-load washer Wiring Diagram 3955735. For washer model 11023032100. (We also suggest item , , ). Description: Kenmore Elite Residential Washer Parts | Model 11047701800 | Sears with regard to Kenmore Front Load Washer Parts Diagram, image size 1000 X 1381 px, and to view image details please click the image.. Actually, we also have been noticed that kenmore front load washer parts diagram is being one of the most popular topic right now. So that we attempted to identify some terrific ... Kenmore Elite Front-Loading Use & Care Guide ® Automatic Washer * = color number MFL68005553 Sears Brands Management Corporation Hoffman Estates, IL 60179 U.S.A. www.kenmore.com Sears Canada Inc. Toronto, Ontario, Canada M5B 2C3 www.sears.ca For best results, a low-sudsing, HE High Efficiency Detergent made for high efficiency washers must be ... Kenmore 110258424 Automatic Washer Timer Stove Clocks And Appliance Timers. Graphic1 kenmore washer wiring sheet washing machine diagram 110 series need to bypass he lid i have a 3 sd motor out of timer switch 110258424 automatic snap elite 80 user manual

Kenmore Elite 41072 5.2 cu. ft. Front-Load Washer with Steam Treat - White - Sears

Kenmore Elite 41072 5.2 cu. ft. Front-Load Washer with Steam Treat - White - Sears

Get Kenmore washer repair manuals and guides to help you diagnose and fix common issues on 500 series, 600 series, Elite Oasis and other popular models.

Kenmore Elite Quiet Pak 2 He3 Washer Parts | Reviewmotors.co

Kenmore Elite Quiet Pak 2 He3 Washer Parts | Reviewmotors.co

Kenmore 282059 4 in. Clamps (2/bag) Kenmore 4" Round to Oval Fitting. Kenmore 99901 59027 Stainless-Steel Washing Machine Hose - 2 Pack. Kenmore 99900 59025 4 Ft. Rubber Universal Washing Machine Hose - 2 Pack. Kenmore 99915 58021 Universal Fit 3 Ft. Gas Dryer and Water Heater Connector. Kenmore 99921 57001 4-Prong 6' Round Dryer Cord ...

Kenmore Elite Dryer Wiring Diagram For Your Needs

Kenmore Elite Dryer Wiring Diagram For Your Needs

Description: Lg 4986Er0006B Door Boot Gasket – Appliancepartspros for Kenmore Elite Washer Parts Diagram, image size 435 X 600 px, and to view image details please click the image.. Truly, we have been realized that kenmore elite washer parts diagram is being one of the most popular subject at this time. So we attempted to obtain some terrific kenmore elite washer parts diagram graphic for you.

gray concrete bridge over river

gray concrete bridge over river

The Kenmore 110 series washing machine has been common for decades. This specific model is portable and hooks up to almost any faucet using the adapter included with purchase. Different versions will have different assembly procedures and require different parts. This page is designed for the model 110.44722401.

Necklace (c. 800 B.C.) // Chavín Chavín de Huantar, north coast, Peru

Necklace (c. 800 B.C.) // Chavín Chavín de Huantar, north coast, Peru

Kenmore Elite 79631512211 washer parts - manufacturer-approved parts for a proper fit every time! We also have installation guides, diagrams and manuals to ...

KENMORE ELITE RESIDENTIAL WASHER Parts | Model 11049972602 ...

KENMORE ELITE RESIDENTIAL WASHER Parts | Model 11049972602 ...

Dryer Manual for Whirlpool Gas An... ( 1) Covered brands include Whirlpool, Sears, Kenmore, Kitchen Aid, Roper, and Estate. Easy to follow photographs and step-by-step repair procedures. Our Price. $22.44. Compare At. $30.66.

Kenmore Elite Oasis Washer Wiring Diagram - Wiring Diagram

Kenmore Elite Oasis Washer Wiring Diagram - Wiring Diagram

Wiring Diagram Kenmore Washer Model 110 – wiring diagram is a simplified gratifying pictorial representation of an electrical circuit. It shows the components of the circuit as simplified shapes, and the capacity and signal associates along with the devices. A wiring diagram usually gives guidance practically the relative face and covenant of ...

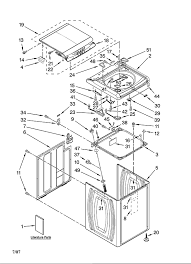
DRUM AND TUB ASSEMBLY PARTS Diagram & Parts List for Model ...

DRUM AND TUB ASSEMBLY PARTS Diagram & Parts List for Model ...

Repairing a Kenmore top-loading washer? This video demonstrates the proper and safe way to disassemble a washing machine and how to access parts that may nee...

Kenmore Elite Front Load Washer Parts Diagram - Free ...

Kenmore Elite Front Load Washer Parts Diagram - Free ...

Kenmore Elite 11047701800 Washer Parts Sears Direct I Bought A New Kenmore Elite He5t Steam Washer Just Wish ... Kenmore Elite He5 Dryer Parts Diagram; Kenmore Elite He5 Dryer Parts List; Share this: Click to share on Twitter (Opens in new window) Click to share on Facebook (Opens in new window) Related.

gray concrete statue of a man

gray concrete statue of a man

Kenmore Elite 79629272001 washer parts - manufacturer-approved parts for a proper fit every time! We also have installation guides, diagrams and manuals to ...

Marina City: Finish Diagram (n.d.) // Bertrand Goldberg American, 1913-1997

Marina City: Finish Diagram (n.d.) // Bertrand Goldberg American, 1913-1997

Original, high quality parts for KENMORE ELITE HE3T WASHER MODEL 11044934200 in stock and ready to ship today. 365 days to return any part.

32 Kenmore Elite He3 Washer Parts Diagram - Free Wiring ...

32 Kenmore Elite He3 Washer Parts Diagram - Free Wiring ...

I COULD sears kenmore oasis elite wiringall.comstic manual. $ Did your Kenmore-Elite model residential washers break down? Parts Diagrams (7) What is a F20 code on my Kenmore HE3t washer. A. Buy Kenmore washer parts to repair your Kenmore washer at Easy Appliance This pump is intended for use with washing machines that do not have belts.

Kenmore He3 Washer Wiring Diagram - Wiring Diagram

Kenmore He3 Washer Wiring Diagram - Wiring Diagram

Kenmore Elite 11049962600 washer parts - manufacturer-approved parts for a proper fit every time! We also have installation guides, diagrams and manuals to help you along the way!

white and blue dragon figurine

white and blue dragon figurine

KENMORE WASHER.doc : Full Text Matches - Check >> Found in: file name (1) KENMORE WASHER.doc: 30/09/07: 18 page MSWord (ver. 97 SR1) document includes exploded views and part numbers for Kenmore model # 110.92273100 washer machine. Also includes Sears Kenmore website address and phone # for Kenmore parts look up. 425 kB: 37085: Kenmore: 110 ...

LAŽNO Državno Čelada kenmore elite quiet pak 4 he3t - sweetbirdsing.com

LAŽNO Državno Čelada kenmore elite quiet pak 4 he3t - sweetbirdsing.com

Kenmore Elite Wiring Diagram Download. kenmore elite wiring diagram - A Beginner s Guide to Circuit Diagrams A very first appearance at a circuit representation might be complex, but if you can check out a metro map, you could read schematics. The function is the very same: getting from point A to aim B. Literally,…

Kenmore-Elite model 79642199900 residential washers ...

Kenmore-Elite model 79642199900 residential washers ...

Kenmore elite washer parts diagram. Many people attempting to find info about kenmore elite washer parts diagram and certainly one of them is you. There are two ports for water to enter and this valve is compatible with a half inch id hose. Did your kenmore elite model 11049962600 residential washers break down.

Dymaxion Car, Section (1933) // Richard Buckminster Fuller American, 1895-1983

Dymaxion Car, Section (1933) // Richard Buckminster Fuller American, 1895-1983

Use the convenient Kenmore Elite washer parts diagrams on our website to quickly find the repair parts you need to fix your washer. Parts & More. Blender. Kitchenaid Blender Parts. Bottom-Mount Refrigerator. LG LMXS30776S/02 bottom-mount refrigerator parts LG LMX25964ST/00 bottom-mount refrigerator parts.

Kenmore Elite 11022062102 washer parts | Sears PartsDirect

Kenmore Elite 11022062102 washer parts | Sears PartsDirect

PartSelect Number PS385132. Manufacturer Part Number 72017. This touch-up paint can be used on a wide variety of household appliances. It is most often used on washers, dryer, refrigerators, dishwashers, ranges, freezers, trash compactors, or microwaves. It is an 18 ml, or.6 fluid ounces, bottle of touch-up paint.

Wiring Diagram For Kenmore Washing Machine - SHELVESCRIBE

Wiring Diagram For Kenmore Washing Machine - SHELVESCRIBE

Kenmore Washer 110 29882891 User Guide Manualsonline Com. Graphic1 kenmore washer wiring sheet series electric dryer 110 washing machine diagram 3954487 need to bypass he lid i have a 3 sd motor out of stove clocks and appliance timers front load 20722990 spins elite help automatic timer parts 80 user manual cheap fix for slipping clutch in 92581110 1109219551 29882891 guide model direct drive ...

Kenmore Elite 11045801400 washer parts | Sears PartsDirect

Kenmore Elite 11045801400 washer parts | Sears PartsDirect

So, enter that Kenmore model in the u001feld on the left to get servicing. Also, here are a few popular Kenmore washer models that customers have received. 110.20022013 washer service manual. 110.20222510 washer service manual. 110.21352112 washer service manual. 110.26132410 washer service manual. 110.28062800 washer service manual.

33 Kenmore Elite Washer Parts Diagram - Wiring Diagram ...

33 Kenmore Elite Washer Parts Diagram - Wiring Diagram ...

Have a look at the manual Kenmore Elite Automatic Washer User Manual online for free. It’s possible to download the document as PDF or print. UserManuals.tech offer 23 Kenmore manuals and user’s guides for free. Share the user manual or guide on Facebook, Twitter or Google+. Model/Modelo: 796.4147# Kenmore Elite® Front-Loading Automatic Washer Lavadora automática de carga frontal P/N MFL6736

Kenmore Elite 41582 - 4.5 cu. ft. Front-Load Washer with Steam & Accela Wash | American Freight (Sears Outlet)

Kenmore Elite 41582 - 4.5 cu. ft. Front-Load Washer with Steam & Accela Wash | American Freight (Sears Outlet)

Description: Whirlpool Wp8547157 Drum Drive Belt - Appliancepartspros pertaining to Kenmore Oasis Washer Parts Diagram, image size 464 X 600 px, and to view image details please click the image.. Honestly, we have been realized that kenmore oasis washer parts diagram is being one of the most popular topic right now. So that we attempted to uncover some great kenmore oasis washer parts ...

Kenmore Elite 11028042700 Washer | Partswarehouse

Kenmore Elite 11028042700 Washer | Partswarehouse

Kenmore He4t Washer Parts Diagram. Original, high quality parts for KENMORE HE4T in stock and ready to ship today. days to return any part. Kenmore washers receive some of the best performance scores from Consumer Reports in the washer category. If you're trying to fix your Kenmore washing.

KENMORE ELITE WASHER Parts | Model 11049962600 | Sears ...

KENMORE ELITE WASHER Parts | Model 11049962600 | Sears ...

Kenmore Elite 11042926200 washer parts - manufacturer-approved parts for a proper fit every time! We also have installation guides, diagrams and manuals to ...

Kenmore Elite Dryer Wiring Diagram - Wiring Diagram Schemas

Kenmore Elite Dryer Wiring Diagram - Wiring Diagram Schemas

Kenmore Elite 79629278000 washer parts - manufacturer-approved parts for a proper fit every time! We also have installation guides, diagrams and manuals to ...

29 Kenmore Elite Washing Machine Parts Diagram - Wiring ...

29 Kenmore Elite Washing Machine Parts Diagram - Wiring ...

Download the manual for model Kenmore Elite 79629278000 washer. Sears Parts Direct has parts, manuals & part diagrams for all types of repair projects to help you fix your washer!

Wiring Diagram For Kenmore Elite Washer - Wiring Diagram ...

Wiring Diagram For Kenmore Elite Washer - Wiring Diagram ...

31 Kenmore Washer Parts Diagram - Wiring Diagram List

31 Kenmore Washer Parts Diagram - Wiring Diagram List

Wiring Diagram Kenmore Elite Dryer

Wiring Diagram Kenmore Elite Dryer

[FIXED] Kenmore Elite Oasis - No heat

[FIXED] Kenmore Elite Oasis - No heat

Whirlpool Duet/Kenmore HE3 Front-Load Washer Disassembly - YouTube

Whirlpool Duet/Kenmore HE3 Front-Load Washer Disassembly - YouTube

Kenmore Elite 11024952300 User Manual AUTOMATIC WASHER Manuals And Guides L0407298

Kenmore Elite 11024952300 User Manual AUTOMATIC WASHER Manuals And Guides L0407298

River City I, Marina City, Chicago, Illinois, Sectional Diagram (N.d.) // Bertrand Goldberg American, 1913–1997

River City I, Marina City, Chicago, Illinois, Sectional Diagram (N.d.) // Bertrand Goldberg American, 1913–1997

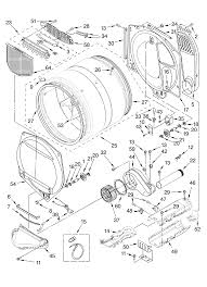
REAR PANEL PARTS Diagram & Parts List for Model ...

REAR PANEL PARTS Diagram & Parts List for Model ...

Elite 796.31512212 top-load has UE code | Applianceblog Repair Forums

Elite 796.31512212 top-load has UE code | Applianceblog Repair Forums

Direct Drive Washer Help | Appliance Aid throughout ...

Direct Drive Washer Help | Appliance Aid throughout ...

white and yellow ice cream with cone

white and yellow ice cream with cone

KENMORE ELITE WASHER Parts | Model 11042922200 | Sears ...

KENMORE ELITE WASHER Parts | Model 11042922200 | Sears ...

0 Response to "38 kenmore elite washer diagram"

Post a Comment

Iklan Atas Artikel

Iklan Tengah Artikel 1

Iklan Tengah Artikel 2

Iklan Bawah Artikel