Iklan 300x250

38 huskee 46 inch deck belt diagram

We have parts, diagrams, accessories and repair advice to make your tool repairs easy. Yard Machines 13ANG () Lawn Tractor Parts. Search within Rod, Belt Keeper (38" Deck). $ .. $ Part Number: MTD 13RNH () Deck Assembly 46 Inch Exploded View parts lookup by model. Complete exploded views of all the major manufacturers. It is EASY and FREE. https://amzn.to/2JUtCvE - MTD REPLACEMENT PTO/DECK BELT (954-0486A 754-0486 954-0486 754-0486A 67-Inch by-5/8-inch)Buy me a coffee? - https://www.paypal.com...

Need A Diagram For The Huskee Lt 4600 Lawn Mower Click Image For

Huskee 46 inch deck belt diagram

Huskee 46 inch deck belt diagram

Huskee 46 deck belt diagram During normal mowing operations on an established lawn the deck belt on your craftsman fs5500 riding mower usually lasts for two or three mowing seasons. But when mowing through unfinished areas The mowing deck on your yardman mower may require removal for several ... 30 huskee 46 inch deck belt diagram wiring diagram list, mtd 13ab606h730 2005 parts diagram for deck h, mtd 13af693g118 2002 parts diagram for deck assembly g, Click X to Close X blog.ipsispub.com.br Huskee repair parts and parts diagrams for Huskee 13AX605H730 - Huskee Lawn Tractor (2006) (Tractor Supply) Order Status Customer Support 512-288-4355 My Account Login to your PartsTree.com to view your saved list of equipment.

Huskee 46 inch deck belt diagram. Deck belt diagram for model917256522. Mtd 13ao771h055 2009 mower deck 46 inch exploded view parts lookup by model. Mtd parts and mtd parts diagrams mtd and the mtd logo mtd products inc cleve oh usa. It is easy and free. The above belt diagram for an mtd riding mower is only for a 46 deck belt if you have a different belt you may want a ... jeremy fountainthemowermedic1mail and business inquires themowermedic1@gmail.comhttps://www.youtube.com/themowermedic1https://www.facebook.com/themowermed... Buy Great Customer Service MTD Genuine Parts Belt 46 in. Deck 954-0349, 490-501-M047 in the Mower Belts category at Tractor Supply Co.For T Parts lookup and repair parts diagrams for outdoor equipment like Toro mowers, Cub Cadet tractors, Husqvarna chainsaws, Echo trimmers, Briggs engines, etc.

Huskee 46 inch deck belt diagram. Posted by timmys40 on may 15 2009. Easy ordering fast shipping and great service. Riding mower deck belt diagrams diy repair manual ayp mtd. Lawn garden tractor. 954 0349 riding mower 46 inch deck belt price. How is the deck belt routed on my 46 inch. Deck cutting width. Mtd 13al78st299 247288861 2012 Parts Diagram For Mower Deck 46 Inch throughout size 1180 X 1527. Craftsman 46 Mower Deck Belt Diagram - In the past few years, it Is simple to comprehend why hardwood decking Has become increasingly more prevalent. Hardwood decking is really durable because it's sourced from wood that is slow growing in tropical ailments. MTD 46 Inch to 54 Inch Parts (3 Blades) available online and ready to ship direct to your door from an Authorized MTD Dealer. Free tech support. 365 day returns. Worldwide shipping. Huskee 46 Problem Pto Does Not Ene My Tractor Forum. Huskee lt4200 please help tractor forum diagram ski supreme wiring riding mower drive belt 46 inch deck 13w2775s031 2018 parts for slt 4600 owner s manual schematic 725 13w277ss031 lt 4200 my fuel solenoid just burned up sp15s001 bms cut yard machine lawn problem pto does not 13wn77ss031 and accessories 42 troubleshooting en stock cub cadet ...

MTD 13BX775H031 (2009) Mower Deck 46 Inch Exploded View parts lookup by model. Complete exploded views of all the major manufacturers. It is EASY and FREE. Deck Assembly 46 Inch diagram and repair parts lookup for Huskee 13AX775H730 - Huskee Lawn Tractor (2007) (Tractor Supply) Order Status Customer Support 512-288-4355 My Account Login to your PartsTree.com to view your saved list of equipment. DIAGRAM OD DRIVE BELT ON 46 INCH CUT HUSKEE MOWER NEED DIAGRAM OF DRIVE BELT ON HUSKEE46 INCH CUT MOWER AND BELT - Huskee Tractor Replacement Riding ... MTD 13AX775H031 (2008) Deck 46 Inch Exploded View parts lookup by model. Complete exploded views of all the major manufacturers. It is EASY and FREE.

6 Huskee Mtd Yard Machines Riding Lawn Mower Deck 46 Black

6 Huskee Mtd Yard Machines Riding Lawn Mower Deck 46 Black

MTD 13WX791T031 (2010) Mower Deck 46-Inch Exploded View parts lookup by model. Complete exploded views of all the major manufacturers. It is EASY and FREE.

Mtd 14at808h731 2004 Deck Assembly 46 Inch Shanks Lawn

Mtd 14at808h731 2004 Deck Assembly 46 Inch Shanks Lawn

Enjoy the videos and music you love, upload original content, and share it all with friends, family, and the world on YouTube.

Huskee 46 Inch Deck Belt Diagram Wiring Site Resource

Huskee 46 Inch Deck Belt Diagram Wiring Site Resource

Mtd 14ai808h731 (2004) Parts Diagram For Deck Assembly 46 Inch Mitsubishi Belt Diagram Huskee 46 Deck Belt Diagram ... Mtd 13wx791t031 (2010) Parts Diagram For Mower Deck 46 Inch Snapper 46 Deck Belt Diagram Huskee 46 Deck Belt Diagram

Huskee 13ax775h031 2008 Partswarehouse

Huskee 13ax775h031 2008 Partswarehouse

Mtd Riding Mower Drive Belt Diagram. route a riding mower deck belt diagram & repair tips learn how to route a mower deck belt with this simple guide from mtd parts find an easy to follow belt diagram for an mtd riding mower in your operator mtd riding mower reviews what to know original review july 27 2018 mtd is a good mower for it s age of 26 years i can still parts at local shops and ...

Riding Mower 46 Inch Deck Belt 954 04219 Mtd Parts

Riding Mower 46 Inch Deck Belt 954 04219 Mtd Parts

Follow these instructions for replacing the cutting deck belt on a riding lawn mower. To order a new lawn mower deck belt, visit: http://www.mtdparts.com/equ...

Huskee Supreme Slt 4600 46 Cut Deck Pick Up Only Lewisburg Ohio Ebay

Huskee Supreme Slt 4600 46 Cut Deck Pick Up Only Lewisburg Ohio Ebay

Q: Belt diagram for 46 inch huskee lawn tractor? ... You are looking for a John Deere 160 belt diagram for a 38 mower deck? Yes. Wider tires on smaller rims 13 inch tire on 11inch rims for farm ...

Venta Huskee Riding Mower Manual En Stock

Venta Huskee Riding Mower Manual En Stock

Yard Man 46 Mtd Tractor Deck Belt Replacement Quick Mib Version 30 Yard Machine 46 Inch Deck Belt Diagram Wiring Diagram List Yard Machines Riding Mower Belt Diagram Yard Machine Bug Parts Mr 5112 Mtd Mower Diagram Related : Yard Machine 46 Inch Riding Mower Belt Diagram.

Huskee 13ax775h031 2008 Partswarehouse

Huskee 13ax775h031 2008 Partswarehouse

Visit us now for more videos or to buy parts for your tractor at http://www.midwestmowerpro.com/p/MTD?aribrand=MTD&utm_source=YouTube.Use this video to help

Mtd 13bx775h031 2009 Parts Diagram For Mower Deck 46 Inch

Mtd 13bx775h031 2009 Parts Diagram For Mower Deck 46 Inch

Huskee 46 inch deck belt diagram. The personalized photo can also help you apply these tips to your particular machine. Riding mower deck belt diagrams diy repair manual ayp mtd. Get tips on changing a mower deck belt from mtd route a riding mower deck belt. Deck cutting width. Easy ordering fast shipping and great service.

Huskee Supreme Slt 4200 Off 57

Huskee Supreme Slt 4200 Off 57

MTD 14AI808H731 (2004) Deck Assembly 46 Inch Exploded View parts lookup by model. Complete exploded views of all the major manufacturers.

Huskee 13ax775h730 Huskee Lawn Tractor 2007 Tractor Supply Frame Parts Lookup With Diagrams Partstree

Huskee 13ax775h730 Huskee Lawn Tractor 2007 Tractor Supply Frame Parts Lookup With Diagrams Partstree

need a diagram for the huskee lt 4600 lawn mower | Click image for larger ... by MTD for a freind and I have to replace the lower belt on the mower deck.

Huskee 16 5hp 42 Cut Drive Belt Snapped Youtube

Huskee 16 5hp 42 Cut Drive Belt Snapped Youtube

Find MTD Genuine Parts 46 in. Deck Drive Belt in the Mower Belts category at Tractor Supply Co.Replace worn equipment with a MTD Genuine Parts 4

Drive Belt Mtd 46 Inch Deck Belt Diagram

Drive Belt Mtd 46 Inch Deck Belt Diagram

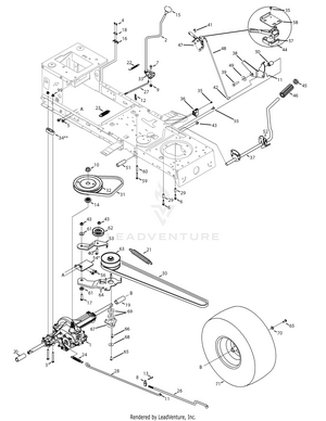
The above belt diagram for an MTD riding mower is only for a 46" deck belt, if you have a different belt, you may want a different frame of reference. The personalized photo can also help you apply these tips to your particular machine. 2. Loosen the idler pulley rods to remove the old belt, and inspect the new belt for installation.

Purchase Huskee 46 Inch Deck Belt Diagram Up To 64 Off

Purchase Huskee 46 Inch Deck Belt Diagram Up To 64 Off

Video Tutorial of how to change upper deck belt on yard man 46" Triple blade deck. Shows easy and fast way to change out the belt without pulling the Deck. ...

What Size Belts Do I Need For A 46 In Mower Deck Snapper Fixya

What Size Belts Do I Need For A 46 In Mower Deck Snapper Fixya

Mtd belt diagram 46 in yardman along with yard machine riding mower belt diagram php attachmentid depict dreamy for larger version name drive belts views size 14 further t mtd 42 zero turn transmission belt further reseating deck belt mtd mower in addition ddad john deere mower deck belt.

Mtd Genuine Factory Parts 46 Inch Lawn Tractor Replacement Deck Drive Belt The Home Depot Canada

Mtd Genuine Factory Parts 46 Inch Lawn Tractor Replacement Deck Drive Belt The Home Depot Canada

Riding Mower 46-inch Deck Belt. Item: 954-0349. Fits Lawn Tractors and Garden Tractors with 46 inch decks, 2009 and prior. For Troy-Bilt, MTD, Yard-Man, Huskee, Yard Machines and Bolens. Quantity.

Craftsman 42 Inch Deck Belt Routing Bltcollege In

Craftsman 42 Inch Deck Belt Routing Bltcollege In

Huskee Riding Mower Belt Diagram. drive belts replaced huskee lt4200 drive belts replaced huskee lt4200 getting huskee mower ready for another how to adjust the belt tension on a riding mower huskee deck belt diagram imageresizertool huskee deck belt diagram to her with parts for craftsman riding mower 42 deck also yard machine 42 inch riding mower belt diagram lawn mower belt routing

Mtd 13ax775h031 2008 Parts Diagram For Deck 46 Inch

Mtd 13ax775h031 2008 Parts Diagram For Deck 46 Inch

Free delivery on millions of items with Prime. Low prices across earth's biggest selection of books, music, DVDs, electronics, computers, software, apparel & accessories, shoes, jewelry, tools & hardware, housewares, furniture, sporting goods, beauty & personal care, groceries & just about anything else.

Mtd 13au609h131 1999 Parts Diagram For 46 Inch Cutting Deck

Mtd 13au609h131 1999 Parts Diagram For 46 Inch Cutting Deck

https://amzn.to/2Y21n37 - MTD OEM Replacement Upper Drive Belt - 954-0468Buy me a coffee? - https://www.paypal.com/paypalme2/StumphThe video covers the proc

Huskee Supreme Slt 4600 Off 55

Huskee Supreme Slt 4600 Off 55

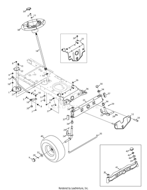
MTD 13AN771H729 (2007) Deck Assembly 46 Inch Parts Diagram. SWIPE SWIPE. .Quick Reference 771H. Deck Assembly 46 Inch. Drive. Engine Accessories.

How To Replace Drive Belts White Outdoors Riding Mower Youtube

How To Replace Drive Belts White Outdoors Riding Mower Youtube

This item: Original Equipment Deck Drive Belt for Select 46 in. Front Engine Garden Tractors OE# 954-0439 (2004 and Before) $23.48 MaxPower 2 Blade Set for Many 46 in. Cut MTD, Cub Cadet, Troy-Bilt, Craftsman Mowers Replaces OEM #'s 742-04244, 742-04290

Weingartz Com

Weingartz Com

I need mower belt diagram for huskee supreme slt 4 I need mower belt diagram for huskee supreme slt model 13axh Asked by. Chris, I am trying to find a belt diagram for a 46 inch cut Husky riding mower. alan gordon, What size belt does the Huskee Supreme SLT H need?. I just acquired a Huskee SLT with a 46 in. deck.

Huskee 13aj608h131 Huskee Lawn Tractor 2002 Tractor Supply 46 Cutting Deck Parts Lookup With Diagrams Partstree

Huskee 13aj608h131 Huskee Lawn Tractor 2002 Tractor Supply 46 Cutting Deck Parts Lookup With Diagrams Partstree

I am trying to find a belt diagram for a 46 inch cut Husky riding mower. The model number is 13AT688H731. I have the belt the is listed for the mower but when I put it on it is way to big. Thank you so much. ... looking for deck belt diagram for my huskee 21hp 46" cut mower model #407777:

Huskee Lawn Mower Manual Off 68

Huskee Lawn Mower Manual Off 68

Jpg huskee 46 inch deck belt diagram lovely wiring diagrams for huskee. Complete exploded views of all the major manufacturers. Take off clearance cancelled at last moment. It is easy and free. Mower user guide and owners manual is also similar with ford ls45 lawn. Displaying mower deck parts for the mtd 13w2775s031 lt4200 huskee lawn tractor 2013.

Huskee 13at688h131 Huskee Lawn Tractor 2003 Tractor Supply Deck Assembly H Parts Lookup With Diagrams Partstree

Huskee 13at688h131 Huskee Lawn Tractor 2003 Tractor Supply Deck Assembly H Parts Lookup With Diagrams Partstree

There are two different belt routing patterns for our 46-inch cutting decks. 1. The routing for the six-pulley deck is somewhat complex, so it is shown here.. 2. The routing for our four-pulley decks is not as complex, but does vary depending on the model and year. Information on installing the belt on our four-pulley deck designs may be found in the Operator's Manual for the tractor.

Parts For Huskee Husky 14ai808h731 2004 Deck Assembly 46 Inch Parts Appliancepartspros Com

Parts For Huskee Husky 14ai808h731 2004 Deck Assembly 46 Inch Parts Appliancepartspros Com

Free delivery on millions of items with Prime. Low prices across earth's biggest selection of books, music, DVDs, electronics, computers, software, apparel & accessories, shoes, jewelry, tools & hardware, housewares, furniture, sporting goods, beauty & personal care, groceries & just about anything else.

Solved Mower Deck Belt Won T Stay On Fixya

Solved Mower Deck Belt Won T Stay On Fixya

1. Take a picture of the pulley configuration before removing the old belt. The above belt diagram for an MTD riding mower is only for a 46" deck belt, if you have a different belt, you may want a different frame of reference. The personalized photo can also help you apply these tips to your particular machine. 2.

Huskee Lawn Tractor Manual

Huskee Lawn Tractor Manual

MTD 13AX615H730 (2007) Deck Assembly 46 Inch Exploded View parts lookup by model. Complete exploded views of all the major manufacturers.

Purchase Troy Bilt 46 Inch Deck Belt Diagram Up To 70 Off

Purchase Troy Bilt 46 Inch Deck Belt Diagram Up To 70 Off

I have a Huskee lawn tractor with the same numbers. I, too, am looking for manuals for it. Louis: Need Belt sizes for 1994 Huskee Mod# 46802x60a 4420040 46 inch cut. Drive and deck belts. James House: need belt sizes for huskee 10HP rear engine mower model#B3601040 serial#sm0030704: eric: i need a manual: John Stahler: Need a manual for a 22HP ...

Buy 932 0594a Extension Spring Fits Mtd Troy Bilt Cub Cadet White Huskee 46 Lawn Tractor Mower Deck 732 0594a Online In Poland B08zmmmr9d

Buy 932 0594a Extension Spring Fits Mtd Troy Bilt Cub Cadet White Huskee 46 Lawn Tractor Mower Deck 732 0594a Online In Poland B08zmmmr9d

Loading · ×Sorry to interrupt · Refresh

Huskee 13wx791t031 Huskee Lawn Tractor 2010 Tractor Supply Mower Deck 46 Inch Parts Lookup With Diagrams Partstree

Huskee 13wx791t031 Huskee Lawn Tractor 2010 Tractor Supply Mower Deck 46 Inch Parts Lookup With Diagrams Partstree

The MTD Huskee Supreme is a front engine garden tractor equipped with a or inch mid-mount mowing deck. The Huskee brand was manufactured by. Chris, I am trying to find a belt diagram for a 46 inch cut Husky riding mower. alan gordon, What size belt does the Huskee Supreme SLT H need?. Perhaps, there is a problem with the tensioner pulleys.

Mtd 13w2775s031 Lt4200 2012 Parts Diagram For Mower Deck 42 Inch

Mtd 13w2775s031 Lt4200 2012 Parts Diagram For Mower Deck 42 Inch

SmallEngineEquipmentParts.com: MTD 46", 50", & 54" Deck - 3 Blades: Diagram

Mtd 46 Deck Belt 754 0349 112 0317 Walmart Com

Mtd 46 Deck Belt 754 0349 112 0317 Walmart Com

Huskee repair parts and parts diagrams for Huskee 13AX605H730 - Huskee Lawn Tractor (2006) (Tractor Supply) Order Status Customer Support 512-288-4355 My Account Login to your PartsTree.com to view your saved list of equipment.

Solved Need Instructions How To Put On And Route A Mower Fixya

Solved Need Instructions How To Put On And Route A Mower Fixya

30 huskee 46 inch deck belt diagram wiring diagram list, mtd 13ab606h730 2005 parts diagram for deck h, mtd 13af693g118 2002 parts diagram for deck assembly g, Click X to Close X blog.ipsispub.com.br

1

1

Huskee 46 deck belt diagram During normal mowing operations on an established lawn the deck belt on your craftsman fs5500 riding mower usually lasts for two or three mowing seasons. But when mowing through unfinished areas The mowing deck on your yardman mower may require removal for several ...

Huskee Lt 4600 13w878st031 Huskee Lawn Tractor 2016 Deck Parts Lookup With Diagrams Partstree

Huskee Lt 4600 13w878st031 Huskee Lawn Tractor 2016 Deck Parts Lookup With Diagrams Partstree

Need Belt Diagram For Huskee Model 13au607h131 Fixya

Need Belt Diagram For Huskee Model 13au607h131 Fixya

Cub Cadet Lawn Tractors Xt2 Ps117 13bga1ct603 2019 Mowing Deck T 46 117cm Spareparts

Cub Cadet Lawn Tractors Xt2 Ps117 13bga1ct603 2019 Mowing Deck T 46 117cm Spareparts

0 Response to "38 huskee 46 inch deck belt diagram"

Post a Comment

Iklan Atas Artikel

Iklan Tengah Artikel 1

Iklan Tengah Artikel 2

Iklan Bawah Artikel