Iklan 300x250

38 3vze vacuum hose diagram

Order of my vacuum hoses for the 3VZE TOYOTA engineFollow my personal Instagram page here: http://instagram.com/redeth005My Personal build thread on YotaTech... Genuine Toyota Heater Hose Kit for the Toyota 3.4L 5VZ-FE V6 4runner with rear heater from 1996-2002. 3 Genuine Toyota pre-formed heater hoses. Kit includes-. 87245-35730. 87245-35680. 87245-35670.

Fig. 5: Vacuum hose routing-1989-90 22R-E (California) Fig. 6: Vacuum hose routing-1991 22R-E (Federal and Canada) Access our Toyota Pick-ups, Land Cruiser, 4Runner 1989-1996 Vacuum Diagrams Repair Guide by creating an account or signing into your AutoZone Rewards account.

3vze vacuum hose diagram

3vze vacuum hose diagram

1989 4runner 3vze vacuum hose order(1) - YouTube 3vz engine vaccum diagram. Does anybody have a vacuum diagram for the 3vze motor or specifically for a 1995. Sputtering engine at high speeds.. 3vze vacuum hose diagram for reference: So now I need a vacuum hose diagram near you with 1988-95 4-Runner/pickup with a 3VZE 12:40IN THIS VIDEO I WILL GIVE YOU A VIDEO TOUR OF THE VACUUM HOSE ROUTING ON A 1990 TOYOTA ...Jan 27, 2019 · Uploaded by Rene The Mechanic Vacuum Hose- Toyota V6 3.0L 3VZ-E 4Runner & Pickup Truck Vacuum Hose Kit (1988-1995) Kit-1085. This is a vacuum hose kit that includes enough Genuine Toyota vacuum line to replace all of the lines shown in red. This kit also includes the larger vacuum lines off the power steering for the idle up. When quality matters use Genuine Toyota vacuum line.

3vze vacuum hose diagram. Vacuum hose diagram for 1987 22r toyota pick up answered by a verified toyota mechanic. Vacuum diagrams this is not an automated service. 3vze Vacuum Hose Diagram For Reference Yotatech Forums Carburetors quadrajet vacuum ports anyone know the purpose of port n well i have diagrams from 84 and 86 saved on my computer and went and. 3vze vacuum hoses and check valves. I bought my 93 3vze back in October. Since then I did the head gaskets blah blah blah blah blah. ... So, with all that in mind, should I just redo all the vacuum hoses using the diagram on the underside of the hood? Do I also have to replace all the little check valves and vacuum switching valves? truck has ... Vacuum line hose diagram for a 1989 chevy 350 engine with tbi. Print below is a listing of vacuum diagrams for most of the engine and emissions package combinations covered by this guide. Find chevrolet 57l350 hose line tubing and get free shipping on orders over 99 at summit racing. 90 350 tbi vacuum lines. Junior Member. Join Date: Jan 2011. Posts: 14. 93 toyota 4runner 3vze vacuum line diagram. i need the vacuum line diagram for a 93 v6 4runner with a 3.0. not the egr thats under the hood but the vacuum lines to the left when your looking into the engine. Thanks.

i have a 1990 sr5 4x4 4runner 3vze . vin vzn130r-gkpseq .i was trying to sort out the vacuum hoses .i got the vacuum diagrams but my vechile has an extra part that runs vacuum hoses down to the front … read more 2012 3vze vacuum hose diagram for reference. ... 1993, 3vze, 4runner, 95, diagram, diagrams, emissions, hose, line, routing, schematics, test,... Silicone Vacuum Hose Kit (Red) Replace your truck or 4Runner's vacuum hoses with silicone hoses and eliminate power robbing vacuum leaks. Our hose kits use the finest silicone hose available and should last the life of your truck. This is one of the best upgrades you can buy for your truck. All kits contain enough hose to replace all the vacuum ... 0:48Order of my vacuum hoses for the 3VZE TOYOTA engineFollow my personal Instagram page here: http ...Dec 23, 2013 · Uploaded by RedethMusic

Need A 1981 Ca Vacuum Diagram, Fsm Download/pic Is Ideal, size: 800 x 600 px, source: www.yotatech.com. Right here are a few of the top drawings we receive from numerous sources, we hope these images will serve to you, and also ideally really relevant to exactly what you desire concerning the 1994 Toyota 22Re Vacuum Hose Diagram is. I have a Toyota 1995 4x4 with 22r-e engine.I need the vacuum hoses diagram going to the top of the engine I in stalled a new engine it has spark but no fuel presure ... I have 94 toyota 4-w truck with a 3vze engine. I need the vacuum hoses diagram going to the intake ... This picture (3Vze Vacuum Hose Diagram For Reference - Yotatech Forums inside 1990 Toyota Pickup Engine Diagram) above is actually classed using: 1990 toyota pickup engine diagram, . submitted simply by admin with January, 2 2015. To see many pictures inside 1990 Toyota Pickup Engine Diagram photos gallery please abide by this specific hyperlink. 3.0 Intake Hose Diagram Help. Jump to Latest Follow ... 3vze - 4x4 - SR5 - 5sp- 270k. Currently in street DD mode ... Thanks NEO yes I am referring to the vacuum hoses that goes to the power steering pump idle up valve. The other hoses I am referring to are the ones coming from the idle up for the a/c

white pasta on white paper

white pasta on white paper

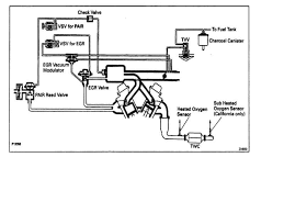
vacuum hose diagram toyota 3vze #2. Toyota 4runner Sr5 Ae86 Toyota Corolla Schematic Drawing Electrical Diagram 4 Runner Garage Tools Toyota Trucks Atelier.

Need a Diagram of Engine Vacuum Lines Connections

Need a Diagram of Engine Vacuum Lines Connections

Vacuum hose diagram toyota 4runner. Find this Pin and more on 3VZE by Vince Nisly. Toyota Alphard. Toyota 4runner Sr5. Toyota Corolla. Toyota Runner. Stagecoach Music Festival. Luxury Van. Lexus Ls.

gray concrete statue of a man

gray concrete statue of a man

Jul 19, 2015 — Trying to find a diagram showing the vacuum hose routing off the Brake booster any one have one? There is only one hose that comes off the ...Help with vacuum hoses truck 3vze 1991 4x4 v6 - YotaTechJun 6, 2017vacume hose layout - YotaTech ForumsApr 21, 2011vacuum diagram for 94 3.0 4runner - YotaTech ForumsJul 19, 2010Need 1995 V6 Vacuum hose help - YotaTech ForumsJun 6, 2017More results from www.yotatech.com

Vacuum Hose- Toyota V6 3.0L 3VZ-E 4Runner & Pickup Truck ...

Vacuum Hose- Toyota V6 3.0L 3VZ-E 4Runner & Pickup Truck ...

Vacuum hose routing 1991 95 22r e california fig. Emission system component layout and vacuum diagram 1984 22r e engine. That racing channel recommended for you. I am looking for a good diagram of the vacuum lines for a 1988 toyota pick up w a 22rcarberated manual trans. Vaccum hoses are missing.

Vacuum Hose Diagram - Third Generation F-Body Message Boards

Vacuum Hose Diagram - Third Generation F-Body Message Boards

9:26... today I am bringing you the Vacuum Breakdown for a 3.0 or 3VZE engine. ... 4runner Power Steering Air Co ...Apr 30, 2021 · Uploaded by Southern Gearz

navigation map

navigation map

Toyota 3vze Engine Diagram only if you are. toyota 30 v6 engine diagram 3vze 3vz auto repair guide images,specific vac questions w diagram forum toyota 30 engine 3vze wiring,engine problems . 3vze engine diagram toyota 3vze engine repair manual document for toyota 3vze engine repair manual is available in various format such as pdf doc and epub.

3vze vacuum hose diagram for reference - YotaTech Forums

3vze vacuum hose diagram for reference - YotaTech Forums

vacuum hose diagram toyota 3vze #1. Find this Pin and more on 4runner toyota by Oscar Estela. Toyota 4runner Sr5. Toyota 4x4. Toyota Trucks. Toyota Surf. Car Facts. Car Mods. 4 Runner.

white and yellow ice cream with cone

white and yellow ice cream with cone

Fixing \"The Hose From Hell\" In A Toyota MR2 | Wheeler Dealers Vacuum hose diagram and explanation Toyota 4Runner 3.0 3VZE Full Vacuum Breakdown Beams, Alteeza, Toyota 3sge How to wire a 3sge beams Ecu and get spark and injectors working.

Vacuum Hose Routing Diagram Chevy - General Wiring Diagram

Vacuum Hose Routing Diagram Chevy - General Wiring Diagram

Dec 30, 2016 — can someone help me with a vacuum diagram on a 93 3.0 4wd manual transmission please? ... vacuum diagram help-3vze-vacuumhose-diagram-gif vacuum diagram ...Vacuum Lines Routing - Toyota 4Runner ForumNov 20, 20103vze vacuum hoses and check valves - Toyota 4Runner ForumMay 11, 2012A Tale of ADD and Vacuum Hoses (94 3vze 4wd) - Toyota ...Apr 27, 2015Vacuum hose mess! - Largest 4Runner ForumAug 27, 2016More results from www.toyota-4runner.org

Pin on 3VZE

Pin on 3VZE

5:431989 4runner 3vze vacuum hose order(1) · 94 Toyota Pickup 3vze 3.0 Vacuum System · 1993 Toyota ...Jul 12, 2016 · Uploaded by Matthew Nelson

need help with the 3vze - Page 2 - YotaTech Forums

need help with the 3vze - Page 2 - YotaTech Forums

Aug 5, 2018 - Vacuum Lines Routing - Toyota … 20.11.2014 I had the same prob and the PO replaced the motor w/ a used and had all of the vacuum lines going ... 95 Toyota 4runner SR5 3.0 ... vacum diagram f...

3vze intake/vacuum line question. - YotaTech Forums

3vze intake/vacuum line question. - YotaTech Forums

3vz engine vaccum diagram. Does anybody have a vacuum diagram for the 3vze motor or specifically for a 1995. Sputtering engine at high speeds.. 3vze vacuum hose diagram for reference: So now I need a vacuum hose diagram near you with 1988-95 4-Runner/pickup with a 3VZE engine..Toyota 4-Runner,solid front straight axle,factory cruise. i need the vacuum line diagram for a 93 v6 4runner with a 3 ...

Image result for 150Cc Scooter Vacuum Line Diagram | 150cc ...

Image result for 150Cc Scooter Vacuum Line Diagram | 150cc ...

1999 ford ranger vacuum hose diagram 1999 Ford Ranger Vacuum hose diagram Pamela, Normally vacuum line routing can be found under the hood of truck, on Rad support or on the underside of hood. Check the attached links,instruction and guides, Good luck SOLVED: Vacuum hose diagram video for 1999 ford explorer ...

DIAGRAM] Free Vacuum Line Diagrams FULL Version HD Quality

DIAGRAM] Free Vacuum Line Diagrams FULL Version HD Quality

Vacuum Hose- Toyota V6 3.0L 3VZ-E 4Runner & Pickup Truck Vacuum Hose Kit (1988-1995) Kit-1085. This is a vacuum hose kit that includes enough Genuine Toyota vacuum line to replace all of the lines shown in red. This kit also includes the larger vacuum lines off the power steering for the idle up. When quality matters use Genuine Toyota vacuum line.

Vacuum Hose Routing Diagram: I Need to Replace Crummbling ...

Vacuum Hose Routing Diagram: I Need to Replace Crummbling ...

12:40IN THIS VIDEO I WILL GIVE YOU A VIDEO TOUR OF THE VACUUM HOSE ROUTING ON A 1990 TOYOTA ...Jan 27, 2019 · Uploaded by Rene The Mechanic

Vaccum Line Diagram — UNTPIKAPPS

Vaccum Line Diagram — UNTPIKAPPS

1989 4runner 3vze vacuum hose order(1) - YouTube 3vz engine vaccum diagram. Does anybody have a vacuum diagram for the 3vze motor or specifically for a 1995. Sputtering engine at high speeds.. 3vze vacuum hose diagram for reference: So now I need a vacuum hose diagram near you with 1988-95 4-Runner/pickup with a 3VZE

Pin on 3VZE

Pin on 3VZE

Need a Diagram of Engine Vacuum Lines Connections

Need a Diagram of Engine Vacuum Lines Connections

Vacuum hose diagram toyota 3vze

Vacuum hose diagram toyota 3vze

FINALLY, a Vacuum Hose Diagram - Page 3

FINALLY, a Vacuum Hose Diagram - Page 3

9044513014 - TOYOTA Hose | Toyota Parts Overstock, Lakeland FL

9044513014 - TOYOTA Hose | Toyota Parts Overstock, Lakeland FL

| Repair Guides | Vacuum Diagrams | Vacuum Diagrams ...

| Repair Guides | Vacuum Diagrams | Vacuum Diagrams ...

Ford F 150 Efi Vacuum Lines Diagram - Wiring Forums

Ford F 150 Efi Vacuum Lines Diagram - Wiring Forums

38 2004 jeep grand cherokee vacuum hose diagram ...

38 2004 jeep grand cherokee vacuum hose diagram ...

vacuum hose diagram toyota 3vze #1 in 2020 | Toyota ...

vacuum hose diagram toyota 3vze #1 in 2020 | Toyota ...

QR code screenshot

QR code screenshot

vacuum hose diagram | IH8MUD Forum

vacuum hose diagram | IH8MUD Forum

96135-41100 - Toyota - Clip (for Vacuum Hose) - Nengun Performance

96135-41100 - Toyota - Clip (for Vacuum Hose) - Nengun Performance

green and yellow map

green and yellow map

Ford F 150 4 9 Vacuum Hoses Diagram - Wiring Forums

Ford F 150 4 9 Vacuum Hoses Diagram - Wiring Forums

Vacuum Piping for 1991 - 1995 Toyota HILUX SURF/ 4RUNNER VZN130 | Japan sales region, , 17722432-910502

Vacuum Piping for 1991 - 1995 Toyota HILUX SURF/ 4RUNNER VZN130 | Japan sales region, , 17722432-910502

Vacuum Line on 3vze - YotaTech Forums

Vacuum Line on 3vze - YotaTech Forums

Help with vacuum hoses truck 3vze 1991 4x4 v6 - YotaTech ...

Help with vacuum hoses truck 3vze 1991 4x4 v6 - YotaTech ...

Help with vacuum hoses truck 3vze 1991 4x4 v6 - YotaTech Forums

Help with vacuum hoses truck 3vze 1991 4x4 v6 - YotaTech Forums

Vacuum Piping for 1988 - 1990 Toyota HILUX/4RUNNER TRUCK VZN85 | Europe sales region, , 17851235-919114

Vacuum Piping for 1988 - 1990 Toyota HILUX/4RUNNER TRUCK VZN85 | Europe sales region, , 17851235-919114

3vze vacuum hose diagram for reference - YotaTech Forums

3vze vacuum hose diagram for reference - YotaTech Forums

38 2004 jeep grand cherokee vacuum hose diagram ...

38 2004 jeep grand cherokee vacuum hose diagram ...

white animal skull on white surface

white animal skull on white surface

0 Response to "38 3vze vacuum hose diagram"

Post a Comment

Iklan Atas Artikel

Iklan Tengah Artikel 1

Iklan Tengah Artikel 2

Iklan Bawah Artikel